Fórum témák
» Több friss téma |
Mielőtt kérdezel, a következő két dolgot ellenőrizd!
I. A helyes tápfeszültségek megléte.
II. A kimeneten van-e egyenfeszültség.
Élesztés.
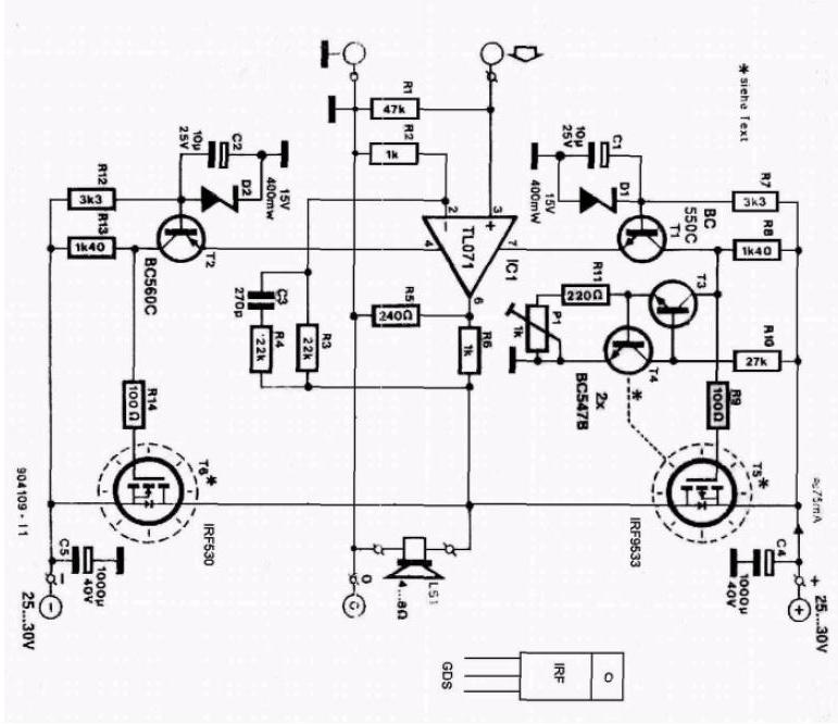
Hi Mesterek!
Lenne egy kérdésem, megépítettem ezt a kapcsolást. Reggel már kérdezősködtem a megtáplálás felől , azaz hogy 1*25v vagy 2/*25v, és 2*28V kapott végül is. A problémám a következő lenne. a jobb oldali fet nagyon melegszik, és végül is "működik" de nem 101-es. Amikor bekapcsolom/felélesztem akkor működés közben a hangszóró membrán mászkál. Hol "beszívja" hol "kinyomja" bemeneti jel nélkül is. Nyugalmi áramot beállítottam, kivezérlés nélkül 75mA-ra. Talán a gond az lehet hogy a tl071 bemeneti tápja ha a (+) 7 láb és a (-)4 láb közt nézem akkor az U:28V, de ha a pluszt(7) a vagy a mínuszt(4) nézem a földhöz akkor +/-14 V, tehát normális, szerintetek? Ja és néztem az áram felvételét a plusz ágán 200-400ma-ig, a mínusz ágat 400mA-1,2A terheli, ez a fet melegszik jobban is. Nem tudom, mindent átnéztem már a nyákon. Segítséget előre is köszönöm.
Normális, azzal nincs gond.
A végfetek rendesen vannak felszerelve a hűtőfelületre? Szigetelőgyűrű, alátét, hőelvezető paszta, stb rendben? Szigetelést Ohm mérővel ellenőrizted? Megfelelő méretű a hűtés? Értékelhető jó minőségű :photo: ?
Hi
Még egyenlőre "próba padon" van és nem szereltem fel az eredteti hűtő bordát rá, két kisebb van rajta, külön külön külön, tehát tuti nincs érintkezés.
Szivesen. Ha esetleg nincs meg ,akkor linkről letöltheted a kapcsolási rajzot és nyáktervet pdf -ben. Mpedro nevű felhasználónk tervezése az áramkör. Jómagam MC1458 építettem meg (az volt itthon) és tökéletesen működött. Bővebben: Link
Hi, csináltam egy fényképet, hátha.
Egyenlőre a T4 dróttal felhúztam a fet mellé.
Sziasztok csak annyit mondanák hogy készvan a 2xtda7294 es erősítőm . ÉS ANNYIT FŰZÖK HOZZÁ HOGY REMEGNEK AZ ABLAKOK
AKI TDA7294 es erőlködőt épít az nagyon jól jár vele. Tiszta "erős" méj hangja van, a hűtéssel nem ajánlom hogy spóroljatok de az a legkevesebb. Én cak pak 2000 forintból raktam össze 2x ugyanazt
A BC 547-nek jó a termikus kontaktusa?
(Igazából hűtőfüllel kellene felszerelni a bordára.) Rövidre zárt bemenetnél is járkál a hangszóró?
Köszi szépen!
Én most a mai napom azzal töltöttem, hogy átrajzoljam kicsit SMD be, meg fix panelra, mert van egy 3,3cm es nyákom, meg jópár SMD ellenállás, És gondoltam megcsinálom arra. Ezen szintemelő mellé még a sub basszus aktív szűrőt is rátervezem a panelra, amihez a kiegészítőjét is használni fogom ![]() Elvileg eddig meg vagyok azzal, hogy egy 3cm es hosszú panelra ráfér mind a kettő. Ezek után csak egy hangfalvédelmet kell még építeniem, ami félig kész, és kész a sub hangdobozom..: )
Szélesnek széles, de a rézfólia 0,35 mikrométer vastag.. Persze elbírja az áramot, de nem is azért szoktak vastag bunkó kábeleket rakni az erősítőkbe, mert a vékonyabb nem bírná az áramot..
Mindegyik fog müködni, de egyikse jól szoló IC
Egyébbként a praaméteren kivül nagyon nem mindegy melyik cég csinálta, és az se mi a sorozat száma Mentöl régebbi annál joban szól
Jó.
De az igazából ugye csak a magasabb tartományokra vonatkozik, ugye!? ![]() Nekem a mély tartomány a fontosabb. Ja, és még egy kérdésem lenne. Ha a Kiegészítő részét is meg szeretném építeni, akkor ahhoz a forgókapcsolóból milyet vegyek? Csak mert két félét találtam: BBM (uzánzáró) MBB (követő) Melyiket? Köszi: lewi
Zenner, Mosfilm és Toxen.
Basszus, igazatok van, ezt nagyon elnéztem, összekevertem valahogy a kapcsolást egy másik hasonló erősítővel, ahol nincs hozzáföldelve a bemenet. De mostmár képben vagyok, ekkora paliságot, ejj. Azért köszi mindenkinek.
Nem tolakodnak sokan a segítségemre sietve...
Pedig nagyon kellene, mert én már átkerestema hobbit meg a hsetoret is és egyik ic sem felel meg. Jah még annyi esetleg, ha 1 stereo ic, csak hídba kötve az is jó. Üdv.
Épp jó, hogy most írsz, mert most fejeztem be a kutakodást.
Az összes autóba való ict átnéztem amit be tud szerezni az elementa és egyik sem mono, de még olyan sincs, amit lehet hidalni, mert már eleve hidaltak vagy 4 csatornásak Most akkor mi legyen? Van esetleg egy B terv: a trafó lead 71V ot a 110es nél Ebből leehtne valamit kihozni? Meg hát az is gond itt, hogy nem +- csak simán 71V. Ötlet?
És akkor most jön a jó öreg TDA2030, meg két tranyó, és meg is van a 40 Watt. Vagy hidalva 100 Watt.
Bővebben: Link
Jah és mégegy:
Azt mondod, hgoy nincs olcsó és jó! Ebben tévedsz. TDA 7265ös icvel építettem végfokot és meglepően jó. Egyszerű volt a megépítés, elsőre dolgozott, szépen szól(persze csak torzításpontig), és csak 209din ba került ami durván 950ft lehet + az egyéb alkatrészek,de ezek elenyészőek, mert nagyrészt volt itthon...
Ezt melyik feszre gondolod?
A 16Vra vagy a 71Vra(ez egyenirányitás nélkül) Meg amugy sincs +-tápom csak sima. Nem 2 sekunderes/középföldes/simetrikus/középcsapolású vagy hogy a helyes...
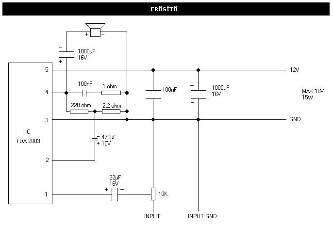
Hali!
Megfogom építeni a képen látható kapcsolást és kíváncsi lennék hogy milyen tápot érdemes neki adni? Hány wattosat ha 12 voltos lesz a trafó? Arra is kíváncsi lennék hogy milyen hangszórókat lenne érdemes rá kötni? Hány Ohmosat illetve hány wattost? Előre is köszönöm!
Ez a másik bökkenő.
Sajnos nem lehet át tekerni a trafót. Azért gondoltam az autó végfokot, mert pont jó lenne a fesz, csak hát nincs meg egyiknél sem a 40-50W csak 2x20-25 és nem lehet hidalni.
Üdv!
Megláttam hirtelen kadarist mellékletét és eszembe jutott egy régi kérdésem mire a választ még nem nagyon kaptam meg. Ezt a kialakításu erősítőt nem értem, hogyan működik. Valaki megkérem szépen mondja el a működési elvét. Bekarikáztam a kérdéses részt. Nem igazán értem a tranzisztorok vézérlési módját ebben a kapcsolásban. Köszönöm előre is.
12V egyenirányítva 15 körül lesz akkor kb 13W ot adhat majd le, ha elég nagy a trafó.
De ott már torzítani fog rendesen. Kb 10W ot még szépen le tud adni... Am az Ω okat írja az ic adatlapján. Asszem 4-8Ω os mehet és 8on fele annyit ad majd le, de nem tom fejből...
Tápáramvezérelt erősítőnek hívják.
Ez eddig oké de hány wattos trafót vegyek illetve milyen hangszórókat?
Igen, de nem kevés a tápfesz?
16Vmax Azzal nem megyünk sokra és így nem hinném, hgoy meglesz akár20w is ebből a kapcsolásból. Régen nekikezdtem ennek az erősítőnek: BD911/2 es tranyóim megmaradtak. Azók jók ide? Szerinted mennyire gondolkodok rosszul??? Am igazad van, h rendeséknél kapcsoláshoz néretezünk trafót, de igazából rendeséknél nem is csinálnak vagy javítanak erősítőt csak megveszik a boltban a legjobbat :eek2:
Itt az a lényeg, hgoy ez itt egy Tranyópáros erősítő, amit a tda 2030 as halyt meg.
KO előerősítőféleség...
Szia!
Megkérlek szépen ha a napokban időd lesz és kedved, kicsit fejts ki bővebben ezt a megoldást. Az nem világos, hogy miként van a tranzisztorok bázisa és kollektora ilyen egyedi módon használva. Előre is köszönöm.
4Ω os hangszórókat ajánlok.
Trafó pedig attól függ, hogy mono vagy sztereót csinálsz. (sztereó ha 2x megcsinálod és egymás mellé rakod) Ha nono akkor egy30W os bőven elég ha sztereót akkor duplája nagyon is elég. Szerintem.
Khhm, a TDA2003 4ohmon 6W-ot tud, 10%THD mellett, ami egyenlő a halgathatatlansággal, kb 3-4W a hasznos. Persze ez teljes tápfesz mellett tudjam 15V tápfesznél inkább csak 3W kb. Több nem.
|
Bejelentkezés
Hirdetés |






AKI 






