Fórum témák
» Több friss téma |
A rövidre zárást kiküszöböltem (at egyik dióda fordítva volt
) de a zúgás úgyanúgy megmaradt plíííz help meeeeeeeeee!somebody
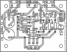
HELP! Most építettem meg a végfokomat. AZ a gondom, hogy se nem zúg. se nem veszfel áramot. +-22 V-os a tápom. Mit mondjak még...Az IC lehet a rossz?????? Itt a kapcsrajz és a nyák
ez a nyák aszimmetrikus tápos, neked szimmetrikus a trafód.
mit kötöttél és hova?? képet a műről h lássu!?
a te tápod szimmetrikus ugye?+-22V ahogy írtad.
a kapcsolás aszimetrikus tápról jár tehát +UT ről. Ugye a közös testet és a pozitív tápfest használtad bekötésnél? nem pedig a pozitív és negatívot mert az 44V. Ha semmi nincs a kimeneten akkor valószínű az ic "pukkant" ha a 2030 elszáll legtöbbször semmi nincs a kimenetén. D1 és D2 rendesen irányban van? a hangszóró oké?-nem ült ki rá egyenfesz (mérsz rajta egyenáramú ellenállást? 4 vagy 8 Ohmot?) A táppal minden rendben? +14 és 28V között van a fesz értéke? a puffer elegendő? min4700 uF? ezeket nézd át
Köszönök minden segítséget!
Sajnos hülye voltam és adtam neki +-22 V-ot, meg még a GND-re kötöttem a -22, a pozitívra meg a +22. Most az IC 320mA húz, brummog mit az állat. Ja, most egy ilyesféle egyenirányítót használok(fesz2szer.jpg). Ezzel meg az a bajom, hogy itthon csak 2 db 2200 µF konsim van. Ezeket tettem bele, viszont így is brummog. Most csináltam meg az előerősítőmet, azon is brummog a táp. Mi a gond??? Itt van pár kép az erősítőről+nyákterv+kapcsrajz. HELP!!
Itt van a forrasztási oldal is. A képek a sh.t mobilommal készültek. Igen, a hangszóróm egy régi sz.r, de mindenképpen jó, mert másik erősítőn szól. 6 Ohm-os, 6 W-os. Mit értettél azon, hogy
Idézet: Még egy kérdés. Amiker egy kapcsolásban van egy fordított té-betű(gondolom test) akkor a testeket csak összekötöm a GND-vel és kész?? „Ugye a közös testet és a pozitív tápfest használtad bekötésnél?”
Helló Everyone!
Tudom hogy van már topic, de nekem egy különös problémám van! A tápnak kéne leadnia +18-at -18-at és GND-t. A tápom meg szimetrikus, +-17 V-ot ad, egyenirányítva meg 24 V-ot. A tápnak TDA2030A-t kéne meghajtania(mono). Már vettem L78s18-as IC-t. Mit tegyek???
Miért gondolod hogy különleges a problémád?
Írjad a TDA2030 topicba. Helytelenül írod. A trafód 2*17V AC-t ad le. A +-17V-ot már egyenírányítva szoktuk érteni. Tehát egyenírányítva van 23-24V-od. Feleslegesen fűtenéd el a teljesítmány a 7818-on szerintem. De ha nics mááás... A TDA mülszik szimpla tápról is....
Lusta vagy elolvasni a 80 oldalas TDA2030-as topikot? Azért ezt nézd meg, szerintem ilyen kell neked!
http://www.hobbielektronika.hu/forum/topic_hsz_22286.html?highlight=1#22286 A TDA-nak nem kell stabilizált táp szerintem, csak arra kell figyelni, hogy ne lépje túl a 18V-ot. JAvítsatok ki ha tévedek!
itt van a képen egy olyasmi de amugy kell egy 7918 is a negatív feszhez.... Jah de amugy szétnézel az oldalon és itt is van ilyesmi!!! http://www.hobbielektronika.hu/cikkek/egyeniranyitok_-_tapegysegek....l?pg=7
Remélem segít (jah neked az alsó kell) Jah a kapcsi amit feltettem csak egy sablon... de a link amit beszúrtam az a lényeg
Hello a Tda2030-as adatlapán nem tudom mik a ki és a bemenetek!!
Rl:? +Vs:? -Vs:? Vi:? Előre is köszi! (most építem)
Vi=bemenet
Rl-hez= a hangszórót +Vs= + táp -Vs=- táp
Én nem tekernék le belőle, mert az egyutas egyeniránítás miatt a terhelt puffer pont jó így. Inkább párhuzamos stabilizátorral "fognám meg", hogy kis kivezérlésnél se haladja meg a megengedett értéket a pufferfesz.
Most építettem meg életem első áramkörét ami nem annyiból ált hogy 2 ceruzaelem +egy led. Keresgéltem és megláttam itt azt a 2x14Wos reősítős képet. ami a kapcsolások fül alatt van. összerakatam de meg sem szólal. polaritást váltottam, majd kidurrant a 22µF os kondim. a rajz a rossz vagy én vagyok béna?
Bozont
ja igen és stabil 12V egyenről hajtom meg. Mármint van egy autó aksim majd arról fog üzemelni, de most egy kisvonat trafójáról megy. Azonn kimértem a 12V ot. A +-t a bal felső pontra kötöttem a mínuszt a földre, a bementetet meg a bemenő két ágra amiből az egyik a föld ha minden igaz. Tudom ezek nagy sötétségek de ezért kérek segítséget. Fontos lenne.
Köcce mindenkitől. Ma még fel fogom tenni a kapcsrajzot. Ahttp://www.hobbielektronika.hu/forum/topic_hsz_22286.html?highlight=1#22286próbáltam már, de búgott mint az állat
A fejemet vertem a falba. Igaz, hogy 4700 µF-os kondikat használtam. Gondolom ez nem volt elég, pedig csak egy előerősítőn használtam(volna). Jó lenne, ha 2*2db 4700µF-os kondit párhuzamosan kötnék???? HELP??
kedves kollega, a 2030-as IC elég igénytelen sok belső védelemmel van ellátva bőven elég neki a 4700 mikro, természetesen párhuzamosíthatod a kondikat de nem hiszem hogy ez megoldja a problémát. sok 2030 as kapcsolást megépítettem már és az a tapasztalat, hogy legtöbb esetben földelési probléma földhurok vagy nagyfrekvenciás gerjedés a búgás oka. ez utóbbit a tápegység okozza főként. ha 78és7918 at használsz akkor 1,5 ampereset vegyél és még azt is igen nagy hűtőbrdákra kell szerelned mert maxon fog járni így nagyon sok hőt disszipál. a bemenetét és kimenetét hidegíteni kell 100 és 220 nanos kondikkal.
ha ezek megvannak ne köss a végfok bemenetére semmit úgy próbáld ki ha jó akkor nincs búgás csak sziszegés az is halk
Szia!
Én építettem egy TDA2030-as ic -vel erősítőt. Tettem belem 4700 µF-tól egészen még a 15000µF-os kondit is kipróbáltam szűrésnek. Hát még mindig búgott egy kicsit. Valahol olvastam, hogy próbáljak ki valamit. Kipróbáltsm és egyből jó lett. Elmondom: Nem kell több 1000-res kondikat szűrésnek rakni, elég csak egy 100µF-os (igen 100!!!uF) kondit rakni szűrésnek, de az az ic-közelében legyen. Nekem így vált be a legjobban, és nem is búgott
LED helyett ? lol.
hova gondoltad a Zenner-t ? nagyteljesitmenyu Zenner kene +elotet elenalas tobb wattos , az elenalason az erosito fogyasztasa szerint az aram novekedessel no a feszultsegeses , ami aztan azt eredmenyezheti hogy lecsokken a fesz , tehtnincs stabilizalas csak maximalis fesz beallitas. Valtozo nagyaramu terhelesnel nem hasznalnak Zenner diodat "direct" ,hanem csak referencia feszultsegnek egy tranyonak vagy IC nek.ami stabilizatorban van.
a nagyerteku puffer kondik a nagy terheles valtozasoknak kell , nem szurni hanek aramot "tartalekolni".A bugas az inkabb foldhurokbol ered.Igy aztan ha az IC labain hidegitesz nem kerul felerositesre a hurokban keringo "bugas"
Le van irva tob cikben a NULL pont-ra valo kotes.A leghidegebb pont a pufferkondi test kivezetese,Ide kell "kulon" vezetni a kisaramu ( eloerosito resz) es a nagyaramu fold "vezetekeket", sot a hangszoro csatlakozasst foldjet is (ha nem hidkapcsolas). Jominosegu erositohoz nem rossz ha jo trapegyseg van ami tartja az feszultseget a teljes kivezerlesnel is. A nagy puffer is "kiurul" tartos teljes kivezerlesnel es lecsokkenn a feszultseg , sot a brumm is megjelenik ( a szures is leromlik) es rohamossan romlik a dinamika. Stabilizalt tapegyseg draga , igy aztan attol fugg hogy mit kene erositeni HiFi-t vagy csak szoljon valahogy.
KÖCCE MINDENKINEK!!!
Sokat gondolgodtam(fájt ). Nem sokra jutottam. Tehát akkor mit ajánlatok? Melyiket építsem meg??? A fesz2szer.jpg-t, vagy a 7818c tápot??? A fesz2szert már megépítettem, csak ha rákapcsoltam az erősítőmet a feszültség leesett, de ezt már írtam. HELP
ÁLLJ!!!!! Lehet hogy rosszat mondok, de tapasztalataim szerint nem jó, ha a földre kötöd a minuszt. Van szimmetrikus kapcsolás is a TDA2030-hoz. Szerintem, hagsúlyozom szerintem, ha a földet és a mynuszt összekötöd, azt a jelforrásod fogja bánni. Javítsatok ki ha tévedek.
Kiegészítés: a trafómnak csak két kimenete van, nem 3 kimenető. Nincs földem. Habár, ha jobbanmegondolom......itt van rajzoltam egy képet. nem vagyok odahaza, ezért nem fényképezek
. Van egy vezeték a két tekercs között. AZ i lehet. Lehet, hogy a föld???+lemaradt a táp kapcsrajza
hello
Hogyan lehet összekötni 2 tda2030-as kapcsolast ugy hogy valam tellyesítménynövekedés is legyen??? Előre is köszi! Megcsináltam jól szól! nem gondoltam volna!
Bocsesz, még egy kérdés. Itt van az előerősítő kapcsolásom.Ezt hogy a p..ba csináljam meg, ha nincs földem a trafómon??? Ha nem megvalósítható ilyen trafóval, akko kérnék szépen pár új előerősítő kapcsot, gityóhoz kéne(házi elektroakkusztikus)..
Javítsatok ki ha nemjól tom de ehez sima táp is jó(negatív=GND)
|
Bejelentkezés
Hirdetés |




) de a zúgás úgyanúgy megmaradt








A fejemet vertem a falba. Igaz, hogy 4700 µF-os kondikat használtam. Gondolom ez nem volt elég, pedig csak egy előerősítőn használtam(volna). Jó lenne, ha 2*2db 4700µF-os kondit párhuzamosan kötnék???? HELP?? 
). Nem sokra jutottam. Tehát akkor mit ajánlatok? Melyiket építsem meg??? A fesz2szer.jpg-t, vagy a 7818c tápot??? A fesz2szert már megépítettem, csak ha rákapcsoltam az erősítőmet a feszültség leesett, de ezt már írtam. HELP 







