Fórum témák
» Több friss téma |
- Ez a felület kizárólag, az elektronikában kezdők kérdéseinek van fenntartva és nem elfelejtve, hogy hobbielektronika a fórumunk!
- Ami tehát azt jelenti, hogy a nagymama bevásárlását nem itt beszéljük meg, ill. ez nem üzenőfal! - Kerülendő az olyan kérdés, amit egy másik meglévő (több mint 17000 van), témában kellene kitárgyalni! - És végül büntetés terhe mellett kerülendő az MSN és egyéb szleng, a magyar helyesírás mellőzése, beleértve a mondateleji nagybetűket is!
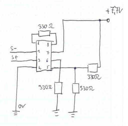
Igen. Ennél az IC-nél a TO-220 fémszárnya Input feszültségen van, ott -15 voltot mérek is.
Az output viszont -6.7V.
Rakj terhelést a kimenetre, és akkor beáll a feszültség.
Köszi, így már jó
Gondoltam inkább megkérdem előtte, mielőtt rászabadítom a többi alkatrészre.
Igen, nem árt előtte egy működési teszt.
Elnézést a késői válaszért, de nem hagyott nyugodni a kérdésed. Ha jól értem, nézegetve a Tina oldalát, az jön le, hogy amire vágysz, az csak a teljes verzióban elérhető, aminek az árát is láthatod. Persze ha neked az van akkor szerintem a hozzá jelképes összegért (már a programm árához képest) letölthető leírásban találhatsz választ.
Helló! Casió NP40 LI-ion cellát szeretnék tölteni. (Exlim fényképezőgép). Van-e valakinek ötlete, vagy itt hol keressem, vagy vegyek egy töltőt?
Előre is kössz.
Sziasztok
Megépítettem ezt, és az a problémám, hogy csak világítanak a ledek, és nem villognak. Valakinek van ötlete hogy mi lehet a gond?
Hello!
- Ha lehúzod a PC LPT csatlakozóját, akkor is világít? Mert akkor a panelen van hiba.. - Nem lehet, hogy csak a D0..D7 adatvezetékek vannak a PC-re kötve és a PC-GND nincs összekötve a PC-vel? - A program (nem ismerem) Biztos hogy arra a nyomtató portra van irányítva amit használsz? Mert lehet a program nem vezérli az LPT portot. üdv! proli007
Sziasztok !
Azt szeretném kérdezni hogy an7060 -as IC-t hol tudok beszerezni vagy mivel helyettesithető ? Köszönöm előre is !
Udv ! Szeretnek kerni egy olyan kapcsolast ami arra jo hogy megmutatja ha az erositobe jel megy be vagy nem .
Pl. ha nem megy be jel akkor egy piros Led es ha megy akkor egy zold Led . Lehetseges lenne ezt megoldani ? Koszonom elore .
akkor valószínű, hogy a panelen lesz a hiba, mert ha kihúzom, akkor is világítanak a ledek.
A PC GND-t rákötöttem a kapcs rajzon levő 1-s részre (ahova lett rajzolva) Megtisztelnél bennünket egy shift lenyomásával, a kezdő betűknél ?..köb..
Sziasztok!
Kaptam egy 3 fázisú biztonsági trafót. A képen csatolom az elvi rajzát. Elmondom pár szóval is. Van 3 tekercs 1-1 arányú a menetszám. A primer oldalon 3 kivezetés van a 3 fázisnak és minden egyes tekercs egyik fele össze van kötve egy csatlakozóban. Az lenne a kérdésem, hogy a 220-at hogy tudom rákötni a primer oldalra a 3 fázis megszakítása nélkül, vagy mindenképpen szét kell szednem? Az úgy jó, hogy a 220-at a két fázisra kötöm rá, a 3. csak megmarad bekötetlenül. Üdv: stefi
Hello!
Most megnézve a nyáktervet és a rajzot, két dolgot nem értek. - A GND vezetéket, miért az 1-es lábra kötötte? Itt is látható, hogy az, a STROBE kimenet. De a 18..25-láb bármelyikére köthette volna. - A nyomtatott áramkör alkatrész felőli oldal felől van ábrázolva. (Mert a zöld szöveg a nyákon tükörképet mutat.) Viszont ha innen ülteted be a tranzisztorokat, akkor kollektor-emitter fel van cserélve. De még ez sem lenne ok, hogy égjen a Led lehúzott állapotban.. Esetleg nem azonos bekötésű tranyót ültettél be a BC182 helyett? üdv! proli007
Hello!
Készítettem számodra egyet.. üdv! proli007
Sziasztok!
Van egy külső vincseszterem, sata cstlakozóval és usb-re köthető ugyebár. Namármost ez a drágaság azt cisnlja, hogy pl filmlejátszás közben egyszercsak megakad a film, és a gép elkezdi újra beolvasni a vincsesztert, mintha most lett volna csatlakoztatva. Kivettem a vinyót a tokjából, gépbe betettem ott működik. néha olyat ír ki a gép amit régebben is: az explorer(nem az internet explorer) hibát észlel ezért leáll, de ezt azelőtt is csinálta néha, hogy betettem volna a vinyót. Szóval kérdésem az lenne, hogy szeirntetek mivel van a proibléma?
Sziasztok! Ez a kapcsolás működne 3V-ról? (2ceruzaelem sorbaköve...) Üdv:Zoli
helló
erre gondoltam én is, csak nem akartam megbontani a primert. ahogy a képen rajzoltam az úgy jó? de nem tudom, hogy ez így lehet-e, ha nem akkor kénytelen leszek szétbontani. üdv Rád is érvényes, katt . köb..
Sziasztok!
Próbálok összerakni egy AD620-az erősítést, de valahogy nem akar szuperálni. Mellékeltem a kapcsolási rajzot (sajna nincs programom, kézzel kellett rajzolnom). S+ és S- között 0mV - 2,5mV -ig lévő feszültség van (egy mérlegcelláról). Ezt ellenőriztem, megvan a feszültség. A +7,7V-ot egy 9V-os elem adja. A bekötés szerinti 330 ohm-os ellenállás elvileg 150 szeres erősítést jelentene. Ehhez képest a 6-os lábon mindig a referenciafeszültség van. Mit rontottam el?
BC182b-t kötöttem be, mert azt láttam rajta.
Ezt a kapcsolást én egy ilyen pöttyös nyáklapra készítettem, és úgy ültettem be mindent, ahogy a képen is látszódik. A világításával nem lenne gond, legfeljebb közbeiktatnék egy kapcsolót a táphoz.
Sziasztok!
Még kezdő vagyok villamos témában, a kérdésem a következő: tegyük fel hogy háromfázisra 400V-ra rá van kötve egy 4KW-os gépem. akkor az ugye P=U*I miatt I=10A kell. namármost ez a 10 amper mind a 3 fázison 10 amper vagy fázisonként 3.3333A? Előre is köszi.
Általában az egész gépre, tehát a 3 fázisra adják meg a teljesítményt. Ebből adódoan osztandó hárommal, ha a fázisonkéntire vagy kíváncsi.
Udv ! Szeretnek kerni toletek egy olyan rajzot ami arra jo hogy a hangerot kimutatja ledekkel ... szoval ha engedem meg a pocit (egy eloerosito pocija) akkor a ledek ugy villanak fel . pl. ha a poci 50% -nal van akkor a 10 ledbol , 5 fog egni !
Koszonom elore .
Sziasztok!
Tegnap erről a trafóról beszéltem. Ma próbálkoztam vele és mindig levágta a 16-os biztosítékot. Szétszedtem a tekercsek összekötését és úgy kötöttem rá a 220-at. Szerintetek, miért nem működik? Próbáljam meg 3 fázissal? Üdv: stefi
Hello!
Idézet: „A világításával nem lenne gond, legfeljebb közbeiktatnék egy kapcsolót a táphoz.” Hát ez jó vicc! De ha a PC nincs rádugva, de tápfeszültség rákapcsolásakor egyből világít, az életben sem fog működni.. Szerintem valamit elkötöttél. Nézd át a panelt, De legjobb lenne, ha megmérnéd a feszültségeket (a tranyón és a PC csatlakozóján) a negatív (GND) ponthoz képest. Akkor talán okosabbak lennénk.. (Esetleg egy fotó?) üdv! proli007
Hello!
Ez majdnem igaz, de inkább mégsem! üdv! proli007
Azt miről látod, hogy le van égve? Nem látok én rajt semmiféle égés nyomot, nem kötözködés képen kérdezem, csak érdekel.
Értem!
Akkor valószínű azért vágta le a biztosítékot minden egyes tekercsnél.
Köss a primerekre egy hegesztőtrafó szekundert, és a hegesztőtrafóval birizgáld. Ha zárlatos, akkor hamar elárulja magát.
|
Bejelentkezés
Hirdetés |




Gondoltam inkább megkérdem előtte, mielőtt rászabadítom a többi alkatrészre.
.
Koszonom elore . 











