Fórum témák
» Több friss téma |
- Ez a felület kizárólag, az elektronikában kezdők kérdéseinek van fenntartva és nem elfelejtve, hogy hobbielektronika a fórumunk!
- Ami tehát azt jelenti, hogy a nagymama bevásárlását nem itt beszéljük meg, ill. ez nem üzenőfal! - Kerülendő az olyan kérdés, amit egy másik meglévő (több mint 17000 van), témában kellene kitárgyalni! - És végül büntetés terhe mellett kerülendő az MSN és egyéb szleng, a magyar helyesírás mellőzése, beleértve a mondateleji nagybetűket is!
Sziasztok ez már a harmadik nekifutásom megépítettem az ezen az oldalon található 555 ös villogót de csak halványan világít.Mi lehet az oka?Bővebben: Link
Sajnos nem így csinál :shocking:
Így a távolból, látatlanba mondjuk meg, hogy mit rontottál el?
Talán tegyél fel képeket, akkor látjuk, mit hova kötöttél!
Oké mindjárt
Itt vannak. :yes:
Máris látszik, hogy fordítva raktad be az ic-t
Amúgy miről táplálod? Mert az 500 ohm helyett 150 ohm -ot raktál.
A LED-nek az fájni fog !!
Ezt a kis kapcsolást én is meg szeretném építeni amit david.zsombor de úgy hogy egy potival tudjam szabályozni a villogás sebességét. Valaki tud segíteni melyik ellenállás helyére kössem a potit ha meglehet ezt csinálni?
A 68k helyére köss egy 100k értékű potit, igy az eredetihez képest tudod lassabbá-gyorsabbá tenni a villogást.
Jó estét!
A következőt szeretném kérdezni: Teljesítmény-ledet (valószínűleg 1 W-os lesz) -lehet-e (a kis huzallábasokhoz hasonlóan) sima előtétellenállással beállítani, -vagy mindenképpen valami led-meghajtó áramgenerátor szükséges? Előre is köszönöm a segítséget! Zsolt
Ahogy melegszik, csokken az ellenallasa, ezert nagyobb aramot vesz fel, ezert jobban melegszik, etc., a vegen elpukkan.
De ha nem a nevleges aramon hajtod, megelegszel kisebb teljesitmennyel is, akkor lehet. Am azt ne feledd, hogy az ellenallason eso feszt elfuti, tehat ugy kell meretezni.
Szia!
-Köszönöm! Viszont mit jelent a "nem a névleges áramon"? -Ha mondjuk 300 mA-es a névleges áram ennél, akkor mekkorára kéne? De más jutott most eszembe: Van nekem valami alkatrészem, -ha jól emlékszem, akkor "LM-317", -valami ilyesmi, -ez, -megfelelő ellenállással kombinálva -a bemenő feszültség bizonyos tartományában -állandó áramot ad. -Kerékpárlámpába -dinamóval -ez megoldás lehet? (Akár egyenirányítással)
A dinamo egyenaramu.
A nevleges aram az, ami ra van irva, hogy azon x lumennel vilagit. Mondjuk 300mA, akkor szerintem 200mA eleg lesz, de sokkal jobbat mondok: koss sorba vele egy arammerot, es teszteld le. Ha nagyon megindulna az aram, akkor kapcsold le gyorsan. Kb 5-6 perc alapjan mar mondhatsz valamit. Amikor hasznalod, akkor hasznalj nagyobb hutobordat, illetoleg ha teheted, csavarozda bicaj femreszehez. Az lm317-eshez nem ertek, nem akarok hulyeseget mondani, de szerintem az feszultsegsatbilizator. Valahogyan talan lehet aram-stabilizalasra is hasznalni.
Sziasztok, lenne egy n agyon kezdo kerdesem, most ismerkedek az elektronyikaval s nezegettem az alap kapcsolasi rajzot itt
http://www.hobbielektronika.hu/kapcsolasok/elektronikai_alapkapcsol...k.html a kerdesem az hogy a leirasnal miert kell a telep feszultsegebol(4,5V) kivonni 1,6V ot? Bocs ha buta kerdes de nekem ez meg nem vilagos. Koszonom
Koszonom a valaszt, mivel ez a leirasnal nem volt ott ezert furaltam hogy mikent kerul oda
egyebkent ezt csak a ledeknel kell levonni.Ja de igazabol nem vagyok tisztaban a fogalamakkal meg alktreszekkel, koszi a linket elolvasom! Tudnal esetleg egy olyan oldalt is ahol autodidakta modon elkezdhetnem az elmelyulest az elektronikaban total alaprol? Koszonom
Szia!
Kezdd például ennek az elolvasásával. Egy másik hasznos könyv kezdőknek: Épíve tanuljuk az elektronikát
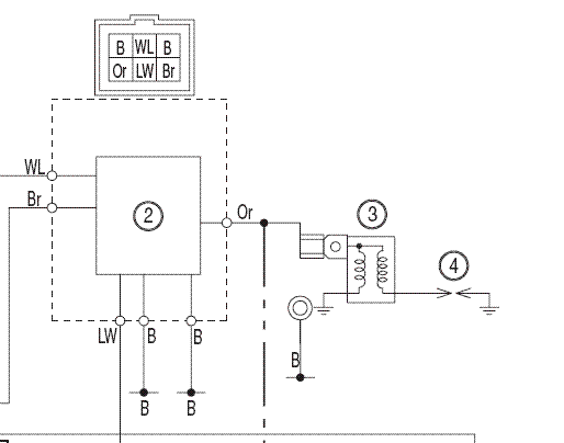
Hello,az alábbi robogó kapcsolásban ha én a 2-es jelü CDI-n lévő narancssárga vezeték ami a 3-as jelü gyújtótrafóra megy és a test közé beteszek egy darab vezetéket akkor ugye a motor leáll?Köszi
Inkább ne tegyél be semmilyen vezetéket. Az elektronikus gyújtásvezérlők nem szeretik, ha rövidzárlatra dolgoznak. Jó lenne látni a rajz többi részét!
A motor leáll, de a rövidzár a gyújtóelektronikát is tönkreteheti, ha az elektronika nem védett a rövidzár ellen.
Itt a rajz azt honnan lehetne tudni,hogy rövidzár ellen védett e?Azért szeretném így leállítani mert vettem egy un.kill switchet olyan mint a jet skiken és ez ugy müködik ha lehuzódik a kapcsoló kupakja akkor záródik a kapcs.
A 12-es mezőben mi az a "C"? Az nem egy killer kapcsoló?
A 12 es mező az a duda nyomógombja.Ez sajna ilyen egybe épített kapcsoló és csak egyféleképpen müködhet.
Ja és ezt a rajzot találtam a bekötéshez ezért akartam így csinálni.
Sziasztok!
Manapság ismét fényképezgetek s csináltam egy vakuszinkront mivel nincs vakupapucs a gépemen és a gép mindig csinál elővillanást is. Ezt építettem Ez tökéletesen működik, de rájöttem, hogy kevés lesz az egy vaku s mivel a többi vakumnak más-más a talpfeszültsége, kellett csinálni egy vakuelosztót is. Erre esett a választás Ez utóbbi eszköz bemenetét ha rövidre zárom, tökéletesen elsüti az összes vakut. A gond az, hogy ha összekötöm a két eszközt (tehát a vakuszinkron adja a jelet az elosztónak) akkor nem villannak a vakuk. Hogyan tudnám összehozni, hogy szuperáljon? Előre is köszi!
Koszonom a linket neked is, nagy segitsegek ezek, kell a kiindulo pont!
Sziasztok. A kérdésem az lenne hogy hogy lehetne megoldani a jobb és a bal csatorna jelének közösítését (összeadását) passzív szubládához? Várom az ötleteket!
Sziasztok. A kérdésem az lenne hogy ,létezik olyan kapcsolás amely a bemenő 0.8-2.2v feszültséget 0-1.4v kimenő feszültségé alakítja át. Tehát a bemenőből 0.8v -ot
levon.
Üdv. Ha van egy led-em akkor hogyan lehetne megtudni hogy mekkora feszültség és áramerősség kell neki??
Például szabályozható feszültségű tápegységgel.
Olvasd el EZT, és talán megvilágosodik minden. :yes: Sőt, ahogy láttam, utána StMiklos hozzászólásából is leszűrhető sokminden. |
Bejelentkezés
Hirdetés |




Sajnos nem így csinál :shocking: 



egyebkent ezt csak a ledeknel kell levonni.







