Fórum témák
» Több friss téma |
Fórum » Propeller Clock
Szia C27!
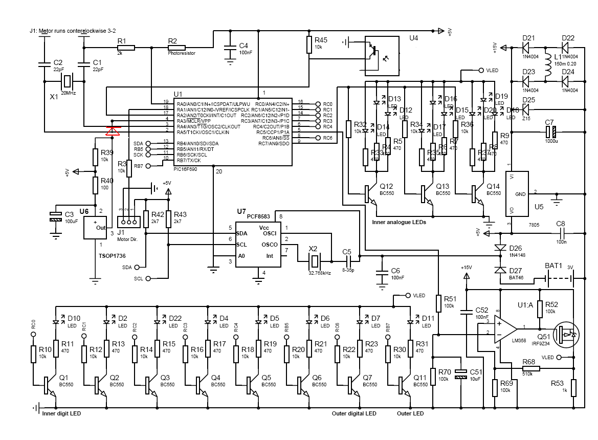
Kis javítások a bekötéshez. Tanulmányozva az adatlapot, a Vs itt lehet a 12V tápfesz (ez kell), a Vcc 5V! Az IC/9. láb a CTL, ide 47K-n plusz tápot adj. Így talán menni fog a motor, ha a földpontokat a csatlakozón is közösíted.
Szia!
A végére mégiscsak összejön, de nagyon sok kivezetése az IC-nek másként van jelölve mint általában. Először 5V körüli táppal nézd meg, a Vs-t ez esetben is össze lehet kötni a Vcc-vel egy kb. 100 Ohm-on, és nem árt egy Z5.1 sem a Vcc lábától a GND-ig bekötve. A tápfeszt természetesen a Vs-re kapcsold ezután.
Szia.
Kösz a segítséget sikerült beindítani. Jó kis motor megfelelő fordulatszámmal, jó lesz majd egy órához. Most már 3 működő motor van az egyik mondjuk elég nagy és nagyon lassú, de 2 az príma, egy meg rossz.
Szia C27!
Csak nem hagyott nyugodni a rossz hibás rajz, itt van a végleges bekötési útmutató kijavítva.
Sziasztok! Egy gyors kérdés még nem késő a tervben! Szóval szükséges a TSOP 10K-val +5V-ra húzott része és a 4-es láb közé jumper? Azért kérdem nem tenné meg egy dióda így nem kéne a jumper és az ICSP "fekve" lehet nem áll ki az sem
Lusta voltam kipróbálni ezért kérdezem..
Szia!
Hirtelenjében két lehetőség jut eszembe: - SMD jumper: végony vonallal elválasztott megvastagítás (két smd pad) a TSOP kimenete és a MCLR pont között. - A TSOP kimenete és a MCLR pont közé egy (2-5k) ellenállás, a TSOP kimenete és a föld közé egy 4V7 zener.
Én a már felhúzott (+5V-ra) és a TSOP-val összekötött részre gondoltam azért mert azt gondolom úgy megy,hogy a 10K felhúzza tápra a TSOP meg lerángatja GND-re . Na én ezek után gondoltam egy Schottky diódát
Így azon vissza nem megy a programozó tápja. Lehet hülyeség de ez jutott eszembe. A mail ment! Szia!
Sziasztok!
Most forrasztottam be egy 4148 diódát az f628 4. lába, (MCLR), és a Tsopxxx 10K-n felhúzott kimenete közé. (RTC-s változat). Ugyanúgy működik a távival minden funkció.
Köszi! Akkor módosítom! Minél egyszerűbb annál jobb
Szia C27!
Na, a kezembe akadt még egy jóravaló Capstan motor, (ez lett a hetedik), mit tehettem volna mást, azt is elindítottam Ezt is teljesen másként kellett bekötözni, nem kell 100K-sem, azonnal ment tápra kötve. Itt az áramfelvételt terhelésre külön be lehet állítani az egyik láb 0-5V tartományba való állításával. (100mA-1000mA ez a tartomány, ha leterhelem rendesen állóra). Két kép erről is készült.
Szia.
Nem tudom hol szerzed őket, de jó kis forrásod lehet. Én sajnos ezekből kell, hogy gazdálkodjak de szerintem ha annyi órám lesz mint amennyi motorom akkor nem lesz gondom sose az idővel. Még lenne egy kérdésem vagy inkább ötletem. Szeretnék ajándékba készíteni egy órát (ha végre elkészülnék az órámmal talán utánna be is vágnék). Pontosan olyan elképzelésem van, hogy nem fali órát akarok legalább is az az ötletem támadt, hogy ébresztő órát kéne csinálni. Azon gondolkodtam, hogy egy 8cm-es tápventiből csinálnám meg ekkor az villant be, hogy abban nem fog elférni minden. Szerinted elférne vagy akkor inkább kiszedjem a külsejéből és akkor akkora lesz hogy elférjen? Esetleg ébresztőórában a zárt kivitel milyen lenne, este jó ha halk és nem keveri a levegőt sem, sőt nem árt ha az ember reggel "lenyomná" és az ujjai is megmaradnának. (Persze ez csak egy gondolat még lehet egy falióra is jó lenne csak nem tudom mit lehet kihozni egy ébresztőórából, hogy jó leszen. Szerintem bőven elég pár alapfunkció, de nagy hátránya a kis kijelzőfelület.)
Szia! Az ébresztéshez olyan bázis kell mi ébresztős! Maga a rotor ezt nem tudja! A beállítás számítógép soros porton keresztül kezelhető! Ha csendest akarsz akkor a még nem kipróbált SMD verziót ajánlom de csak akkor ha nálam már sikeresen megy!
Sziasztok! Nem hiszitek el mire jöttem rá
Egy háromfázisú vinyó motorral szórakoztam mondom megnézem labortápról ha adok rá feszt merre mozdul el és menyit Le volt húzva az áramkorlát és véletlenül megmozdítottam láss csodát elkezdett pörögni finoman állítva a táp áramkorláton és kb 12V-on van a fesz poti kb 0,5 A árammal úgy pörög mint a fene Erő nem sok van bent sajnos viszont kipróbáltam egy váltóáramú adapterrel azzal is megy és erősebbnek tűnik viszont lassú! Nem tudom nem lehetne e egy segédkondival elérni,hogy elinduljon magától is? Majd holnap szórakozom vele.. Gondoltam én olyat is,hogy egy hall vezérlő egy tranzisztorral ugyanúgy mint a sima ventikben egyiket szétszedtem még tekercselni is lehetne ha van az embernek türelme!
Helló.
Csinálj neki egy 3 fázisú trafót és szuper lesz. Ezek a vinyómotorok amikben nincs szenzor (sőt amiben van az is csak abban a szenzorokat nem kell használni) olyan mint egy "sima" hálózati 3 fázisú motor. Ha jól tudom egy 380V-os 3 fázisú motort is lehet működtetni 220V egyfázisról kondikkal, persze valamennyi teljesítménycsökkenés van. Ebben az esetben még jobb is mivel 12V-os 3 fázisú motort ha egy fázisról és 12V-ról működtetünk nem kapunk olyan nagy teljesítményvesztést, mint a hálózati motoroknál mivel ott feszcsökkenés is van. Lehet én is utánnanézek ennek egy próbát megér.
3 fázisú trafót
Te úgy gondolod lehet trafóval 3 fázist csinálni egyből? De jó is lenne Ha készítenék egy 3 fázisú trafót akkor annak három primér és három szekunder kivezetése lenne és működne is valóban de azért kicsit durva lenne ha az óra 3 fázisról üzemelne majd Ezek nem aszinkron motorok hanem szinkron gépek csak a szinkron fordulaton képesek üzemelni! Valószínű a labortápról az áramkorláton keletkező áramingadozás tartja fent a forgást ha simán egyenfeszültséggel akarom elindítani (az áramkorlát 2 A-on) akkor nem indul el hiába ugyanakkora áram feszültség.. Majd ha lesz kedvem előveszem a szkópot megmérem miért is megy. Sima egyenáramról fizikailag lehetetlen működtetni ez tény.. A váltóáramú tápnál meg úgy működik mint egy váltóáramú szinkron motor itt valóban lehetségesnek látom az elindítást pár ezer nanoFarásdos kondival de nagyon alacsony (300) a fordulat.
Szia!
Csinálni kellene hozzá egy szabályozható vátófesz generátort, de akkor inkább egy meghajtó áramkört célszerűbb. Egy videó-fejmotor SMD-s meghajtó paneljét alakítottam át CD motor vezérlésére. (Eltávolítottam a sztátort, és a 3db Hall szenzort is). Elég kicsi a panel, azzal nincs is baj, de valami miatt, (talán a Hall szenzorok más típusúak), csak erőtlen és kevés fordulattal megy. Azt is csak akkor, ha megpörgetem kézzel. Mindenféle módon kötöztem a párhuzamosan kapcsolt 3 Hall szenzor (+/-) kimeneteit, (W, V, U), hozzá a tekercseket is, de semmi komoly eredményem nincs. Mennie kellene, több motorral is kipróbáltam, nem hajlandó. Azt fontolgatom, hogy ha ez nem jön össze, az eredeti paneljén lévő áramkört építeném át, csak sajna az is SMD vezérlő IC, nehéz lenne kitermelni és újra felhasználni. Pár felvétel a kísérletről.
Én úgy gondoltam, hogy 3 fázisból lehet 3 fázist csinálni.
(Akkor nem is lenne értelme a 3 fázisú trafónak. Ha van ott három fázis akkor tudsz csak, de akkor gondolom neked nincs.) Azt pontosan nem tudtam, hogy a vinyómotorok szinkron vagy aszinkron motorok, de így ki lehetett volna próbálni. (Ezek szerint nem mennének 3 fázisról? 50Hz akkor 3000f/perc-ről indulnának amit valószínűleg tényleg nem tudnának követni indulásnál, de ha csinálsz egy frekiváltót és kis frekvenciáról indítod akkor szerintem menne. Persze semmi értelme nem lenne ennek, mert a frekiváltó elég drága, de akinek van az játszadozhat vele. A kondit azért lehet érdemes kipróbálni.Bővebben: Link) szerintem ez a korreket, de van egy másik is: Bővebben: Link
Köszi
Amúgy én ezt mind tudom mivel ez a szakmám
Szia! Rátettem az üres SMD nyákot megéri vinni meg lassú! Viszont ami hall vezérlésű az kegyetlenül megy! Ki kéne mentenem nekem is valahogy de igen összetett! Viszont találtam a vezérlő ic-ről adatlapot,kapcsolást talán érdemes volna kialakítani
Bővebben: Link Sajnos a fordulatot nem tudom,hogy lehetne állítani rajt
Szia!
A fordulatszám a tápfesszel arányosan változik, kb. 5V-13.6V tartományban. Ezen belül általában meg kell lenni a kellő fordulatnak. Olyan fajta (23 lábú) tok nekem is van, igen egyszerűnek tűnik a kapcsolási rajza is. Már csak az a kérdés, menni fog-e az áramkör összerakva. (Meg kell hagyni azokat a lehetőségeket, hogy a Hall tápfeszeket lehessen fordítani, ill. a Hall szenzorok kimeneti is felcserélhetők legyenek). Nem találtam adatokat a CD motor Hall elemeiről sehol, a bekötéseiről sem. Ezzel a vezérlővel talán érdemes lenne ekezdeni egy Hall-os motormeghajtót.
Szia!
Működik! Kivágtam egy megfelelően kis darabot a "nagy CD" panelből, sikerült. (Előzőleg mind a 36 kivezetést leellenőriztem, lejegyeztem az IC-ről, milyen feszültségek vannak működés közben, hol vannak a tápfeszek, stb). A 12V-ról így már lehet egy 220 Ohm-on 5V-ot az IC-re kapcsolni, (nincs már nagy áramfelvétel), és korlátoztam egy Z 5.1 zenerrel is. A fordulatszám valóban arányos a tápfesszel, és kellő erő is van a motorban. Mostmár a forgótrafón lehet filózni a továbbiakban. Néhány felvételben erről is.
Kipróbáltam a hallos vinyómotort most az SMD nyák van rajt hát elég veszélyes
Simán elvágja vagy eltöri az úját ki hozzányúlna véletlen pörög vagy négyezret kegyetlen erős.. Ha rajt lennének az alkatrészek simán leszakadnának róla annyira pörög és nem tudom csökkenteni a fordulatot
Szia!
Ha saját vezérlőpanelről működteted, akkor hagyd meg az 5V-os PC táprészt 12V-ot ideiglenesen külső, szabályozható labortápról adj. Menni fog a fordulatszám változtatása. - Így történt a "lényeg" kivágása a nagy panelből.
Szia!
Volt egy hozzászólás Sehaxx jóvoltából, HDD motor és forgótrafó megoldására. A dolog érdekesnek tűnik, meg lehetne vizsgálni, hogyan alakítható ki itt:
Hali
A régebbiek 4300 az ujak 5400 és 7200 pörögnek. Ezek szétverik az elektronikát forgás közben. Csak saját vezérlövel lehet megcsinálni hogy kevesebbet pörögjön. A microchip honlapján van rá példakapcsolás ami müködik. Ha tudnánk csinálni hozzá egy saját vezérlöt avval megoldodna a megforgatás problema. A kétpaneles rejtett trafo müködött azt kiprobáltam.
Szia! Igen jó megoldásnak tűnik! Én most kitaláltam egy megoldást a tekercselési problémákra
Lehet kétoldalas is! Egy szigetelő réteg és egy ferritgyűrű ráragasztva hátul azt kész a tekercs és több menet mint a videóban van és egyenletes is! Lehet működne még légrésesen is: Több kétoldalas vékony nyák összelaminálva már nagyon sok menet is lehetne
Szia.
Van itthon 2db TA7712P ic egy nyákon valami faxban volt van hozzá 2 motor is bár elég nagyok, de talán meg lehetne csinálni ezekkel az ic-kel egy univerzális hall szenzoros motormeghajtó egységet. Egyetlen baja, hogy pár dolog hiányzik a nyákról és eléggé összetett a kapcsolás mivel sok felesleges dolgot tartalmaz. A fordulatszám szabályozást sem tudom, hogy kéne megoldani. Van adatlap hozzá és a 11. oldalon van is egy jónak tűnő kapcsolás. Két kérdésem lenne, szerinted elég csak egy olyan nyákot készíteni ami a 11. oldalon van vagy az csak egy elvi kapcsolás? A másik kérdésem hogy lehetne megoldani a fordulatszám szabályozást? (Van pár motorom aminek rossz vagy nincs vezérlője ezzel talán végre sikerülne működésre bírni őket és tudnék válogatni melyik a megfelelő a célra meg ha már itt vannak az ic-k nem dobom ki őket.)
Szia! Hát ez egy kicsit bonyolult kapcsolás
Vannak olyan meghajtók miben bent van minden nem kell külön egy rakás tranzisztor vagy fet én inkább olyat javasolnék! A fordulatszám a vezérlőre menő főtáp változtatásával lehetséges (ép most próbálok majd ki én is egy megoldást a vinyónál mert nem jó ha a bemenő tápot változtatom mert leáll a vezérlő tápját kell közvetlen majd vezérelnem)! |
Bejelentkezés
Hirdetés |





Lusta voltam kipróbálni ezért kérdezem.. 


Egy háromfázisú vinyó motorral szórakoztam mondom megnézem labortápról ha adok rá feszt merre mozdul el és menyit
Erő nem sok van bent sajnos viszont kipróbáltam egy váltóáramú adapterrel azzal is megy és erősebbnek tűnik viszont lassú! Nem tudom nem lehetne e egy segédkondival elérni,hogy elinduljon magától is? Majd holnap szórakozom vele.. Gondoltam én olyat is,hogy egy hall vezérlő egy tranzisztorral ugyanúgy mint a sima ventikben egyiket szétszedtem még tekercselni is lehetne ha van az embernek türelme!
Te úgy gondolod lehet trafóval 3 fázist csinálni egyből? De jó is lenne


Amúgy én ezt mind tudom mivel ez a szakmám













