Fórum témák
» Több friss téma |
- Ez a felület kizárólag, az elektronikában kezdők kérdéseinek van fenntartva és nem elfelejtve, hogy hobbielektronika a fórumunk!
- Ami tehát azt jelenti, hogy a nagymama bevásárlását nem itt beszéljük meg, ill. ez nem üzenőfal! - Kerülendő az olyan kérdés, amit egy másik meglévő (több mint 17000 van), témában kellene kitárgyalni! - És végül büntetés terhe mellett kerülendő az MSN és egyéb szleng, a magyar helyesírás mellőzése, beleértve a mondateleji nagybetűket is!
Köszöntem.Még olvasgatok hogy okuljak mielőtt megvenném aztán meg utána nem tudnám használni
Sajnos tapasztalatot én sem tudok mondani, mivel én PIC-ekkel foglalkozok, nem AVR-ekkel.
Szerintem ha ezzel kapcsolatban lesz kérdésed, a továbbiakban az AVR, miértek, hogyanok témában tedd fel.
Köszönöm. Kipróbáltam és igy 200W jött ki. Akkor 160W-al nyugodtan lehet terhelni.
fari14!
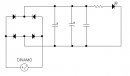
A mellékleten a legegyszerűbb megoldást találod, én egy normális led esetében így járnék el. A diódák 1N4001-esek lehetnek, 1 amperig nincs gond velük, az első két elektrolit kondenzátor 1000 és 5000 mikrofarad között lehet, lehetőleg 25 volt felett, hogy a töltődéskor a legdurvább csúcsfeszültségeknél se jelentkezzen füstjelenség, utána meg egy 100 nanofarados kerámia vagy fóliakondi jön. Powerledeknél nem tudom, hogy hogyan méretezik az előtét ellenállást, vagy kell-e egyáltalán, hagyományos lednél 100 és 300 ohm között lesz szerintem. Azt viszont nem tudom, hogy a dinamód mekkora teljesítmény leadására képes. (Nincs ráírva véletlenül?) Nehezen üzemeltetsz Te arról majd egy powerledet, de ezt valószínüleg egy tapasztaltabb ezt fórumtag jobban tudná. Remélem tudtam segíteni...
Köszönöm a választ/ kapcs. rajzot. A dinamó 3w-os hagyományos. A powerledem 2,5w-ot fogyaszt körülbelül.
Nincsmit!
Sziasztok! Új vagyok még itt,lenne egy kérdésem lehet,hogy nem ide kellene írnom,de most csak ide tudok.
Na szóval van nekem 1 LG HT502TH házimozim aminek az erősítő része nem ad hangot a hangfalak jók ki lettek próbálva,az erősítő amugy lejátsza a dvd képet ad de hangot nem. Mi lehet a baj? Kb mennyi a javítása és ki tudná megjavítani,jó lenne,ha valaki részletesen leírná mi lehet a baj. Előre is köszönöm. Béla
A hangkimeneten lejátszás közben mérd meg a feszültséget. Ha van, akkor bizonyára az érintkezéssel lesz valami, ha nincs az már komolyabb probléma...
Üdv.: mate_x
A dinamó eleve egyenáramot szolgáltat - különben nem működne az öngerjesztés, lásd Jedlik -, tehát felesleges egyenirányítani.
Nem olvastam az előzményeket, de egy hagyományos bicikli dinamó az valójában generátor, tehát váltófeszültség jelenik meg a kimenetén.
Szia!
Nekem eleve gyanús volt, hogy fari14 a dinamó szót használja, ami mint tudjuk egynáramú generátor, de akkor miért írja ezt: Idézet: :vigyor5: „...hogy lesz a lehető legkisebb veszteséggel 6V AC-ből 3,6-4,5V DC?” Lehet, hogy tényleg kerékpárdinamója van, és nem kell neki egyenirányítás, csak mivel AC-t írt...
Szia!
Én itt ezt találtam: Idézet: „A dinamó, egyenáram fejlesztésére szolgáló gép, vagyis egyenáramú elektromos generátor, (l. o.). A köznapi nyelvben minden generátort, sót minden forgó elektromos gépet helytelenül D.-nak neveznek, holott csak az olyan áramfejlesztő gép D., amely a dinamoelektromos elv alapján működik és önmagát gerjeszti. A helytelen nyelvhasználat oka az, hogy eleinte csak egyenáramot termeltek, világítási célra, motorokat nem használtak és így a D. volt az egyetlen elektromos gép; később azután az elnevezést a külső hasonlóság alapján a többi elektromos gépre is átvitték.”
Halló!
Tud nekem valaki segíteni, hogy hány ampert bír az ua78h12sc feszültség stabilizátor?
Igen. Bővebben: Link :google:
Köszi! Kerestem már, de valószínű ez elkerülte a figyelmem.
Pedig a legelső találat volt erre keresve: "ua78h12sc".
hello megtudnátok nekem mondani hogy van egy kondim és szeretném bekötni pufferkondinak 12 volthoz az nem baj hogy azvan a kondira írva hogy 300volt ?
Nem baj, bekötheted.
hali
Építettem egy poloskát(FM) a minap, de nem tudom milyen frekvencián szórja a jelet, hogy lehetne kimérni ?
A 300 volt rajta az azt jelenti, hogy maximum annyival töltheted, mivel a 12 volt jóval ez alatt van, természetesen bekötheted. Ha elektrolit kondenzátor akkor figyelj a polaritáshelyességre!
Udv mindenkinek !!
Kaptam egy regi vu metert ami " matt ledekkel van " megoldva ... Esetleg ha kicserelnem szuper ledekre ... akkor mennenek a szuper ledek ? Esetleg halvany lenne ?
Nyugodtan használhatsz újabb típusokat is. Elviekben még erősebb fényt kellene kapnod.
Hali!
Nem lehet,keress egy nagyobb teljesítményűt! Máté.
Valami olcsóbb egyszerűbb módszer nem létezik ?
És tönkre teszek valamit, ha a stab után teszek egy 4 amperes biztit és úgy próbálom ki, elméletileg a stab 5 ampert bír. Ez nekem erősítő tápba kell, elméletileg nem vesz fel ekkora ampert az erősítő! De ha tévedek akkor meg kiolvad a bizti és a stabot nem teszem tönkre! Vagy rosszul gondolom?
A stabilizátor IC-k túláram és rövidzár-védettek. Nem kell biztosíték a kimenetükre.
|
Bejelentkezés
Hirdetés |










