Fórum témák
» Több friss téma |
- Ez a felület kizárólag, az elektronikában kezdők kérdéseinek van fenntartva és nem elfelejtve, hogy hobbielektronika a fórumunk!
- Ami tehát azt jelenti, hogy a nagymama bevásárlását nem itt beszéljük meg, ill. ez nem üzenőfal! - Kerülendő az olyan kérdés, amit egy másik meglévő (több mint 17000 van), témában kellene kitárgyalni! - És végül büntetés terhe mellett kerülendő az MSN és egyéb szleng, a magyar helyesírás mellőzése, beleértve a mondateleji nagybetűket is!
Valóban én tudtam rosszul elnézést kérek
Na mindegy majd berakok elé egy kisebb plexi lapot a biztonság kedvéért. :hide:
Sziasztok.
Adott egy 12 DC 40W os Autós morzsaporszívó. Régebb egy 12 V 500 mA-röl működött. Egy szép nap kezdett nagyon gyengén mozogni és azt hitték hogy a porszívóval van gond. Lett véve egy 700 mA es adapter az bexart egy az egybe.Vissza lett víve és lett rendelve helyette egy ugyan úgy 12 DC 80W-os 6,5 A es adapter,ezzel meg rángatózik a motor,mintha másodpercenként kapna csak áramot. Kocsiba kipróbálták ott tökéletesen működik igaz az 12-14 V és 55 A van. Tehát a porszívó jó mert ott működik rendesen. Az lenne a kérdésem hogy a porszívó eleinte ment kb fél évet a 500 mA-al-ezt galyravágta,miért? És most a 80 W 6,5A al miért rángatózik? És mi lenne a megfelelő adapter ahhoz hogy lakásba lehessen normálisan használni. Előre is köszönöm a válaszokat.
A morzsaporszívód akkumlátoros? Mert 500mA csak a töltéshez lehet elég, mert maga a működtetéséhez édes kevés. A mostani töltőd meg lehet szünmentes és ezeknek a morzsaporszívóknak a motra áramvezérelt (életemben csak itt láttam ilyent) és bármekkora áramot szinte felvesz, így szerintem a tápod ezért rángatózik, mert kapcsol be a védelem. És az akkumlátorok hajlamosak "megöregedni" ami megint megint közrejátszodhat.
Hali!
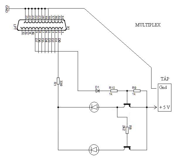
Nincs valami ötletetek, hogy mért nem működik az alábbi kapcsolás? A rajz le van egyszerűsítve, igazából 2db 7szegmenses kijlező van benne. A multiplex résszel van valami gond. Akárhogy kapcsolgatom a D7-et, mindig csak az első kijelző világít. A tranzisztorokat kipróbáltam az áramkör nélkül, és azok tuti jók. Két PNP, de nem egyforma típusúak. Az R8 : 2K2 , ez 2,2K Ohmot jelent ugye? Már délelőtt óta vacakolok ezzel a kapcsolással, nem tudok rájönni, hogy mi a baja. :bummafejbe:
Egy egyszerű kérdés:
25.000 feliratú quartz jelentése az hogy 25Mhz -es ugye?
Hali!
MIért van az hogy egyenirányítás után terhelem az egyen oldal és kevesebb lesz a fesz mint váltóba? Ez normánis, vagy a diódahíd rossz?(szűrőkondi van rendesen) Hat ez a furo nem akar eletre kellni A tapom egyeniranyit, igaz a szuro kondi kicsi, de azert csak meg kellene moccanjon, vagy megsem? 12 voltos a trafo, terhelve a kondin keresztul 13 volt alatt egy picivel merek. Erzem, hogy egy csoppet meg moccan de csak ennyi, nem akar beindulni.
Szia!
A D1 jelű zener diódára szerintem ott nincs szükség, azt egyszerűen próbáld meg rövidre zárni. Szerintem ez okozza a problémát
A tápod úgy is letesztelhetnéd, hogy valamivel mondjuk izzóval leterheledés ha világít akkor a fúrónak van baja
Nem akkumulátoros hanem szivargyújtó töltőről működtethető morzsaporszívó,
Pont azért lett ilyen véve hogy ne keljen állandóan töltögetni.(az előző) olyan volt. És ugye az volt a kérdés hogy milyen adapter kéne ahhoz hogy normálisan működjön. Miért nyírta ki a porszívó fél év után az adaptert? (gondolom gyenge volt hozzá az adapter) A mostani adapter meg jóval erősebb mint előző és ettől meg rángatózik. Tehát porszívó adatai:12 DC 40W az adapter amivel ment fél évet 12 DC 500 mA (ez megdöglött) a mostani adapter 12 DC 80W- na ettől meg rángatózik. Az autóban meg tökéletesen működik.(mármint a porszívó) De egy a lényeg hogy lakásba kéne nem az autóba. Szóval milyen adapter kéne?
Alapból ha a porszívó 40W-os akkor nem csoda, hogy az előző 500mA-s adaptert tönkretette, mivel ez csak 6W-os volt. Szerintem az induláskor hatalmas áramot szeretne felvenni a porszívó amit a kapcsolóüzemű tápok nem mindig szeretnek, mivel zárlatnak nyilvánítják és ezért lekapcsolnak. Én akkumlátorrol járatás közben azért mérnék egy áramfelvételt. Én mindenképpen trafós tápot javaslok, mert azok nem "ijednek meg" hirtelen áramnövekedés miatt. Igaz nem mondtad ez a 80W-os kapcsolóüzemű vagy trafós, de szerintem előbbi.
Hello!
Az a helyzet hogy nyáron szeretnék foglalkozni hobbielektronikával, de nem tudom hogyan is kezdjek hozzá. PIC programozást már vágom, gépen simulatorban ment is a dolog. Pic16f84-esem van és egy PICkit2esem. Az lenne kérdésem hogy tudom összehozni a kettőt hogy bele tudjam égetni a progit a chipbe?
Hali
Probald meg egy sima diodaval a katod a D7-re. Szukseg van ra, mert a LPT H szintje kb 2.5 V es az elso tranyo nem fog lezarni. Amennyiben a H szint magasabb mint 4 V nem szukseges a dioda, kosd at. Udv Vili
Hello!
Összekötöd a kettőt, a következő módon.. üdv! proli007
Nem, mert azt utólag építettem bele, hátha pont annak a hiánya okozza a problémát. Szóval, ha benne van, ha nincs, nem működik a dolog. :no:
Köszi a gyors választ! Nem is gondoltam hogy ilyen egyszerű lenne!
Sziasztok!
A következő dologban kérnék segitséget. Vettem egy olcsó GENIUS hangszórót mert a navigációmnak nagyon gyenge a hangja.Viszont a kamionban lévő 220V.-os átalakitó néha nagyon bezavar.Kérdésem a trafó kimenete 9,3 AC)ha lekötöm a trafó kimenetét és rákötöm a SCANIA gyári átalakitóját(12,8 V DC) az megfelelő táp lesz,vagy esetleg tönkreteheti a hangszóró elektronikáját?+van még egy gondom,ha a laptopot a 220V.-os átalakitóra dugom akkor az egérrel szinte nem lehet dolgozni mert ha hozzáérek elkezd ugrálni elmozogni,viszont ha rádugom a hang kimenetre a rádió aux kábelét megszűnik a probléma.már megpróbálltam az átalakitó kimenetére egy 400V 10uf kondit tenni de semmi véltozás) Üdv Becsey
SziasztokEhhez a kapcsoláshoz lenne néhány kérdésem.Ha érintéskapcsolót akarok akkor hová tegyek ellenállást?És légyszi jelöljetek meg nekem 2 pontot ahová kössem az érintőfelületet.És ha hívásjelzőt akarok akkor csak igy simán jó az egész?
Szia
Az első kérdés: 99%, hogy igen, mert a 9V ac az egyenirányítva és pufferelve: 12,6V. A második kérdés: Földelt hálózatot igényel a laptopod. (otthon hálózatra kötve nem jelentkezik ez a probléma?) Én ugyan nem vizsgáltam még meg közelről autós invertert, de úgy gondolom, hogy a földelés össze van kötve a szivargyujtó testelésével, ez a jelenség viszont ellentmond ennek, így marad a laptop kábeles leföldelése. Üdv
Köszönöm a segitséged.
A laptop simán megy a hálózati 220.-ról ott nincs gond.Viszont a kollégám átalakitójával ugyanúgy uggráll az egér,viszont az ő laptopja nem csinálja.Még egy kérdés mihez földeljem a laptopot?Ha a kamion testjére kőtőm az jó lesz? Üdv Becsey
Sziasztok!
Egy 2 digites led kiejlzőt szeretnék LPT-ről vezérelni, de nem működik a multiplex rész. Megépítettem a mellékelt kapcsrajzot, de amikor D7 0, mind a két szegmens világít, ha D7 1, akkor meg egyik sem. Mi lehet a probléma? Előre is köszi!
Javítok:
Ha D7 = 0 -> A második szegmens világít. Ha D7 = 1 -> Egyik szegmens sem világít.
Igen,
Idézet: „ha rádugom a hang kimenetre a rádió aux kábelét megszűnik a probléma” Tulajdonképpen itt is ez történik, a rádió AUX földelése össze kötődik a Laptop földelésével. Mostmár csak az a kérdés mi az egyszerűbb? Minden használatnál dugdosni a Jackdugót a laptopba, vagy magát az inverter 220V-os földelését összekötni a kamion földelésével. Én az utóbbira szavaz(nék) viszont ez nem tudom mennyire állná meg a helyét érintésvédelmi szempontból, úgyhogy erre nem mondok tutit. Vannak inverterekkel foglalkozó topicok, érdemes lenne ott feltenni ezt a kérdést, szakértői válasz reményében. Mindenesetre azt a kondenzátoros dolgot messzire kerüld el, ha nem akarsz brutális áramütésbe részesülni ![]() Üdv
Sziasztok.
Meghalt egy AC-DC Adapter. 12V 500mA Szétkaptam van benne egy trafó,4 db-1N 4001 es dióda egy ellenállás(ha jól mértem 1.22K) meg egy 1000µF-os 25V os kondi.A a diódákat lemértem azok jók.Kondit hogy tudom lemérni? vagy ellenőrizni hogy jó e?Van 1000µF os kondim de csak 16 V-os kicserélhetem arra?
Szia!
Én is azt mondom, nyugodtan kösd ki a trafót a hangfalból és kösd rá direktbe a szivargyújtóra. Nem tesz semmit ez a + - 1-2 V különbség, sőt még szebben is fog szólni. Mondjuk azt nem tudom a kamionba 24V vagy 12V van-e. Sőt még a veszteség is kisebb lesz így, mondjuk ez egy akkora aksinál aligha számít
szia
Nagy valószínűséggel a trafó hőbiztije ment ki -> KUKA. meg lehet próbálni a hőbiztit kiiktatni, ha a tekercs nincs leégve, de erre nem ösztönözlek, nekem így megy már 2 éve az asztali halogén lámpám
Na és azt a hőbiztit azt hol találom? Mert biztosítékot nem látok sehol.
|
Bejelentkezés
Hirdetés |





Hat ez a furo nem akar eletre kellni
A tapom egyeniranyit, igaz a szuro kondi kicsi, de azert csak meg kellene moccanjon, vagy megsem? 12 voltos a trafo, terhelve a kondin keresztul 13 volt alatt egy picivel merek. Erzem, hogy egy csoppet meg moccan de csak ennyi, nem akar beindulni.


a trafó kimenete 9,3 AC)ha lekötöm a trafó kimenetét és rákötöm a SCANIA gyári átalakitóját(12,8 V DC) az megfelelő táp lesz,vagy esetleg tönkreteheti a hangszóró elektronikáját?





