Fórum témák
» Több friss téma |
Fórum » TV hiba, mi a megoldás?
Szia köszönöm a válaszod.3 Gyerek melett megkell minden kiadást gondolni,nem fogszakértő vagyok,nem a fogamhoz verem a garast csak nem mind1 hogy 10-vagy 25 ezer a javitás.
üdv
Szia
Levettem a hátlapot valami ic -től jön a kattogás. köszönöm a válaszod
Rendben, ezeket átnézem akkor, köszönöm a tippet, jelentkezem.
Szia!
A sorvégtranzisztort mérd ki. A leggyakrabban ennek a zárlata okozza a tápegység túlterhelését. Mi a készülék pontos típusa?
Ja, igen, még egy dolgot szerettem volna kérdezni, ezeknél a tipusú tv-k nél, (processzor vezérelt) a sorvezérlés ilyenkor impulzus szerű, vagy folyamatosan meg kell hogy legyen? Arra gondolog, hogy amikor próbál elindulni, akkor lead egy sorvezérlést, majd észleli a proci, hogy valami nem oké, és le is állítja, majd ismét próbálkozik, (innen a mp-es időközönkénti ciripelés) vagy folyamatosan adnia kell a sorvezérlő négyszög jelet?
Üdv.
Ha ez a ciripelés, szisszenés a sortrafótól jön, akkor a proci indítási próbálkozásait hallod. Ha a táptrafótól jön a hang, akkor az túlterhelt tápegységre, vagy éppen terhelés nélküli üzemmódra utal. Táp, vagy sor eredetű a hang?
Szerintem táp cirip volt, mert amikor kivettem a sorvégtranyót, akkor is ugyanezt a halk ciripet hallotam, nem az a nagyfesz gyújtóhang volt ami a sorki indulásakor halható, azt megismerem, viszont hallottam már zárlatba ment tápot is a projektorosnál, az meg szerintem hangosabb, így elsőre azt mondanám üresjárási cirip, de nem akarok félrevezető magyarázatot adni, belebújok és megnézem amiket javasoltál, és megpróbálok egy átláthatóbb képet adni az állapotokról.
Hello az előttem szólóhoz csatlakoznék ha esetleg szeretnéd magad megjavítani akkor csak úgy tudnák tovább segíteni ha egy típus számot vagy esetleg rajzot tudnál.De azt is meg nézhetnéd hogy mi van ennek a kattogó alkatrészre ráírva
Az lenne a kérdés a Grundiggal kapcsolatban, hogy a 450V 22µF helyett 400V 22µF-t adtak és a 10V 470µF helyett 25V 470µF-t adtak. Vajon így jó?
ja és az 50V 47µF helyett 63V 47µF és az 50V 22µF helyett pedig 63V 22uF... jó lesz?
Tele van a net ennek a típusnak a bajaival. Például:Bővebben: Link
Próbáld többször a megnyitást, vagy olvasd eredetiben:Bővebben: Link
megnyitottam... de nem vagyok előrébb... z mit jelent? ne kínlódjak vele? Most cserélem a kondikat már 6 meg van. a10V 330µF nem volt azt holnap tudom beszerezni... vagy ne kínlódjak?
Ha a kondicsere kínlódás...? Ha a meglévő kondikat kicserélted, akkor próbáld ki. Ha a már cserélt kondenzátorok voltak a rosszak, akkor ezek után jó lesz a készüléked.
még 5 perc a kicsik nehezebben mennek... 110 kg vagyok
Nos kicseréltem az az egy kivételével mindet.... most bekapcsoláskor a sárga led folyamatosan világít és nem történik semmi....
hogyan tovább.
Sziasztok. Nekem is ilyen problémám van mint Doncsonak egy Funai 21D-3810 -es tv-n.
Mikor bekapcsolom akkor azonnal elindul egy másodpercenként lévő csippanás és a standby led villan egyet és a csipogás mintha a táp felöl jönne de nem vagyok benne biztos. A trafó nem fűti fel a képcsövet. Sokáig nem merem bekapcsolva hagyni mert félek hogy valami elszáll benne. Kezdő vagyok a tv témákban de remélem hogy jó lesz. Előre is köszönöm a segítségeteket.
Cseréld ki azt az egy maradék kondit, és utána folytatjuk.
ok ez holnap lesz... jó éjt és addíg is köszi...
halihó mindenkinek!
egy kis segítségre lenne szükségem. leowe tv-ben szétrobbant a tápban egy ic, és nem lehet leolvasni a tipusát. a tv tipusa: profil 3563z. Nagyon megköszönném a segítségeteket.
Helló István.
Megnéztem amiket javasoltál, többé kevésbé sikerült is, hamar kiderült, hogy rossz rajzot nézegetek, de megtaláltam az övét, ezt csatolom is, szóval most ott vagyok, hogy se sorvezérlő jel, sem tápfesz, se 8V, se 5V semmi, van egy service csati, különböző ki és bemenetek, gondolom ezen lehet programozni az epromot, szóval itt is lenne egy 5V kimenet, de azon sem mérek semmit, az összes tápvezetéken másodpercenként egy tized másodpercnyi feszültség mérhető, de csak egy pillanatra, szkóppal néztem a szekunder tekercseket a tápon, és ott is ugyanez a helyzet, lényegébe azt lehet mondani, hogy a táp másodpercenként egy pillanatra elindul, majd azonnal le is áll,innen jön a pillanatnyi cirip, vagy inkább csippanás, ami meglehetősen halk. Ha kihúzom a készüléket még utána is csippan néhányat, de egyre nagyobb időközönként, ahogy esik a primer puffer fesz, gondolom ha zárlat lenne valahol, akkor azonnal kisülne az a kondi. Nem értem ezt. Egyszerűen nem akar elindulni a táp, de nekem az a gyanúm, hogy nem fogja semmi, inkább mintha tiltaná valamiért. Ilyennel még nem találkoztam.
Szia!
El, persze! Egy zárlatos dióda a sorvégtrafó körül ami elkerülte a figyelmemet, meg kicseréltem egy kondit mert kicsit ki volt "cserepesedve"... köszönöm a segítséget már majdnem föladtam... a grunding tv-vel annyira jutottam, hogy szétszedtem, kipucoltam kicseréltem egy kondit mert elégett a lába a forrasztásnál, kicseréltem még a sorvégtranyót mert zárlatos volt és a biztit.. és láss csodát a tv üzemel.. De! : a képernyő jobb szélén van egy kis gond, mellékelt képen látszik.. Ezzel mit lehet kezdeni? púpos kondit nem láttam benne! Előre is kösz..
Jahh a kép lemaradt.. de nem is baj, mert nem tudtam róla normális képet csinálni amin látszik a hibajelenség, megpróbálom leírni... a képernyő jobb szélén "be van húzva" a kép félkör szerűen.. ha nincs semmi jel a bemeneteken (hangyafoci) akkor még kicsit csíkoz is a széle... azaz kicsit eltolódott a kép jobbról balra.. bocs a hülye megfogalmazásért remélem azért érthető..
Szia!
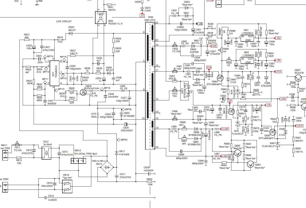
A két tápegység rajzai.
A kelet-nyugat (E/W) raszterkorrekciós áramkör lesz rossz.
Kötözgesd le egyenként a tápegység kimenetéről a terheléseket, és figyeld meg a változást. De akár le is terhelheted sortápfeszültséget egy izzóval. Elkókat cseréltél? A táp-IC a sortápfeszről veszi a referenciafeszültségét. Ha ez a vonal nem áll fel (kondihiba), akkor lebénul a szabályzás. Ne mesterezz, mert azért harapok! Én is csak egy tanuló vagyok.
|
Bejelentkezés
Hirdetés |




hogyan tovább. 

