Fórum témák
» Több friss téma |
Nem olvastad az indító kérdést...
Igazából scooby-nak csak az előlapja van meg.
Az a blokkvázlat ami ebben a PDF-ben van,az még egyszerű,de nemtudom érdemes e megépíteni...nagy böhönc izéé...
![]() A maiak mennyivel kisebbek... És semmivel sem tud többet mint egy mai.... Én megépítem a nyákot mittudom én 10eFt-bol,és 15e-ért már jobbat kapok,ami 2 tépfszes,digitális kijhelzős,és kitart egy jópár évig...
Olvastam, de ez a hozzászólása némiképp' más megvilágításba helyezte az infót:
Idézet: „A potik nem működnek(hacsak nem én baltáztam el valamit)csak átfut rajtuk a feszültség és nem állít semmit,a 10 fordulatnál meg olyan mintha kikapcsolan.” Nekem ez úgy jött le, mintha "megtalálta" volna a többi részt is. Arra meg álmomban sem gondolnék, hogy egy csupasz előlapon tekergetett poti hatástalanságán meglepődik fórumtársunk. :nemtudom:
Hello!
Idézet: „A maiak mennyivel kisebbek...” Persze, de elfelejted, hogy közben eltelt, vagy harminc év.. És a legbosszantóbb, hogy a legtöbben, ma sem értik a működését egy harminc éves cuccnak. Akkor most mi van? Egy gyári készüléket utánaépíteni, mindig többe kerül, mint venni egyet. Építeni csak azt érdemes, ami nincs, vagy mások az igényeid. De ha az elejénél tartunk, minek kell labortápot építeni? Hát erre sem lehet ésszerű választ adni. Mert vagy "csak", vagy "ezt tudunk, űrhajót meg nem".. Amúgy mindennek a blokkvázlata egyszerű, és a kapcsolások is alapból egyszerűek, aztán jönnek az igények. De ha valami rendesen kimunkált, akkor már lehet kissé komplikáltabb a dolog. üdv! proli007
Sziasztok!
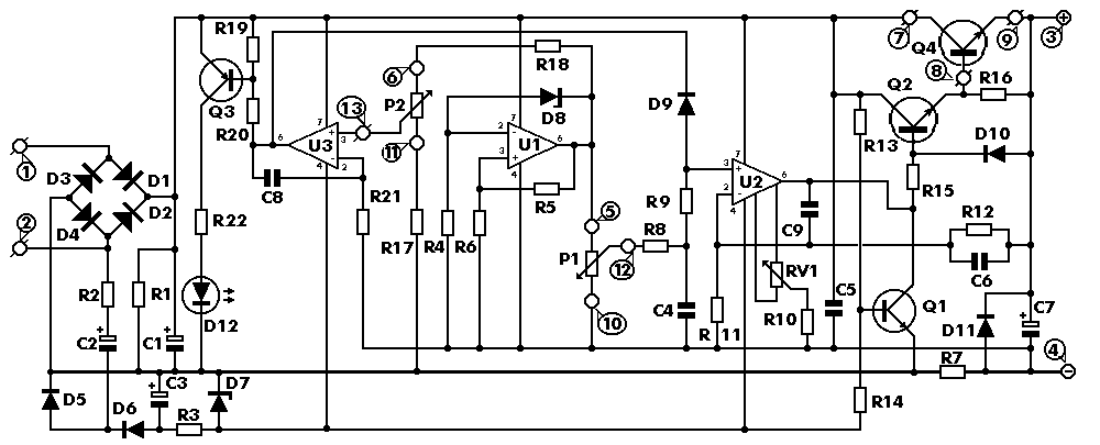
Megépítettem a mellékletben szereplő tápot, de nem igazán működik. :no: A segítségeteket kérném a hiba kiderítéséhez. A jelenség: R1-es ellenállás melegszik, mint a fene. A feszültségszabályzó potit kinyírta az áramkör (szakadás). Helyette most átmenetileg egy 10K-s trimmer van bent. Az is nagyon melegszik. Valószínűleg azért, mert az U1 opamp 6-os lábán nem 11V van, hanem 30,5. (Az electronics-lab honlap szerint kb 11V-nak kellene ott lennie.) De nem tudom az okát, hogy miért van 30,5V. Z diódák jók. Az egyiken 5,1V van (anód-katód között), ez megy az U1-re és csinálná a referencia feszt. A másikon 5,51, ez állítja elő a negatív tápfeszt az U2, U3 számára. Az R11-R12 osztó ellenállások jók. Az értékük megfelelő. (Az U1 Z dióda ref. feszt ez az osztó duplázná szintén a honlap szerint.) Ha az átmeneti trimmerrel állítgatom a feszültséget, akkor a poti kb 70%-áig 0-7 voltot tudok beállítani, a maradék 30%-ban meg 7-30,5 voltig megy a szabályzás. Ha a kimenetet rövidre zárom, akkor a túláram led nem világít, de ellenben, ha a max feszültséget állítom be (pontosabban a 30 volt után még egy picit lehet tekerni a potit), akkor a kimeneti feszültség átmegy mínusz 0,01 voltba, és az áremgenerátor led elkezd világítani. Az RV1 100K-s trimmer potinak gyakorlatilag semmilyen hatása nincs, hiába tekerem akárhová... (( Az U2, U3 7-es lábán 34,1V van, a 4-es lábon pedig -5.51V. Az U1 4-es lábán 0V van. Az U1 6-os láb 30,5V, 7-es láb 34,1V. Már a harmadig garnitúra IC-ket rakom bele, jelenség mindíg ugyanez. Elvileg tahát nem IC hibára gyanakodnék. Márcsak azért sem, mert más kapcsolásban kipróbálva az IC-k tökéletesen működnek.Mindent összefoglalva lövésem sincs, hogy mi a baja.... (( A trafó egy toroid 2X12V 4,16A. Előre is kösszi a segítséget!
Hello!
- Nem gondolod, hogy kicsit sok a táp? 34,1+5,5V=39,6V út Az IC abszolút maximum feszültsége 36V. Amit nem átlépni, megközelíteni sem szabadna. - Amíg az U1/6. lábán nincs meg a referencia feszültség, nem érdemes tovább menni. Ott valóban, a D8 zéner feszültségének kétszerese a jó érték. (Mert az erősítő, R5 ellenálláson ugyan akkora feszültséget állít be, mint ami a zéneren van. Tekintve, hogy R5 és R6 értéke egyforma, azokon ugyan akkora feszültség esik. Tehát a kimeneten az R5 és R6-on eső feszültség összege mérhető, ami kétszerese a zénerének.) R4 ellenálláson is ugyan akkora feszültség lesz, mint az R5-ön. Ez állítja be a zéner áramát. Ami Uzéner/R4 értékű lesz. - R1 teljesítménye Ut^2/R1 azaz 34,1*34,1/2000=0,52W Ez már fűthet, de mivel az R1 1W-os gondot nem jelenthet neki. - A P1 fesszabályzó potit, csak úgy nyírhattad ki, ha valami áramköri hiba volt. Még ha azon 30V van is, 10kohm esetén ez 90mW tehát nincs 100mW. Viszont ha a csúszkát közben a GND-re kötötted helytelenül, és maximumra tekerted, akkor vége a potinak (meg esetleg az IC-nek is.) A trimmert is max. 100mW melegítheti. - Addig nem érdemes rövidrezárni valamit, míg semmi nem működik. Szisztematikusan kell hibát keresni (beüzemelni valamit), nem ötletszerűen. üdv! proli007
Oké!
Akkor mit lehet ezzel kezdeni?(képek)A műszerem szerintem nem mér pontosan,ugyan is 12V helyett is 26V-ot mutat Látom nagyon benne vagy a témában,csak így tovább!
Szia!
Akkor futott át az agyamon, hogy mekkora feszt kap az IC, amikor ezt te leírtad. Megmértem a trafó szekundereit. Terheletlenül 13,7V jön le róluk. Mivel 2 szekunder van rajta ezek össz feszültsége 27,4V. Ez egyenirányítva és kondival szűrve: 27,4X1,4142=38,7V! Az U1 ic 4-es lába 0 volton van, a 7-es ~34V környékén. És én ezt az IC-t raktam be más áramkörökbe. És az az IC jó is volt, mivel a 36V alatt maradt a tápfesz. Viszont a másik kettő meghalt. Éppen amiatt, amit írtál. Ha egy kicsit is végig gondolja az ember magától is rájött volna, de az ember a saját hibáját csak nehezen veszi észre! Ehhez az kellett, hogy te leírd és rájöjjek arra, amit magamtól is észrevehettem volna...Köszi a segítséget!
Hello!
Most már teljesen elvesztettem a fonalat. Miről is van szó? Mert ez egy kapcsolóüzemű valami, ez előtt meg EMG tápról volt szó, meg egy üres mezei lőlapról amin csavargattad a potikat, és valahogy nem működött. Most már nekem is kellene vagy négy sört inni, hogy szót értsünk.. Amúgy a multiméter mutathat akármit, mert annak van előosztója ér referencia beállító potija. Ha bármelyik hibás, már ugrott is a mutatvány. A mérőzsinórt, meg vagy cseréld ki, vagy javítsd meg, mert előbb vagy utóbb csalódás fog érni. :shocking: üdv! proli007
Hello!
A földelt kollektoros (emitterkövető) végfokozatú tápokkal, 24V nál nagyobb kimeneti feszültséget, csak akkor lehet elérni, ha van segédtáp, vagy a meghajtó tranyó földelt emitteres (v. földelt bázisú) kapcsolású, vagy a műverősítő valami "nagyfeszültségű" típus (nekem még nem volt ilyenem). Ha tényleg tudtam segíteni, akkor volt értelme hozzászólni.. üdv! proli007
Szia!
Most rendeltem OPA445-ös IC-ket. Ennek 90V a megengedett max feszültsége. Ennek már elégnek kell lennie! Köszi a segítséget
Hali!
A radelkis táprol lemndtam! Ez egy szervergép tépja,nekem első ránézésre bejön ![]() Ebböl vajon mittudok kihozni,illetve mijen adatok kellenek,hogy tudj róla valamit mondani? A mérözsinort javítgassa a nyavaja,veszek egy professzionálisat ![]() Amúgy a báttyám tette tönkre valamikor... Jó vékony réz vezeték fut benne! Ez bír 500V-ot?
Hello!
Hát sajnos nem ismerem ezeket a tápokat. A mérőzsinórnak, nem 500V-ot, hanem 2000V-ot kellene kibírni, hogy én biztonságosnak tartsam. üdv! proli007
Az enyém csak 1000V-ot bír,és én emlékeztem rosszul!
Az enyémre 1000V van írva...de az 500 is sok szerintem
Hát, igen... Azért olyan vékony a vezető, hogy vastag legyen a szigetelés (ugyanakkora külső átmérővel).Tönkretenni igazából a használattal, vagy a 10A-es méréshatárban lehet.
Áááá,ne hogy azt hidd hogy azért ment tönkre mert a megengedettnél több Ampert kötöttem rá!
egyszerűen ebbe a ˇmérőpálcába" csak belevan forrasztva a vezeték és az tartja,és kiszakadt belőle. Most csak jól le van blankolva és belevan dugva így érrintkezik,és a vége le van szigetelve ![]() Mondanám hogy atomstabil,de mondjuk 1000V-ot nem mérnék így
Sziasztok!
Megépítettem a mellékelt labortápot. (eddig úgy kezdődik, mint az előző hozzászólásom... )De legalább megy... Úgy ahogy... És itt kérném a segítségeteket. Ha a D8-as (5,6V) Z dióda úgy van bekötve, ahogy a rajzon van, akkor az U1 IC 2-es lábán kb 28V feszültség van, a 6-os lábán 33,1. A szabályzás ebben az esetben megy, pontosabban a a P1 poti felénél már el is érem a 30 volt kimenő feszt, mert féltávnál elérem a kb. 11V feszültséget, és az U2 úgy van beállítva, hogy ezt a feszt háromszorozza. DE! és most jön az érdekes dolog... Ha a D8-at ellenkező irányba kötöm be, mint a rajzon van, akkor a U1 2-es lábán kb 6,1V lesz, a 6-os lábán kb 7,2V és az U2-es IC feszháromszorozása miatt a potit teljesen ki tudom használni, csak éppen kb 7,2x3=22V lesz a táp kimenetén, nem pedig 30, ahogy elvileg lennie kellene... Az U1 egyáltalán mehet úgy, ahogy a rajzon van?! Minden más tökéletesen működik a kapcsolásban. Áramgenerátor is. Most nyüstölöm kb 3 órája (úgy, hogy a D8 ellenkező irányba van bekötve, mint a rajzon) és a táp gyünyörűen megy... Viszont a táp honlapján úgy van írva, hogy a D8 megfelelő bekötése esetén U1 2-es láb 5,5V, 6-os láb 11V. Aki ezt a tápot megépítette, annak ment úgy a táp, ahogy a rajzon van? Mert én egy napja nézem a nyákot, hogy van e zárlat, vagy szakadás rajta, de nincs semmi vele. Van ötletetek?
Hello!
Ahhoz, hogy tiszta képet lássunk, meg kellett volna mérni nem csak a 2. lábat, hanem a 3. láb feszültségét is. Már írtam, hogy a kapcsolás jó, és a rajz is megfelelő. De gondolj bele, hogy a zéner 5,6V-os, akkor ha a 6. lábon akár mekkora feszültség van (ha az 5,6V-nál nagyobb) akkor a 2. lábon ennél 5,6V-al kevesebbnek kell lennie. Kivéve, ha a dióda nem zéner, vagy nem 5,6V-os, vagy az R4 szakadt (vagy értéke túl nagy). Lehet, hogy az R4 az R5-el fel van cserélve, vagy R5 és R4 értéke nem azonos. Mérd meg az ellenállás értékeket. Ha az IC foglalatban van, vedd ki, és zárd össze a 6.-os és 7. láb helyét. Így D8 katódja +Ut tápfeszültséget kap. A 2. láb helyén így +Ut-5,6V feszültség mérhető, a 3. láb helyén, pedig +Ut/2 feszültség. üdv! proli007
Szia!
Huuuuhhh! Elég szép műhiba volt.... Még az üzenet megírása után, de még a te üzeneted előtt elkezdtem mélyebben tanulmányozni a kapcsolást. Ha az áramkör nagy része működik, akkor csak valmi passzív elemmel lehet a baj, mert az aktívakat oda vissza átnéztem vagy 5x. A teljes nyákot átvizsgáltam, hogy nincs e szakadás, vagy zárlat valahol. Semmi nem volt. Elkezdtem kiszedni a kondikat, meg az ellenállásokat. És lőn előkerült a hiba... az R5-R6 osztó, ami az U1 6-os láb duplázza a 2-es láb zéner feszültségét. Az R6-os ellenállás a 10K helyett 100K volt. Azt hittem megüt a guta. A boltban belekeverték a 10K-s ellenállásokba a 100K-s ellánállásokat is. (a 10K-s barna-fekete-fekete-piros, míg a 100K-s barna-fekete-fekete-narancs színű) És ez a narancs majdnem piros volt!!! A fene a gyártók fejét. Tanulság: nem csak az aktív elemeket kell megmérni beforrasztás előtt, hanem a passzívakat is! proli007! Köszönöm a segítséged! Most kifogástalanul működik a táp!
Hello!
Pedig én kétszer is leírtam, hogyan működik.. De örülök, hogy sikerült! üdv! proli007
szeret ném kérdezni én ujvagyok eben azt kérném hogy van egytrafom a mi 220v 24v tejes:400w ez jolene labor tápba ha tutok segitsetek meg kérem szépen labor tápot szeretnék épiteni köszönöm
Hello!
Ha labortápot építesz, akkor miért nem abban a topikban teszed fel a kérdésedet? Ez labortáp javításról szól.. Amúgy minden trafó jó labortápba, csak meg kell tudni mekkora feszültség és áramigényed van a tápegységgel szemben. Ez a trafó, pld. elvben jó egy 0..25V-os 0..10A-es labortáp készítéséhez. (Amennyiben az egy analóg disszipatív labortáp lesz, ahol a felesleges teljesítményt "elfüstöljük" a tranyókon.) üdv! proli007
Sziasztok!
Ismeri valaki a TR-9160 típusú labor tápegységet? 0-120V-ig állítható a feszültség, az áram pedig max 1.1A-ig. Arra lennék kíváncsi, hogy a trafójának a primer 230V-os részének ellenállása hány ohm lehet? Suliból szereztem lomtalanításon. Mivel most koliban vagyok nem mertem bedugni nehogy levágja a kismegszakítót inkább rámértem műszerrel a villás dugóra és mikor a kapcsolót felkapcsoltam a műszer csipogott, vagyis zárlat van. Ezután rámértem ellenállás mérővel és 1.6 ohm az ellenállása. Ezt én kicsinek tartom (és menetzárlatra gyanakszom) de nem vagyok tisztába vele hogy mennyinek is kellene lennie?! Viszont a biztosítók épp állapotban vannak. Ha valakinek megvan ez a táp és rámérne nekem, hogy mennyi az ellenállása megköszönném. Előre is köszönöm! Üdv: Dempsey!
Nekem a 200V 0,55A-es van ebből a fajtából (tehát azonos teljesítményű, kb) a primer (DC) ellenállása 1,8 Ohm. Remélem, segítettem.
Köszi szépen. Hát akkor lehet be kéne merni dugni de majd inkább ha hazaviszem.
A menetzárlatot különben sem lehet ellenállásmérővel kimérni.
Bátran bedughatod.
Az enyém szintén 200V-os kimenetű, a trafó primerje közvetlenül 1,4 ohm, a forrfülön mérve.
Értelmetlenül túlméretezett szerkezet. Meglepne, ha el tudna romlani a trafója.
Na bedugtam és világít a túlterhelést jelző izzó. Mégsincs teljesen rendben minden. Rámértem DC állásban a tápon 15V-ra állítottam a feszültséget, de a kimeneten 100V-tól is többet mértem. Hát lehet keresgetni a hibát
|
Bejelentkezés
Hirdetés |





(( Az U2, U3 7-es lábán 34,1V van, a 4-es lábon pedig -5.51V. Az U1 4-es lábán 0V van. Az U1 6-os láb 30,5V, 7-es láb 34,1V. Már a harmadig garnitúra IC-ket rakom bele, jelenség mindíg ugyanez. Elvileg tahát nem IC hibára gyanakodnék. Márcsak azért sem, mert más kapcsolásban kipróbálva az IC-k tökéletesen működnek.



Ehhez az kellett, hogy te leírd és rájöjjek arra, amit magamtól is észrevehettem volna...









