Fórum témák
» Több friss téma |
Szia!
Melyikre gondolsz? Van ám neki több is!
Elnézést a megfogalmazásért, de az egyszerűbbre gondoltam.
Nem gond, ne viccelj! Amennyiben ez a kérdéses erősítő, én az ajánlanám, hogy két sorbakötött 9 voltos elemről tápláld, és az erősítő és az elemek közé egy stabilizátor ic-t rakj. Így a kimeneti feszültséget is tudnád változtatni. Persze az erősítő 18 voltról is mehetne. Minden esetre egy darab 9 voltos elem szerintem nem lesz elég.
Keresd meg Köbzoli moderátor urat, vigyél neki egy karton sört, és kezdődhet az elektronika óra.
Szia!
Segíts tisztázni a gondolatom. Az ellenállást párhuzamosan kötöd a kimenetre, ezért a csillapítása megnő a hangfalnak ez mély kiemelést okoz? Így értetted?
Szervusz!
Nem párhuzamosan, hanem sorba kell kötni a hangszóróval! (Bár én nem tenném) Ettől csökken a csillapítás a hangfalnak és az alsó határfrekvencia közelében a hangszóró rezonancia kiemelés fog okozni. Ami kis hangerőnél még elmehet, de nagyobb teljesítménynél a lengőcséve kívül kerülhet a lineáris tartományon, sőt teljesen kiakadhat ami elég "karcos" hangot fog eredményezni. A hangfalak tervezésénél általában feltételezik a pár tized Ohm alatti meghajtóimpedanciát. István
Szia!
Újra tanutam valamit. E- szerint a hangszóró a rezonancia frekvenciáján nincs eléggé csillapítva ( máshol sem) és a rezonancián kiemelést okoz a soros ellenállás miatt,ha jól értem. De itt befejezem,mert "máshová kívánnak" a fórum társak. Köszönöm!
Sziasztok!
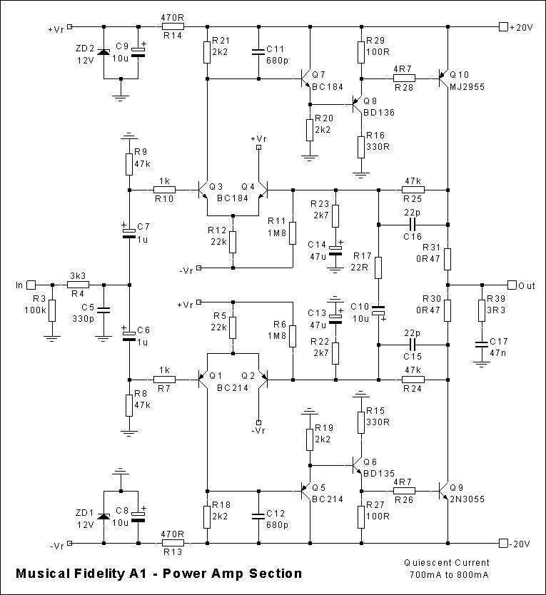
Íme egy új erősítő, a Musical Fidelity A1. Gondolom sokan ismeritek, vagy legalábbis már hallottatok róla. Ki mit gondol, tud, hisz róla? Egy próbát megér mert szinte fillérekből össze lehet rakni.
Én csak műszaki szemmel tudom megítélni. Az, hogy szimetrikus az áramkör, egy nagyon pozitív tulajdonság, szinte biztos, hogy a páros felharmónikusokból jóval kevesebbet termel, mint a nem szimetrikusak. Ami nem tetszik benne, ( sok egyéb mellett ) hogy a tulajdonképpeni feszültségerősítést a végtranzisztorok végzik. Vagyis ugyanazok a tranyók, amik a kimeneti nagy áramot is előállítják. A többi tranzisztor csak impedanciaillesztő. Ennél sokkal jobb megoldás, ha a végtranyók csak impedanciaillesztők ( emmitterkövetők ) és a feszültségerősítés ezek előtt van megvalósítva, sokkal kisebb áramszinten. És, ha lehet, akkor földelt bázisú kapcsolásban. Ilyen pl. a Monacor.
Igen, fillérekből, de ha még van benne 10 db tranyó, az sem költség...
Ez így nem teljesen igaz , bemeneten lévő tranyók is erősítenek , igaz nem földelt bázisú módban .
Szerinted, mennyi lehet a feszültségerősítésük?
Valójában, inkább 1 alatti a feszültségerősítés, hiszen a végtranzisztorok emmittere váltakozóáramú szempontból a földön vannak. Ahhoz, hogy egy ilyen bipoláris tranyó kolleltoráramát változtasd mondjuk 0 és 10 A között, ahhoz a bázis-emmitter feszültség mondjuk 0,5 V-os változtatása elegendő. Ha azt nézzük, hogy ez egy végfok, akkor (talán) a szabványos 1 V peak körüli bemeneti feszültség teljesen kivezérli. Ebből adódik, hogy feszültségerősítés 0,5. Ebbe kissé belezavar a bázisokban levő 4,7 ohm, gondolom gerjedés ellen tették bele. De az ezen eső feszültség nagyon kicsi, még mindíg 1 alatt marad a feszültségerősítése a végtranzisztorok nélkül.
A bemeneten lévő differenciálerősítőről miért gondolod hogy nincs feszültségerősítése?
Azért, mert a feszültségerősítés azt jelenti, hogy a bemeneti feszültségnek hányszorosa jelenik meg a kimeneten, vagyis a kollektor munkaellenálláson. Miután ettől a kollektortól egészen a végéig emmitterkövetők fogadják ezt a jelet, - vagyis diódák - ez a jel a kollektoron nem lehet nagy. Végül is két dióda van a végtranyóig. Ezeket kell meghajtani, ami feszültségre nézve talán 0,1...0,5 V maximum. Erre már lesz annyi bázisáram, hogy a végén meg tudja hajtani a végtranyókat.
Én konkrétan a bemeneti Q1 - Q2 és a Q3 - Q4 alkotta differenciál fokozatról kérdeztem, hogy miért gondolod azt róluk hogy, nincs feszültségerősítésük?
Azért, mert az utánna következő fokozatok tulajdonképpen egy diódányi terhelést jelentenek nekik! Ez abból van, hogy a végtranzisztor földelt emmitteres és ez "látszik át" az előző fokozatokon keresztül egészen a differenciálerősítőig.
Itt van hozzá egy szimuláció is. Ha valakit érdekel, akkor felteszem a szimulációs fájlt is. Multisim 10.1-ben készült.
- A tranzisztor nem dióda, a differenciál erősítőt követő emitterkövető bemeneti ellenállása jóval nagyobb a 2,2 kOhm-nál így tekinthetjük a 2,2 kOhm-ot kollektor terhelésnek. A diff. erősítő árama kb. 0,5 mA (tranzisztoronként) ekkor a bemeneti (Q1 - Q3) tranzisztorok meredeksége nagyon durván 20 mA/V, de mivel az emitterrel a diff. erősítő másik tranzisztorának emittere sorosan kapcsolódik, így a meredekségük kb 10 mA/V lesz. Tehát a diff. erősítő bemeneti tranzisztora kb. 20 szoros erősítésű.
- A szimuláción a diff. erősítő kollektorán a negatív visszacsatolás miatt torz a jel, így korrigálja a végtranzisztorok torzítását! (szimuláld visszacsatolás nélkül) - Az nem mondtam, hogy a végtranzisztorok működése így korrekt, nekem fölösleges bizonygatni. Amúgy ez az erősítő koncepcióját tekintve erre hasonlít: F5 , de ez jóval egyszerűbb és szerintem jobb is. Igaz a 2sk170/2sj74 beszerzése elég körülményes de nem lehetetlen. A diyaudio.com -on komoly topikja van, több mint nyolcezer hozzászól-lással...
Ha félreérhető lett volna, az F5 (FirstWatt F5) a jobb, szerintem...
Én nem áram, hanem feszültségerősítésről beszéltem!!! ( ha nem emlékszel rá, akkor olvass vissza ) És azt hiszem, a szimuláció eredménye önmagáért beszél, a feszültségerősítése a differenciálerősítőnek 0,5 körül van...a többi fokozat meg ugye emmitterkövető, a végtranyókat kivéve.
Persze, a negatív visszacsatolás miatt lesz a feszültségjel olyan ronda, mert csak így tud szinuszt csinálni a kimeneten, hiszen, a tranzisztor bemenete egy dióda! Vagyis áram kell neki! És a dióda karakterisztikája nem lineáris! Mit nem értesz ezen? A tranzisztor nem más, mint egy áramvezérelt áramgenerátor! De, a végtranzisztorok működése teljesen korrekt, csak épp a minőség lesz vacak. Ettől, még helyesen működik és vannak, akiknek ez a hangzás tetszik. Nem tudom, miért csatoltad be ezt az F5-öt, ez totálisan más, mint a korábbi erősítő. Hát ennek alapból van visszacsatolása, ott vannak az 50 és 10 ohmos ellenállások! Ennek a feszültségerősítése 6 körül van. Mi köze az előző kapcsoláshoz? Olyan, mintha össze akarnál hasonlítani egy hajót, meg egy repülőgépet. Az a közös bennük, hogy mindkettő jármű...Tehát, nem 1 voltos a bemeneti érzékenysége. Ahhoz, hogy ezt kivezéreld az első fokozatoknak feszültségerősítéssel kell rendelkezniük. Nem mintha ez baj lenne, de a két kapcsolást semmi esetre sem lehet összehasonlítani. Ez egyébként KD Mester kedvenc elrendezése. Meg az enyém is, bár ennél van jobb is. De ugyanilyen volt az a régi "Texas" is, ahol a végtranyók valamekkora feszültségerősítéssel rendelkeztek, de nem egyedül állították elő a bemeneti 1 V-ból a mondjuk 20V-ot.
Én is feszültség erősítésről beszélek. Mondtam, szimulálj visszacsatolás nélkül és nézd meg a jelszinteket! Bár nekem ehhez nem kell szimulátor, igaz amikor megismerkedtem a félvezetőkkel a szimulátorok még nem léteztek, és a PC-k sem.
Bázisellenállással beállítani a nyugalmi áramot egyáltalán nem nevezném korrektnek! Az a közös a két kapcsolásban- ha jobban megnézed-, 1; Hogy a két komplemens erősítőfél dolgozik a terhelésre különválasztva a két fél a negatív visszacsatolását is: R25-R23 és R24-R22 2; Mindkettőben két feszültségerősítő (és fázis fordító) fokozat van, (a tranzisztorosban a két feszültség erősítő fokozat között két emitterkövetős impedancia illesztés van.) 3; Mindkettő A osztályú. (Az absztrakciót a elektronikában is érdemes és hasznos alkalmazni...) Valamit pedig szerintem te értesz félre, de végzetesen, és attól tartok a véleménykülönbség fenn fog maradni köztünk!
Ha már így belemelegedtetek a kapcsolásba, akkor kérnék egy kis segítséget. A kimeneti DC szintet az R21-el sorba kötött trimmerrel kellene egyengetni vagy van más megoldása is a dolognak? Válogatott alkatrészeknél persze erre nincs szükség.
Akár úgy is jó lehet. De a félvezetők párba-válogatása nélkül a kimeneten DC feszültsége eléggé ingadozni fog a hőmérséklettel együtt! A diff. erősítőt külön és a komplementer párokat is párba kell válogatni, ez a torzításra jó hatással lesz. Enélkül végképp nem éri meg belevágni.
De Te tudod...
Hát akkor válogatunk.
Találtam egy másik rajzot erről az erősítőről. Ebben pár ellenállás más értékű, R6, R11, R30, R31, így már 1.7A körüli lehet az áramfelvétel. A dif. erősítőn a diódáknak mi szerepe van?
Én egy komplett kapcsolásról mondtam el a véleményemet. Az vissza van csatolva. Erre írtam, hogy nagyjából csak a végtranzisztorok végzik a feszültségerősítést. Ezt szimuláltam le és igen jól megközelíti a valóságot, még akkor is, ha te össze-vissza beszélsz. A szimulátor táblázata elég beszédes. Az, hogy te ezt máshogy látod, vagy más eseteket hozol fel, nem változtat a lényegen!
Nem értem, mi értelme lenne visszacsatolás nélkül bármit is tenni ebben az ügyben, nem ez volt az alapkérdés. Bár, azt hiszem, te pontosan látod, hogy zöldségeket beszélsz, de ugye mellébeszéléssel próbálod a nimbuszodat menteni. Nem baj, más topicból ismerem a felületes hozzáértésedet. De, megcsinálom neked a szimulációt, csak miután azt javasoltad, hogy ne legyen benne visszacsatolás, áruld el, mekkora legyen a bemeneti jelszint. Vagy maradjon ez az 1 V? Akkor rendesen túl lesz vezérelve az erősítő. Mit akarsz benne látni? Várom a válaszod! Az, hogy a te korodban, amikor ismerkedtél a félvezetőkkel, nem voltak szimulátorok, az igen sajnálatos. Meg kell jegyeznem, hogy amikor én ismerkedtem velük, akkor sem voltak, sőt még tranyó sem nagyon. Lévén, hogy 56 éves vagyok... talán ez mond neked valamit, az akkori alkatrész hozzáférési lehetőségekről... Ennek ellenére némi büszkeséggel tölt el, hogy nem tartozom azok táborába, akik azt mondják, hogy a szimulátorok nem jók, mert nem pontosak, mert ez a baj, az a baj, stb. Egyébként, a zászló mindenkinek áll ez ügyben... Google a te barátod is. Millió fajta van, csak ugye meg kell tanulni és sokkal egyszerűbb valamit fikázni, mint megtanulni. Esetleg kiderül az illetőnek saját magáról, hogy revidiálnia kell a tudása mennyiségéről alkotott véleményét... Különben meg az olyan egyszerű kérdésekre, mint a szóbanforgó, 10 perc alatt választ kaphat, ha berajzolja azt, amit én is megcsináltam a Multisimben. Azért elárulom neked, hogy a legtöbb erősítőben a nyugalmi áramot egy bázisellenállással állítják be... Többé-kevésbé még működni is szoktak. Esetleg, hallottál már ilyenről? Amit az F5 és a szóbanforgó kapcsolásról írsz, az zöldség, a kettőnek annyi köze van egymáshoz, amit már korábban leírtam, még akkor is, ha megint elkezded belemagyarázni a tévedéseidet. Engem nem zavar a véleménykülönbség kettőnk között. Ez már régebben is így volt... Az, hogy te nem érted, vagy nem akarod megérteni, attól még a dolgok nem változnak. Tudod, a tények elég makacsok... a lényeg, hogy aki nem most kezdte az erősítőépítést, az úgyis érti, hogy miről van szó...
Ezt a hangnemet és stílust kikérem magamnak!
Szerintem Te átlépted a kulturált vita határait, innentől nincs miről beszélnünk.
Tegyél valamelyik bemenetre egy kis DC szintet ( +/-50 mV ) egy nagyobb ellenálláson keresztül, egy potival. Ez némi asszimetriát okoz, de ez a kapcsolás úgyis olyan gyenge, hogy a minőségben nem oszt, nem szoroz. Van rá korrekt megoldás is, de nem érdemes...
A diódák több-kevesebb sikerrel a diff. erősítő túlvezérlését hivatottak megakadályozni. ( ha jól gondolom ) Ezeknél a kapcsolásoknál az a baj, hogy a diff.erősítő tranzisztorait nem csak egymáshoz kell válogatni, hanem bázis-emmitter feszültségkarakterisztikára a két oldalnak ( npn, pnp) is egyformának kellene lennie. Akkor tényleg nem lesz DC szint a kimeneten. ( illetve, nagyon kicsiny ) Ez utóbbit már nagyon munkaigényes lenne megcsinálni, tehát, marad az offsetpoti. Idézet: „ez a kapcsolás úgyis olyan gyenge” Hát van már vagy 20 éves az tuti. Hogy érted hogy gyenge?
Én a hangját sosem hallottam és nem is akarok az alapján megítélni egy erősítőt. Mindenkinek az tetszik, amit kiválaszt magának. Én a kapcsolási rajza alapján mondom, hogy nem tartanám egy minőségi erősítőnek.
Olvass vissza két oldalt, még szimulációt is csináltam róla. A torzítása különösen felejthetővé teszi. De ettől függetlenül lehet, hogy jól szól, én nem vagyok vájtfülű, csupán csak az alapján tudok megítélni egy erősítőt, hogy mennyire figyelt oda a tervező a kapcsolási rajzra. Ez pedig elég gyenge dolog. Szerintem, nagyobb a híre , mint a tudása.
Mert sikerült megtanulnod egy szimulátor technikai használatát -de az eredmények helyes értelmezését nem-, ettől az gondolod mérhetetlen felfuvalkodottságodban, hogy ettől már mindenhez értesz, pedig nem! Halvány lila fogalmad sincs a tranzisztorok működéséről és gyanítom, hogy sok egyébről sem!
És ha már a szimulátoroknál tartunk, én több mint tíz éve használok legálisan beszerzett szimulátort, nem a szimulátorokkal van a baj, hanem azzal, hogy ha valaki nincs tisztában az elektronika alapjaival a szimulátortól sem lesz okosabb. A tények valóban makacs dolgok, de Nálad furcsa téveszmékkel keverednek! Elnézést mindenkitől, hogy ilyenekkel terhelem a türelmét! Azért is vártam reggelig ezzel, hogy ne az indulat vezéreljen, de egyszerűen nem tudom szó nélkül hagyni a "kolléga" igen személyeskedőre sikeredett irományát. |
Bejelentkezés
Hirdetés |







Találtam egy másik rajzot erről az erősítőről. Ebben pár ellenállás más értékű, R6, R11, R30, R31, így már 1.7A körüli lehet az áramfelvétel. A dif. erősítőn a diódáknak mi szerepe van? 
