Fórum témák
» Több friss téma |
Fórum » Futófény
Sziasztok.
Egyik haverom megrögzött Knight-Rideres és mindenképp akar egy knight rideres futófény (ami jobra balra mászkál a ledeken) Én előálltam neki egy olyan elképzeléssel, hogy fogjon egy picet és progizza be úgy hogy az órajelet számálja és valamennyi után váltson ledet jobbra. AZt amikor elér az uccsóhoz akkor menjen mindig egyel visszább és kezdje megint előről az egészet. Tud valaki ennél jobbat??? Mert én nem értek a pic programozáshoz csak elképzeltem, hogy hogyan lehetne ezt megcsinálni...(jah van tranzisztoros áramkör is de az min 30-40 db tranyót tartalmaz, ezért inkább leteszek róla...) Segítségeteket köszönöm! Nbalage
Szia!
Én építettem már nagyon régen egy ilyet és abban egy 4017-es johnson számláló volt, meg egy oszcillátor, ha jól emlékszem 4093-al. Minden második ledet passzívan hajtottak meg. Ha jól emlékszem, akkor egy Hobbi elektronikából vettem anno az egészet. Elég jól működött, de manapság már nem foglalkozok ilyennel.:no:
De sztem nem csak tranyós van, csak az nem bizit hogy ide oda megy hanem csak előre majd újból, de holnap keresek neked ha lesz időm én is csináltam egy pár félét de az mind előrement és utánna előről kezdte, habár van egy pices 32 ledes ,de az nem tuzdom hogy megy adok egy linket és elovasod (angol) de vna minden hozzá progi is asm is.
It a neve: (google írd be) Siliconchip PIC Controlled 32-LED Knightrider ,de most belolvastam és ez állítható hogy milyen effekt legyen benne ez jó ezt még lehetén is megcsinálom
Ez kérlek feletébb egyszerű, és nem kell PIC!
4001 el oszcillátor. 4001 maradék kapuival d flip flop. Ami ha eléri az utsót átbillen, ha eléri az elsőt visszabillen. Ennek a kimenete kötve egy 4510-es felleszámláló U/D-bemenetére. Kimenete meg egy 4028-on. De ide bármilyen BCD-to-Decimál konvertert használhatsz. Ez kb 200ft. PIC el meg hát a pic ára. + egy BCD dekóder, mert hát a PIC nek is véges lábszáma van. Ezzel amit elmondtam 10-led ide-oda cikázását éred el.
AZ én megoldásom 32 LED-et és nem kell BCD dekoder, meg ilyesmik pár alkatrész, de elolvasod a cikket és meglátod nagyon egyszerű
Sziasztok!
Én találtam a neten egy kapcsolást, de nem tudom, hogy működik-e. http://www.electronics-lab.com/projects/automotive/011/index.html
Srácok a KR futófény attól az, hogy egyszerre több led világít és csak a középső pár darab full fényen a többi egy kondi kisütése... nem ? Szóval középen fényes és tőle jobbra balra halvánnyabb.... (egyik irányba épp tölt a másikban már kisüt középen meg pont maxon vannak a kondik. Láttam ilyet neten, gugli segít !
Hah, én vénember, nekem is megvan valahol az a Hobby Elektronika, amelyikben a KN kapcsi van. Az jó. Valamelyest eredetihű. Az, hogy kondival bohóckodsz, vagy ellenállattal (a HE szerint) már részletkérdés. Az viszont tény, hogy a HE féle ellenállással megközölt ledek az életben nem fognak full fénnyel világítani, tehát valóban jobb az a kapcs, amelyikben a 10 ledet 10 ic kimenet hajtja meg. Itt viszont, ha beteszel kondikat, hogy ne csak fusson, hanem follyon a fény, akkor ki kell találni az ideális kapacitást a futás sebességéhez. Ha meg úgy csinálod, hogy a sebessége változtatható legyen, ahhoz nem tudod a kondi értékét igazítani üzem közben, és akár az is lehet, hogy egyszerre 5 led is világítani fog (többé-kevésbé). A filmen egyszerű volt a sebesség váltása, mert a ledsor sebességének növelése csak járulékos volt (a filmet gyorsították, hogy még álatgyorsabban tépjen a Pontiac).
Sziasztok
Köszi mindenkinek ezt a sok hozzászólást.. Már a Siliconchip-eset a hobbielektronikást meg a www.electronics-lab.com/projects/automotive/011/index.html-t nézegettem meg. Elég jól szuperálnak első ránézésre. Viszont azt megkérdezném hogy az a 4017 4001, 4018, 4510 és hasonlók, azok IC számok, oszcillátor chipek vagy micsodák?? Előre is köszke Nbalage
balra lent találsz egy linket, ott megtalálod.
Itt egy 60 LED-es Óra rajza, ami szerintem 100 LED-ig bövithető. Én igy oldanám meg, hogy 50 LED elöre fusson a másik 50 kimenet meg visszafele fusson.
A honlapomon is találsz egy kapcsolást ezzel a témával, ott 6 LEDet hajt meg, 555-ös adja a vezérlő jelet, 4017-es IC vezérli a LEDeket.
A cím: http://www.tar.hu/frankye/elektro/frankyeelektronika4.htm feltettem a kapcsolási rajzot is, meg a NYÁKrajzot is, utóbbi 2oldalas, és pdf-ben van a mérettartás végett. Sok sikert az építéshez!
Én is a ujságost csináltam régen,5 darab szofita izzóval,tranyó meghajtással.Az mire kialudt folyamatosan hagyta el a fényét a tehetetlensége miatt.A kocsi elején volt,persze csak parkolás közbe ment.
En shift regiszterekkel csinaltam anno a TTL sorozatbol... ha jol emlekszem 74199-et hasznaltam. Ez 8-as shift regiszter jobbra-balra leptetheto parhuzamos beirassal. En 2 ilyenbol csinaltam 16 hosszu futofenyt, plusz 1-2 ttl kapu kellett, hogy legyen hozza egy oszci, az osszes egjen, egy pont menjen, tobb pont menjen, sotet pont menjen, stb...
Egy nagy elonye van a shift regiszteres kapcsolasnak a szamlaloval stb szemben. Korlatlanul bovitheto! Soros be/kimenet osszekotve a mellett levo ki/bemenetevel oszt akarhany biteset lehet csinalni belole....
Hat most eppen nem tudok fejbol, mert vagy 20 eve csinaltam utoljara ilyet
es most eppen kulfoldon melozom 1-2 napig... jovo hetre osszeutok valamit...Egyebkent egyszeru: egy darab fenypont mozgatasa az alap ketiranyba. Ehhez parhuzamos beiro bemenetek foldre kotve, kiveve a 0. bitet, az tapra van kotve. Az N darab shiftregiszter sorba kotve (n-1. regiszter soros kimenete az n. regiszter soros bemenetere es viszont), 2 db nand vagy nor kapubol astabil multi a kivant leptetesi frekihez, reset aramkor RC tagbol a regiszterek parhuzamos beiro bemenetere, iranyvezerles egy 2 db nand vagy nor kapubol allo rs flipflop egyik kimenete, iranyvezerles ket bemenete (rs flipflop ket bemenete) a regiszterlanc ketoldali soros kimenetere kotve. Oszt ennyi. Az rs flipflop-pal kell jatszani, hogy jol mukodjon az iranyvezerles valtas, amikor az egyik iranyban "kilep a fenypont" a regiszterlancbol....szoval hulla egyszeru, elvileg 1 nand vagy nor kapu ic (4db ketbemenetes) plusz N darab regiszter ic az N * 8 fenyponthoz. Plusz 2-3 R es C elem. Lehet knight rideresiteni a he cikk alapjan.. (ellenallasok + tranyo temeto )
Na, én már ott elvesztettem a fonalat, h
Idézet: „...Az N darab shiftregiszter sorba kotve (n-1. regiszter soros kimenete az n. regiszter soros bemenetere es viszont),...” ![]() Szóval ez jobb lesz rajzban!
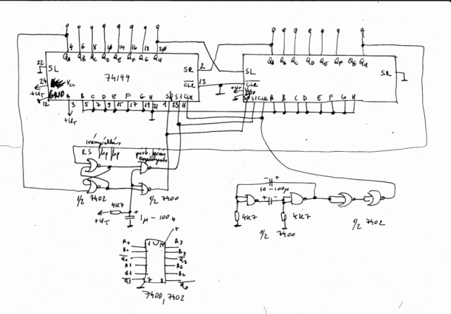
No rajzoltam valamit a shiftregiszteres futofenyre...
Ronda mint a bun, de talan lehet latni....
A lenyeg: Az 1. shiftregiszter SL baloldali soros bemenete foldon van, SR jobboldali soros bemenete a 2. shiftregiszter Qa kimenetere van kotve. A 2. shiftregiszter SL baloldali soros bemenete az 1. shiftregiszter Qh kimenetere van kotve, SR jobboldali soros bemenete pedig foldre van kotve. Tehat a ket shiftregiszter kivulrol nem leptet be adatot, csak egymas kozott tud atlepni balra/jobbra az aktualis bit. Az 1. shiftregiszter A parhuzamos bemenete tapon van, az osszes tobbi parhuzamos bemenet meg a foldon. Tehat parhuzamos beiraskor az 1. shiftregiszter elso bitje 1 lesz, az osszes tobbi 0. Az iranyvaltasrol a NOR kapus RS flipflop gondoskodik, az utana kovetkezo NAND kapupar a parhuzamos beirast valositja meg. Ezt lehetne eppen egyszerusiteni diodas AND kapuval, es az S0 S1 labakra meno jelek felcserelesevel, valamint a reset aramkor RC tagjanak felcserelesevel (C a tapra, R a foldre), de egy ic helyett 4 dioda es 2 ellenallas kene - nem tul sok nyereseg helyben. Aztan van meg a rajzon egy astabil multi orajel generalasnak 2 NAND kapubol, a 2 NOR kapubol krealt inverter orajellevalasztast vegez, elvileg el is hagyhatoak, csak akkor az osszes nem hasznalt bemenetet kossuk foldre. Tovabbi fejlesztesi lehetosegek: Ne egy bit vandoroljon - az RS flipflop bemenetere diodas AND kapuval hozunk ossze tobb bitet, illetve a parhuzamos beirashoz tobb parhuzamos bemenet van tapra teve. Ne fenypont, hanem sotet pont vandoroljon - Minden parhuzamos bemenetet forditva kotunk be (tap - gnd), es az RS flipflop bemeneten invertaljuk a jelet, vagy NAND RS flipflopot hasznalunk. A fenypontok szama novekedjen/csokkenjen lepteteskor - a ket foldre kotott soros bemenetet vezereljuk egy masodik RS flipfloppal, stb. Remelem, nem rajzoltam el semmit, bocs a hevenyeszett abraert... es jo szorakozast!
Egyebkent kozben eszembe jutott meg egy egyszeru futofeny megvalositasi lehetoseg. Egy szamlalo szamol felfele, a kimenetei egy epromot cimeznek, amiben benne van, hogy hol legyen fenypont... az eprom egyik kimeneti adatbitje gondoskodhat pld a szamlalo reseteleserol. Boviteni tobb kimenetre kicsit korulmenyesebb, mert kell egy masodik johnson szamlalo vagy binaris szamlalo+demultiplexer az epromok CS labanak vezerlesere.
Aha! Na, ez nagyon kiváló, már csak 1 kérdésem van:
A LEDeket ugyebár a rajz felső részén, a Qn kivezetésekre kell kötni? (Ha nagy hülyeséget írtam, akkor sorry!)
Talalt! Ugyanide lehet varazsolni a hobbielektronikaban megjelent knight rideres futofenyt megvalosito tranzisztor es ellenallas temetot.
OK, köszi a segítséget! Asszem megrajzolom vmilyen ák. tervezőben, és a többit +látjuk!
Egyebkent meg egy gondolat. Ha sok leptetoregisztert akarsz hasznalni, akkor az S0,S1,CLK bemeneteket nem art nagyobb arammal meghajtani. Egy ttl kimenet elvileg 10 ttl bemenetet kepes meghajtani, szoval maximum 80 ledig bovitheto. Ha megcsereled az orajelgeneralo reszben a kapuk tipusat (astabil multi lesz NOR kapukbol es orajellevalaszto lesz NAND kapukbol) akkor csak a NAND kapuk IC-jet kell nagy kimeneti aramura valasztani. Esetleg lehet kiserletezni a cmos megvalositassal. (HCT)
Hümm-hümm! Nem is rossz gondolat! 80 LEDes futófény!!! :finom:
Már csak a hozzá való 80 LED-et kell kisajtolni a vishay-ból! |
Bejelentkezés
Hirdetés |






