Fórum témák
» Több friss téma |
- Ez a felület kizárólag, az elektronikában kezdők kérdéseinek van fenntartva és nem elfelejtve, hogy hobbielektronika a fórumunk!
- Ami tehát azt jelenti, hogy a nagymama bevásárlását nem itt beszéljük meg, ill. ez nem üzenőfal! - Kerülendő az olyan kérdés, amit egy másik meglévő (több mint 17000 van), témában kellene kitárgyalni! - És végül büntetés terhe mellett kerülendő az MSN és egyéb szleng, a magyar helyesírás mellőzése, beleértve a mondateleji nagybetűket is!
Na itt van a herkentyű Bővebben: Link nem lehet hogy ebben gyárilag nincs benne valami? Bővebben: Link úgy értem ami szabályozza a fordulatot. ???
Sziasztok!
Az ilyen szigetelt kábelsarukat hogyan kell felszerelni/forrasztani? A szigetelő műanyagtól nemigen lehet összenyomni, meg forrasztani sem. Help! Köszi
Krimpelőszerszámmal tudod "összenyomni", bármilyen hihetetlen is.
Szia!
Venned kell egy krimpelőfogót a kábelsaruk szereléséhez. Bővebben: Link
Szia!
Nem, mert a BD449 jóval kisebb teljesítményű, mint a BD250.
Sziasztok!
Segítségeteket kérném abban, hogy tud - e valaki egy áramút-rajz készítő programot, amivel kisebb nagyobb gépek vezérlésének a kapcsolási rajzát szokták elkészíteni. Előre is köszönöm! Üdv! :help:
ok! A piros-kék színnel jelölt kőr, ugye vezeték akar lenni?
A tranzisztoros rész egy rezgő kőr? Üdv.
Üdv!
Újabb kérdésem lenne:Már felvetettem korábban,hogy hogyan lehetne a tápellátást megoldani ennél a műszernél és arra jutottunk,hogy Zenerekkel a legegyszerűbb.Készítettem egy kis rajzot és szeretném,ha megírnátok,jó-e így. Köszönettel:Máté U.I.:Szerintem a tápfesz fordítva kell...
Hali
Esetleg meg kellene keresni a muszer kapcs rajzat, es utana lehetne mondani iteletet. Vegulis nem ertem miert kell ehhez tapegyseg, mert gondolom az elemeket csak ellenallasmereshez hasznal, es egy garnitura elem kibir egy evet. Udv Vili
Hali!
Igen,csakhogy nincs megfelelő méretű orosz elemem és írták,hogy Zenerel USB-ről megoldható.Ezért kérdezem,hogy jó-e a rajz.Kapcsolási rajzól meg lövésem nincs,az oroszok értettek a dzsumbuj szereléshez(de még máig működik!).
Húha!
Ez a rajz nagyon zűrös! Ha a két dióda egyforma miért lenne az egyiken kevesebb a feszültség? A két elemnek közös a műszerben az egyik kivezetésük? Egyébkényt egyetértek az előttem szólóval: Így elveszted a készülék mobilitását. Mi a készülék típusszáma?
Szerintem ez a rajza.
Hali
Azert nem annyira bonyolult ez a muszer hogy ne lehessen visszrajzolni. Akkor esetleg meg lehetne mondani milyen tapegyseg kellene. A kapcsolasi rajzod biztos hasznalhatatlan. Udv Vili
Köszönöm a válaszokat! Akkor sorban:
lapose:nem feltétlenül a mobilitásra hajlok,hanem,hogy működjön.A kapcsolási rajzot pedig nem szükséges visszarajzloni,ugyanis a mellékelt PDF-ebn a felső az. vilmosd:köszönöm,legalább tudom,hogy amit csináltam(volna) az rossz.Tudna esetleg valaki egy másik rajzot mostmár a kapcsolási rajz birtokában? Máté.
Hali!
A laposelem bele is megy szuperül,csupán a 1,5V-ossal vannak bajaim,mivel kicsit kisebb a kelleténél(akkor forrasszam?) illetve azt írja a kapcsolási rajz,hogy 2db kell bele.(Ugye az AA-s ról beszélünk?) Máté.
Hali
Ennek ket fuggetlen tap kellene. Egy 3 voltos es egy 4.5 voltos, de szerintem inkabb meg kellene nezni, hogy a teleptartoba hogyan lehetne belerakni 2 AA elemet, mert ugy latom a 4.5 voltos az sima laposelem. Esetleg beforrasztani egy tartot a 3 voltos lithium gombelemnek, es meg van oldva az egesz. Amugy az elemeket csak ellenallasmeresre hasznalja. Udv Vili
Tényleg,a gombelem!
Ha az is elég neki,akkor veszek elemtartót hétfőn!
Nem biztos, hogy 3V-os elem kell bele. Legalábbis a te műszered 1.5V-ra volt kötve a kép szerint. Ha korrektül működik 1.5v-os elemmel, szerintem hagyd úgy(az oroszok elég sokat variáltak). Az elemtartón lehet segíteni egy rugó beforrasztásával, pl. egy másik elemtartóból, vagy akár két vezeték segítségével be is forraszthatod.
Sziasztok!
Ha van nekem két azonos típusú(125VA) nem középkivezetéses trafóm amit ha így kötök akkor az megfog egyezni egy 250VA középkivezetéses trafóval?
Szia!
Igen, csak vigyázz a két szekunder összekötésével: Akkor jó, ha a két szélen a szekunder feszültség kétszeresét méred.
[OFF]Igen kreatívan sikerült megoldani a problémát némi forrasztóón és egy radírgumi segítségével.1,5V-al is működik,köszönöm a segítséget.
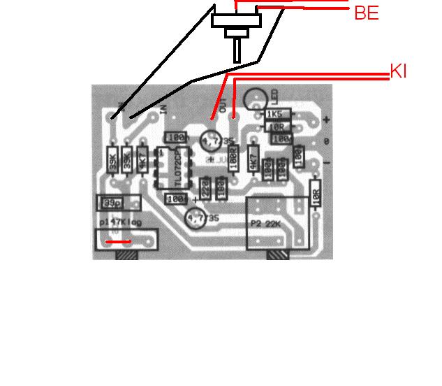
Hello.Megépítettel egy aktív hangváltót.A stereo potit 2 sima potival váltottam fel.Viszint ven egy 49K poti mi a bementenél van.Ha azt a mellékelt rajzon mutatott módon átkötöm és egy másik az erősítőmnél már meglevő potival helyettesítem az így jó lesz?
|
Bejelentkezés
Hirdetés |





Ha az is elég neki,akkor veszek elemtartót hétfőn! 






