Fórum témák
» Több friss téma |
- Ez a felület kizárólag, az elektronikában kezdők kérdéseinek van fenntartva és nem elfelejtve, hogy hobbielektronika a fórumunk!
- Ami tehát azt jelenti, hogy a nagymama bevásárlását nem itt beszéljük meg, ill. ez nem üzenőfal! - Kerülendő az olyan kérdés, amit egy másik meglévő (több mint 17000 van), témában kellene kitárgyalni! - És végül büntetés terhe mellett kerülendő az MSN és egyéb szleng, a magyar helyesírás mellőzése, beleértve a mondateleji nagybetűket is!
Jahh nem félreértettél bocsi ha tévesen fogalmaztam!
Azért mert kb 3 napja vettem bele patront de ha ezt tudom akkor inkább nem tettem volna! De kendre256-nak is igaza van mert már tényleg csak vasalni kellett volna és az utána következő műveletek! Még1x bocsi a téves fogalmazásért!
Értem.
Az ilyen helyzetek tényleg idegesítőek tudnak lenni. Viszont azt még megteheted, hogy kinyomtatod sima papírra, aztán valahol lefénymásolod. Állítólag jó ez is (az is lézer technológián alapul), de nekem nem vált be, szétterültek a vonalak, pedig csak a kis vasaló súlya nyomta a papírt a panelre.
Helló!
Hallom problémáid vannak a nyák elkészítésével. Vegyél HP-s fotópapírt Q2552A típusút lézernyomtatóba majd a kinyomtatott mintát vidd el egy fénymásolóhoz és fénymásoltasd rá a mintát a HP-s fotópapírra. Hazamész de közben vigyázz hogy a minta meg ne törjön és ne tapogasd végig a lapot mert akkor nem fog sikerülni a vasalás. Otthon jól letisztítod a nyáklapot majd a mintát ráhelyezed a nyáklapra és mehet a vasalás. Amikor a lap teteje egy kicsit megbarnul fejezd be a vasalást és várd meg míg kihűl a panel. Vízben áztasd le a papírt és készen is vagy a panel vasalásával. A vasaló olyan 180-200 fokos legyen. Nekem elsőre sikerült a vasalás és a 0,5mm-es vonalak is tökéletesre sikerültek. Remélem neked is sikerülni fog. Üdv. edison14
Sziasztok kérdésem lenne emiatt nemszerettemvolna új témát nyitni...
lenne egy elosztóm amit falban kellene vezetni kb 2m ig ezen az elosztón lenne egy mosogatóbép,egy mikrosütő és egy gáztűzhely elektromos gyújtása lenne bekötve az a kérdésem hogy kb mekkora biztosítékot tegyek be igazából csak a mosogatógép miatt kellene 2200w-os éshogy a 3as elosztóhoz a falban milyen vastagságú vezeték mennyen? a többit megtudom oldani köszönömszépen előre is a válaszokat
Üdv
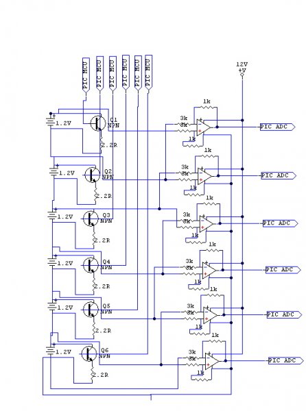
Itt a kapcsolási rajz. Ez egy Akkumulátor pack balancer lenne. Az akku pack celláit süti ki egy beállított feszültségig. A feszültséget egy LM324N erősítő erősíti 3x-ra és PIC méri. A kisütést gondoltam tranzisztoron keresztül lehetne megoldani, de valamiért ahogy haladunk felfele az akkupack celláin a legfölsőn már csak 0.03 A halad át, ami egy 4000mAh-s akkupacknál elég lassú kisütést jelent. Ha kiveszem az ellenállásokat, akkor is csak 0.04-0.05A az átmenő áram. A legalsó cellán 0.3A, ami kb jó is lenne, de a legfölsőnél ez már kevésbé jó. Mi lehet a gond a tranzisztorral? Gondoltam rá, hogy relével kellene megoldani, de az drága és nagy. Köszi
Mi a különbség az előerősítő és a végfokozat között?A kett őt egymás után kell kötni?Külön külön is működnek?Köszi.
Hi!
Adott egy füstgép, amiben a gyári szivattyú tönkrement. Helyette egy 2w-os propelleres vízszivattyűt kötöttem be. Ez szép is szívja rendesen a folyadékot. Viszont ha befűt a gép a víz nem jut el a kazánba...Sőt ha leveszem a tartályt még vissza a csőbe fújja a vízet...Ennek mi lehet az oka ? hogyan lehet javítani ?
Helló. Az előerősítőt általában mikrofonoknál és gitároknál szokták használni a végfok előtt. Az előerősítőnek az a feladata hogy a kis szintű (Line out) jelet felerősíti a végfok számára. Továbbá az előerősítőn szokott még lenni a hangerőszabályzás, hangszínszabályzás (mély/magas). Az előerősítő jelerősítése elég kicsi, a végfoknak szükséges 775mV nagyságúra erősíti a jelet. A végfok pedig az előerősítőről érkező jelet erősíti fel a hangszórókra. Végfoktól függően ez az erősítés lehet alacsony (1-2W) vagy magas(több 100W). A végfokok osztályzására most nem akarok kitérni. Az előerősítőt ha jól tudom lehet használni fülhallgató erősítőnek is (de ebben nem vagyok biztos). Egy jó erősítőben általában nagy szerepe van az előerősítőnek is, ezért ajánlott tenni a végfok elé. Remélem érthetően fogalmaztam, és bocs ha egy kicsit hosszú lett
Értem tehát az előerősítő nélkül is működik a dolog max nem olyan jól.szeretnék egy egyszerű néhány 10 w os mono erősítőt csinálni még elég kezdő vagyok tudzs ajánlani valamit?
Nyákot tudok készíteni csak egy olyan kéne amihez minen rajz stb megvan.
Ebben a csomagban bent van minden. Kész NyÁK, beültetési rajz, kapcsolási rajz az összes alkatrésszel együtt. Nem is drága, első erősítőnek jó. Egy próbát megér.
Ha tusz valami olyat mint az általad belnkeltnek a fele azaz mono az lenne a legjobb.
Találtam egyet: Link Szerintem megfelel a kérésednek
üdv!
Hát ha nem sikerül lézernyomtatót szereznem akkor mindenképp kipróbálom aztán vagy-vagy! Köszi szépen mindent edison14 neked is! Lacko12
Azért nem jó így, mert az alsó tranyó emittere még a test pont (gnd) közelében van, de a többi el van tolva +1,2V, meg még +1,2V, stb-vel. Így valóban minél fentebbi, annál kevésbé tudja kinyitni a pic 5V-ja. Tenni kéne egy szint-illesztő második tranyót a rajzon lévő, és a pic közé. Ha ez így kevés (nem világos), akkor rajzolok is majd.
Persze a + tranyó fázist fordít, amit a programban orvosolni kell.
Köszi.
Megpróbálom így. Akkor a programban csak annyit kell változtatni, hogy a Magas jel helyett az Alacsony jelenti a kisütés kezdetét.
üdv,
érdeklődnék van-e olyan kapcsoló, ami DC motor polaritás váltására alkalmas és párhuzamosítható, mégpedig szigorúan mechanikus. Lenne egy kis játék autó aminek az elejére és a hátuljára tennék ütközöt, és szeretném ha nekimegy elölről a falnak, akkor a DC motorra megváltozna a plusz minusz érték és a másik irányba menne tovább. Egyelőre amit kigondoltam az egy 2körös csúsztatós kapcsoló és hurkapálcát ragasztanék rá, így ugyanaz az egy kapcsoló nyomódna be ütközésnél, de igen macerás meg törékeny megoldás. Jó lenne ha 2 kapcsoló lehetne és úgy megoldható lenne. Elektrónika meg azért nem jöhet szóba mert rendkívül kis feszkó és áram van a kocsiban és nem lenne rá energia (egy max 0.45Voltos napelem hajtja a DC motort max 40mA árammal, nem volt egyszerű igyen kisfeszkós motort beszerezni sem, még félvezetőt sem használhatok mert nemmarad feszkó a motorra és nem nyitna) u.i. ha valakit érdekel ilyen a kisautó amire kapcsolót szerelnék és nagyobb kasznit.
Igen, ha ezt kérdésnek szántad.
Milyen tranyó a kisütő, mert az ellenállatokat ahhoz kell méretezni ? (béta az érdekes igazából, az adott munkapontban)
BC 337-40TA
Elég nagy a bétája, 500mA-t tud, tehát úgy méretezem az ellenállást.
Sziasztok!
Két kérdésem van. 1 az egyszerű ellenálások szines csíkjából hogy tudom meg az ellenálás értékét? 2 kerámiás kondenzátorokon a szám/ok ból ugyan az mint előbb.
Mit szólnál 2 db. ilyenhez, egy megfelelően kialakított tolórúddal kiegészítve? A mikrokapcsolókat párban kell felszerelni, a tolórúdba pedig egy megfelelő bemarást kell készíteni, amibe mindkét kapcsoló görgője egyszerre beleugrik.
Így
Csak válaszd ki fenn ami neked kell, mert ott van.
Két szót kellett volna csak a Google-ba írni…
Ellenállás színkódok. A kondiknál ugyanez van, csak ott számokkal írják rá (tehát az utolsó számjegy a szorzó).
sziasztok!
Segítségeteket kérném. A napokban rendelek egy lcd kijelzőt aminek adatlap szerint nincsen háttérvilágítása de én sötétben is használnám,mivel motor fordulatszámmérőnek szánom. a háttérvilágítást hogyan lehetne megoldani? az lcd mögé rakjak smd fehér ledeket vagy érdemesebb oldalról megvilágítani az lcd üvegjét? próbáltam egy lcd-t átvilágítan,de nem igazán jutott át rajta a fény. Ezért teszem fel a kérdést,hátha van valami okos ötlet tapasztalat valakinek. az lcd : http://www.hestore.hu/termek_10024642.html
Oldalról szokták megvilágítani.
Motorra nem ajánlott az LCD kijelző, mert a folyamatos napsütéstől befeketedik.
Köszönöm a gyors választ. Oldalról fogom megvilágítani.
Az adatlap szerint azt hiszem 70 Fok ami megengedett neki. És a kerékpár óra is lcd. icl 7106-al akarom meghajtani,még nem dolgoztam ilyennel csak a tesójával az icl 7107-el.de ledeset azért nem akarok mert a másik motoromra anno ledes fordulatszámmérőt csináltam és az az eredmény hogy tökéletes de ha rásüt a nap nem látszik.vagyis nagyon nehezen. |
Bejelentkezés
Hirdetés |











