Fórum témák
» Több friss téma |
Fórum » Csöves erősítő készítése
Ne feledd betartani a fórum viselkedési szabályait, és a topik megmaradásának feltételeit. [link]
A téma átmenetileg fagyasztva lett, hozzászólni nem tudsz!
A könyv jó, kisebb hibákkal.
Triódaként 400 V-ig birja. És mi van, ha évente 1.000 forintért végcsövet kell cserélni?
Minek bonyolítani az életet? Zenét kell hallgatni
Mint fentebb írtam, nem szólom le. A könyve egy hiánypótlás, mert sajnos a hazai szakembereket nem hozza lázba a HIFI. Vagy űrkutatással foglalkoznak (és igazuk van) vagy féltve őrzik kis titkaikat.
Nagy bölcsesség
Deszkán érdemes kísérletezni. A dobozba már a legjobb hangot produkáló verzió kerüljön, egyetlen bekapcsoló gombbal
Nagyon köszönöm az észrevételt , javaslatod is könnyen aplikálható , akár egy próba erejéig , de végleges megoldásnak is . Fojtó minőségével lehet problémám csak , szerintem ide minőségi vasra tekert lenne ideális.
Ja, aztán az ilyenek miatt fogy a cső.. Lehet, hogy nem nagy pénz, de akkor is fogy! Az is lehet, hogy sok van, de egy idő után így nem lesz sok! Nem azt mondom, hogy ne legyen belőle építve erősítő, de nem kell direkt ölni őket!
![]() 747938: Azt meg Ő döntse el, hogy mit épít bele. Most őszintén, Te örülnél, hogyha megmondanák, hogy mit kell az erősítődbe építeni?
A GU50 többet bír, mint gondolnád. Tartós 60 W-nál sem ízzik az anódja, triódaként 500 V-nál még semmi probléma nem jelentkezett.
Ultralineár SE-ben 15 W-nál kezdett vágni..(Ua=380V/Ia=110 mA/Ra=3K/Ug=-48V)
Lehet, hogy többet bír, én csak az évente csőcserére gondoltam. Nekem 5K Ra-val 1kHz-en, és 15kHz-en is 15,75W még szinusz formában jön ki. 415V anódfesz, 75mA katódáram.
Én is 400V tápról járatom és pentóda/ Ul módban a g2 is azt kapja , simán elviseli . Már közel 2 éve .
Próbára elvégeztem a szimulációt , fojtó adatait feltételezve adtam meg . DC ellenállását felhasználva munkapont beállításra is . Kivehető feszültségek azonosak az áramgenerátoros változattal , frekimenete és torzítása viszont rosszab , de erre számítottunk is .
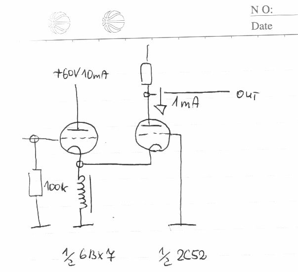
Üdv! Azért bátorkodtam azt a fojtós katódkört felemlíteni, mivel a saját DC csatolt 300B SE ampom eleje is tartalmaz katódköri fojtót... Nincs RkCk tag, az első cső földelt anódú üzeme miatt nem lép fel a Miller kapacitás, és az első cső kis anódfeszültsége révén rácsáram sem jelentkezik a teljes kivezérlés esetén sem
Sziasztok!
Elkezdtem építeni egy ECL86-tal működő SE erősítőt. Konkrétan az EAG AE-233-as erősítő trafókészlete van meg, (a hálózati nem biztos, hogy abból van) Ebből tudok per pillanat operálni. (Szerintem nem lesz jó hangja ennek a trafókészletnek, de ez a megrendelőm igénye, hogy ebből csináljuk.) A hálózati trafón van 1db 6,3V, és 2x295V. Az egyenirányítás egy EZ81-ről fog menni. Az volna a kérdésem Hozzátok, hogy az EZ81, és a 2db ECL86 fűtését is megoldhatom-e erről az 1db 6,3V-os tekercsről? Szerintetek nem fog áthúzni az EZ81 fűtőszála és a katódja?
A 6,3 voltos tekercsed milyen vastad huzallal van tekerve? Ettől függ elbírja -e a fűtéseket. Meg persze a tarfó teljesítményétől.
Triódaként, UL-be, vagy pentódaként? Utóbbi valószínű...
Átmérő 1mm-es huzallal van tekerve a 6,3V-os tekercs, a vas pedig M74-es típus, a vascsomag vastagsága pedig 40mm-es. Mi a véleményed a TK-233-as kimenőről? Milyen lehet a hangja? 1 db primerből, és 1 db szekunderből áll.
A huzal és a trafó alkalmasnak tűnik.
Nem ismerem ezeket a kimenőket, ha az illesztés jó, baj nem lehet.
Tehát akkor ráköthetem az EZ81 és az ECL86 fűtését is? Hát a kimenő szerintem nem egy oroszlán, mert M55 vason van, ECL 86-hoz készítette az EAG, csak a szekundere 16 Ohmos, és 1 réteg primer, és 1 réteg szekundere van. Az átvitele nem lesz valami fényes nem? Véleményed szerint mekkora, és milyen kimenő kellene az ECL 86-nak, ha azt szeretném, hogy jó minőségben, 25Hz-től már lineárisan szóljon?
Az 1mm-es huzal 2,1 Ampert tud, add össze a csövek fogyasztását és nézd meg bele fér-e.Ekkora csőnek elég ez a kis trafó, persze ha nagyobb lenne, az alsó határ frekit lehetne lentebb vinni.Legalább kellene egy 50-70 wattos vas. ,
Pacsiban is egy szekudnerről mentek az EZ 80 a többi csővel .. persze a katódot ilyenkor nem szabad a fűtéssel összekötni, és a foglalaton is jó el kell(ene) szigetelni ...
a Hálózatid nem eredeti, valószínűleg újratekert ! a vas az stimmelhet) Az eredeti adatai : vas M74, q=9,2 cm2 primer : 2x572 menet 0,35 CuZ Szecudner (anód) 2x1430 menet 0,19 CuZ fűtés 1: 35 menet 1 CuZ fűtés 2 : 35 menet CuZ Az AE110-ben is ez a hálózati, és "előszeretettel" ég(ett) le ... Kimenő : TK233 vas : M55, q=5,1 cm2, légrés=0,3 mm Primer : 2720 menet 0,14 CuZ Szecunder : 80 menet 0,75 CuZ ha rá tudnál még "húzni" vagy 35 menetet a hálózatira 0,8-1 mm-es huzalból külön az EZ-nek az jobb lenne !
A helyedben az EZ81-nek külön fűtőtekercset készitenék, ahogy "kocos" ajánlotta.
Ha jó hangú erősitőt akarsz kihozni az ECL86-ból, akkor egy SM65-tel már jó eredményt lehet elérni, feltéve ha megfelelően tekercseled meg kimenőnek. (Osztások: P:3, S:4 tekercsrészből álljon, 300V anódfesznél kb:5k Ra)
Pentódaként. SM102A kimenőkkel.
Akkor hozta a papírformát. Katalógus szerint 18 W ez elméleti, mínusz a trafó veszteség.
Hát elég csücskös lesz, mert az ECL86-nak 660mA-es fűtőárama van, az EZ81-nek pedig 1A. Ezt összeadva 2,32A jön ki.
Hát akkor itt is egy szekunderről fog menni a trafó, mint a pacsiban, mert már nincs nagyon hely, és csak olyan drótom van amit trafóból bontottam, aminek 0,6mm átmérője van. Lehet hogy újratekert már ez a trafó, mert nincs rajta a gyári címke. Remélem ez nem fog leégni, bár a fűtés már így is csücskös lesz ahogy utána számoltam.
Hát úgy volna az igazi, ha tudnék még tekerni rá egy kis derótot. Az a baj, hogy nincs túl sok hely a trafón szerintem nem fogom tudni rátekerni, mert nem látok át a csévetest és a vasmag közt, szóval nagyon tele van tekerve. Hát a kimenőt majd Fleta Mesterre bíznám, ha nem leszünk elégedettek ezzel a kimenővel. Persze ez attól is függ, hogy akinek készítem áldozna-e rá még annyit.
Helló!
Hónapok óta kínlódok az erősítőmhöz az előlappal, de nem tudom eldönteni, hogy hogyan kéne megcsinálni. 1.: Nem tudja valaki hogyan lehet alumíniumot házilag aranyszínűre eloxálni? 2.: Nem tudom hogyan vigyem fel a feliratokat... Találtam digitális nyomdát, ahol egy ezresért kinyomtatják átlátszó öntapadós fóliára, majd plusz egy réteggel laminálják a 65x6.5cm-es előlap grafikát, de lehet azért kicsi gagyi megoldás lenne... Gondolkozok még gravírozásban, de azt kb. 15-16ezererét csinálják meg, anyagköltséggel együtt. Nem tud valaki valami helyet ahol olcsóbban, vagy esetleg akár vitt alulemezre is gravíroznának? azért a legprofibb, időtálló megoldás mindenképp az lenne....
Tudom hogy az anyagiak nagyon be tudják határolni egy design milyenségét, de szerintem a hálózati trafón ne spórolj, inkább készits egy újat, ami kicsit túl van méretezve.(Én, ha mód van rá dupla terhelésre méretezek mindent)
A régi trafókkal az a gond hogy egyrészt 220V-ra készültek, és némelyiknél a 10-20V-tal magasabb hálózati feszültség már problémát okozhat, másrészt biztonságtechnikailag sem megfelelők.Gondolok itt az esetlegesen elöregedett szigetelésekre, valamint a primer/szekunder közti árnyékolás hiányára, ami lényeges.Ezek a dolgok fontosak, és megérik az esetleges pluszmunkát, többletköltséget. Kimenő ügyben azt tanácsolom: Először deszkamodellt készits, és ha azt mondod hogy az eredeti kimenő megfelel, mind teljesitményre, mint hangminőségre, akkor épitsd be véglegesen, ha nem akkor tekertess új kimenőket. Ezek a régi kis kimenők sem rosszak, főleg kezdésnek, de csodát ne várj tőlük.
A helyedben készítenék egy arra a vasmagra való csévetestet, és megtekerném saját számításaim szerint. Ha mégsem lenne úgy jó, még mindig vissza lehetne rakni az eredeti tekercseket.
|
Bejelentkezés
Hirdetés |


Deszkán érdemes kísérletezni. A dobozba már a legjobb hangot produkáló verzió kerüljön, egyetlen bekapcsoló gombbal








