Fórum témák
» Több friss téma |
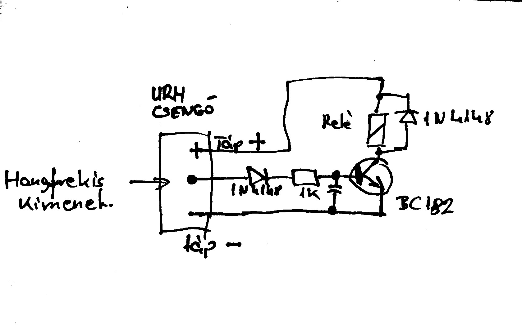
Bocsi lehagytam a rajzról, nem létfonosságú de dobjál valami diódát párhuzamosan a relével, nehogy kinyirja a tranyót
köszi
ird le légyszi, hogy mi az a Hf jel ? Valamint a vevő tápjának a + vagy a - ágára kell csatlakoztatni.a relét ? tranyó hová földel? rem. nem zaklatlak értetlenségemmel..
Hf jel= hangfrekvenciás jel
A vevő tápjának pozitív ágára kell tenni. A földelés a negatív pólus.
Szia. Bocsi a nagyon hevenyészett rajzért.
Küldök egy kicsit részletesebbet. Ez is kézirajz de már ki fogsz rajta igazodni. Nem zaklatsz vele ha kell segitek szivesen Nekem is lesznek nemsokára kérdéseim itt a fórumon sokaknak fog tőle égnek állni a haja ![]()
köszi
a hf kimenetnél melyik ágára kössem mert kettő van ![]() egyébként én fodrász vagyok bármilyen ezzel kapcsolatos kérdésben kompetens vagyok ![]()
Ezt igy fejből nem tudom nem hiszem hogy bajt csinálsz vele, próbáld ki mindkettőt amelyikkel müködik az jó
És fodrász vagy az jó én meg kopasz ![]() ![]() Úgyhogy nem lesz ebből üzlet ![]()
Helló. A minap vettem egy vezetéknélküli ajtócsengőt, de megszeretném csinálni hogy nagyobb legyen a hatótáva. Lehetséges ez?
Adón negyed hullámhossznak megfelelő hosszúságú antenna kell... Azon nem nagyon tudsz változtatni (max ha nem ilyen, teszel rá egy 17,3cm-es antennát)
A vevőnél lehet játszani nagyobb nyereségű antennával.
Hali!
Nem 100, de azthiszem oda, amit a rajzon pirossal jelöltem. Szerintem a sárgával jelölt furaton vezetheted be a vezetéket, és leforrasztod a pirossal jelölt helyre. De hangsúlyozom, nem 100%!
De ha kötök oda egy antennát, attol még nemigen lehet baja. ! tehát kipróbálom. Kössz az 5letet.
De ha valakinek nem ez a véleménye, az nyugodtan irja meg! :yes:
Ott valahol, ahol Titi mondja, de pontosítsd: Kapcsold be az adót, vidd olyan messzire ahol már nem működik, vagy árnyékold le pl. alufóliával. Majd az antennát érintsd a tekercs körüli pontokra, valahol érzékenyebbé válik a vevő, az lesz az antenna csati.
Na befóliáztam, és elég jól le tudtam mérni.
KÉKkel jelöltem azt a területet, ahol a legjobban vette a jelet. PIROSsal jelöltem azokat az alkatrészeket amelykek vették a jelet, de nem olyan ,,jól,, SÁRGÁval jelöltem azokat az alkatrészeket, amelyek a legjobban vették a jeleket.
Nemrég módosítottam egy vezeték nélküli csengőt.
Bővebben: Link Azon volt még egy erősítő fokozat, és oda csatlakozott az antenna. Abból kiindulva jelöltem meg neked a kérdéses részt. Szóval tapasztalataid után azt mondom, hogy oda kösd, ahová jelöltem. Üdv.
Nade mégis milyen antennát tegyek rá? miylen vastag, hosszú stb
Mivel az "adóról" semmit sem tudunk, ezért itt is kisérletezni kell, például úgy ahogyan azt már 5 h.sz.-sal ezelőtt leírtam. Fogj egy botantennát, tedd rá a "legjobb" pontra és változtasd annak hosszát. A vevőd megmutatja, mikor a legjobb.
Sajnos, igy csak a rezonáns hosszt tudjuk max. meghatározni, de az antenna impedanciája még korántsem lesz illesztve a kimenethez. Ehhez már műszer és szaktudás kell. Szóval, vannak még tartalékok egy ilyen ketyerében!
sziasztok arra szerintetek lehet e használni a vezeték nélüli csengőt hogy egy számítógépet bekapcsoljon tudom hogy meg lehet csinálni de valaki el tudja magyarázni hogy csináljam előre is köszi matt
![]()
Hali,
szerintem első lépésként ne tedd a vevőt a gépházba, mert ott aligha fog működni ![]() Ha a csengőn megvan a vezérelt kimenet, ami a dallamot játszó IC-t indítja, rákötheted egy tranzisztoros áramkörre, vagy valami kapura, a lényeg az, hogy meg tudjon húzni egy relét. Akár egy 555-ös időzítőt is betehetsz monostabil módban, hogy az előbb említett kimenet indítsa, elbír 200 mA-t, és mondjuk egy másodpercig meghúzza a relét. A relén legyen egy meghúzáskor záródó érintkező (NO szokott lenni a jelölése), és beviszed az érintkezők kivezetéseit a gépházba, párhuzamosan kötve a saját bekapcsoló-gombjával. Esetleg még egy 10 nF-os kondi mehet párhuzamosan az érintkezők kivezetéseivel, a prell miatt. Mielőtt azonban bekötöd a két vezetéket a gépbe, kikapcs, és teljes áramtalanítás (konnektorból ki) !!!
Holnap reggel megírom, csinálok egy mórickaábrát is, és ideteszem.
A topic legelső oldalán van egy link egy ilyen csengőhöz, az alapján nagyon egyszerű. A vevő ad egy jelet, ha detektálta az adót, a rajzon ez az SR5272-L4 OUT lába. A JS-913 játssza majd le a hangot, valószínűleg (nem néztem utána) akkor, amikor 0-ra húzzuk a 6, 7, vagy 8-as vonalát, ezért lehet köztük az inverter. A lényeg az, hogy a meglévő csengőn meg kell keresni ugyanezt a vezérlő ágat, a hangszórót meghajtó áramkör ki is jöhet a helyéről, és a helyére kell tenni egy olyan áramkör vezérlő bemenetét, ami majd a számítógép bekapcsológombját elektronikusan áthidalja. Csak példaként itt egy kapcsolás időzítővel, a rajzi értékekkel 1.1 mp-ig meghúzza a relét egy lefutó jelt követően, a relé érintkezőit meg rá kell kötni a gomb érintkezőire. Persze, tetszés szerint más áramkör is szóba jöhet, csak lényeg, hogy ne a vevő IC kimenetével kapcsoljunk közvetlenül, meglegyen valamennyi tartás (ami itt kb. 1 mp), meg utána "el is engedjük a gombot", ahogy kézi bekapcsoláskor szokás.
Ha valaki bátor, az alaplapról a gombra menő két vezetékből egyik a test, a másikat oda kell húzni, szóval akár egy invertált kimenet közvetlenül is indíthatná a gépet, csak én nem szeretek ilyet direktben az alaplapra tenni.
Megépítettem ezt a kapcsolást (dugipanelen), de nem akar működni. A didóda két végpontján állandóan 4,4V-ot mérek.
Mit rontok el ![]() Már legalább négyszer átnéztem, hogy jól raktam-e össze.
Annak a kapcsolásnak működnie kellene.
És mekkora feszültség van az ic 3-as lábán a földhöz képest, a gomb megnyomása után rögtön, és a tervezett időzítés lejártja után?
Ha jobban belegondolok, a timer logikai 0 szintje nem 0 V, hanem magasabb... erről elfeledkeztem
![]() Ha a relét kapcsoló tranzisztor bázisa és a test közé beteszel még egy ellenállást (1 kOhm-osat), akkor is lezár a tranzisztor, ha alacsony kimenetnél 2 V van, magasnál pedig vígan kinyit. Persze, attól függően, mekkora a reléd soros ellenállása, a mondott 1 kOhm valamivel változhat.
A csengő még nincs meg hozzá, egyenlőre csak tesztelgetem a relét.
A 3-as lábon 0V van mind két esetben.
Tehát akkor tegyek be egy 1k-s ellenállást a bázis és a föld közé?
Ha relé soros ellenállásán azt érted hogy mérjem meg a behúzótekercs ellenállását, akkor az 137 Ohm |
Bejelentkezés
Hirdetés |