Fórum témák
» Több friss téma |
Fórum » Labortápegység készítése
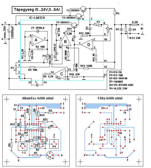
Miért mászna el a fesz? A hibaerősítő a kimeneten lévő osztóról kapja az egyik értéket, a másikat pedig a 10V-os refről.
Nézd meg, hogy az Alkotó féle tápon is a sönt után vannak a leágazások (LED, ref fesz osztója(poti)),....
Azért mert a referencia földje, és a kimeneti feszosztó földje nem egy ! Ugyanis közte van a sönt..
De próbáld ki a deszkán, és számolj be a fejleményekről! Idézet: „Nézd meg, hogy az Alkotó féle tápon is a sönt után vannak a leágazások (LED, ref fesz osztója(poti)),....” Igazad van ! Valamiért ez nem tűnt fel nekem ! Megvallom én nem építettem meg a Pio féle tápot. Az én verziómban a pozitív tápágban (az áteresztő tranyók után) van a sönt. Azt viszont kifejezetten érdekesnek tartom hogy senki nem figyelt fel még fel arra, hogy terheletlenül is mérhető áramok folynak a söntön ! (nekem külön kihívás volt, hogy 0,5mA alatt legyen a kimenet üresjárati terhelése, hogy ne zavarja a műszert) Most dolgozok a Pioneer féle rajzon...
No ugye!
Egyébként a fesz. elmászással igazad van, de annyi a megoldás, hogy a ref. földjét is a sönt után kell rakni. Igaz, így átmegy a söntön is, de ez csak 1 mA (10V/10k Ohm), amit lehet korrigálni.
4 szem többet lát, ennyi !
Jó úton jársz, de a helyzet kicsit bonyolultabb, mert annál azért több dolgot kell hagynunk a sönt előtt. Lsd melléklet Majd ellenőrizd ezt is deszkán! Mivel neked elégé alacsony a tápfesz, lehetne a pozitív ágban is a sönt, és mentes volna a cucc minden nyavalyától.
Ha jól látom, akkor ez annyiban különbözik a 2.7.1-es verziótól, hogy a LED és vezérlése, az IC tápja a sönt elé került. A fesz. vezérlő is átkerült a másik oldalra, de ez lehet, hogy ugyanazt a problémát adja, amit korábban Te is írtál, azaz a terheléstől függően változni fog a fesz., mert az R22 földjének feszültsége csökken a terhelés hatására. Elhagytad a 10K-t és az egyik diódát a kimenetről. Ez akkor gond, ha terhelés nélkül kapcsolod ki a tápot, mert a puffer kondi miatt sokáig megmarad a fesz. mert nincs ami kisüsse.
Ez inkább csak 2.7.2-es verzió, de lehet, hogy hibás a fentiek miatt. A pozitív ágba a sönt problémásabb, mert az LM324 csak a negatív irányban tudja elérni a tápfeszt, pozitív irányban csak 1,5V-tal kevesebbet enged meg. Bár az általam próbált táp elődje pozitív ágbeli sönttel van megoldva.
Ráadásul a D komparátor mindkét bemenete 34V felett van, holott 32V a max. az IC-nél. Ezt nem értem.
Hogy az R22 hova van kötve az mindegy mert a hibajel erősítő kompenzál. (nem ez adja a fő visszacsatolást)
A diódák csak védenek, az R10-et meg bőven helyettesíti a R12-R22 , tehát tök felesleges. Az a 1.5 volt simán esik az áteresztő tranyókon, tehát ez sem gond. Emellett én más trükköt is alkalmaztam a saját deszkamodellembe, melynek köszönhetően akár 45 volt is lehet söntön, persze az LM csak 29 voltot kapott (és volt 5 volt negatív segédtáp is) Amit te mutattál abból indult az egész fejlesztés. Idézet: „Ráadásul a D komparátor mindkét bemenete 34V felett van, holott 32V a max. az IC-nél. Ezt nem értem.” Úgy kell beállítani hogy max 24 volt lehessen a kimeneten (nem véletlenül van az odaírva) és nem léped át a határadatokat...
Értem.
Ettől függetlenül maradok az eredeti tervemnél (sönt a negatív ágban és negatív táp nélkül), de kiegészítem a megbeszéltekkel: a túláramjelző részt a sönt elé teszem, a többi (referencia és fesz osztó) marad a sönt után. Berakom az 1-1 diódát a bemenetre és a végtranyóra. A két 1nF-os kondi az OPA visszacsatoló ágában gerjedés ellen van? Mert akkor még az is kell. A söntön folyó fölösleget, ha zavaró (szerintem 1-2 mA lesz csak), akkor majd kompenzálom. Az Alkotó félében a kimeneten lévő 2x1K viszont sok áramot küldene a söntre. Idézet: „Mivel neked elégé alacsony a tápfesz, lehetne a pozitív ágban is a sönt, és mentes volna a cucc minden nyavalyától.” Milyen nyavalyákra gondoltál a zeneres IC tápot leszámítva? A különböző földpontokra?
Szia!
Amit meg akarsz építeni kapcsolás, annak egyetlen hibája van csak: nincs áramgenerátoros üzemmódja. Ezt a kapcsolást javítottam ki a 2.7.1 -es verzióban. Ha jobban megfigyelitek, az én kapcsolásomban nem csak az az R22 van a sönt után kötve, hanem minden egyéb más is ami a GND-n van. Üdv: Pioneer
Mármint ennek nincs áramgenerátoros üzemmódja?
Mert szerintem van, mivel próbapanelon összeraktam.
O.. elnézést!
Rossz kapcsolást néztem. Valóban van áramgenerátoros üzemmódja. A hibája csak egy van, max kb. 27V-ot lehet belőle kihozni.
Helló.
Nem tudnád megmondani mit kell változtatni a 2.7.1-ben ahhoz, hogy 25V legyen a kimenet? (Mire kell változtatni az R2, R3, R10, R12 és R22 ellenállásokat?) Még egy kérdés, hogy finom beállításhoz szükséges egy 1K poti vagy felesleges? Mennyire lehet könnyen beállítani a feszt és az áramot, mert akkor a dobozt úgy csinálnám. Előre is kösz.
25V lesz a kimenet, ha nem tekered fel annyira a fesz.állító potit
A finomállítást anno én is kihagytam, de megbántam. Bizony 0-30V átfogás egy potméterrel nehéz. Elég dúrván állította. 0-3A esetén már belefér a sima potméter. Mivel nekem már nem volt lehetőségem plussz potit betenni, így helipotra cseréltem mindkettőt, így szépen szabályozható. Ezirányban ajánlom a vaterát. Anno ott vettem 2db-t 1000Ft/db áron. Szinte ingyen volt.
Értem én csak ha nekem a bemenő fesz kevesebb akkor nem tudom mi lesz a kimeneti fesz. A finombeállítást akkor én beteszem, de gondolom nekem akkor jó lesz egy sima 1K poti a 10K mellé. Vagy célszerűbb helipotit tenni? (1600/db az HE-n is nem olyan túl drága. Hát nem nagyon tudom melyik megoldás lenne jobb, a sima 10K és 1K még így is olcsóbb.)
hm, ugyanilyet vettem én is
Akkor még nem volt a HE-n, de úgy látom nem is baj. A forgatógombbal együtt máshol is aranyárban mérték (Bővebben: Link) Anno ugyanilyen forgatógombbal együtt sikerült vennem.Ha simát teszel rá nyílván olcsóbban kijön. Szerintem kényelmesebb 1 helipot, mint kettőt tekergetni. De ez szokás dolga
Ha a storéról akarsz rendelni, akkor a 10kohm -os pótméter helyett, 10 kohm -os sztereó pótméter
és egy monó 1Kohm -os pótméter. Ha, nagyon finom állítást akarsz, akkor a 1k helyett akár 25ohm -ost is használhatsz. Esetleges bekötés alul. Árba messze elmarad még így is ( sztereó + monó ) a többfordulatúnál. És ha gyorsan kell a feszültséget változtatni, akkor a 270° az könnyebben megy, mint a3600° üdv.
3600°?
Szerencsésebb lenne tíz fordulatot írni
"Szerintem kényelmesebb 1 helipot, mint kettőt tekergetni."
Én épp az ellenkezőjét akartam javasolni, hogy ne kelljen a két végkitérés között félórát tekergetni. C27: Mindenképp rakjál finom állítási lehetőséget. Pl én most Proli007 NiMh akkumerítőjével kísérletezek (1.2V feltöltve, 1V lemerítve) és itt az 0.01 Volt finomságú beállítási lehetőség nagyon jól jön. A durva potival kb 0.2-0.3 V lépésekben lehet állítani, ha 25-30V körül van végkitérésben. Ahogy korábban írtam én is hasonló körülmények között építettem tápot (nem ezt a típust), ami 30V-ra lett kitalálva, de pár Volttal kisebb trafóm volt hozzá. Nem változtattam lényegében semmit, kivéve az áram beállításban egy ellenállást növeltem meg annyival, hogy utána az áramállító poti végkitérésben a 3A helyett 2A körül szabályozzon. Mivel a trafóm gyengébb, mint amire az áramkört tervezték ezért függ a kivett áramtól a max feszültség. Legrosszabb eset 2A, kb 17V. Megtehettem volna, hogy a beállítható feszültséget erre korlátozom, de inkább hagytam az eredeti paraméterekkel és így üresjáraton, ill kis áramnál 25-26V-ig is eljuthat. A 2.7.1-ben a feszültség poti felett ott van egy 5K-s trimmer, ha jól gondolom azzal lehet belőni, hogy a végkitérés a max feszültséget adja. Talán nagyobbat is be lehet oda tenni (6.8-10K) ha az nem lenne elég. Szerk: Én is így csináltam, ahogy Fongab javasolta, mert így mind a finom, mind a durva lineárisan szabályoz, függetlenül a másik poti állásától. Ha van helyed akkor szerintem az áramot is így csináld meg, ki tudja mikor jön jól.
Hm, igazatok van. Így jobban belegondolva durva+finom potival valóban hamarabb célba ér az ember
![]() Mondjuk én már megszoktam, hogy helipot adott számánál mennyi a fesz/áram meg úgy a tekergetést is
Az nem világos miért nem jó két sima mono egy 10K és egy 1K? Miért jobb a sztereo? (Igaz én már vettem 10K monot, de ha meg tudsz győzni akkor sztereo lesz belőle.)
Mert nem ellenállást kell állítani, hanem feszültségosztást, így a finom állítás mértéke függ attól, hol áll a durva poti. Ezért a finom állítás hol 2 voltot fog át, hol tized voltokat. Elég zavaró és nem is tudod beskálázni emiatt a finom potit.
Én is variáltam rajta, de végül az előbb említett kapcsolás szerint oldom meg. A 10k-ra 500 Ohm-os potit rakok és akkor kb 1V-ot tudok állítani a finommal, ami már elég pontos beállítást tesz lehetővé.
Azt értem, de a 2.7.1-nél eleve 3,5digites a kijelzést tehát 0.1V-onként lehet állítani. Gondolom inkább az áramnál lenne célszerűbb mivel nekem 4A-es lesz ott már 0.01A-ként lehetne állítani. Azt is akkor azzal a bekötéssel kéne megoldani ugye? (Hát kicsit elkéstem a kérdéssel mert már vettem 4db 10K potit így vehetek úgyabb 4-et, de most már sztereot elég sok poti kell a dupla táphoz.)
A karakterisztika, LINeáris, LOGaritmikus benne van a nevében.
Neked most LIN kell.
A gyártó nagyon idióta jelölést talált ki, mert a lin-t jelöli B-nek, a log-ot A-nak.
![]() A HEStore-nál majdnem mellényúltam.
"Azt értem, de a 2.7.1-nél eleve 3,5digites a kijelzést tehát 0.1V-onként lehet állítani."
Szerintem ne abból indulj ki, hogy a beépített műszer milyen felbontással mutatja a feszültséget, hiszen később kiegészítheted méréshatár váltással és akkor már 0.01 V-ot is mérhet, vagy külső műszerrel is mérhetsz amikor jobb felbontás kell.
szia.
Nagyon győzködni nem akarlak. Egy megoldást kínáltam. Ezzel egy feszültség osztót tudsz finomítani. ( két, pótméterrel állítani ) Nem, két 10 K ohm os mono pótméter, + 1K ohm os pótméterről van szó. egy 10K ohm os sztereo +1 K ohm os mono pótméterről, rajzoltam. Lehet, hogy a rajzon nem egészen látni, de a írásba utaltam a sztereo pótméterre. Egy pótméteres állítás 270° tudod csavarni. ezzel 30V ot állítasz. 1°elmozdítás 0,11111V eredményez. A tíz fordulatú pótméternél 1° elmozdulásra 0,00833V eredményez. 10 K ohm os+ 1 K ohm os mind a két pótméternél 1°mozdítasz akkor 0,000411V feszültség változásod lesz. És igen, tudom, hogy 1° lehetetlen be állítani. (pótméterbe lévő, illesztési hézagok miatt ) Talán csak, a többfordulatú pótméternél, lehetséges. De én, még mindig azt mondom, hogy 10+1 K ohm os az igazi. Ha, a múltkóri rajz nem volt egyértelmű, talán ez: üdv.
Helló.
Értem ok, csak nem figyeltem oda, hogy két mononál tényleg a finom poti nem lineáris. Ok, igazad van a sztereo a jó megoldás. Köszönöm a többieknek is a segítséget. Akkor már csak rendelni kell.
Szia
Mielőtt rendelnél, mindegyik lineáris. ( sztereo+ mono ) Nem tudom, honnan szeded, hogy nem lineáris. üdv.
Berajzoltam a módosított tápot eagle-be. Átnéznétek, hogy jól oldottam meg? Köszi előre is.
|
Bejelentkezés
Hirdetés |















