Fórum témák
» Több friss téma |
Fórum » Labortápegység készítése
Én is szívesen vennék egy ilyen rajzot, de van egy érzésem, hogy ennek megvalósítása nagyságrendekkel összetettebb feladat, mint a "Power OFF" kapcsoló.
Itt az lenne a korrekt megoldás, ha a szabályozó jelet a -Master táptól- galvanikusan leválasztva tudnád "át adni" a -slave tápnak-....
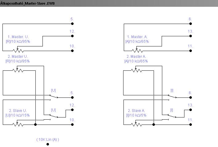
A sztereó poti egy kicsit bonyolult de ha sima potikat használok és beépítek egy kapcsolót akkor lehet hogy jó is lesz. Csináltam egy kis összevisszaságot. Szerintem még működne is.
Sajnos nem ilyen egyszerű...
Gondold át még egyszer (kétszer, háromszor).
Hát igen ebben egy csomó hiba van de már haladunk! nem tudom hogy hogyan lehetne megoldani azzal a műveleti erősítővel. Fogalmam sincs és még csak ötletem sincsen hozzá. Még körülnézek a neten hogy találok e valamit abban már nem vagyok biztos.
Éppen ez az amit nem csinálhatsz meg! Semmilyen elektromos kapcsolat nem lehet a két táp között a kimeneteken kívül! (párhuzamos módban egy kis trükközéssel akár még össze is lehetne kötni, de sorosnál szóba sem jöhet!)
A 2N3055-ös tranyó kupakja nálatok is hamar felmelegszik, mikor 2-3A-rel megkülditek a tápot?
Nálam egész forró lesz a kupak, miközben a borda még csak kézmeleg. Persze pár perccel később a borda is jól átmelegedik, később forró is lesz (hosszú távon venti lesz). A bordán 2db 2N3055-öt használok, alattuk csillám. Borda-csillám-tranyó között hővezető paszta van. A hűtőborda 16x12x3cm link 1 link 2
Szia!
Egy bizonyos szintig ez természetes. ...de látom készültél, ezért nem jár sok plusz melóval beszerelni azt a másik két tranzisztort... (de legalább egyet még tegyél bele!).
Szia! Én egy többáramkörös váltókapcsolóval oldanám meg s kitrimmerellném a különbségeket. De arra szerintem ügyelni kellene, hogy csak kikapcsolt állapotban legyen átkapcsolva a szimmetrikus/aszimmetrikus kapcsoló. ( Az átkapcsolt tápegység leválasztott potméterei miatt a kimeneten esetleg ( ellenőrizhetetlen ) feszültség ugrás jelentkezhet. Bár lehet, ezt a " DC-OFF " kapcsoló jól lekezelné.
Pár kiszemelt kapcsoló... ( PL:1. vagy ( ezek kicsit precízebbek ) PL:2. PL:3. PL:4.) ( De akár többáramkörös relével is megoldható az átkapcsolás... ) Mellékelek egy kapcsolást az elgondolásomról...
Ez azért kicsit bonyolultabb !
Ha így kötözgeted a potikat akkor a kimenetet nem kötheted úgy hogy + - tápot kapjál! Ez az össze vissza kötözgetés elég sok problémát felvet, most csak kettőt írok : - párhuzamosan nem illik tápot (erősítőt) kötni, egyébként szerintem felesleges is. Általában különböző feszültségekre van szükség. - szimmetrikus üzembe elvárható, hogy minden helyzetben megmaradjon a feszültség szimmetria, még akkor is ha valamelyik fél áramgenerátoros üzembe is lép. Szimmetrikus kivitel lehetséges megvalósításai: - szereó potival: 2 "master" áramkörrel, kimenetek szabadon variálhatók, elfogadható fesz szimmetria, viszont az áramfigyelés csak az adott áramkörre hat. - egyszerű master-slave kombóval: kimenetek nem variálhatók szabadon, tökéletes fesz együttfutás, még áramgenerátoros üzemben is -bonyolult alkatrésztemetővel, bonyolult kezelhetőség mellett, megvalósítható minden kívánság is persze, (kérdés megéri e) Amit én javaslok az eddigi tapasztalataim alapján: -egy szimmetrikus táp, melynek közös a fesz és az áram potija, -plusz még egy beállítható fesz.-ű táp ami nem szimmetrikus feszt ad, -esetleg még pár fix feszültségű kimenet. Természetesen minden táp részegység galvanikusan leválasztottnak kell lennie.
Folytatva a gondolatmenetet felmerül bennem a kérdés, hogy van-e létjogosultsága egyáltalán ennek hobbi szinten ? Hol kelhet szimmetrikus táp, műverősítőnél, erősítőnél (bár azt általában nem méricskél naponta az ember)?
Suliban tökéletesen megfelelt 2 galvanikusan elválasztott táp + - összekötéséből kialakított föld & így kapott +/- feszültség. Persze előbb be kell állítani A majd B tápot azonos feszültségre, de utána ennyi. Nem volt szükségünk tápfesz állításra ![]() Ha tényleg az áramkört rákötve akarjuk szimmetrikusan állítani "+/-" -t, akkor ahogy dB_Thunder is mondta, szimmetrikus táp és az csak az. Ez a túl univerzálás (pakoljunk mindent egy áramkörbe) nem biztos, hogy mindig nyerő. Egyébként is jó ha több táp van a műhelyben
[OFF]... Ha egyszerűen megoldható a tápok " párhuzamosra állítása ", akkor miért ne lehetne beépíteni!? Egy kattintás és máris azonos kimeneti feszültséget ( és - vagy áramot) ad mind két tápegység. S csak opció a közös földpont ( kimeneti pontok ( két független tápegység vagy egy +/- -os tápegység )) együtt vagy külön kezelése.
... Idézet: „főleg ha azok megalapozatlanok.” Ki kérem magamnak! Nem szoktam a levegőbe beszélni. Ezek tények, és csak fölhívtam a fórumtársunk figyelmét, hogy ilyesmire is számíthat.
Már hogyne lenne! Nekem nap mint nap párhuzamos módba megy! Szimmetrikus mód pedig valóban szinte csak erősítő/előerősítő élesztéshez kell, de milyen jól jön mikor üzem közben emeled a feszültséget és nem kettő potit kell óvatosan tekergetni, hanem csak a masterét! És talán a legfontosabb, hogy nem neked kell kábelozgatni kívül... ha továbbra is neked kell összekötni a kimeneteket, akkor aztán mindegy hogy egy potit vagy két potit tekergetsz! Kényelmi funkció? Meglehet...
dB_Thunder nem tudom miért mondja hogy nem illik párhuzamosan kötni tápokat, ha nagyobb áram kell akkor erre szinte csak ez a megoldás van. Továbbá éppen a szimmetrikus mód miatt mondtam, hogy nem jó ha a master vezérli mindkét táp áramkorlátját, előfordulhat hogy különböző áramok folynak. (párhuzamosban is sokszor jól jön, hogy külön szabályozható az áram) Persze én magamból indulok ki, nálam ki van használva, biztos van olyan aki ritkán használná ezt a funkciót, és ezért nem is erőlteti. _JANI_ által említett feszültségugrással én még nem találkoztam, én EZZEL a kapcsolóval oldottam meg (3 állású, két áramkörös), oldalanként 1db, ha mindkettő azonos állásban van akkor kapcsolja a kimenetet (üzemmódnak megfelelően) valamint a potit. Ha nincsenek azonos állásban akkor mindegy hogy melyik hogy áll független üzemmódban van!
A labor tápegység mester-szolga üzemmód kivitelezésének módja a mellékletben. :yes:
Idézet: „Ezek tények, és csak fölhívtam a fórumtársunk figyelmét, hogy ilyesmire is számíthat.” Melyet ezúton is köszönök. Utánaolvastam a topikban és valóban volt rá példa. (1 2 3 ) Kirpbóbáltam magam is, a deprez műszer ~1-2V-ig ugrik ki, majd lassan visszakúszik nullára. Szkóppal lehet nagyobb tüskét látnánk. Mindenesetre így tényleg marad nálam is a pozitív tápoldal megszakítása kapcsolóval. Lehet egy kétkörös még tutibb lenne. Vagy ugye kétkörös relével.
Én az enyémet megnéztem szkóppal, és gyakorlatilag a teljes táp megjelent egy pillanatra a kimeneten.
Különben nem gáz hogy ilyen, mert ezt a funkciót legfeljebb nem használom. Betettem egy sima 2 áramkörös kapcsolót a kimenetemre, és ennyi. Úgy van, ahogy az előző tápomban is volt mindig is. El voltam így 15-20 évig, ezzel is el leszek egy jódarabig.
Sziasztok!
Találkoztam egy problémával, amit meg szeretnék oldani, ám nem tudok elindulni, hogy-hogy is kellene összeállítani egy tápegységet. A feladata az lenne, hogy szünetmentes tápellátást biztosít, plusz tölti az akkumulátorokat. Ennek a tápegységnek 12V-ot kell biztosítani, amivel tölti az akkumulátor(oka)t, és ha megszűnik a 220V-os tápellátás, akkor akkumulátorból tápláljon! Az a legbonyolultabb gond, hogy a tápegységnek stabil 12V-os feszültséget kell biztosítani, és úgy szeretném megoldani, hogy ha az akku feszültsége 12V alá esik, akkoris 12V-ot generáljon... Kb 9-10V-os feszültségnél meg lekapcsol... Ezt az utolsó részbe nem tudok belekezdeni, mert nem tudom elképzelni, hogy kéne ezt megoldani úgy, hogy kb 5-6A-t biztosítson az akkumulátorokból folyamatosan... Köszi előreis!
Szünetmentes táp építése
Szünetmentes táp Hasonlók Arra, hogy 9-10V alá esve kikapcsoljon, "akkuőr", "akkuvédelem" kulcsszavakra keress rá. Valahol láttam itt a fórumon. Napelemes akkutöltő topikokba is érdemes szétnézni. Talán a csatolt kép épp onnan való.
Köszi! Nagyrészt 12 / 230-as Inverterekről van szó! Gondoltam volna, hogy megírnám a PIC Miértek és Hogyanok-hoz, hisz úgy oldanám meg legszivesebben. De a fő téma a tápellátás
Sziasztok! megépítettem ezt a labortápot. Működik szépen, de most szeretném továbbfejleszteni azzal, hogy építennék hozzá égy AVR - es feszültség illetve árammérőt. ATtiny13 fogok használni. Lerajzoltam hogy hol csatlakoznának az AVR ADC bemenetei a tápegységhez, de nem vagyok benne biztos. Ezt szeretném ha valaki megnézné előre is kösz
Szia!
Ez így nem lesz jó, mert a feszültség-méréshez a söntellenállás feszültsége is hozzáadódik.
Hello
A söntellenáláson levő feszültséget szoftverileg kivonnám a + kimeneten levő feszültségből.
Sziasztok!
Ezt találtam a neten. Valaki hozzáértő megnézhetné, hogy ezt érdemes megépíteni? Az alkatrészeket, sajna csak a farnel-nél lehet beszerezni.
Üdv
Elkészítettem a Kapcsolásokba található edison14-féle tápot. Élesztéskor az IC2 pár másodperc alatt felforrósodott. Már átnéztem a panelt de nem találtam sehol zárlatot. A kimeneti fesz. sem mérhető, a puffer feszültség 31V körül van.Nemtudom mi okozhatja. Valakinek ötlete?
Ezt vagy 1 éve találtam a neten. Amugy mit nem tudsz belőle? Minden benne van. Ha kicsomagolod, akkor ezzel kezd : powersuply.html benne a forrráskód, meg a leírás, képek..stb remélem tudtam segíteni.
Sziasztok! A mellékelt rajzon lévő LM324-es labortápot kezdtem el megépíteni, némi módosítással, egyelőre próba panelen.
Mivel a trafóm csak 15V-ot ad le, ezért ehhez igazítottam a kapcsolást. Hogy ne veszítsek túl nagy feszültséget a graetz hídon, ezért schottky diódákkal (SB540) egyenirányítottam a bejövő feszültséget. 1. kérdés, hogy a Schottky diódás egyenirányítás okozhat-e gondot? Beszélnek a zajról, de inkább erősítőhöz való tápoknál említik. Mivel a puifferelt fesz. nem éri el a 21V-ot, ezért az OPA táphoz nem használtam zenert. 2. kérdés, okozhat-e gondot, hogy az OPA a bejövő nem stabilizált feszre van kötve? Vagy jobb megoldás lenne egy kisebb (pl. 15 v. 18V-os) zenerrel szabályozott feszt adni neki? 3. kérdés: az itt említett LM324-es labortápokban negatív feszt is előállítanak az OPA-nak. Erre miért van szükség?
1: Nem szabadna
2 Szerintem nem szükséges a zener 3: Mert egyes műveleti erősítő típusok bizonytalanul működnek, ha a bemenetük valamelyik tápfesz közelébe kerül (kiakad a differenciál bemenet). Ezenkívűl az áramköri kialakítás is megkívánja. Az általad mutatott áramkörben rossz helyen van az árammérő sönt, rengeteg olyan áram folyik át rajta ami a kimenetére kapcsolt fogyasztón nem, emiatt a műszer sem, és az áramkör sem fog pontosan dolgozni..... Javaslom építsd meg Pionner vs Alkotó tápját, az egy kiforrott(abb) darab.
Köszi a választ.
3. Feltételezem, hogy azért az LM324-essel készítik ezeket a labortápokat, mert a negatív irányban a be/kimenet lemehet a negatív tápfeszig. És ha a söntöt az R11 végével berakom a LED és az R6 közé, a P2 alját pedig közvetlen elé kötöm? Egyébként az Alkotó-Pioneer tápoknál is a sönt után vannak kötve az elemek. Csak trükkösen úgy van megoldva, hogy GND-re megy, de a GND a kimenet negatív oldala, így nem látszik rögtön a turpisság. ![]() Nem beszélve a kimenetre kötött 2k-nyi ellenállásról, amin 15 mA folyik át. Ugyan nem mértem, de az LM324 bemenetei nem terhelik nagyon a rendszert. Ez uA-es nagyságrendű lehet.
Szívesen!
Igen az Lm324-nak a pnp tranyókkal a differenciálerősítőjében, nem gond a negatív tápfesz közeli bemenőjel kezelése. Ha átrakod a a söntöt akkor az átfolyó áramtól függően el fog mászni a kimeneti fesz. Mondom hogy az Pioneer vs Alkotó tápot csináld , azt már kiveséztük rendesen. Azon talán annyit lehetne módosítani hogy a R22-őt a sönt elé kötjük (azon átfolyó áramot se mérjük), illetve az R23 pedig elhagyható. Pioneer vs Alkotó tápja |
Bejelentkezés
Hirdetés |
















