Fórum témák
» Több friss téma |
Fórum » Inverteres hegesztőtrafó
Igen,én láttam,ez egy PIC kontrollerrel vezérelt 200A rezonáns hegesztő.A mikrovezérlő programja nem hozzáférhető sajnos.
Sziasztok!
Érdeklődni szeretnék, hogy valaki a csapatból gondolkodott már mikrovezérlős hegesztő építésében? Ha esetleg van rá igény, tudok segíteni a fejlesztésben! Már gondolkodtam régebben, hogy éptíek egy készüléket, de a gate-vezérlő EE20-as trafóval mindig meggyűlt a bajom, így felhagytam vele...
Aki ezt megcsinálta az biztosan megosztaná velünk is, vagy nem?
Hali
Miért volt bajod a gate-vezérlő EE20-as trafóval ?
Sziasztok
Valaki épített már olyat, hogy (gyújtófeszültség) megnövelésére áramkört?
Ha jól tudom, Tubi kollega javaslata, hogy légrés nélkül kell készíteni. Nos nekem se légréssel, se anélkül nem tudtam úgy megcsinálni, hogy a tekercset vezérlő FET ne melegedjen. Menetszám stimmelt, a vezeték keresztmetszetében lehetett minimális eltérés. A rendszer áramfelvétele is túlzottan magas volt az eddig megépített készülékekhez képest...
Nekem elsőre sikerült megtekerni rendesen, csak az volt a gondom, hogy a 2x100R ellenállás melegedett egy kicsit
mindegy volt milyen légrést teszek bele akkor is melegedett. De ennek ellenére tökéletesen működik. Most az a bajom, hogy csak 45V és 120A jön ki és alumíniumot szeretnék vele hegeszteni és az kevés hozzá. Hogy lehetne megnövelni a 45V legalább 80V-90V ra?
Sajnos erre nem tudok válaszolni, biztosan lesz a csapatból valaki, aki tudja a megoldást. Én csupán egy mikorvezérlős fejlesztésben tudok segíteni, amennyiben van rá igény!
:yes:
45V-t alatt remélem hogy az üresjárati feszültséget érted, azon egy segéd szekunderrel lehet segíteni.
Ha nem, akkor meg fázisbővítés.
Igen az üresjárati feszültség annyi.
Van valami ötleted a megoldásra? Idézet: „azon egy segéd szekunderrel lehet segíteni.” Idézet: „. Nos nekem se légréssel, se anélkül nem tudtam úgy megcsinálni, hogy a tekercset vezérlő FET ne melegedjen.” Nem értem,én többféle vassal is megcsináltam,szinte mondhatnám,ami éppen volt.Van amelyik EI magra készült,ez egy hálózati zavarszűrő magja,eléggé gyenge anyag, 2 másikat EE25 magra tekertem,ezek között is nagy volt a különbség,két fajta volt a vas,de próba képen tekertem 28mm átmérőjű, kék színű toroidra (állítólag az Epcos-nál ez ferrit mag) négy szál UTP kábelből is,mindegyikkel működött a vezérlés és sosem melegedett az IRF540 fet,még csak langyos sem volt.Amikor megépítettem az LCM3 műszeremet és tudtam végre induktivitást mérni,vettem a fáradságot és megmértem a kis trafók induktivitását,hatalmas eltéréseket mutatott a műszer,ennek ellenére 4 gépem működik ezekkel a trafókkal gond nélkül. Esetleg nem lehet az,hogy valahogy nem jól voltak a tekercsek elkészítve (menetirányok) vagy valami más hiba volt?Könnyű a kis trafót elrontani,az elsőt 5 x szedtem szét.Esetleg a fet (ebből is használtam IRF540-630-730 típusokat) nem tudott nyitni és zárni rendesen vagy más alkatrész elkötés nem volt,zárlatos dióda,megnyúlt vagy szakadt ellenállás?
pimi9 fórumtárs idézetét használva mondom.
Idézet: „„azon egy segéd szekunderrel lehet segíteni.” Küldtem rajzot a megoldásra,de van,lehet,más megoldás is,mellékelem. A kimenő áramot meg úgy tudod növelni max 150A -ig,hogy oda a potihoz az 510 ohm ellenállást teszed be a mostani (gondolom a 120A áramból) 820 ohm helyett.Esetleg,készítesz egy másik főtrafót EE80 magra.Azért megemlítem,hogy a mostani gépet maximumon járatni sokáig nem igazán szerencsés eset,nem is biztos,hogy a gép alkalmas azon elektróda elhegesztésére.
kedves zolee1209 írd már le, hogy te miként csinálod, mert nekem sem melegedett még egy sem, pedig én már 10.-n is túl vagyok!
A kimenő feszültséget ezzel a megoldással nem lehet növelni! Ez csak az ív gyújtást segíti elő a kondi kisülésével ezután hegesztéskor marad az eredeti feszültség! Üresjárati feszültség magasabb lesz, de csak az ív gyújtásáig!
A szekunder feszültséget a primér menetszámának csökkentésével vagy a szekunder menetszámának növelésével érheti el A többi stimmel!Az áram erősség növelésével is vigyázzunk egy kicsit, mert előbb nézzük meg mekkora áramerősség áll rendelkezésünkre a hálózaton! 16 A hálózati áramunknál maradjunk annál a 130-140 A hegesztő áram erősségnél.
Rosszul fogalmaztam,arra gondoltam,amit írsz,a gyújtófesz növelésre.Az eszembe sem jutott,hogy egy elektródának 80V hegesztőfeszültség és 180A áram kell üzemszerűen,mert akkor jobb,ha mindjárt Pakshoz csatlakozik.
Nem gondolkodtam ilyen megoldáson,de semmi jónak nem vagyok elrontója.Itt a HE fórumon a "Ki mit épített" rovatban is bemutatott egy szerző egy PIC vezérelt inverteres hegesztőt,írtam neki magánban,válaszra sem méltatott.A guliver83 által linkelt rajz egy orosz fórumon található Bővebben: Link ,meg nem mondom melyik oldalon,már biblia méretű a fórum,aki fellelte írja,hogy nem hozzáférhető a PIC programja.
Itt az oldal ahol megtalálható a kapcsolási rajz.
Ma írtam nemi, de semmi válasz nem jött még. Remélem ír majd. Bővebben: Link
Szia!
Szívesen segítek egy mikrovezérlős hegesztő elkészítésében! Nekem szimpatikus a kapcsolási rajz, egyedül a visszacsatolás módja nem tiszta, hogy miért optocsatolóval van megvalósítva, miért nem áramváltó tekerccsel. Lehet újból nekikezdek majd, nyáron szükségem is lesz egy gépre! Végülis mindegy, hogy félhidas, vagy teljes hidas a gép, ha elmondjátok a vezérlés és szabályzás módját, akkor meg tudom oldani. :yes: Egy pici fogalmam van a kapcsolóüzemű technikákről, de eddig még nem voltak sikereim. Mintha ebből a topikból rémlene, hogy szükség lett volna a gép feszültséggenerátoro üzemmódjra, szerintem ezt is meg lehet oldani. Hirtelen ennyi, ha van elképzelésetek valemelyik kapcsolás átalakítására, megjelenítésí módokra, állítási, szabályzási lehetőségekre, akkor írjátok le! :yes:
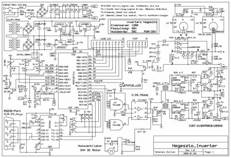
Egyenlőre gondolatébresztőnek mellékelem a "Ki mit épített" fórumon bemutatott gép kapcsolási rajzát.Remélem a Tisztelt szerző nem haragszik meg,mivel közzétette,talán nem kell az engedélyét kérnem.
Hm... ebben a kapcsolásban annyi hiba van, meg hiányosság. Miért jó, ha pic van benne? Inkább a MACI 1-et kellene fejlesztgetni, egyrészt a nagyobb teljesítmény, másrészt a kisebb veszteség irányába. Meg azt gondolom, hogy egy amatőr berendezésben nem szoktunk nagyon drága alkatrészeket használni. Gondolok itt a LEM áramváltókra. Mindjárt kettő kell belőle...
Ezt a kapcsolást meg is építette valaki?
Köszi a linket,most nézem a következő oldalon ott a PIC programja is a kapcs. rajzzal együtt.Én katt fórumtársnak adok igazat,de akinek van kedve,építse után.Nekem is vannak eléggé drágán beszerezhető alkatrészeim,igaz én is bontottam őket,de egy gép,ami ilyen alkatrészeket tartalmaz,az mások által nagyon nehezen reprodukálható vagy sehogy sem az esetleges javítást már meg sem említem,ezért inkább nem forszírozom az azokkal való építést.Én továbbra is tartom a célomat,amit a fórum elején írtam,én meg tudtam építeni egy gépet,legyen néktek is,tudjatok építeni Ti is,aránylag könnyen beszerezhető alkatrészekből.
Csak egy példa,van nekem egy 7MBI40N-120 modulom,382 dollárért láttam,de van egyéb is pl: PS12038,PS12033,BSM25GD120DN2 modul is vagy az RM25TN-2H és egyéb 3 fázisú egyenirányító hidak,hiba esetén nem biztos,hogy tudnám pótolni.
Üdv!
Tudom ez a téma inverteres gépekkel foglalkozik, idővel én is tervezem egy ilyen építését, de ezen a fórumon elég sok hozzáértőt találtam. Egy 50 Hz-es trafó szabályozására szeretnék valami megoldást. Az eszköz 3 fokozatú fokozatkapcsolóval állítható, de a legkisebb fokozatban is túlságosan nagy áramerősséget produkál, ezen szeretnék finomhangolni. Primer oldali triakos szabályozóval, vagy milyen hasonló áramkörrel lehetne ezt megvalósítani?
Nézzél körül itt: http://www.hobbielektronika.hu/forum/topic_2659.html
Nekem még, csak 1 gépem van
![]() De szerintem semmi értelem nincs az ilyen PIC-es megoldásnak így is nagyon jól működik az nélkül is. Ami nekem van nem hogy kijelző nincs benne , de a dobozolás is elmaradt. ![]() [quote] katt " Inkább a MACI 1-et kellene fejlesztgetni, egyrészt a nagyobb teljesítmény, másrészt a kisebb veszteség irányába."
Részben értek egyet veled,akinek van kedve és kihívás a számára,az építsen mikrovezérlőre alapuló hegesztőt,aki megelégszik a "Maci" néven ismertté vált kapcsolással az építsen olyat,mindezek mellett még vegyük figyelembe katt mondatait,melyből Te is idéztél.
Van még mit tenni bőven ezzel a kapcsolással is.Lehet bele tervezni jó hatásfokú kapcs. üzemű segédtápot,lehet módosítani a vezérlő és meghajtó áramkört,lehet jobbá ,erősebbé tenni a teljesítmény fokozatot,lehet bővíteni,jobbá tenni a leragadás védelmet,gyújtás segítőt,hővédelmet stb.,de lehetne tervezni egy olyan panelt is,amin minden helyet kapna.A feladat óriási,mindezt olyan alkatrészekkel kivitelezni,melyek aránylag olcsón és könnyen beszerezhetők,megbízhatók,hogy esetleg mások is reprodukálni tudják.
Ez így van!
A következő gépem (remélem lesz) ott már nekem is kapcsolóüzemű segédtáp van és SMD alkatrészek a kapcsolási rajzott lassan tervezem. Egyszer, csak kész lesz az is.
Szervusz, Gábor!
Most felsoroltakat egy PIC-kel lehetne leghatékonyabban megvalósítani, szerintem... A Maci (forward inverter) kapcsolása alapvetően szerintem is alkalmasabb kisebb teljesítménytartományokban hegesztés céljára (karakterisztika), de egy PIC minimális hardver többlettel sok feladatot/probémát megoldhat! |
Bejelentkezés
Hirdetés |




:yes: 
Nekem szimpatikus a kapcsolási rajz, egyedül a visszacsatolás módja nem tiszta, hogy miért optocsatolóval van megvalósítva, miért nem áramváltó tekerccsel. Lehet újból nekikezdek majd, nyáron szükségem is lesz egy gépre! Végülis mindegy, hogy félhidas, vagy teljes hidas a gép, ha elmondjátok a vezérlés és szabályzás módját, akkor meg tudom oldani. :yes: Egy pici fogalmam van a kapcsolóüzemű technikákről, de eddig még nem voltak sikereim. Mintha ebből a topikból rémlene, hogy szükség lett volna a gép feszültséggenerátoro üzemmódjra, szerintem ezt is meg lehet oldani. Hirtelen ennyi, ha van elképzelésetek valemelyik kapcsolás átalakítására, megjelenítésí módokra, állítási, szabályzási lehetőségekre, akkor írjátok le! :yes: 






