Fórum témák
» Több friss téma |
Ahoj!
Második Opamp, 120k helyére egy pl 100as poti egy 20k-s vagy tetszőleges ellenállással sorban. Sok a gainje így is, nem hiszem, hogy lenne értelme nagyobb potit betenni, így is egy zajgenerátor lehet ![]()
Elég veszedelem pedál, dehát ez erre való
E made in USA. Sajnálom szétbarmolni, de de kíváncsi vagyok hogyan viselkedne ha belepiszkálnék Körbefotózom majd, ha párhuzamba rávágok egy potit aminek az értékét segítesz kitalálni (hihi) ? Az működne ?
Az is jó, akkor a 120k-t tudod söntölni, ergó csökkented a gaint. Akkor nagyobbat tegyél, pl 1Mohmost, ezzel párhuzamosan az 50pF-et lehet csökkenteni kell vagy kivenni
Ez lesz, 120 K val párhuzamba egy 1M es poti, 50pf nek megyik lába lógósra. Na már csal szít kell kapni meg piszkálni
Köszi.Ds lehet ma csak meg rokkandroll
skylooker, witti!!!
Örök hála!!! Sikerült, most már semmi baja! Beraktam egy 2nF-s kondit a trimmerhez, és über jó hangja van! Köszönöm még egyszer!
Próbálgattam, a kondenzátorokat cserélgetni (az elektrolit 100mikrosok), illetve párhuzamosan tettem a kicsikkel egy 100n-ost, de nem volt nagyon észrevehető változás, egy darabig villog a lámpa aztán megáll. Sajnos égőben csak 12v-ost kaptam, az meg sem villan, úgyhogy maradt az eredeti izzó.
Eltanácstalanodtam. Néha egész jól megy, tíz perc múlva meg el se indul... (Megpróbálom átrajzolni a kapcsolást tranzisztorosra, akkor talán többen tudnak segíteni)
Az oszcillátorok már csak ilyenek...Ha erősítőt akarsz építeni, tuti, hogy oszcillátor lesz belőle, ha oszcillátort, az életben nem fog elindulni...Jó öreg Mörfi törvény.
Szkóppal meg tudod nézni az oszcillátor kimenetét? Sokat segítene, be kéne határolni hol is akad el a dolog, az oszcillátor nem menne, amit elég erősen kétlek, vagy az optó elem. Zsolti
"Má' megint" egy hülye kéréssel fordulnék hozzátok de szükségem lenne egy jó előerősítő fokozatra a gyakorlóládámhoz, mert annyi "hijja" van meg az előlap. A vég Tda2050 12VAC 1.5A trafóról meghajtva szűrve pufferelve stb tehát ehhez szeretnék valami jó kis cumóst 3 mas tone stackkal, drive al meg clean csatival, lehet is op-ampos sőt, az talán jobb is lenne, illetve olyan terv kéne amihez van nyákterv, sajnos nincs időm még arra is jelenleg hogy tervezzek nyákot, már csak azért is mert szerencsétlen vagyok hozzá. Bocsi hogy a nyűgömmel nyaggatlak titeket!
Sziasztok! megint itt
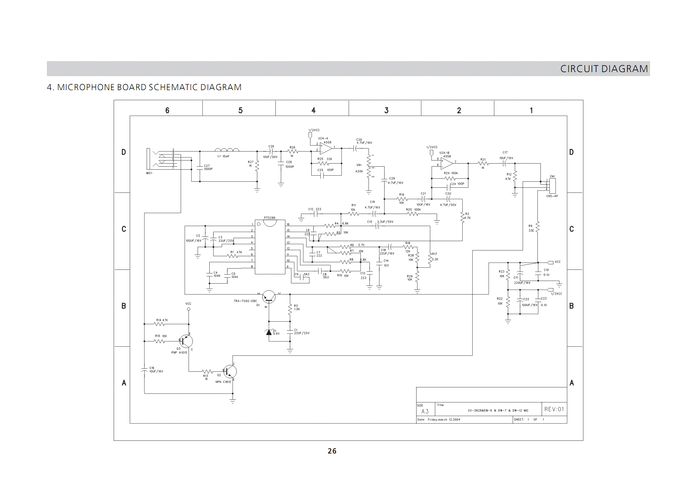
Van egy karaokis dvd-ből kiszedett delaym , és azt szeretném kérdezni , hogyan lehetne a lecsengési idejét megnövelni? Magyarul hogy többször ismétlődjön a visszhang. Márha meglehet. Csatolom az áramkört , meg az adatlapot, meg egy hangot. Ami az adatlapon van két poti azokat már beleraktam, a baloldali a visszhang sebességét állítja.
egyetlen egy ellenállás lesz az! Ez a cél ic nagyon jó cucc.
Hali!
Nem akarok beleszólni nagyon, de szerintem vegyél két jó jfetet(j201-et pl, nagy a gainje, könnyen betorzítható, kicsi Ugsoff-al), közé a 3as tone stack ,maximum + 1db jfet source követőnek, feljebb gking kollégának reagálva leírtam hogyan, típusra nem annyira érzékeny, bár érdekes módon itt is sokat lehet vele hangolni, főleg a source ellenállás csökkentésével...A gaint/volume-t meg, hogy a tone stack után teszed, vagy az egész előerőstő után, az nem téma. Ezt a kis áramkört akár légszereléssel is meg lehet csinálni, vagy próbapanelen összedobni kb 10 perc. Mondjuk az IC-st is...Runoffgroove-on van valami hasonló "ultra flexibile tone stack" vagy mi, ott van kész terv is... Bővebben: Link Remélem tudtam segíteni! ![]() Zsolti
Köszi ez jó ROG ra nem gondoltam hirtelen hogy ott lehet e, viszont j201 est itt Debrecenben nem tudtam beszerezni és postaköltségért 2-3 mat nem is vennék mert úgy drága. Megpróbálom ezt mit tud.
pt2399 úgy van megoldva hogy a 2 op amp vissza van csatolva egy feszosztóra bekötött potival illetve egy plussz ellenállás és kondival tehát a kimenet vissza van csatolva a bemenethez. keresd meg a rebte delay 2.5 öst kapcsolását abban ott van a www.tonepad.com on elérhető. Ha az az ágat beleteszed elviekben működni fog a dolog.
UPDATE! Sőt teljesen ugyanaz a lábkiosztása a pt2399 nek nem lepődnék meg hogy nem e másolata vagy valami nagyon hasonló mert az ajánlott kapcsolási rajza is megegyezik, tehát szerintem megy azzal a kapcsolással is!
Nagyon szépen köszönöm
. Holnap nekiesek aztán majd beszámolok.
Még egy kérdése lenne ha bekötök egy potit ebben a kapcsolásban az op amp 3 mas és 7 es lábához akkor kapom meg az overdrive ot hozzá ugye?
Háát
Szerintem egy remek oszcillátor lesz akkor belőle ![]() Ezt nem érdemes túlvezérelni, az opamp hard clipje miatt nagyon csúnya lesz a torzítása. Ha abban gondolkozol, hogy tiszta/dirty előfokozatot szeretnél, akkor továbbra si a jfetet ajánlom.
Van itt még egy, ha a bypass kondit ki-be kapcsolhatóra oldod meg, hasznos tud lenni, a source ellenállás helyére egy trimmer, pl 10k, a drain-re meg egy 47k, na ez mindenhez illeszkedik
![]() (ilyen van a gityómba, a kábel sem terheli a hangszedőket, nem zajos, csupa előny.) Ha megvannak a jó beállítások, a trimmerek fix ellenállásra cserélhetők, de sajnos a J201-esek közt is van szórás.
Sziasztok! (Na h megint én
)Megépítettem ezt az erősítőt, és nagyon megvagyok vele elégedve, jól szól s jól torzít Viszont az lenne a kérdésem, hogy írja ha a 220µF-s kondi értékét növeljük , nő a basszus. Így lehetne hasznosítani egy nagyobb kondival ,hogy az erősítőt lehessen basszus gitárhoz használni? Köszi előre! Üdv. Horv!
Alapjába véve igen, viszont ez amúgy is egy gyakorló erölködőcske nekem is van belőle nem is egy darab.
Bár nem kell barnahangon rengető dolgot várni, gyakorolni tökéletes viszont.
Kicsit beleástam a fetes részbe magam ezt találtam: Bővebben: Link vélemény?
Így már tényleg működik.
Köszi még egyszer.
Teszel fel hangot így róla? Nincs mit, én örülök hogy segíthettem.
Hali!
Nagyrészt ezt ajánlottam én is, szemléletesen összegezted a kollégának A buffer a gitárba így nem rossz ötlet, de szerintem még így is kicsit "magas" a kimeneti ellenállás. A kábel kapacitása így ugyan nem a pikupot terheli, hanem az erősítő fokozatot, ami nem kis - jó pár 10kOhm kimeneti ellenállással- rendelkezik, persze a helyzet jobb, de szerintem csak tologatjuk oda vissza a problémát. Erre adna megoldást - szerény véleményem szerint - a dc csatolt source követő, ami már pár száz ohm/pár kohm- ra "transzformálja" a kimeneti ellenállást és semmi magas nem vész el, meg a kimeneti ellenállás is nagyon kicsi. De ezt is leírtam feljebb, csak mint fejlesztési ötletet említem meg...egy jfet meg egy ellenállás nem nagy alkatrész igény, meg persze párszáz uA j201 esetén...A szorás meg igencsak nagy köztük, válogattam őket erősítésre (összefügg az elzáródási fesszel meg a 0Vos gate feszültséghez tartozó árammal is persze) és azt láttam, hogy 20 darabból kb a 3ada ami elfogadható a többi - relatíve - nagyon kevés erősítéssel rendelkezik. Ez sajnos ilyen alkatrész ![]() Bocsi az agymenésért ![]() Zsolti
Ezzel kellene még valamit tenni mert túl tompán jön a visszhang vissza! De már jó nagyon tutkerály.
Igen, a beépített erősítő sem mindíg frankó. Egyrészt nem minden torzítóhóz kell. Nem akartam túlbonyolítani a mondókámat, de úgy néz ki, van ez a booster, van egy source-követő, és a natur pickup kimenet. Átkapcsolgatható. Egyrészt mert kísérleti gitár (saját gyártmány), másrészt meg rakás effekt van, más-más meghajtás igénnyel. A pickup terhelést általánosságban írtam, az enyémek NAGYON kis impedanciásak, a jelszint valahol a kics/közepes tájélán vannak, ezért a variálás.
A gitárban egy előerősítő csak amiatt macerás, mert kell egy elem is bele (régebben külön dróton ment a 9V, hát mit mondjak, nem egy színpadképes látvány, ámbár így se Most egy tölthető akku van benne, de már haldoklik, gyakran kell "bikázni"![]() Fet: sikerült beszereznem anno egy széria selejt BF245-öt, mindnek egységnyi az erősítése. Kaszkódban sikerült elérni a kétszerest. Na az volt a sikerélmény... Fetekre szinte felesleges a típusjelzés, elég lenne hogy fél wattos meg hogy 200 wattos oszt joccakát.
Azért a gyári cuccok utánépítésénél szerencsére kb. azt kapja az ember, amit vár. ez jó így.
Az opto rész változtatja a kimenő hangerőt, tehát jó.
A lámpacserekor úgy tűnt, hogy teljesen megállt az oszcilláció, (persze nem mértem rá), viszont csak a régi izzó villogott. Meg hát a régi izzóval működik is néhány másodpercig, aztán leáll, ebből arra gondolok, hogy maga az oszcillátor elindul, de a rezgés nem önfenntartó, hanem "halkuló". Ami nekem segítene, hogy szerintetek az izzószál induktivitása, öregedése, esetleg áramfelvétele, hatással van-e a rezgésre, vagy arra csak a cső első felén lévő kondik és ellenállások vannak hatással, a második rész pedig csak egyszerűen erősít (Közös katódú erősítő) azért, hogy meghajtsa a lámpát. Én legalábbis ez utóbbit tartom valószínűnek.
Megnézem, hogy megvan-e. A múltkor elég sokat letöltöttem, egy itt a fórumon kapott linkről.
Megnézem, ott, hogyan oldották meg. Meg lehet, hogy még néhány "újabb" Fender konstrukciót is átnézek, hátha változtattak rajta idővel. Tudod ez egy 1969-ben tervezett típus. Bár az enyém nem tudom mikori, de szeretném "gyári" állapotra hozni kapcsolásilag, ami már majdnem sikerült, a tremolót kivéve. |
Bejelentkezés
Hirdetés |





E made in USA.
Sajnálom szétbarmolni, de de kíváncsi vagyok hogyan viselkedne ha belepiszkálnék
Beraktam egy 2nF-s kondit a trimmerhez, és über jó hangja van!
Van egy karaokis dvd-ből kiszedett delaym , és azt szeretném kérdezni , hogyan lehetne a lecsengési idejét megnövelni? Magyarul hogy többször ismétlődjön a visszhang. Márha meglehet. Csatolom az áramkört , meg az adatlapot, meg egy hangot. Ami az adatlapon van két poti azokat már beleraktam, a baloldali a visszhang sebességét állítja. 








