Fórum témák
» Több friss téma |
Hello!
De nem lényegtelen, hogy - mekkora feszültségű és teljesítményű lámpát akarsz kapcsolni, - milyen pontosan akarsz kapcsolni - és hol legyen a visszakapcsolási feszültség. (hiszterézis) Alapvetően egy komparátor kell, meg egy referencia feszültség, amihez a 27V-ot hozzáhasonlítod. Eddig ez akár egy LM723 is lehetne, mert abban mind kettő benne van. (A zéner azért nem szerencsés, mert annak pontos feszültsége sok mindentől függ, tehát válogatni kell, hogy pontosan eltaláld a 27V-ot. De a komparátor referenciája, lehet már akár egy zéner is..) üdv! proli007
Köszönöm a választ , az izzóm 24v 1,2 w-os és 26-27 v nál kellene bekapcsolni ez alatt meg ki. Egy töltöttségi állapot visszajelzését szolgálná.
NPN tranzisztor Bázisra pozitív felé egy 27 voltos Zener. A másik vége a bázis. A bázisról a testre egy ellenállásal lehúzni. Mondjuk 1000 Ohm. A kollektorkörbe a relé a szokásos diódával. 27 volt fölött nyit a zener a relé meghúz 27 volt alatt a zener lezára relé elenged.
Köszi a segítséget , a szokásos dióda az mi és síma relével kell csinálni . Rajzot tudnál küldeni?
Hello!
Így már is a küszöb elvileg 27,6V lesz (persze zéner típusától függően..). De a bázisba egy soros ellenállás is szükséges, mert különben küszöbérték felett, kinyírja a tranyót a zéner, meg önmagát is.. üdv! proli007
Sziasztok én azt szeretném tőletek kérdezni hogy Zenerrel meglehet-e oldani egy alaplapnak az áramszükségletét? Fix 11.8V kellene utánna már ellenállásokkal venném le 3.3 V 5 V ra és a 11.8V meg hagynám mert ahogy néztem az még jóleki 12 hejett. De ez az egész eggy akuról menne és nemlenne mindig töltve csak ha 11.5V alá esne
Én 3 zenerrel gondoltam amik 1) 11.5V 2)12 V A 3) pedig12.5V nál nyitna utánna meg ellenállással meg eggyenirányittókal gondoltam . Viszont ic-t nemszeretnék beletenni semmiféle képpen sem ha így meglehet oldani . Nameg persze nemtudom aztse hogy hogyan kellene bekütni a zenereket.Elő :peace: re is köszönöm a válaszotokat.
Hello!
Megnéztem, de ez most mi?. Mert ez így leginkább egy feszültség stabilizátorra hajaz.. - Ha TL431-et akarunk használni, akkor olyan bemeneti feszültségosztót kell használni, ahol 27V esetén, a leosztott feszültség, 2,5V. De ezt az osztót, közvetlen a tápra kell kötni, (nem a TL katódjába) - Azt tudni kell, hogy a TL működéséhez, 1..2mA szükséges. Tehát a Lámpát meghajtani, legfőképpen egy PNP tranyóval lehet, aminek bázis-emittere közt, egy akkora ellenállás van, ami 1-2mA áramra még nem nyit ki a tranyó. - Mivel a tranyó bázisáramát is korlátozni kell, szükséges egy soros bázis ellenállás is. - Így a kollektor és a GND közé mehet a lámpa. üdv! proli007
Hello!
- A ha valamivel sorba kötöd a zénert, az "levon" a feszültségből a könyökfeszültségnek megfelelő értéket. - De gondold el.. Ha 12V-ból egy 10V-os zénerrel levonunk 10V feszültséget, marad 2V. De ha felemelkedik a 12V 14V-ra, a levonás után, már is 4V a feszültség! - De ha levonunk a 12-ből 10V-ot, akkor 1A terhelő áram esetén, 2V*1A=2W-ot nyerünk, miközben 10V*1A=10W-ot elfűtünk.. Hány százalék a hatásfok? - Ha stabilizálnád a feszültséget, és ellenállásokkal csökkentenéd az áramot, akkor ezzel teljesen analóg áramzabálót kapnál. Nem beszélve, hogy ha a fogyasztás változik (már pedig változik), akkor az ellenállások utáni feszültség is ennek megfelelően változna. Már pedig annak stabilnak kell lenni.. - Egyébiránt egys alaplapnak akkor a fogyasztása van, hogy ez az út, még ha lenne is ekkora teljesítményű zéner (ami nem véletlenül nem létezik), csak lemerítené az aksit. Szóval ez egy halott ötlet. A megoldás, egy bonyolult kapcsolóüzemű szabályzó, ami biztosítja jó hatásfokkal a megfelelő feszültségeket és áramokat. üdv! proli007
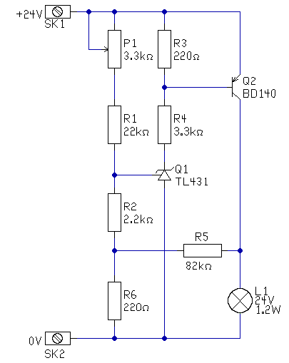
Hello!
Bocs, hogy itt csak belebeszélek, az helyett, hogy rajzoltam volna valamit. Így Zoli ötletét megrajzoltam, úgy hogy megfelelő legyen. A potival, a küszöbfeszültséget, kb. 25..18V között lehet állítani. Hiszterézis, kb. 0,8V. Tehát ha a potit 55%-ra teszed, akkor kb. 27V-on kapcsol be, és 26,2V-on ki a lámpa. üdv! proli007
Ha aktuális még akkor tudok küldeni.. Mezei dióda 1NXX A relé is hétköznapi. Hány voltos a relé?
Igaz, de én már odagondoltam a bázisellenállást (igaz az nemlátszott)
Hi!
Olyan táp kellene ami 2.5V-on tud 20 ampert egyenáramban. Zéner + tranyóra gondoltam. Lenne valami rajzotok?
Hello!
Ezt nem lehet ilyen egyszerűen megoldani.. 20A már komoly áram, mellékesen nem mindegy a stabilitási igény (kimeneti feszültség és terhelés változása) és a bemenőfeszültség értéke sem. (plusz annak változása) üdv! proli007
Hi!
Egy 2v-os akkumulátor cellát kellene tölteni ezzel a cuccal. Trafót olyat tekerek amilyet akarok , csak kellene olyan fesz és áram ami képes az aksit tölteni.
Hello!
Nem tudom mi a szándékod, mert régen volt ekkora lúgos cella, (a térdemig ért) amit lehetne 20A-al tölteni. Meg savas targonca cella, cellánkénti töltése a cél? Vagy több celláról van szó? Mert ha egyszerű trafóval szeretnéd megoldani, (és tekercselni is tudod) akkor talán érdemes 3V-ra megtekerni a trafót, de úgy, hogy a primeren megcsapolással (tovább tekeréssel) lehessen változtatni (csökkenteni) a feszültséget. Ekkor egy hídegyenirányítóval megoldható a dolog. De ilyen kis feszültség esetén, talán célszerűbb a nem hidas kétutas egyenirányítás. (két tekercses 2-szer egyutas.) Esetleg soros előtété ellenállás alkalmazása. (mint pld. az izzító gyertyákkal soros előtét) Vagy PTC bizti alkalmazása (bár kezemben eddig csak 4A-es volt) Másik lehetőség, egy ATX-es táp 3,3V-ját leszabályozni amennyire csak lehet, és soros ellenállást alkalmazni, vagy áramszabályozást. Mert azoknak is illik tudni a 20A-t. A kis feszültség miatt, esetleg lehet a sima trafónál is alkalmazni a Schottky diódát is. az kevésbé fűt. De a diódákra hűtőborda mindenképpen szükséges. üdv! proli007
Nem tévesztettem össze, csak nem rakhattam fel a hirdetési oldalra. Nincs kellő aktivitásom
)Légyszi ragd vissza. A hobbielektronikások tudják ezt a diódát használni. Esetleg tudsz olyan oldalt ajánlani, ahova felrakhatom? Üdv: Pali
Próba 2!
Remélem már nem törölnek. De igen! Ez továbbra sem hirdetési portál! Van egy heted ezen elgondolkozni. Action2K
Sziasztok
Adott egy PC táp, melynek a 5V részét használnám egy PIC-es áramkörhöz. Csakhogy ennek az 5V-ja nem pont 5V (5,3) ráadásul, a 12V os részen egy ventilátort vezérel, aminek a terhelése sajnos kihatással van az 5V részre is, ami gáz. Az 5V részre nem nagyon tehetek stabil 5V ic-t mert ahhoz viszont kevés a fesz. Mellékeltem egy képet, hogy gondoltam 5,1 voltos zenerrel. A valóságba sajnos valamiért nem produkálja ezt az 5,1 voltot, hanem az előtét ellenállás függvényében 4,6 V, nagyobb ellenállás esetében ennél kisebb értéket mérek. Kipróbáltam több zenert is és az is azt csinálja. Mi a bibi? Hogy alakítsam az áramkört, hogy jó legyen? Üdv
Szia!
Használd a 12V-os tápágat egy 5V-os stabkockával kiegészítve.
Köszi, ez volt a másik ötletem, most egyenlőre megcsináltam a zeneres dolgot, tesztelem, ha stabil akkor marad, ha nem akkor a te módszered követem.
Üdv Nincs ötleted, az 5,1V os zener miért csak 4,9 voltnál vág?
Adatlap szerint 4,8V-tól 5,1V-ig változhat a letörési feszültsége, ami ráadásul még áram és hőmérsékletfüggő is.
Bocs, 5,4V-ig.
Hello!
A zéner diódás stabilizálás véghezvitelét 3 dolog befolyásolja: - A bemeneti feszültség - A dióda hőmérséklete - A terhelés nagysága Ez a magyarázat arra, hogy miért nem pontosan 5,1V a stabilizált feszültség. Továbbá még egy fontos dolog az alaktrészszórás. Két teljesen egyforma alkatrész nincs, vagyis lehet, de nagyon ritka dolog. A megfelelő megoldás az amit már írtak előttem: a 12V-os tápág stabilizálása 7805-ös IC segítségével.
Hello!
Majdnem. Inkább.. - a dióda zénerfeszültsége és zénerfeszültség értékének szórása - a munkaponti zéner áram és annak változása - a dióda hőmérsékleti együttható tényezője A többit amit említettél, az nem befolyásoló tényező, hanem az adott alkalmazásban, a számításokhoz szükséges kiindulási adatok. A problémát inkább az szokta okozni, hogy a diódának van egy ajánlott munkaponti árama, ahol a záróirányú karakterisztika meredeksége kicsi. Tehát itt a legkisebb a zénerfeszültség változása a zéneráram változására. Sokszor a zéneráramot olyan értékre választják, ami a könyökszakaszhoz közel esik, ahol jelentős az áramváltozásra létrejövő feszültség változás. Nagyáramú és kis feszültségű diódák "elég görbe" könyökszakasszal rendelkeznek, bár ezek ajánlott munkaponti árama is jelentős. Tehát ajánlatos az adatlap értékei mellett, a karakterisztikát is nézegetni. üdv! proli007
Hello!
Nekem a suliban amikor tanultuk a zéner diódákat, ezeket mondta el a tanár. Ezekszerint csak majdnem jól mondta...
Hello!
Ha a tanár úr egy, a táblára felrajzolt konkrét kapcsolásra állította, akkor igaza volt. De ha általánosságban mondta, akkor rosszul fogalmazott. Mert a megértés - tervezés - méretezés szempontjából az előbbi ismérvek a fontosak. üdv! proli007
Ő álltalánosságban, mondta bármiféle rajz nélkül. Ezekszerint pontatlanúl fogalmazott..
Sziasztok. Egy stabilizátort szeretnék építeni. Egy switch-hez kéne. 9V-os bedugós táp van hozzá, de mi 12V-al szeretnénk táplálni. Így szerintem a 7809 nem jöhet szóba, nem lenne stabil 9V a kimeneten. Így egy zener diódás megoldás kellene egy tranzisztorral. A switch-hez 9V/600mA-es táp volt, mi 12V-os tápról szeretnénk meghajtani. A kérdésem, hogy mekkora ellenállással, illetve milyen tranzisztorral építsem fel a kapcsolást egy 9V1 zenerrel? Segítségeteket előre is köszönöm.
|
Bejelentkezés
Hirdetés |




Nameg persze nemtudom aztse hogy hogyan kellene bekütni a zenereket.
)





