Fórum témák
» Több friss téma |
Mielőtt kérdezel, a következő két dolgot ellenőrizd!
I. A helyes tápfeszültségek megléte.
II. A kimeneten van-e egyenfeszültség.
Élesztés.
Aha...már megvolt! hármat probáltam és mindig ugyanaz a helyzet!
hát akkor nem tom nem lehet hogy az erősítő lelke vagyis az Ic vagy a fet szált el :whatever:
Őőő hát...megvan a probléma!! Kábel szakadás volt és azért nem szólt rendesen!! Holnap megjavitom és már jó is lesz!!
akkor jó ez legalább olcsóbb mint egy új fet vagy ic
A bd-serősítőhöz nem lenne valakinek egy kapcsirajza.Elég nyers nélküle.Ha valaki megépítette,tudna mondani valamit róla?Minőség?Teljesítmény?...
Köszi
Hali mindenki! Esteleg nincs valakinek egy videoton szabályzó modulja? EA6383S-be kéne!
mi a kinja?
hát valószinüleg ez miatt nem szól az erősitő rendesen!! Ha megmozgatom a szabályzó modult akkor jobban szól! de nem érintkezési hiba van mert minden forrasztás stabil! már végképp nem értem h mi lehet a baj!!
ha a nyákot "csavarod ugyan ez a helyzet?
ha nem tul bonyolult gyártsd le a panelt és ültesd be azt uj alkatrészekkel. tuti ez már máskor is bejött...
szerintem feladom!! már annyit kinlódtam vele hogy már belefáradtam a javitásába!! egyszer szól egyszer nem!! na mindegy! ha valaki elvállalná szivesen elküldöm neki!!
én szivesen elvállalom, mindig szivesen nézek kihívás elé
elküldöd?
hány wattos táp kell ennek az erősítőnekhttp://www.electronics-lab.com/projects/audio/013/index.html
minimum 200w de a tulméretezés itt sem árt . de 250-300 biztosan elég lessz.
kössz
akkor jó de akkor mennyi?
100W 8ohmon de nekem 200W-ra kell 4 ohmon
ezzel nem érdemes vessződni 50w 8 ohm körül, de nézd meg kicsit jobban
Idézet: 4 ohmra...„"24V max 5A"” számolj: p= u *i -> p=120VA a felvett, ebből max 84VA ami kijőn, de sztem nem fog... :nemtudom: ja igen, 84VA 4 ohmra ebből következik(mondjuk) 8 ohmra 42VA...
értem
és ez teszerinted jó ? mert ahogy én számoltam ehez 250W-os táp kell P=U*I=50v*5A=250W remélem jó mondom
+-50VDC kell..
amugy kimeneti telj. 1,5* vedd alapul AB, B osztályú erősítőnél.. Idézet: „Kimeneti teljesítmény: 200 W 4 Ohm-on, 100 W 8 Ohm-on”
Helló!
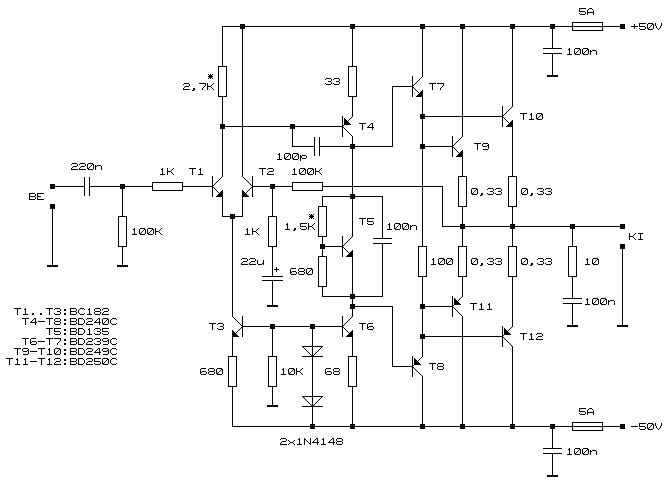
Nah én szereztem egy tápot! 50v-ot ad le. Középkivezetéses! Egyenirányítottam de még nem szimmetrikus táp, mert stab. kockákat vennem kell még. És az lenne a kérdésem hogy ehhez a táphoz tudna-e valaki egy könnyen elkészíthető erősítőt?! A tápegység ha jól tudom egy 2x90w erősítőt hajtott! Ic-set stk végfokokkal.... Ha valaki tud akkor segítsen kapcs. rajzot adni! Lehet ic-s és tranyós is. De az IC-snek jobban örülnék
stabkockál egy minimum 200W-os tápnál??
ott legalább 4A-ek folynak a stabok pedig 1,5A-t bírnak max! Sztem nem jó 5let! Ráadásul a stabkocka max 35V egyent bír el a bemenetén!
persze csak ha LM78xx és LM79xx-es szériáról beszélünk. :yes:
Pedig valamit ki kéne találni rá mert, ehhez a táphoz el akarok készíteni valamilyen erősítőt!
miért akarod stabilizálni? egyenirányítva lesz +-70V-od. Keress hozzá egy IC-t és építs erősítőt.
hát én úgy hallottam hogy IC-s erősítőhöz egyenirányított fesz kell és stabilizálni is kell! Egyszóval szimmetrikus táp kell neki!
Az IC-snek(és szerintem szinte minden erősítőnek!)egyenfesz kell. A szimmetrikus táp az azt jelenti, hogy van a földhöz képest -xV és +xV feszültséged. Amiben stab ic is van az már stabilizált táp, de nem szükséges ilyen egy erősítőnek.
Nem vagy tisztában a fogalmakkal. Álltalában csak simán graetz híd és pufferkondik kellenek egy erősítőhöz. Ritka az amihez stabilizált táp kell. De a stabilizálást akkor sem stabkockákkal csinálják hanem áteresztőstranyós megoldással.
A szimetrikus táp pedig azt jelenti hogy+-70VDC Középkivezetéses trafó 2*50VAC Ajánlom az egyenírányító alapkacsolásokat átolvasnod, itt a cikkek között!! Isa
Sziasztok! Segítséget kérnék az alábbi témában. A REC PAA-600S végfok, amit sztereoban használunk, 2*300 W 4ohm állásban, de 8 ohmos hangfalakkal, egy ideje azt csinálja, hogy egy dinamikus jel hatására kikapcsol. Újraindítás után megy tovább, a következő nagyobb jelig, ahol a védelem újra lekapcsol. Aki találkozott már ilyen jelenséggel, kérem mondja meg, mi a teendő, hol keresendő a hiba. Lehet, hogy a táp kondija? Vagy valami más? Köszi a segítséget!!!!!
|
Bejelentkezés
Hirdetés |





elküldöd?

A tápegység ha jól tudom egy 2x90w erősítőt hajtott! Ic-set stk végfokokkal....





