Fórum témák
» Több friss téma |
Fórum » Csöves erősítő készítése
Ne feledd betartani a fórum viselkedési szabályait, és a topik megmaradásának feltételeit. [link]
A téma átmenetileg fagyasztva lett, hozzászólni nem tudsz!
Az működne is szerintem, de ha van valami testzárlat, akkor nagyot bír csapni... Ezért kell megtartanom a galvanikus kapcsolatot a tápnegatív és a hálózati nullázás között. Első a biztonság ugye...
Fixen van a munkapont és 4 db egyforma végcső van. Próbaképpen beletettem az egyik oldalba rommá használt Tungsram EL84-eket, de semmi nem változott. A zizegés meg letekert normál-csatorna hangerőnél hangosabb kicsit, mint a többi állásban. A poti negyed állásánál viszont majdnem teljesen eltűnik...
Ezeket a kicsiket csináltam mostanában, mind tökéletes lett. Egyre biztosabb vagyok benne, hogy nyugati kollégáink szándékosan rontották el a kisebb teljesítményű erősítőiket, hogy minőségben is jelentősen rosszabbak legyenek, mint a drágább nagyobbak (mert ha jó, még azt gondolná a polgár, hogy jó neki az olcsó kisteljesítményű is a szobába).
Körülbelül egyforma frekimenete, négyszögátvitele van mindegyiknek (jó), de a két Philips, különösen az ECL86-os egy klasszissal jobban szól, a gyors vas miatt. Itt nem a jó frekiátvitelt, hanem a jó amplitúdó felbontást értem gyors vas alatt, magyarul kicsi a vesztesége a vasnak (mint az amorphoknál). Úgy kell elképzelni, mint amikor 1:1-es áttételű dinamóvasból készült trafóba bevezetsz 5 mV-ot (mindegy milyen frekin), a szekunderen nem találsz semmit, egy szokásos 0,35-ös szilíciumos trafónál mérsz a szekunderen 2 mV-ot, ezeken a philips vasakon mérsz 3 mV-ot, egy amorphon mérsz 4,5 mV-ot. Az ebből következő javulás jól hallható a teljes frekvenciasávban, az énekhangot különösen feljavítja (a feszültségértékek csak kitaláltak a példa kedvéért!).
A zizegés oka lehet hogy az első cső rácslevezetője körül keresendő, lehet hogy meg kell növelni (vagy, ha nincs tenni kell) az első cső rácsa, és a rácslevezető közé egy ellenállást (ráccsal sorosan 1-10 K), vagy az első csövet kicserélni olyanra, amivel nem zizeg. A fényes bemenet testkapcsolós szokott lenni, ha eltolod a testkapcsolót, hogy ne érintkezzen, lehet hogy az is zizeg.
Az összes csatorna bemenete testelődik, ha kihúzom a jack-et. az 1Mohm-os levezető a csatlakozóknál van, nem a cső mellett. Viszont az nem megy a fejembe, miért hallgat el negyed állásban. A többi csatorna ezt nem csinálja. Azon is gondolkodtam, hogy visszaveszem a normál csatorna erősítését. Komolyan mondom, nem értem mit zabálnak annyira az AC30-on, tele van nyűggel és az újabbak teljesen megbízhatatlanok. Az is izgat, hogy régebben nem volt ilyen baja állítólag... Viszont nem hagyott nyugodni a bias kérdése: Vettem nemrég egy AC30 fejet, rommá van moddolva, de a végfok eredeti benne. 4 db egyforma végcső és picit búg... az anódáramok meg nem egyformák... Be kell építenem egy bias potit, úgy érzem, hasznos lehet...
A rácslevezetőtől a rács felé van soros ellenállás ? Próbálj tenni, másik csővel is érdemes megpróbálni (gondolom ECC83 vagy annak megfelelő van, ebből több is szokott lenni egy erősítőben, átcserélve egy másikra, annak lehet hogy nem hajlamos gerjedésre az a csőfele, ami ide esik.
Kipróbálom az ellenállás dolgot, nincs soros ellenállás a rácsokkal. Gondolom, közvetlenül a csőfoglalathoz érdemes tenni. A szimmetria-állítást pedig úgy képzeltem, hogy "felveszem" a rácsot testre húzó ellenállások test felőli végét, és egy 50k-s poti egy-egy felére kötöm őket, a csúszkát pedig testre. Gondolom, ez így működhet.
50 ohmot akartál írni, jó lesz úgy (jóminőségű poti kell). A megnőtt hálózati fesz miatt amúgy is elfér plusz 25 ohm az EL84 alá.
![]() Jaa...te a rácslevezetőt mondtad, az nem jó, a katódkörben kell kiegyenlíteni az áramot. A rácsnak mindegy, hogy mekkora ellenálláson keresztül teszik testre (csak belül legyen a mgengedett maximumon), attól nem változik a nyugalmi áram.
Mmm, na várjunk... A rács a katódhoz képest negatív. Ez az előfeszültség, amitől függ a csövön folyó áram. Ha ennek a szimmetriáját tekergetem, akkor változik a nyugalmi áram. A kimenő dc-ellenállása nem teljesen egyforma, hiába vannak párba a csövek... A katódellenállást felemeltem 68ohm-ra a 47-ről, mert a VOX-ok eléggé fektetik a csöveket. Ja, a soros rácsellenállás nem jött be. Még zajlik a kísérlet...
Nem, a katód a rácshoz képest pozitív, a katódellenálláson eső feszültséggel. Amire te gondolsz az a fix rácselőfesz megoldásnál és a vegyes megoldásnál van, ahol konktétan a negatív feszültséget szabályozod, olyankor nincs katódellenállás, vagy nem a teljes rácselőfeszt állítja elő valamint a rácslevezető nem a testre megy, hanem egy negatív tápra. :yes:
Hoppácska, fejlemény van... A fűtés egyik végét kínomban lehúztam testre 100nF kondival. Elhallgatott!!! Pici ötvenhertz van még, de az tiszta tápbúgás, úgyhogy 1-2 plusz elkó segíteni fog. Nem gyanakodtam a fűtésre, mivel a fűtéstekercs a közepén meg van csapolva és a testre vagyon kötve. Mégsem volt elég... Ezt most az öreg vox fejemben követtem el. Remélem beválik az újabb kombónál is... Ja, a fej 1965 körül készült és csak elkókat cseréltem benne, a kombó 1993-ban és már az összes poti cserés volt, plusz a csőfoglalatok. Még így is csendesebb a régi...
Jah igen, egyről beszélünk. Gondoltam logikus, hogy így is változik a szimmetria. Nem igazán tartom jó ötletnek nagy teljesítményű poti beépítését a katódba. Marad így szerintem. Végül is ami a leginkább bosszantott, az megoldódott...
Esetleg csőpáronként külön katódellenállás?
Itt akkor vegyes rácselőfesz van, ha jól értem, akkor tényleg jó, ahogyan elgondoltad, a negatív fesz osztó testre menő részét szabályoztad volna.
Pontosan
Sziasztok! Hozzáfogtam egy el84PP tervezésébe, és megépítésébe. Felrakok egy két képet és a kapcsolási rajzot. Ha van észrevételetek, ne fogjátok vissza magatokat, akár a rajzzal, akár mással kapcsolatban. A legjobbat szeretném kihozni belőle, ezért minden építő jellegű hozzászólás érdekel. Köszi!
Az alkatrész elhelyezéssel kapcsolatban légszereltre képzeltem el, a táp toroid a burkolaton belül lesz, a két kimenő felül. Vannak régi bontott szűrőkondiaim, de nem tudom belerakjam e vagy inkább újakat tegyek. Fénycső fojtó lenne a táp részben de nem tudom melyik típus kellene bele.
Erről a kapcsolásról engem már lebeszéltek itt a fórumon, de makacs fejemmel első csövesnek megcsináltam monóba, és igazuk volt nem okés a rajz. Bár brumm nélkül szóldogált, (kezdők szerencséje), de a lényeg, hogy hangra, és teljesitményre is messze volt a várhatótól. Bár a beállitással már nem is bibelődtem.
Sziasztok. Nincs valakinek erröl a rajzról kész nyákterve, "lay" formátumba?
http://picasaweb.google.hu/benusapc/PCL86pp#5389943628712676562
A 6H13C-d PP-jét hány kohm-ra illesztetted?
Mert én most tekertettem két toroid kimenőt Fletával a nem sokáig 6H13C OTL-emhez, hogy PPP legyen belőle, és azt 600ohm/8ohm-ra készíttettem. A tied k.b. 1,2K/8 ohm-osnak kéne lennie mármint a max 250V tápfesz esetén.
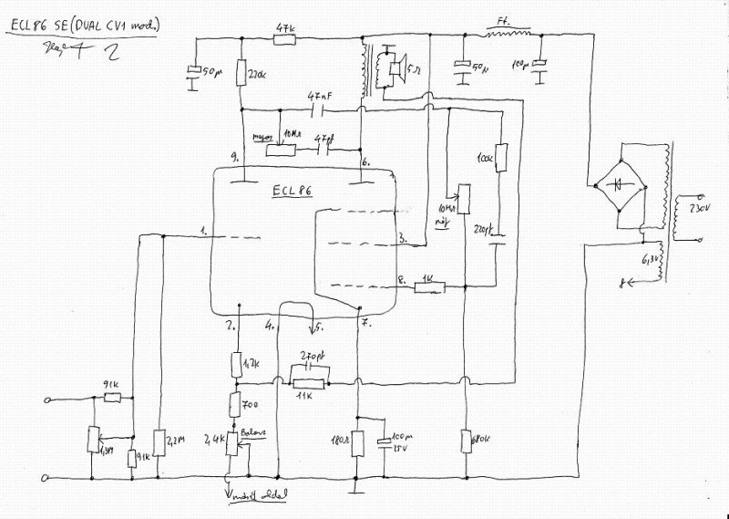
Sziasztok! A PCL86SE 1k2 ellenállásait milyen teljesítményűnek lenne érdemes választani? Köszi!
Hát elég sok kapcsolási rajzot megnéztem én is. Nagy csodákat nem láttam. Az EL84 es meghajtás gyakorlatilag egyforma mindegyiknél, ennél egy kicsit meg van cifrázva, lehet hogy egy egyszerűbb is megfelelne. Az ECC 83-nál már több variáció is van, és gondolom itt dőlnek el a dolgok.
Szevasz!
Szerintem batran probald ki, ha van hozza trafod. A tapegyseget atalakitanam felvezetosre. A kimenotrafo primer kozepe jobb lenne kozvetlenul az elso pufferen. Ha graetz-hidat hasznalsz, adhatsz neki nagzobb puffert is, olyan 220µF mar megteszi. Tapasztalataim szerint a kozepen csapolt futotekercs nem mindig az igazi, jobb a ket veget 1-1 100 ohmos ellenallassal testelni. Arra meg vigyazz, hogy diodahid eseten mas feszultsegu anodtekercs kell! Remelem hasznalhato infot adtam. Ja, meg valami: a segedracsokkal sorba betennek 100 ohm koruli ellenallasokat.
Igazabol haver akar epiteni egy el84 PP vegfokot budapest radio trafokeszletenek felhasznalasaval. Ezt a kapcsolast nezte ki. Egyeniranyitas maradna csoves, ez81-el. A 100ohm jo otlet, azt bele is rakom, na meg kiprobaljuk majd sima pentodakent is, mert nekem eddig egy UL kapcsolas se valt be igazan.
Az anodtapot miert az elso pufferrol vegyem? Nem jobb ha mar egy fokkal jobban szurtet kap?
A legnagyobb aram ott folyik, szerintem rangatna a tapfeszt. ha van valami fojtod, akkor az jobb lehet, az elocsonek meg a racsoknak jo az rc-szures. Ha meg hagyod a csoves tapot, akkor kifejezetten sokat segit a fojto az elso lepcsoben. En tavaly 2db MV3-at alakitottam at, ott is a fopufferrol (220uF) kapja a delejt a kimeno. Semmi zaja. Most epp ul-ben van, de tervezem visszakotni sima pp-be. Valahogy fura a hangja igy. Nem rossz eppen, csak erotlennek tunik, nincs "lendulete"
Arra is figyelj, hogy a csoves egyeniranyitasnal a cso adatlapjan nezd meg, mekkora lehet a max elso puffer. A csoves ei. nem nagyon szereti a nagy kondikat kozvetlenul maga elott.
Koszi a tippeket! Igy probalom elso korben ahogy javaslod.
UL nel enis pont ugyanezt hallom amit teis irsz. Lagymatag, kontrollalatlanok lesznek a melyek tole, nem azaz igazan jo feszes, amilyen kellene legyen.
Talan meg a visszacsatolast lehetne lazitani, amig birja gerjedes nelkul. Probakepp tehetsz kb 10k-s trimmert, ha mar szol, kiveheted a kondit is, ne szoljon bele a frekimenetbe. Ha nem gerjed, akkor jo
Ha csak sipol elso bekapcsolasnal, forditsd meg a ki meno primereit. A katodellenallast is emelnem 150 ohm-ra, a rajta levo kondit meg 100µF-ra. Csak megszokasbol. Ha kb 340V anodfeszed van...Egyszeru kis cucc, lehet vele batran kiserletezni. |
Bejelentkezés
Hirdetés |










