Fórum témák
» Több friss téma |
Hello Mindenki!
A problémám a következő: Vásároltam két csillárt, melyeknek a fényerejét a lámpatest érintésével lehet szabályozni. A két csillár párhuzamosan van kötve. A gondom egyik része az, hogy az a csillár ami a párhuzamos kötés végén van önálló életre szokott kelni, és magától váltogatja a fényerejét. A másik probléma, hogyha lekapcsolom a lakásban a kamra lámpát, akkor is ugrik egy erősséget a lámpa fénye. A lakás világítása egy biztosítékra van kötve és társasházról van szó. A fennti probléma kiküszöbölésére várok tanácsokat (villamosságból analfabéta vagyok), a helyi szakikat már kérdeztem, csak ötletelnek. A válaszokat előre is köszönöm.
Szét kellene szedni az elektronikáig. Belül valószínű van egy cél ic, és az kis feszültségű. Trafó nélkül kapja a tápfeszt soros ellenállás, kondi segítségével. Majd egy zener stabilizálja a feszt. Na ott a puffer kondiját kellene növelni és szürni több kondival. Esetleg egy síma lc zajszűrőt is beiktatnák az egész áramkör elé, és nem kapna tüskéket áramlökéseket.
Megjegyzem nekem is az éjjeli lámpám ien, és nem van elötte egy kapcsolo, mert volt hogy haza jöttem és világított. Idegesítő, de még nem jutottam el oda hogy ezekt megtegyem vele próbára. Amugy ajánlom a figyelmedbe a fórum keresőjét: keresőőőőő
Szia. Gondolom ez nem a menyezeten van, mert akkor kissé nehézkes a menyezeti csillárt fogdosni, ha le, fel, vagy fényerőt szeretnél változtatni. Ha állólámpa, akkor két külön-külön konnektorba próbáld bedugni. Tulajdonképpen így is párhuzamos kötés alakul ki, csak így távolabb van a "kötés" és esetleg nem lesz egymásra hatás. Védő föld van a konnektorokban? Próbáltad már a két lámpát felcserélni? Úgy is csinálja a rendellenességet? Önmagában egy lámpa csinálja a bolondozást?
Hát,igen. A fő gond az, hogy előszeretettel hagyják ki a fojtót, meg az X2-es kondikat, mert drága,és helyet foglal. Ugyanígy az olcsóbb PC-tápoknál is hiányoznak ezek. Hiába van előírás a hálózat felé visszanyomott zavar szintjére, fittyet hánynak rá, meg is van az eredménye...
mennyezeti lámpa, volt már felcserélve (a helyzet változatlan volt), a kettő közül mindig a kötés (párhuzamos) végén lévő szórakozik
Akkor az előttem szóló Fórumtársak álltal javasolt megoldásra szavazok. Zavarszűrést kell alkalmazni. Esetleg megpróbálhatsz egy olyan dolgot, hogy veszel hálózati zavarszűrőt. (LC) És azt értelemszerűen bekötöd, bekötteted a csillárokhoz.
Konkrétabban leírnád, mire is gondolsz az alábbiaknál:
"fojtót, meg az X2-es kondikat" köszi!
Hali!
Én szeretnék egy érintőkapcsolós lámpához új nyákot tervezni mert ami van azt nem tudom megjavítani mert egybe van öntve az egész és nem látom a nyákot! Szóval valaki nem tud nekem kapcsolást vagy nyáktervet adni hozzá? Naon fontos lenne!
Sziasztok!
MKE-s szobrász hallgató vagyok szóval az elektronikai dolgok terén igen csak szerény a tudásom, viszont egy olyan munkát készítek amihez szeretnék tanácsot kérni tőletek. A munka tulajdonképpen egy lámpa ami a lámpatest érintésével fénylik fel és alszik ki. A lámpatestet már elkészítettem, csak a bensőség hiányzik hozzá. Én arra gondoltam hogy a hagyományos villanykapcsolók körében elterjedt érintős és fényerőszabályozós kapcsolót használom fel. Be is szereztem egyet, és ezt a lámpatest belső falára erősítettem úgy hogy a kapcsolóból kiálló kis rugó nekifeszül a belső oldalnak. És itt jön a problémám. Nem vagyok biztos abban hogy ez eddig jó, illetve hogy ezután hogy vezet el az út a 220-ba való használhatóságig. Ebbe szeretnék tanácsot kérni tőletek, hogy ez hogyan kivitelezhető. Előre is köszönöm!
Hello!
Nekem olyan gondom van,h van egy asztali lámpa, ami érintésre kapcsol be- ill. ki! Nos ez véletlen leesett a földre és a panelján szétégett a tranzisztor... meg valamennyire a nyomtatott áramkör is, de az még javítható! Nos a kérdésem az lenne (mivel nem lehet tudni milyen a fajtája a tranzisztornak),h milyen tranzisztor kell bele? Amiket el lehet olvasni a lapkáról: A panelon ezt írja: JH301 B vagy (JH30I B vagy JH301 B vagy JH301 8) szóval ezeknek a valamelyike... googlen nem sokat találtam...:no: van rajta egy beégetett memória (chip) amin meg ez áll: 8486A-3 ha ebből nem lehet rájönni, akkor jó lenne egy séma ami alapján megtudnám csinálni! tudnátok nekem segíteni? :no: üdv! makrodom
Szia! Esetleg keresd meg a lámpa tipusát vagy küldj fényképet. Üdv.: Yoe
Üdv. Az ilyen lámpákaban általában triakot használnak tranzisztor helyett. BT134/600 valószínüleg jó lehet bele.
A tipusát nem nagyon lehet felfedezni! (made in china)
Ja és hálózati feszről megy! A képet csatoltam! Üdv!
Persze hogy hálózati feszről megy, pont emiatt használnak benne triakot s nem tranzisztort. Nem rég javítottam én is egy ilyet abban is az említett triak volt, abban a tipusban három fokozatban lehettet kapcsolni a fényerőt a kis érintőponton keresztül.
És milyen triac kell bele?
Tudom a kép nem valami,de ez lett a legjobb! Ha jól emlékszem itt is három állása van neki, és az egész alsó részén müködött az érintéskapcsolás!
Üdv. Mint fentebb is irtam BT134/600E jó bele, az én példányomban is ez volt. Tehetsz bel más triakot is, ha ez nincs kéznél , alényeg hogy birja el az égő teljesítményét.
Köszi szépen!
Sikerült egy jobb képet csinálnom! És valószinü az ellenállásnak is annyi... meg a kondi is elég fekete, de még nincs szétpukkadva! Na de véletlen nem tudnád megmondani,h mekkora ellenállás meg kondi megy oda? Esetleg valami séma hozzá? Mert a panel is elég hegyes völgyes.... :no: Köszi mégegyszer! Üdv!
Szia!
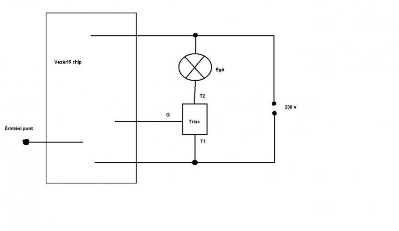
Arra az esetre ha nem lenne meg a hiányzó részlethez az információ és a vezérlő chip is tönkre ment volna (nincs kizárva), ez a rajz tökéletesen működik ha megépíted.
Kimérni nem próbáltad őket, lehet semmi bajuk sincs, csak a triac "festette" be őket mikor szétégett. Rajzom az sajnos nekem sincs, de ha a nyák másik oldalárol is készítessz képet akkor lehet hogy ki tudunk indulni az alkatrészek helyzetéből, hogy kb. mi milehet.
Közben megleltem a vezérlő csipp adatlapját, ebből már ki lehet indulni
Az ellenállást már kimértem (szakadást mutat)... azért is kérdeztem,h nem-e tudjátok véletlen mekkora kell!
A másik oldaláról holnap csinálok egy képet, mert kint tudok a legszebbet csinálni! Az elméleti részét viszont nem nagyon értem az egésznek... mármint a müködési elvét! Ugye a 220-ba be kell dugni... rámegy a panelre a fázis és a nulla ( ez eddig 2 vezeték)... valamint ahogy megérintjük a bizonyos ponton a lámpatestet adunk egy impulzust másik 2 szál vezetéken keresztül a panelnek,h kapcsolhatja erősebb fokozatra az égőt... ( én 4 drótot vágtam le (lusta voltam kicinezgetni) ezért gondolom,h valami ilyesmi alapján müködhet) Valami ilyesmi?
Íme itt a hátlap is!
Azok a krikszkrakszok csak az én müveim Tudjam,h melyik vezeték hova csatlakozott....Asszem jól látszik az égett rész! Ha a többi dolog nem sérült lehet felesleges uj panelt csinálni... fogom és drótokkal áthuzgálom... Üdv!
Szia. Készítettem a működéséről egy egyszerű rajzot, remélem ez mindent elárul (leirni nehezebb lett volna
).
Az alkatrészek értékei is meg vannak, ha jól látom az áramkör, az IC alpakapcsolásában müködik, az adatlapjában szereplő kapcsolási rajzban. Készítettem eről is egy rajzot. A triak beforrasztásánál figyelj a láb kiosztásra hogy T1, T2, G a megfelelő helyére kerüljön.
Köszi szépen!
Átrajzoltam kézzel hátha kicsit jobban áttekinthető! A diódák irányát a kis zennermél nem tudom hogy állapitsam meg mérés nélkül... nem nagyon látszik a jelölés! Ez így rendben lesz? Sajnos pontosan nem tudom melyik szinü vezeték hova megy... nincs itthon a lámpa, de ha odajutok megnézem azt is! Valamint még az érdekelne,h a triacnak hogyan mérjem ki a lábait? A másik meg,h ez a tipus lapos(BT134/600E), ami meg volt eredetileg benne az kicsit domború fajta! Ez nem jelent gondot? üdv!
Üdv. Milyen diódákra gondolsz?
Közben készitettem egy másik rajzot, itt bejelöltem rá hogy mi mihez csatlakozik, ez alapján kösd majd be. A triakot nem tudod kimérni (nem is kell). Közben észrevettem a képen hogy az eredet triac lábkiosztása más volt mint a BT134/600- é ezért úgy kösd majd be a triakot ahogy azt az ábrán bejelöltem jelöltem, ezen minden rajta van... :yes:
okés!
Köszi! Megcsinálom! Két zenner dióda van, és én a kisebbre gondoltam közvetlen a chip mellett... üdv!
Azokkal nem kell foglalkoznod, (a nagyobbik egyenirányit, a chip meletti pedig a stabil feszt állítja elő az IC számára)azok úgy jól vannak ha eggyik sem hibás.. Viszont ha jól látom, a panelből kispórolták az érzékelőnél lévő 2 db. 1N4148 diódát, na ezeket esetleg beépitheted (bár ezek nélkül is működnie kell a kapcsolásnak)..
Értem!
Ezek szerint a pirossal jelölt részre kell beraknom? Gondolom a végei nem csak a levegőben lógnak?! Egyik végét fázisra másik végét 0ra kötni? üdv! |
Bejelentkezés
Hirdetés |






Tudjam,h melyik vezeték hova csatlakozott....











