Fórum témák
» Több friss téma |
Fórum » PC táp átalakítás
A kérdés.Kiforrasztottam atrafót meg mindent ami nem kell.A trafót hogy tudom szétszedni?Mint ha valami olyan hallottam volna még valamikor hogy melegítani kell és a hőtől a ragasztó engedni fog.Igaz ez?
Kicsit lehet hogy enged a ragacs de ne biztos hogy éppségben szétjön
Hello!
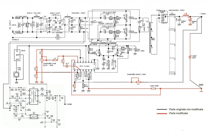
Szerintem ez a rajz, a harmadik képen szereplő tápod.. A KA IC ne tévesszen meg, az ugyan az, mint a TL494-es üdv! proli007
Van egy régi PC tápom. Annyi átalakítást csinátam, hogy a zöldet földre kötöttem, mert van hátul kapcsoló, és RCA aljzatokon kivezettem a feszültségeket. (+12 -12 +5 -5 3.3) az RCA kábelek végén tüskék vannak, próbapanelon matattam vele. Kikapcsoltam hátul a tápot, kihuztam két tüskét a panelból, erre jól megvágott. hozzaérintem a faziscerkát a kivezetett 0-hoz erre világít. Persze ha fordítva dugom be a tápot akkor nem...
Normális ez?
Nem normális, a védőföld be van kötve? Vagy a táp házán is világít a fáziscerka..
Üdv!
Már végigolvastam a topikot párszor. Megvettem a tápokat (átalakításra), tanulmányoztam, és most kérdeznék. Belinkelem a két képet, ezt ismeritek, mert innen vannak, és azt szeretném kérdezni, hogy a módiosított tápnál a nem szereplő alkatrészeket el lehet távolítani teljesen? Tehát eltávolítható az Overvoltage kör, a Powergood kör és a 3,3 V stabilizing kör minden alkatrésze? A módisított tápnál pedig beépítem az új alkatrészeket? Amire kell nekem: 3,5-12 V-ig kell egy szabályozható táp, max 10A terhelésre, későbbiekben NTC-vel szabályozva, ha emelkedik a hőmérséklet, emelkedjen a kimeneti feszültség is (ventillátort fog hajtani). (ha nem jelennének meg a képek, a Chirio féle átalakításról lenne szó.
A hosszabító volt a ludas...
Kimértem, a földelés és fázis között 100V, 0 és földelés között 80V... A konnektort, az stimmel. ui: még mindig nem jó valami, ugyanúgy világít a táp 0 ja...
Akkor a bejövő földed is rossz (vagy a másik kezeddel a fázist fogod
) ) ...Az én cerkám nem világit a pc testjén
Hát Péter...
Igaz. Én pont ma este szívtam meg vele. JÓ 4-5 percig főztem a transzformátorlevest, aztán felvettem egy munkáskesztyűt, kiemeltem a vízből a farkánál fogva, és ahogy ballagtam kifelé a műhelyhez, már az előtérben szétcsúszott a két E mag egymástól, az egyik mindjárt a járólapon landolt. Na király... Pont a kedvenc trafócskám ment halálba (ez volt a legnagyobb, és szép zöld volt.)
Én egy régi 200 W-os PC tápot használok univerzális tápegységnek. Lehámoztam róla a dobozt és csináltam neki egy kisebbet és teljesen újat. Az új ventilátort, amely kisebb mint az eredeti, közvetlenül a hűtőbordák (lemezek) tetejére szereltem fel.
A táp 5 Voltos kivezetése nálam nincs kihasználva, csupán a bekapcsolást jelző LED diótát hajtja meg, ám a 12 Voltos kimenetére mindenféle autós cuccot rá tudok dugni (a dugasz maga a szabványos szivargyújtónak az anyarésze, az lett beleépítve az új dobozba kivezetésnek) Egyenlőre nagyon jól teszi a dolgát, lassan másfél éve használom, erről megy nekem 220 Voltnál /ha éppen kell/ az autós hűtőláda, a gumimatracot felfújó pumpa, az autós porszívó, stb. Tehát egy 200 W-os régi számítógépes AT tápot nem kell mindjárt a kukába dobni!
Igazad van.
Egy képet tennél fel nekünk a "Ki mit épített?" topikba?
NOs.Jelentem hogy 5-6 perc főzés után könynedén és sértetlenül szétjött a trafó.Mi a következő lépés?A 35V szimmetrikus fesz a cél..
Szóval.Lefotóztam a trafótBővebben: Link.Adott a 6 kimenet a szekunderen.Balról jobbra menyik lábhoz és mennyit kell hozzátekerni a 35V-hoz?Valamikor hallottam olyat hogy 2.5 menetet kell hozzá a 40V-hoz.Szóval mennyi az annyi és melyik láb(ak)?
van ilyen trafóm ha kell ***** és azon tudsz kisérletezni.
pontos adatot nem tudok a tekercseléssel kapcsolatba de ez elég elvetemült ötlet hogy ujratekercselni ![]() szerintem nem jön össze egy könnyen mert annak a 30-40V-hoz a szabályzást is át kell alakítani szerintem de ilyennel én még ne mpróbálkoztam hogy áttekerem a pc táp trafóját
Ja és szimmetrikus fesz kellene mégegy bonyodalom
egy sima toroid egyenirányítva és pufferelve az lenne az igazi
Szimmetrikus fesz. önmagában nem bonyodalom. Szerintem nem bonyolultabb a szabályzást 40V-hoz sem átalakítani, mint 20-hoz.
A széttekeréssel tényleg óvatosan kéne, mert ha tapétakéssel bontjuk meg azt a sárga fóliát, akkor esélyes, hogy megsértjük a huzal bevonatát. Egyébként lenne egy javaslatom, csak ha ez hamarabb jut eszembe, akkor szét sem kell szedni a trafót. Igazából volt még 1 ötletem, amit már leírtam itt a fórumban, de ahoz schottky híd kellett volna. Arról lenne szó, hogy a GND vezetéket szét kéne szedni szálakra, és ügyesen sorba kötögetni a megfelelő tekercseket. EcoPityu dokumentuma adta az ötletet, aminek a címe : "Mire jó egy PC-táp trafó?" Itt a fórumban legközelebb a 38. oldalon van, kb a közepe-vége felé.
Naszóval.A trafót már szétszedtem.A sátga szigetelést már leszedtem róla fdigyeltem az óvatosságra.Szerintem nem sértettem meg a bevonatot a huzalon.DE
Ha valaki pontosan leírja hogy mit és hogyan kell rakta tekerne akkor én az egészet újra tekerném.VAn itthon pontosan ilyen vastag huzalom és akkor az biztos hogy nem sérült.Találtam egy rajzot atrafó feépítéséről de nem egészen értem.HA valaki le tudná írni hogy az X lábtól elkezdem tekerek ennyit akkor hozzákötöm az Y lábhoz aztán tovább tekerem N menettel akkor megcsinálnám az egészet újra.35V a cél.
Értem,hogy mire gondolsz. Akkor áttekerés nélkül lehet 2x13 menetes trafód.Ami 26VAC és kb +-37V . Ami az erősítő építő kollegáknak nagy örömet okoz. Az meg végképp ne zavarjon ,hogy shottky híd kell , mert egyébként is 4 diódával van egyenirányítva a két oldal.
Szerintem kellene egy segédpanel ,amin meg lehet oldani a trafó kötözgetést , egyenirányítást ,pufferelést, és tisztességes szűrést.A többi alkatrészt ,meg ellehet takarítani a terepről. Jó ötlet ! Gratula!
Üdv.!
Átalakítható-e úgy a tápegység, hogy 50 Volt egyenfeszültségről lehessen táplálni? Köszi?
Nem tudom, a trafókon hány menet szokott lenni, nem szedtem még szét egyet sem. Azt olvastam, hogy általában az 5V-os oldal 3 szál párhuzamos vezetékből van tekercselve, és ezek végéhez szokott továbbtekerve lenni a 12V-os tekercs, 1 vezetékből. Ha az 5V-os tekercs 3 szálát sikerül szétbontani és fázishelyesen sorbakötni, akkor 5V helyett 15V lesz ezen a kimeneten, feltéve, hogy a tápegység szabályozási pontját az eredeti helyen hagyjuk. Ehhez hozzáadva az eredeti 12V-os rész 7V-os tekercsét 22V-ot kapunk. Tapasztalatok alapján az eredeti 12V a terhelhetőség megtartása mellett maximum 18-19V körülre emelhető meg, ez mondjuk 1.5x-es szorzó. Ezt a szorzót alkalmazva a 22V-ra 33V maximum, terhelhető kimenet várható. Talán egy próbát érdemes lenne tenni vele!
A kiegészítő panellel kapcsolatban nekem más a véleményem. Már korábban is gondolkoztam rajta, de lehet, hogy tényleg érdemes lenne foglalkozni a témával: az eredeti PC táp panel méretében megtervezni egy olyan panelt, amibe PC tápból bontott alkatrészeket lehetne beültetni, viszont a kapcsolása _teljes mértékben ismert_, így korrekt útmutatás adható arra, hogy milyen kimeneti igények esetén hogyan, milyen értékű alkatrészeket ültessünk be bizonyos pozíciókba. Lehetne a panelen esetleg átkötésekkel kialakítani különböző szekunderkonfigurációkat, akár egy ilyen, fentebb leírt, szétbontott szekunderű trafó könnyű felhasználásához is. Szerintem ez lenne a jó megoldás, nem pedig a millió féle PC-s tápegységet megérteni és egyenként átalakítani. Ezt egyszer kellene megcsinálni, utána ha kell valakinek egy tápegység, csak egyszerűen utánépíti.
Igaz tényleg rosszul számoltam. 1.6 V /menet kb amivel lehet számolni. Nem tudom miért lett ez 2V nálam.
![]() Ez a panel nagyon jó ötlet. Ezek a tápok mind tartalmazzák azokat az alkatrészeket amire szükség lehet. Csak egy panel , meg egy pc táp kell . Nameg egy jó leírás. Jó kis cikket fogsz belőle írni. :pirul:
Hali van 2 db pc tápom amik azt csinálják hogy ha ráadom a feszt a bemenő oldalukra,akkor a venti egy kicsit megmozdul és csak ciripel valami a tápban.
Szerintetek mi a bajuk a tápoknak??
Gyengélkedik a készenléti véleményem szerint.
Szerintem zárlat is lehet valahol vagy hibás kondi. akor csinálta nekem ugyanezt.Nézd át a nyákot nincs e szakadás vagy égésnyom.
A készenléti az melyik része,és ott melyik alkatrészek lehetnek rosszak?
Szia véletlenül mindkét táp 12V rászét rövidre zártam ez mit nyírhatott ki?
Ha magát a kivezetést zártad rövidre, akkor a védelem tiltott, ilyenkor csak a készenléti fut. Ki kell húzni a hálózatból még el nem hallgat, mert ilyenkor szeret ciripelni, és újra bedugni, attól még futni fog.
Pont így jártam énis pár alkalommal még működött utána megégett a nyáklapon az egyik vezetőfólia és megszakadt az áramkör de áthidaltam és ment tovább.
Próbáltam hogy kihúzom de semmilyen eredménye sincsen , csak ciripel tovább és semmit sem csinál.
|
Bejelentkezés
Hirdetés |






) ) ...





