Fórum témák
» Több friss téma |
Mielőtt kérdezel, a következő két dolgot ellenőrizd!
I. A helyes tápfeszültségek megléte.
II. A kimeneten van-e egyenfeszültség.
Élesztés.
Értem, én is erre tippeltem volna
![]() Gondolom érdemes itthon összehozni valami hosszabbítót. Milyen vezeték alkalmas erre a célra?
Mi tetszik rajta annyira?
Én viszont nem hallgatnám ezt szívesen, garantált, hogy nem szól jól........
Szevasztok. LM1036-tal megépített előfok kapcsolási rajzában kérném a segítségeteket. Nem tudom mit jelenthet a Pr1 a rajzban.
Segítségetek előre is köszönöm.
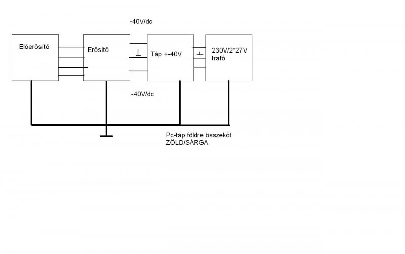
Üdv!
Ha a mellékelt kép alapján alakítom ki a földelést az erősítőn belül akkor az jó érintésvédelmi szempontból is!? Ja a trafó egy rossz PC táp házba kerülne! Az abban található zöld/sárgára kötnénk mindent! Sima régi lemezelt trafó!
Lehet, hogy egyszerű, de nem teljesen korrekt. Nincs utánhúzás sem benne, és a 4 tranyónak a 2 dióda elég kevés nyitófeszt ad, nem nagyon lesz nyugalmi áram. Ez pedig óhatatlanul emeli - főleg magasabb frekvenciákon - a keresztezési torzítást, arra pedig elég háklis a fülünk.
Sziasztok!
Most építeném az első erősítőmet, de lenne pár kérdésem ezzel kapcsolatban! 1.kérdés: Az audió vezetéknek a + részét a az U be kell kötni (elvileg) de a - részét azt hová? 2. kérdésem: A troidból ki jövő vezetéket azt csak simán rá kötöm a panelre vagy kell közé valami? Ha kell akk mi? Előre is köszönöm a válaszaitokat! További szép estét!
Az audio vezetéked - (árnyékolás) részét a GND-re, avagy testre kell kössed.
A toroidból jövő vezetékek még váltó feszültséggel rendelkeznek, a végfoknak meg egyen feszültség kell, ha van a nyákodon egyenirányítás meg puffer kondi, azaz tápegység, akkor csak simán rá kell kössed a nyák megfelelő pontjaira, ha nincs akkor kell építs egy tápegységet a végfok és toroid közé. Egy diódahíd (graetz hid vagy ahogy nevezik) plusz puffer kondik.
Szia!
Az audió kábel plusz részét a bemenetre kell kötnöd, minusz részét a földre. A toroidból kijövő feszültséget egyenirányítanod kell, majd szűrnöd, pufferelned, esetleg stabilizálnod - csak így előzheted meg az erősítőbe jutó nemkívánatos zajokat.
Szia hapro!
Gyorsabb voltál... :crazya:
Oké megpróbálkozom vele!
És nagyonszépenköszönöm a válaszokat!
1 olyan kérésem lenne hogy nem tudna nekem valaki adni 1 olyan kapcsolást ami létre hozza az egyenirányítást, a szűrést és a puffer kondik beszerelését?
Mert ezt így nem nagyon vágom sajna!
Helló. Itt van egy rajz az egyenirányítóról és a pufferelésről. Én még a 10 000µF-os kondenzátorokkal párhuzamosan tennék egy-egy 100nF-os kondit (nagyfrekvenciás zavarszűrés miatt). Sok sikert!
Nem találtam jobb topikot a kérdésemre:
Mitől lehet az, hogy néhány hete a hangfalból hallatszik valami rádióadás. Elég idegesítő tud lenni. Ha tippelnem kéne, akkor azóta van jelen, hogy egy külső hangkártyáról kapja a jelet az erősítő. Valami földelési gubanc lenne? De érdekes, mert ha a fejhallgató erősítőm van ugyan erre a külső hangkártyára kötve, meg sem nyikkan a rádióadó.
Földhurok a jelenség okozója. Kétféle képpen tudod ezt elkerülni. Egy pár Ohm-os ellenállás segítégével egy külön kábellel kötöd az erősítőre a számítógép házát, vagy mindkét ezköszt megfelelő minőségű földelt elosztóba dugaszolod. A legegyszerűbben úgy tudod megállapítani, hogy tényleg földhurok van-e a hibajelenség mögött, hogy egy multiméterrel megméred, hogy a két készülék közt van-e potenciálkülönbség. Ha van, akkor egyértelmű mit kell tenned.
Remélem okosat sikerült mondanom.
Ennek talán az elődjét építettem meg. Az nem szimetrikus táppal volt szerelve, de hellyel - közzel ugyanez volt a felépítése. Biztos, hogy nem szólhat rosszul, ha megfelelő táppal eteted.
Néha a legegyszerűbb kapcsolás adja a legjobb minőséget, pont az egyszerűsége miatt.
A földhurok egy másik "intézmény", nem tud rádiófrekis vételt generálni. Inkább egy néhány 10pF-es kondit próbálnék ki az erősítő bemenete és a föld közé.
Sem az erősítő, sem a külső hangkártya nem földelt vezetékkel van az elosztóba dugva.
A földelés egyedül az USB kábelről jöhet be, amivel a külső hangkártya van a gépre csatlakoztatva. (Érdekes jelenség az is, hogy ha megy a zene a külső hangkártyáról, ami USB-s, és eközben egy olyan USB-s eszközt csatlakoztatok a számítógépre, aminek szintén külön tápja van (pl. FFB-s Kormány), akkor egy kis szikra/sercegés keletkezik a csatlakoztatáskor, és a hangkártya lefagy. Pedig a kormány tápja sem földelt)
Akkor nem megfelelő a földelés, vagy valamilyen okból kifolyólag statikusan töltődik a számítógéped háza. Ez szintén lehet az, hogy nem megfelelő a földelés.
Sziasztok.
Az nagy baj lenne ha az erősitőmben a 2*0.27 Ohm / 5 W ellenállást 2*0.22 Ohm/3 wattra cserélném? Az erősitő egy Harman Kardon PM 650 VXi. Ez az ellenálás is elégett, de nincs itthon ilyenem csak 0.22 vagy 0.33.
Szia!
Mivel a védelem ezekről az ellenállásokról működik csak akkor fog korrekten működni, ha azonos értékűre cseréled. De ideiglenesen beleteheted a 0.33 ohm-osat. Ekkor a védelem kissé hamarabb fog beavatkozni.
Köszönöm szépen. Veszek majd bele olyat amien gyárilag volt benne, csak ezt épp most nem rendeltem meg. Erre nem gonoltam, hogy ezis eléghetett.
A 0,27 ohm nem járatos méret. Talán kapni, de inkább nem. Ezért javaslok helyette két párhuzamosan kötött 0,56 ohm-ot, mert ez alapérték. Ebből 2W-os is van, meg 5W-os szinte mindenhol.
Szia!
Bővebben: Link Bővebben: Link Az E12 sor névleges értékei: 10 - 12 - 15 - 18 - 22 - 27 - 33 - 39 - 47 - 56 - 68 - 82
Sziasztok!
Egyik barátommal elektromos fonendoszkópot szeretnék építeni egy műveleti erősítő és egy piezo- csipogó felhasználásával. Ehhez szeretnék egy kapcsolási rajzot kérni tőletek. Az erősítő kimenetére egy fej/fülhallgatót tennénk, ennek egyelőre nem tudom mekkora az impedanciája. Ha linkelnétek a LEGEGYSZERŰBB használható kapcsolást nagyon hálás lennék! |
Bejelentkezés
Hirdetés |





Segítségetek előre is köszönöm. 







