Fórum témák
» Több friss téma |
Üdv!
Fénykép talán segítene, meg ha próbálnál valamelyik két kivezetés között nyitófeszültséget mérni DMM -mel. Hegesztőbe a tirisztor nem való, mert csúnyán megszeretgethet érte az áramszolgáltató.
Szia!
Mi a baj a tirisztoros szabályzású hegesztőkkel?
köszi a biztatást, de ennél többre van szükségem.
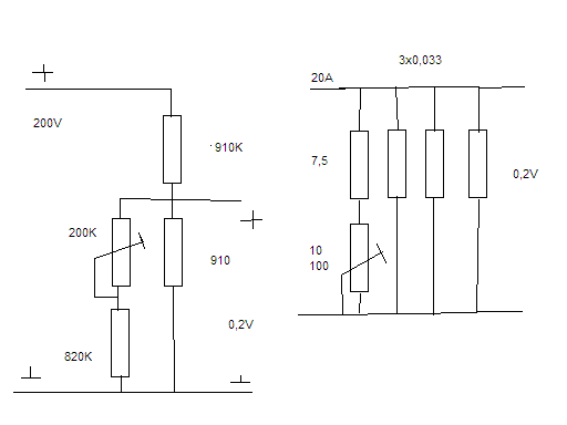
Nem tudom, hogyan tudnám 20 voltra állítani. Próbálom megfejteni az ellenállások jelzéseit, de az sem megy igazán. Több is van, amelyiket két végéről is olvashatom. ráadásul nem tudom, melyik lábra kapcsolódnak. Az áramkör rajzolata nem bonyolult, de a csip alatt nem tudom mi van, kiszedni meg nem akarom (nincs mivel). Találtam rajta egy HEX invertert is, ami nincs az alapkapcsolásokon, így nem tudom minek van. Legalább 4 kimenete össze van kötve. A tüskesor a lábak kivezetése lehet, de a másik oldali a csip alatt van. Valami tipp?
Hello!
A DVD szűrős gondom még nem oldódott meg... majd hétvégén jutok a DVD közelébe... Addig is lenne egy újabb kérdésem! Van itthon egy TV (QUART) és a gond vele az,h a távirányitó nem müködik csak kb 1.5m hatótávolságban, akkor meg egyáltalán minek?! És szeretném valahogyan a hatótávot megnövelni legalább 3-4m-re, ez lehetséges valahogyan? Ha igen hogyan?Lefényképeztem az áramkört, hát többre számítottam,h van benne! Egyik oldalon van egy chip (TCHIP, alatta TC6122) ... Valami ötlet? üdv! makrodom
Cserélj elemet ! Ha akkuról tolod, lehet, hogy azért nem elég fickós. (az akku nem 1,5V hanem csak 1,2V). És nem árt az elem-érintkezőket is lepucolni, mert veszteség lehet ott is.
Ezt nézted már? Hasznos lenne végigolvasnod!Bővebben: Link
Megnéztem mégegyszer azokat a képeket. Nem olyan veszélyes az a cucc.
A tüskesor valójában nem is tüskesor, hanem a kijelzők túluldalról átnyúló lábait látod annak. Ne foglalkozz velük. Kivéve persze a tizedespontokat, de az a gyanúm, hogy azok külön is elérhetőek, mert szerintem a hiányzó R7 lenne a tizedespont áramkorlátozó ellenállása, az 1, 2 és 3 jelű helyekre meg menne a megfelelő tizedespontot kiválasztó jumper. (Közelről kéne látni, de ez így is nagyon erős gyanú.) Az inverterekkel se foglalkozz. Azok csak a -5V -os tápot állítják elő (néhány további passzív alkatrésszel együtt) a +5 V-ból, mert a 7107 szimmetrikus táplálású. Ellenállás színkódokat a kép alapján nem merek mondani, de egy biztos: neked azt az ellenállást kell kicserélned, amelyik közvetlenül a modul bemenetére (az Input+ -ra) kapcsolódik, mert az az osztó teteje. Értelemszerűen arra kötődik az osztó alja, de ahhoz nem kell nyúlnod, csak úgy kell megválasztani hozzá a tetejét, hogy százas osztás legyen. (Egyébként az eddigiek alapján valószínűleg az eredeti felső osztótag századrésze körül lesz a jó érték, de erre látatlanban ne vegyél mérget.) Nem tudom, hogy hogyan fogalmazzak, mert nem akarom letörni a lelkesedésedet, de ha most kezded az elektronikus "barkácsolást", és ilyen bizonytalanul viszonyulsz még hozzá, akkor ne ezzel a műszer átalakítással kezdd. Remélem, hogy nem bántottalak meg! Ha Bp.-en, vagy a környékén laksz, bizonyisten meglátogatnálak, és segítenék. Vagy, ha a modult nem valamibe beépítve szeretnéd használni, hanem ez lenne az első digitális voltmérőd, akkor elcserélném veled egy bontatlan dobozú ilyenre: Link Ez ugyan LCD-s, de ugyanúgy 7106-os alapú, és benne vannak az osztók, valamint áramerősséget, ellenállást, diódát és tranzisztort is mér alapszinten. (Vettem egyszer egy szatyorral, mert olcsó volt, és nagy részüket panelműszernek bontottam szét (tudom, barbárság, de megérte), a maradék meg áll a szekrényben. Nekem mindegy, hogy az egyik helyett a modulod áll-e ott az alkalmazásig. )
Köszönöm az őszinte választ. Nem törted le a lelkesedésemet, bár valóban most kezdem (újra) az elektro-barkácsolást. Az ajánlatot pedig tisztelettel visszautasítom. Két ok miatt. Az egyik, hogy nekem is van egy ilyen kéziműszerem. (Nem tudom tudod-e, hogy a minoségellenőrzők betiltották a forgalmazását, mert balesetveszélyes). Másik ok pedig az, hogy egy labortápot építek éppen, abba szánom. Esetleg ebben segíthetsz. Sajna a 20V nem elég, mert a vége 40 lesz (ennyit tud a trafó)
Üdv ,segítségeteket kérném egy zéner dióda ,diac azonosításába.Következő paraméterel rendelkezik:üveg ,barnás vörös-kék-barnás vörös színkód látható,lába egyik szárán vörös jezéssami valoszinüleg irányt jelöl.Valosszinüleg orosz gyártmány.Segítségeteket előre is köszönöm.
BT138 Triak hoz van beilesztve ha ez segit.
Szia!
Ha a gate körben van, valószínű, hogy a DB3 jó helyette.
Semmi gond. Ahogy írtam, nekem mindegy, hogy melyik áll a szekrényben. Annak viszont örülök, hogy nem bántódtál meg.
Labortápba a paneled egyszerűen tökéletes. Oda szerintem még jobb is a LED-es kijelzés, mint az LCD (legalábbis az én szememnek kedvesebb). Ezesetben marad a 200V-os méréshatár 199,9-es max kijelzéssel. (Egyébként az én gyári labortápomban is tizedes kijelzésű minden feszültségmérő.) Ehhez ezres-re kell állítani az osztót. Ha megírod a közvetlenül a modul bemenetére kötött ellenállás színkódját (mindegy, hogy visszafelé, vagy rendesen) és az attól az Input negatívjára menőét, akkor megmondom, hogy pontosan milyenre cseréld az előbbit. Az azonosításban talán segít annak a rajzocskának az első fele, amit a "qvasz2" által javasolt linken egyszer "fongab" rajzolt. Remélem, nem szúr le engem senki, amiért most ide mellékeltem a forrás megjelölésével... Nem tudtam, hogy a DT-830 be van tiltva, de most rákerestem a neten, és meglepve tapasztaltam. Valószínűleg a mérőzsinór szúrta az ellenőrök szemét. Magánvéleményem szerint ez lényegében jogos is, de megjegyzem, hogy százvoltos nagyságrendnél már minden veszélyes, amin akár egy pici csupasz fémrész is néha feszültség alatt van. Ott mindenképp ésszel kell nyúlkálni, akár tilos, akár nem. Amúgy én egy olyan kütyüt építettem, amibe nyolc panelműszer kellett, és a DT-830-asok szétfűrészelése igencsak gazdaságossá tette a projektet. Azt a műszert szerencsére úgy építették, hogy a kijelző alatt komolyabb veszteség nélkül alapműszerre és méréshatárváltóra vágható ketté. Ismét hangsúlyozom, hogy barbár érzés műszert fűrészelni, de megérte
köszönöm a segítséget. Csináltam pár képet a kritikus részről, hogy pontosabban látsd. Mégiscsak jobb mint elmesélni.
Közben vettem észre, hogy az egyik ellenállás *-al van jelölve. Gondolom ez lehet az.
Sziasztok! Remélem tud segíteni valaki, hogy a képen bekarikázott alkatrész mi lehet. Ez egy siemens tc55002 kávégép paneljéről való, amelynek a kazánja zárlatos lett. A panelon R23 van mellé írva.
Sajnos a teteje elrepült valamerre, de két lába kondenzátorra van kötve és azóta a kijelző csak nagyon halványan villog, mintha nem kapna elég áramot.
A nagy IC-re mi van írva? Esetleg nem villámcsapás végzett vele?
Nem villámcsapás volt takarítás közben a kazán vezetéke letestelt. A nagy ic-n 0330.812 08, V0.48T/DC1E van írva.
A szakszervizben többért adják mint magát a gépet.
60 Euró, külföldi forrásból. Bővebben: Link
Szia! Túl vagyok a lámpás bevizsgáláson. Váltóm van 120-260V-ig- 120V-on éppen parázslik, ahogy emelem a
feszt. úgy vezet egyre jobban, de lényegesen kevésbé világít mint dióda nélkül, ami a két szemben fordított dióda esetén érthető. Ha viszont ez a dióda lavinázással védi meg a készüléket, hasonlóan a zener-hez, akkor a régi helyett csak hasonló feszültségű rakható be. Szerintem viszon ezek a diódák jók. A kérdés az, hogy hogyan lehet megjavítani rajz és dokumentáció nélkül. Az elmélet ismerete itt kevés. Az a gondja, hogy a hó kioldója világít, és e miatt nem működik. A készüléknek elektromos védelme van, tehát több tiltás is lehet. Vaktában belenyúlni nem tudom bölcs dolog e? Neked mi a véleményed?
Ki kell mérni a teljesítményfokozatot. A feteket, vagy az IGBT-ket. Általában ezek szoktak elpusztulni egy inverteres hegesztőnél. Ezen kívül a hővédelem áramkörét is át kellene nézni. Lehet, hogy egy klixon-jellegű hőkioldó ment tönkre, de lehet, hogy elektronikus hővédelme van. Konkrét rajz nélkül sajnos ki kell találni a felépítését.
Egész jó dolog ez a kutatás. Meghozza a kedvet a dologhoz. Még egy kis vizsgálódás után kiderítettem egy pár dolgot. Fölrakom, hátha az utánam következő nemzedék is tanul belőle. (vagy megcáfol)
Az általam vélelmezett osztó az R5-C3-R* hármas lenne. Az értékeket nem tudom jól olvasni (öreg-szem) R5 talán 10M de 5 %-os? a c3 100n az R* pedig 1,3k vagy 110k. A többit rátettem a képre.
Köszi a választ! Ha a hétvégén lesz időm, belebonyolódom. Majd jelentkezem.
|
Bejelentkezés
Hirdetés |




És szeretném valahogyan a hatótávot megnövelni legalább 3-4m-re, ez lehetséges valahogyan? Ha igen hogyan?














