Fórum témák

» Több friss téma
Fórum » LM3914
 
Témaindító: 3653, idő: Nov 21, 2008
Témakörök:
Lapozás: OK   3 / 20
(#) _JANI_ válasza norbi0073 hozzászólására (») Aug 12, 2010 /
 
Mérd ki a tápfeszültségeket és a ref. ki és bemeneteket!
(#) kripower hozzászólása Aug 29, 2010 /
 
Sziasztok!
Engem az érdekelne, hogy a bemeneti jelszint tartományt mi alapján határozom meg a 3914-esen! Ugyanis az adatplapjából nem értettem meg jól. Nekem olyan kapcsolás kell, ami 20 ledes és 0...5V bemeneti jelre dolgozik. Ha az adatlapon lévőt megcsinálom, ahol van egy 20 ledes, de csak 0...2,4V a bemeneti tartománya (15. oldalon), akkor milyen értékre vegyem az ellenállásokat? Osztót nem akarok a bemenetre, hogy minél kisebb mértékben hasson a jelforrásra.
(#) saraha hozzászólása Szept 2, 2010 /
 
Sziasztok.
Lm 3914-el szeretnék megvalósítani feszültségjelzést.
A gyári doksijában sajnos más feszültségértékek vannak,mint ami kellene.
Nekem 5-től 8V-ig kéne mérnem 0.3V-os ugrásokkal.
Aki tud segítsen legyen szíves,hogy hogyan kéne ezt megoldani.
Itt a doksi.
(#) proli007 válasza saraha hozzászólására (») Szept 2, 2010 /
 
Hello!
Nos, leszimuláltam számodra a megfelelő kapcsolást. Ahhoz, hogy ebben a tartományban mérjen, a Refrencia Hi feszültséget 8V-ra, míg a Refferencia Lo feszültségét 5V-ra kell beállítani. A kettő között van a 3V, amit 10 felé szeretnél felbontani. (Természetesen a tápfeszültségnek, a maximális referencia feszültségnél, még kb. 1,5V-al nagyobbnak kell lenni. Tehát, minimum 9,5V)
Az ábrán, csak az R1,R2 és R3 ellenállásokat kell figyelembe venni és beépíteni a kockában szereplő IC lábszámára. Tehát három ellenállásra van szükséged. Ha szükséges a pontos beállítás, akkor Az R2 és R3 ellenállásokat (vagy egy részét) potival kell helyettesíteni.
üdv! proli007
(#) saraha válasza proli007 hozzászólására (») Szept 2, 2010 /
 
Szia.
Nagyon szépen köszönöm a segítségedet.Istenkirály vagy.
(#) kripower válasza proli007 hozzászólására (») Szept 6, 2010 /
 
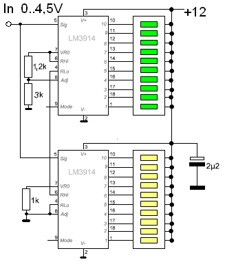
Szia, nekem nem tudnál segíteni? A két IC-s megoldásban hogyan tudom kiterjeszteni a mérést 4,5V-ig? Most mindkét IC-hez kellene külön vagy csak az egyik 4-es 6-os lába közé osztót tennem? http://www.national.com/ds/LM/LM3914.pdf
(#) proli007 válasza kripower hozzászólására (») Szept 6, 2010 / 1
 
Hello!
Ha jól értem, akkor kér soros IC van (20 LED), ami 0..4,5V-ig jelez ki.
Én valahogy így oldanám meg a dolgot. (hozzátenném, hogy nekem nincs ilyen IC-m ) De próbáld ki.
Az egyikkel előállítom a 4,5V referencia feszültséget, a két belső ellenállás láncot meg sorba kötöm. Akkor az alsó 0..2,25V-ig, míg a másik 2,25V..4,5V-ig kap referencia feszültséget. Az alsóra azért kell ellenállás, mert ezen átfolyó áram egyben meghatározza a Led-ek áramát is.
(Vicsys-nek köszönet a lopott rajzért..)
üdv! proli007

2xLM3914.png
    
(#) kripower válasza proli007 hozzászólására (») Szept 6, 2010 /
 
Igen, erre gondoltam, nemsokára megépítem működik-e! Fontos lenne a precíz mérés, autóba lesz. Én a gyárit megépítettem már, azthittem azt tudom módosítani egyszerűen, de a rajzol eléggé eltér attól, de a lényeg, hogy jó legyen Köszönöm!
(#) proli007 válasza kripower hozzászólására (») Szept 6, 2010 / 1
 
Hello!
Igazából a pontos 4,5V értéket, 2,9kOhm-os ellenállásnál kapnád. De mivel az ellenállásoknak is van tűrésük, sőt az IC bemenőárama, referencia feszültsége is változhat ( példányonként is), ha szükséges a pontos beállítás, akkor a 3kohm-os ellenállást, egy 2,7kohm-os ellenállásból, és egy 600ohm-os trimmerből érdemes összeállítani.
Viszont ha aksit mérsz, akkor az IC bemenetén is lesz valamilyen feszültség osztó. Annak pontossága is befolyásolja majd, a végeredményt.
De azért ne feledjük el, hogy ez nem egy digitális multiméter, csak egy "saccográf".
üdv! proli007
(#) kripower válasza proli007 hozzászólására (») Szept 6, 2010 /
 
Egy 0-4,5V jelt kell mérnem, amit egy szenzor alakít át a turbónyomásból. Ezért nem szeretnék nagyon beleavatkozni a szenzorba, mert meg tudtam volna oldani egy 2x1MOhmos osztóval, ami épp felezné az 5V-ot és szépen működne (működik is) az eredeti kapcsolás is. De osztó nélkül még nagyobb a bemenő ellenállás, ezért kértem segítséget. Ha biztosan működik építem. Csak alőbb le akartam tesztelni egy szimulátorral,de nem sikerült találnom megfelelőt.
(#) Stewe válasza kripower hozzászólására (») Szept 6, 2010 /
 
Akkor legjobb lenne egy FET bemenetű erősítőt az elejére.... és utána szabadon garázdálkodhatsz.
(#) kripower hozzászólása Szept 6, 2010 /
 
Találtam megfelelőt, a Proteussal megépítettem,de nem működik, lehetséges ez?
(#) proli007 válasza kripower hozzászólására (») Szept 6, 2010 /
 
Hello!
Most építetted? - szimuláltad? Mi nem működik?..
üdv! proli007
(#) kripower válasza proli007 hozzászólására (») Szept 6, 2010 /
 
Csak szimuláltam,de nem csinál semmit...lehet én vagyok béna. Tettem a bemenetére egy szinuszt 4V-on, plussz 10ledes tokozott kockát a kimentre, ahogyan a rajzon is. De nem értelmezhető a hiba amit ad, illetve kb. annyiról szól, hogy túl sok ez neki (unable to solve the circuit equations after the specified numbers of iterations. The matematics of the circuit is very unstable)
(#) proli007 válasza kripower hozzászólására (») Szept 6, 2010 /
 
Hello!
Én nem ismerem ezeket a progikat (meg nem is használok, max csak TINA-t). Nem lehet tudni, hogy a LM3914 matematikai modell megfelelő vagy sem. (Esetleg csökkentsd az iterációk számát, ha lehet.)
De miért nem rakod össze? Nem kell csak négy Led eleje-vége. És már látod is működik, vagy sem.
üdv! proli007
(#) Stewe válasza kripower hozzászólására (») Szept 6, 2010 /
 
Már épp el akartam küldeni a Multisim 10-et.... de felháborító: egyszerűen nem ismeri a 3914-15 -öt
(#) kripower válasza proli007 hozzászólására (») Szept 7, 2010 /
 
Megépült. Működik, de fordítva. De az mindegy a ledeket úgyis úgy rakom, ahogy tetszik. Tehát előbb az alsó ledek kezdenek felgyulladni. Köszi a megoldást nagyon jó, hogy segítettél!
(#) kripower válasza Stewe hozzászólására (») Szept 7, 2010 /
 
Kösz Stewe, én is elkezdtem letölteni, de rájöttem nem ismeri. Viszont a Proteus meg demo és nem menti el, így nem fogom mindig megépítgetni benne, a valóságban működik, ő nem tudta leszimulálni.

Mondjuk most csak 5V-ról tudom megtáplálni,mert a labortápom nem bírja 12V-ról meghajtani! Így 0...3,5V a mérőtartománya, remélem 12V-on már jó lesz.

Ja nem! Lehet az osztó nem jó, mert az 1,2kOhm-os 3,5-V-ra teszi, proli007 jól gondolom? Ha 1,8kOhm lenne az 4,5V. Letesztelem
(#) kripower hozzászólása Szept 7, 2010 /
 
Hát bármire is cserélem, a 3,7V marad a max tartomány. Az 5V táppal. Csak nem akarok összekötni egy PC tápot a labortáppal, mert 70V váltót mérek köztük. Lehet nem lesz bajuk aztán Holnap folyt köv.
(#) proli007 válasza kripower hozzászólására (») Szept 7, 2010 /
 
Hello!
5V táppal, soha nem lesz a referencia soha 4,5V. Ha megnézed az adatlapot (4. oldal, 2. megjegyzés), láthatod, hogy a tápfeszültségnek, legalább 1,5V-al magasabbnak kell lenni, mint a referencia feszültség..
üdv! proli007
(#) _JANI_ válasza kripower hozzászólására (») Szept 7, 2010 /
 
[off] OFF:
Idézet:
„Csak nem akarok összekötni egy PC tápot a labortáppal, mert 70V váltót mérek köztük.”

Valami akkor vagy a labortápegységednél nem stimmel, vagy a PC védőföldelésénél nincs rendben...
:ON
(#) kripower válasza proli007 hozzászólására (») Szept 8, 2010 /
 
Gondoltam ez a baj.
(#) kripower válasza _JANI_ hozzászólására (») Szept 8, 2010 /
 
A labortáp lesz a ludas, mert sima adapterrel meg 40V van köztük.
(#) _JANI_ válasza kripower hozzászólására (») Szept 8, 2010 /
 
Én a PC védőföldelését ellenőrizném ( ellenőriztetném ) inkább! A leválasztótranszformátorok közös pontjai között elvileg nem lehet feszültségpotenciál különbség. A PC kapcsolóüzemű tápegységénél a hálózat felől vannak szűrő kondenzátorok amik a GND-hez ( közös földponthoz, ( s ebbe a készülék fém doboza is beletartozik, )) is kapcsolódik. Ha nincs jó védőföldelés ami a GND-t földpontra ( NEFH-nál nullapontra ) húzza, akkor a készülék fémváza és ezzel együtt a GND-is valahol a hálózati feszültség között "lebeg" a sorosan kapcsolt hálózati szűrőkondenzátorok miatt. Így inkább ez a gyanús. De ez a téma nem igazán tartozik már ide...
(#) norbi0073 válasza _JANI_ hozzászólására (») Szept 11, 2010 /
 
Bocsi h ennyit kérdezek de hol mérjem ki ennek a kapcsolásnak a referencia ki és be fesz.-ét? Melyik lábakon?Kapcs. rajz
(#) norbi0073 válasza norbi0073 hozzászólására (») Szept 11, 2010 /
 
Ja meg még annyi, hogy láttam 2 módszert is a jelkábel bekötésére. Az egyik, hogy a megszakítóra kell rákötni a másik, hogy a gyújtókábel köré tekerjek vezetéket és az adja a jelet. Melyiket kell itt megcsinálnom? Esteleg valami más ötlet?
(#) norbi0073 válasza norbi0073 hozzászólására (») Szept 11, 2010 /
 
Még annyi, hogy a bemeneten lévő 10 nf-os kondi az 100 nF de szerintem ez nem gond, vagy igen?
(#) proli007 válasza norbi0073 hozzászólására (») Szept 11, 2010 /
 
Hello!
Az LM3915 1,25V referenciája alapvetően, mindig a RefO (7) és RefA (8) lába között mérhető. Mivel az alsó IC RefA lába a GND-n van, így annak referencia feszültsége 1,25V.
A felső IC RefA lába, az alsó RefO lábára van kötve, amin eleve 1,25V van, így annak refrencia feszültségéhez az alsó hozzáadódik. Így a felső RefO pontja, már 2,5V-on van a GND-hez képest. Tehát a GND-hez képest (2-es láb) az alsó IC 7-es lába 1,25V-on, míg a felső 7-es lába, 2,5V-on van.
Mivel az IC a Led-eket a RHI-RLO feszültségei alapján vezérli, az alsó IC 0..1,25V*között, míg a felső 1,25..2,5V között működik.
Tehát a két IC, a 10µF-os kondiban 0..2,5V közötti feszültség változást vár a fordulat függvényében.

Ha négyütemű motor, minden második körülforduláskor gyújt. Így ha egy henger gyertyáról veszed le a gyújtásjelet, akkor két körülfordulásonként kapsz egy impulzust. A megszakítón, ennek négyszerese van, a négy henger miatt. (Tehát ott két impulzus van körülfordulásonként.)
Ha a gyertyát nézzük, akkor 6000 percenkénti maximális fordulat esetén, másodpercenként 50 impulzus érkezik (ez 50Hz). (6000/60/2) Azaz 20msec-onként van egy impulzus. (t=1/f). Ha a megszakítót nézzük, akkor ott négyszeres impulzus van, tehát 20/4=5ms az impulzus idő.

Tekintve, hogy az 555-nek 5V a tápfeszültsége, és a 10µF-ban 2,5V-nak kell lenni ilyenkor, az 555 3-as kimenetén, kb. 50%-os nak kell lenni ilyenkor a négyszögjel kitöltésének. Tehát az 555-ös monostabil multi késleltetés idejének 10ms-nak kell lenni (tekintve, hogy 20ms a periódus idő, és ebből 50%-nál 10ms az impulzus idő. A monostabil idejét, a 100nF és a 22kohm+50kohm trimmer fogja meghatározni. közelítőleg ez az idő T=R*C idejű.
Ha a poti rövidre van zárva, akkor (T=22k+0k)*100nF=2,2ms. Ha a poti maximumon van, akkor T=(22k+50k)*100nF=7,2ms.

Tehát látható, hogy a poti végállásában van közel, a 6000 fordulathoz szükséges 10ms-hoz, amikor a gyertyárol vesszük a jelet.
De minimális állásában meg 2,2ms. Amikor a trafóról vesszük a jelet, ott a kívánalom 2,5ms.. Tehát a trimmer széles beállítási tartománya miatt, mind két jelforrást megengedheti.

(A számítások csak hozzávetőlegesek, mert több dolgot nem vettünk figyelembe. Valamint hagyományos 4 hengeres négyütemű motorra vonatkozik, ahol a maximális fordulat 6000ford/perc. )

Amúgy a magas bemeneti ellenállások és a kondis csatolás, gyertyáról történő jel levételt sugall. De nem túl szép, mert az 555-nek nincs bemeneti védelme. A gyertyáról, egyébként is csak kísérletezéssel lehet jelet levenni, mert a többi henger gyújtása bezavar.

Kicsit hosszú volt, de remélem erre voltál kíváncsi..
üdv! proli007
(#) norbi0073 válasza proli007 hozzászólására (») Szept 11, 2010 /
 
Köszönöm igen ezekre voltam kíváncsi nagyából (amugy Simsonom van és ahoz meg a megszakítóról ugyebár minedn fordulatnál küld akkor egy impulzust). Holnap kimérem az értékeket és jelentkezek
(#) proli007 válasza norbi0073 hozzászólására (») Szept 11, 2010 /
 
Hello!
Így van, akkor ha a műszer maximum fordulata 10000, akkor 10000/60=166,66Hz a maximális impulzus szám. Ez periódus időben T=1/f=1/166,66Hz=6ms. Az 50% kitöltés miatt, ez 3ms, ami beállítható.. (Tehát a trimmer majdnem rövidrezárt helyzetében lesz az időzítés megfelelő.)
üdv! proli007
Következő: »»   3 / 20
Bejelentkezés

Belépés

Hirdetés
XDT.hu
Az oldalon sütiket használunk a helyes működéshez. Bővebb információt az adatvédelmi szabályzatban olvashatsz. Megértettem