Fórum témák
» Több friss téma |
Fórum » DCF77 óra Nixie-csövekkel
Egy ilyen ferritrudat találtam itthon. Jó lehet ez a DCF-vételére? Ezekkel a VFD csövekkel lehet valamit kezdeni? Talán IV-6-os, vagy IV-3-as lehet a típusa. Sajnos lekopott, és nem nagyon látszik.
Szia!
Optocsatolót találtál már a soros port optikai leválasztására? Ha még nem, akkor ezt tudnám javasolni. Ezt használtuk az előző melóhelyemen, és nagyon jó minőségű átvitelt eredményezett. Igaz analóg átvitelre használtuk, de szerintem ide is jó lesz.
Szia!
Szép lasan megy a hatcsöves Mule Nixie építése. (Rengeteg az átkötés a kijelző panelen, de még így is jobban szeretem az "egyoldalas" NYÁK áramkörök beültetését.) Ha megvan az újabb f628-as *asm program, azt feltennéd a topikra? Néhány kép a készülő óra állapotáról, de a java még hátra van.
Üdv!
Ez Pic-es óra? Most kérdeződösködtem a z IV-6 VFD forumon ki tudna nekem rajzot illetve használható progit PIC hez illetve VFD órához. Esetleg tudtok segíteni? Üdv. Ja Gery78 azok biztosan nem IV-6 csövek Legalábbis az enyémeken van felirat és nem ilyenek.
Voltam a Lidiben, volt Auriol falióra, de csak kvarcos. DCF-es nem volt...
Időjárásállomás volt még ami DCF-fel működik, de azt nem vettem, mert elég drága volt. Egyébként én az indián időjárásjelző állomást használom..
Felrakom, de még egy kis hibát leltem benne, ha csak úgy megy az óra, hibátlan, de ha a dcf közben beleszinkronizálgat, elrontja a fade meg a scroll effektet. Még azt bele akarom írni, hogy a kijelzési módot mentse el az eepromba. Menü most még nem lesz, mert ahhoz az egész koncepciót át kellene buzerálni +/- gombosra, meg kell írni az átviteleket. Jelen pillanatban az órát csak előre lehet tekerni, azt megcsinálom, hogy ha nyomvatartod a gombot huzamosabb ideig akkor az órát, pöcöktetve, meg a percet tekerje előre, így egy gomb elég lesz. A z573m kijelzős panel az a Tom025 féle hagyaték, a z560m és az in-12-es-ben kevesebb átkötés van, az meg nekem nem volt szimpatikus, hogy kihajtogassam a nem használt lábakat, így is eléggé meg voltak gyilkolva a csövek, amit az első órámba tettem. (Most néztem a képeket igen jól néz ki, szép munka, grat!)
A modul képénél látszik a ferrit , kicsit hosszabb mint a conr*ados, de lapos nem hengeres. Én már szétbombáztam az enyémet , este teszek rá egy FE tranyót meg egy 3V-os zenert aztán majd jelentek. (Hát ha Miskolcon van valami a bótba, még nem biztos hogy mindenütt van
)
Üdv!
Miskolcon 3 db LIDI, Egyetemnél próbáld. a másik kettőbe már nincs. Egyet tudtam venni szombaton, 1 nap alatt elkapkodták mint a cukrot. Lusták beállítani az időt ![]() üdv.
Szia!
Van egy kis gondom a működéssel, mert csak 3-4 mp-t megy, ekkor 280mA folyik 8.5V-on. Amikor aztán leáll (valamiért), leesik az áram kb 100mA-re, és kialszanak a csövek. Ekkor megnövelem a feszültséget annyira, hogy újra 280mA legyen a felvett áram, de a működés már nem jön létre. Ha ekkor ki/be kapcsolom akkor már 500mA a folyó áram, erősebben világítanak a csövek, de ismét leáll a működés néhány mp. múlva, az áram most is kb. 100mA-re esik le. Keresem a hibát tovább, aztán jelzem ha megvan. A FET hűtése megoldott, csak langyos. (Még nem pontosítottam a H,M,S bekötéseit, ezért elnézést is kérek, később javítom ki a digitek vezérlését.) Egy kis videó a hibáról.
A nyomógombok be vannak kötve? Benne vannak az ellenállások? Ha nem lehet hogy úgy érzékeli, hogy nyomod a kikapcsoló gombot, nem kapcsol vissza 3 mp-ként?
Szia!
Még nem kötöttem be a nyomógombokat, csak ki van alakítva csatlakozó hozzávezetésekkel. Amikor lekapcsol, már marad is abban az állapotban, nem jön vissza sok percel utána sem. Nincs sehol sem áramkorlát, ezért nem értem egyelőre ezt a viselkedést. Semmi gond, ez a hiba is meg fog oldódni, csak tanulmányozzam jobban át a működése struktúráját.
Sziasztok!
A kialakult igények szerint átlolgozott második változat...
Az is fura, hogy 3 5 7 9 számol. Látom az ellenállások benne vannak. (Mert ha hosszan nyomod az 1. gombot, ami nem a panel szélén van akkor le kell kapcsolnia a csöveket) Meg kellene nézni szkóppal, hogy mi áll le, az 555 vagy a pic.
Szia!
Az 555 tovább megy, a puffer 165V-ról felmegy 190V-ra, amikor lekapcsol az óra. A PIC szinte biztos, hogy valamiért leáll, ezt most vizsgálom éppen.
Szia!
Az lehetséges, hogy a kapcsolóüzemű táp miatt ”bolondul” el a PIC? Nincs még leárnyékolva. Közben kicseréltem egy másik f628(A)-ra, de ugyanaz a helyzet. A katód meghajtó is ki lett cserélve eredeti SN74141-re, de ezzel még rosszabb lett a helyzet, néha csak foltosan jönnek elő karakterek. A 100uH-ist is lecseréltem jobb minőségűre, kevesebb áramnál is stabilabb a nagy puffer tápfesz. Holnap folytatom tovább a méréseket.
A táp árnyékolása szerintem nem igazán számít, az majd maximum a dcf modulra szórhat rá, azért kell esetleg árnyékolni. A pic tápja elvileg független a nagyfesz résztől. Meg kéne mérni nincs e rajta valami brumm vagy nem esik-e le a szintje, mert akkor lehet, hogy a trafó gyenge, amiről az egészet hajtod. Nekem 12V egyenről és 9V váltóról is stabilan megy. Be kellene nagyfesz nélkül kapcsolni és megnézni, akkor is leáll-e a pic. Elvileg minden működik a kijelzőpanel és a nagyfesz nélkül is, ha a 74141 kimenetére teszel ledeket az +5V felé előtétellenállással, vagy szkóppal lehet megnézni, hogy megy-e a katódvezérlés a másik dekóder ic-n meg az anódvezérlést lehet látni, de ott a gnd-felé kell tenni a ledet. Mivel az óra 12:34:00-ről indul biztos, hogy valami nem stimmel, mert a videón látható számok nem csak fel vannak cserélve, hanem olyan szám is világít aminek nem szabadna. Ha pl. a 7,9 körében van zárlat a katódoknál( akár a kijelzős panelon is) lehet, hogy rövidzárba megy a táp, és ezért lelövi a pic-et. (Miért nincs 2-es és 0 a kijelzőn? elvileg az egyenesbe van kötve, nem lehet felcserélni)
A video alapján úgy tűnik, hogy amikor elszámol 9-ig a 9-es körében van valami zárlat (mert a 9-es kigyulllad egy tized másodpercre), ami lerántja a tápot és leáll a pic.
Jutottál valamire a DCF modullal? Tudtál rátenni tranyót?
Sziasztok!
A D17 -et meg kell fordítani...
A gyanumat alátámasztja, hogy a + táp vezetéke pont a 9-es lábánál megy el az sn74141 lábai között
Sziasztok,
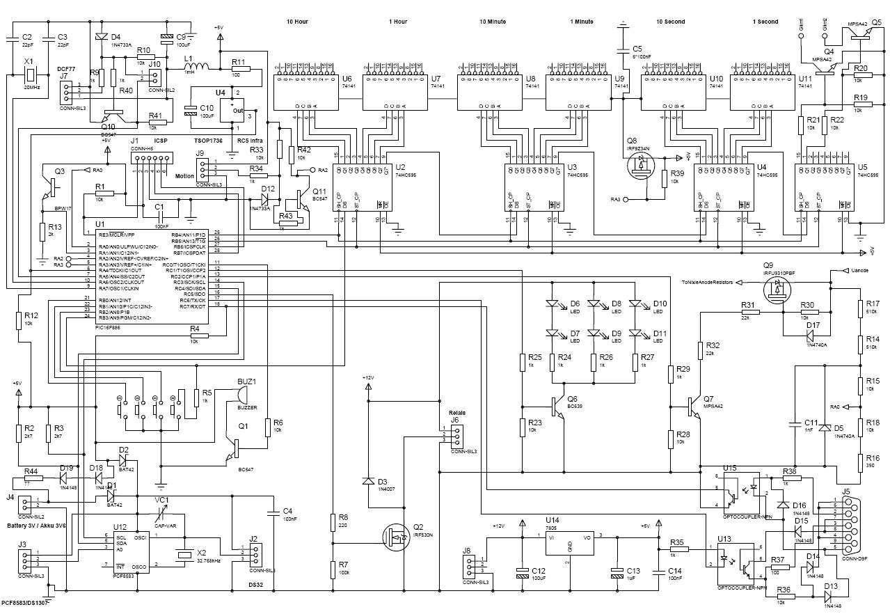
Míg Hp41C a mindenki igényét kielégítő "közös" fórumos nixie óra szoftverét és hardverét fejleszgeti, a háttérben futtat egy másik projectet is... Én kizárólag mint alap ötletadó és leendő tulajdonos jövök a képbe. A project: Négy darab 3015F minitron kijelzővel megvalósított karóra. Lelke egy mindent tudó 40 lábú pic, "L"-es verzió ami 2V-tól már életképes. Azért esett ekkora pic-re a választás, mert ez lábszámainál fogva közvetlenűl hajthatja a kijelzőket (belső BCD-7 szegmens dekóder) sőt még belső oszcillátora is van. A rajzon fel van tünteve két külső quartz is arra az esetre ha a belső a finomítgatások ellenére nagyon pontatlan (<20 sec/day) lenne. A pic-be belefér a dátum is így az óra azt is tudni fogja. Az első teszt program már benne van a pic-ben egyenlőre dátum nélkül, így most rám vár a sor hogy próbapanelen tesztelejem mind a pontosságát mind pedig az életképességét a neki szánt mobil teló akksival (köszönet az ötletért Norbertonak). Ami bíztató hogy egy teljesen feltöltött Li akksi több mint egy hét alatt látszólag semmit sem veszített a töltöttségéből, tegnap megterheltem 75mA-el (az órában a max kb 220mA-lesz) és az 4,13V-os üresjárási fesz 4,12-re esett vissza. A kijelzés 24 órás és 0 kioltásos lesz a 6-os teteje és a 9-es alja nem lesz kigyújtva mint a 7447-nél. Köszönet ismét Hp41C-nek, nem csak a komplett programot csinálja meg hanem hasznos gyakorlati ötletei is vannak az órával kapcsolatban>
Szia!
Először is köszönet a sok segítségért. Egyelőre csak méregetem az áramkört. A kijelző Nixie csöveket leellenőriztem, a csatlakozó tüskesoron mérve a katódokat, mindegyik anódellenállásával külön-külön lepróbáltam. Minden számjegy megjelenik rendesen a csöveken, a kapcsolóüzeműről hajtva, Zárlatot eddig sehol nem találtam. Az összes MPSAxx tranzisztort kimértem, ott sem találtam hibát, egyelőre mindegyik tökéletes. Labortápról működtetem, így egyidejűleg látom a felvett áramot és feszültséget is mérve. Később a LED-es verziót vizsgálom meg a 74141 és a 4028 IC kimenetein. Itt lesz a hiba valahol szerintem is. (Néhány felvétel a zárlatosnak vélt áramköri részletről.)
Szia!
Nem fogja bírni a numitron.. Mivel izzószálas kijelző, ha "használni" is akarjátok, elég hamar tönkre fog menni. Amikor világít, hosszú másodpercekre a kikapcsolás után is lágyabb az izzószál. Ki fog égni a mozgatástól..
Bevallom volt ilyen félelmem
Meglátjuk..., van 23 darab abból 6 megy az asztali órába, 4-et beáldozok ennek a kísérletnek. Az enyhén szólva is leegyszerűsített kivitel miatt mindenképpen érdekel ez a kapcsolás.
Sziasztok!
Ha már szó esett róla, ez az óra megépíthető közös anódos LED 7 szegmenses kijelzőkkel is - minden szegmensnek külön áramkorlátozó ellenállással.
Szia!
Köszönjük szépen a rajzot! Akkor úgy néz ki, hogy ez az összeállítás lesz a végleges változat? Ha igen akkor megpróbálom elkezdeni a nyáktervezést. Nézegettem a kapcsolást, nagyjából világos, hogy mi micsoda. Az áramkörrel kapcsolatban szeretném kérdezni, hogy akkor a LED alávilágítás fényereje végül is nem lesz változtatható már nem emlékszem, hogy erről volt-e szó, vagy hogy szeretnénk-e változtathatóvá tenni. Az ICSP csatlakozó a PIC programozó bemenete? Milyen csatlakozókat javasolsz beépíteni a különböző bemenetekhez, és kimenetekhez?
Csak azokra a szerencsétlen egyénekre gondoltam, akik nem tudnak beszerezni numitronokat...
|
Bejelentkezés
Hirdetés |









Legalábbis az enyémeken van felirat és nem ilyenek.
Időjárásállomás volt még ami DCF-fel működik, de azt nem vettem, mert elég drága volt. Egyébként én az indián időjárásjelző állomást használom..
) 








