Fórum témák
» Több friss téma |
Szia!
Szerintem trafó ügybe nézz szét itt az oldalon is hátha van valami az apróba. Vagy a legjobb ha megkeresed "fleta" kollégát. Lehet, hogy jobb árba tud neked trafót adni. Nekem is ő csinálta és tökéletesen jó, csak én az Alkotós féle TDA-t építettem meg, és tökéletes az egész... 4Ohmon is menni fog, de melegedni is rendesen ha hajtva van szóval a hűtésre azért figyelj, mondjuk én azért teljesen kihajtva soha nem hallgatom ![]()
Igen bármilyen a felsoroltak közül, mert a TDA-ban van termikus, és túláram védelem is, emiatt határol, ha valami gáz van. Ha nagy hangerőt szeretnél akkor 4 ohm, de itt nem olyan szépen szól, mert a nagy csúcsáramok nagy hangerőn tologatják az IC végtranzisztorainak munkapontját, és ez bizony torzítást okoz.
Ha szép hangot szeretnél hallani, inkább 8 Ohmos terheléssel próbáld, ami nem okoz dinamikus munkapont változást. Azonkívül nem fog határolni teljes hangerőn sem, igaz nem fog olyan hangosan szólni mint 4 Ohmon. Ha lakásban használod bőven elég a 8 Ohm. Üdv
A hűtést illetően, ha nem zavar senkit az enyhe légzaj, akkor érdemes beépíteni egy 12 V os PC-ház ventillátort, ami jelentősen képes csökkenteni a hűtőfelületet. Esetleg hozzáépíteni egy hőkapcsolót is hogy ne fix-en pörögjön, kis hangerőn nem kell mennie, de amúgy ott sem zavaró
![]()
Sziasztok.
Még mindig a pukkanással (nyekkenés) kilódom, amit az lm1036 tápja okoz be és kisül és közben. Építettem egy tranzisztoros relés késleltetőt a bekapcsoláshoz, de az sem tökéletes. Mivel kikapcsolásnál a relé nem old ki olyam hamar mint kellene és igy maradt a pukkanás. Mit tegyek? És van egy kis brumm hangja a ventilátornak még, ami 7812 ic -ről megy. Erre az egyenirányító után egy kondi utána hidegítő és venti elég lenne hogy megszűrje ?
Üdv!
A védelmednél kisebbre kell venned azt az elkót, ami bekapcsolja a védelmed, mivel kikapcsolásnál a benne lévő töltés lassabban sül ki, vedd kisebbre nem tudom milyen van benne neked, de egy 47µF vagy 100µF-os elég neki. A ventit nem vágom, remélem tudtam segíteni, nekem ugyanilyen gondom volt anno a védelemmel.
Köszönöm . Ebben igazad van már próbáltam a dolgot de még nem jött össze a tökéletes kondi konbináció. A ventilátort közben megoldottam,de csak van egy pici búgás. Az lm tápját, már azt hiszem túlságosan is megszűrtem, de nem vált be semmi változás. A tda - nak nincsen zaja . Szerintem földhurok keletkezet. Amivel nem tudok mit kezdeni mivel magas a dolog. Szóval van két tápegységem az egyik +/-45v a másik sima +16V. Tudom a negatívakat kell közösíteni de hogyan hogy kizárjuk a földhúrkot ha van?
Szervusz!
Hát az úgynevezett "utánhúzó" áramkörök amik a bekapcsolási,-kikapcsolási késleltetést végzik,azok nem nagyon egyszerűek, de utána nézhetek. A ventillátorral vigyázz, mert, ahogy írod stab. ic van előtte, ez rendben van, viszont a mechanikai méretek, így az hogy hol van nem mindegy, mert gondolni kell a szórt mágneses terére ami brummot okozhat. Tehát ezt kellene kideríteni, hogy elektromosan, vagy mágnesesen okozza e a brummot. A bekapcsolásra van rajz 555-el, az tökéletes. A kikapcsolásnál inkább a végfok kisülő pufferjei okoznak gondot. Na ezt elég nehéz megoldani, hogy a hangszóró akkor már nem legyen a kimeneten, de nem lehetetlen ![]()
Szervusz!
Nevezz ki egy földpontot, amire a szűrőkondik közösét rákötöd, meg persze a trafó közepét is, majd ezt nevezd ki földpontnak.Utána csak erről az egy pontról, de csakis erről vidd a "testeket" mindenhová. a végfokokhoz különös gonddal, és vastag kábellel.Tehát úgy kell a dolognak kinézni, mint egy csillagnak, aminek a közepe a kinevezett földpont. Ha így építed meg, és plusz használsz főleg az előfoknál mágneses árnyékolást, amit megint erre a földpontra kötsz, akkor semmiféle brumm nem lesz, de a trafó elhelyezéssel is kísérletezni kell, hacsak nem toroidról van szó. üdv Reuter
köszi . Szóval a ventilátor a h-borda mögött van kb4cm-re. kikötöttem a tápot róla és akkor is búg. (szerintem nem az a lúdas és ami kis búgást adot azt megszűrtem). Inkább földhurokra gondolok ezekután mert külön külön minden jó működik. (esetleg a két táp hogy közel van egymáshoz?) A koppanás megoldódott a késleltetővel, igaz volt mit kísérletezni 0,01uf az sült ki eddig a leghamarabb ,de még mindig van egy pici puk - de a membránt az nem rángatja.
Jó értelem szerű a dolog (közösítés),de van nekem +,-,gnd, (+/0v táp az LM-nek ) kábeleim, ebből melyik a föld. Egy Példa rajz sokat segítene. Mert ha itt elkötök valamit akkor kámpec az erősítőnek. :eek2:
Csillagpontos GND-t kell kialakítanod.
A két táp GND-jét összekötöd , és az lesz a csillagpontod közepe. Mindenhova innét vigyed a GND-t a lehető legrövidebb vezetékkel. A TDA panelhez az LM panelhez , a hangszóróhoz ,a védelemhez. De egyik panelből sem kell továbbvinned a GND-t , hanem a csillagpontból adod neki. Az RCA csatlakozókat is szigetelve építsed be ,mert igaz ,hogy a doboz-t már GND-re kötötted , de ez is okozhat földhurkot. Kihagytam valamit?
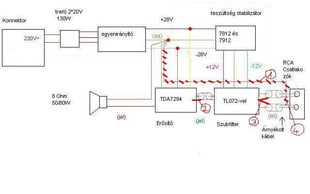
Sziasztok!
Lenne egy idevágó a kérdésem. Mélynyomót építek TDA7294- gyel. Szerintetek jó így ez a bekötés /főként a csillagpontos kialakításra vagyok kíváncsi, de más észrevétel is érdekel/ ? A subfilternek a 7812-7912-es fesz.stab.-on keresztül kell adni a GND-t(ahogy a rajzon is van) vagy a csillagpontból? A subfilternek a bejövő jelet az RCA-król is kell adni (az árnyékolt kábel árnyékolásáról) vagy megkapja a GND kábelen keresztül? Köszi
Szia!
Minden GND-t a csillagpontba köss! A szubfilterét is.
Na jó, bennetek megvan minden jóindulat , én értetlenkedem . ezért csináltam egy macskakaparás hogy most hogy is néz ki. Értem hogy a GND-kat össze kell kötni , de csak egy van! Földhurok gondom van,van egy pici búgás. Az elektronikát és a szűréseket nem jelöltem. Légyszíves segítsetek .
Pontosan olvasd el amit írtam.
De mielőtt mindent szétkötöznél, áruljad el: Kettős szigetelésű kivitelben van elkészítve a primer rész ,vagy védőföldelés is be van kötve?
Szia!
Hát természetesen a GND, ha így nevezted az a föld, nem más.Persze, ha nem szigetelted el a TDA-kat a hűtőbordánál az kever meg?Ezért írtam azt hogy a + és a - közösítése, +a trafó közös ága...EZ aföld, vagy GND. És ugye, az előerősítő jellemzően a leosztott, stabilizált +,és a GND közé van kötve. De annak is számít, de nagyon, hogy hova kötöd a GND-jét. Ezt sajnos ki kell kísérletezni,mert nagyon provizórikus a dolog. Úgy értem, hogy mindenki maga választja a mech. méreteket, és attól függenek ezek a lekötések, stb. Pl. javítottam már nagyon drága erősítőket, ahol a valós GND, ami a fémház volt, és a panelen lévő GND közé beiktattak egy 0.5Ohm 5W os ellenállást, így kerülték ki a földhurkot ![]() Hát igazából tudom, hogy rajz kellene, de nem tudok hirtelen előkeresni ilyen építési példát, de ha nem megy megpróbálom berajzolni mire gondolok Üdv R.
Szia!
Szerintem jó az elrendezés, annyi különbséggel, hogy az elején is lehet hogy le kell kötni az árnyékoló-harisnyát a csillagpontba. De ez jó elrendezés, erre gondolok. Üdv Reuter
Szervusz!
Hát ha így van összekötve, akkor már meg is van a hiba. Az előerősítő GND-jét kösd össze egy pontban a végfok GND-jével. Természetesen a szűrt , stabilizált oldakra gondolok. Megpróbálhatsz egy 0.5- 1 ohm 1-5W os ellenállást is ezek közé, mert lehet hogy úgy még kisebb "brumm"-ot kapsz. A legegyszerűbb ellenőrzési mód hogy jól dolgoztál e: Fokozatonként zárd le a bemenetet egy kondenzátorral, és ahol brumm képződik ott a baj, az összehuzalozás után. Annak a fokozatnak máshogyan kell kiképezni a GND-re kötést, esetleg máshová szerelni. Na meg még egy fontos! A trafó, ha nem toroid, akkor le kell árnyékolni mágnesesen a tekercseket, és szintén a csillagpontba kötni egy vezetékkel. Ez sokszor segít, megoldja a problémát. Árnyékolásként lehet vékony fémlemezt, pl trombitaréz lemezt használni. Üdv R. most olvastam hogy 1036 van az előfokodban. Hát ezt én is megépítettem először alapban, majd ezt raktam még hozzá, mert hagyott némi kétséget bennem az alap tda. Nem rossz a hangja, de nem is jó. Nem szereti ha túlvezérlik, torzít, és gerjed is. De ez már sokkal jobb.
Úgy látom kapsz tanácsot, de javaslom próbáld inkább okosan értelmezni a huzalozási kérdést.
A "csillagpont" az egyik elmélet, a "felfűzés" a másik. Amit te rajzoltál, az gyakorlatilag nem működhet jól (Reuter téved). Ugyan nem tudjuk az egyes paneleken belül hogyan van kialakítva a GND, illetve milyenek a kapcsolások, ezért csak tippelgetni lehet, de az egészen bizonyos, hogy a filter bemenetére menő árnyékolt kábel "külső" végét a csillagpontba kötni az botorság. Ehhez hasonló megoldásokat ugyan szoktak alkalmazni, de nem így, és kizárólag keverőkben és olyan hangtechnikai eszközökben, ahol sok ki és/vagy be-menet van, amiknél nem lehet másképp megoldani a huzalozást. A lényeg: a filter kapjon GND-t a tápjáról, a bemenet pedig a saját árnyékolt kábelein fusson végig. (csak megjegyzem, hogy az ilyen filtereknél általában csak két ellenállás közösíti a bal+jobb oldalt, amiket ilyenkor célszerű a csatlakozóra forrasztani, így már csak egy árnyékolt vezeték kell a panelig.
Sajnos nem igazán vágom a kérdésedet a trafóval kapcsolatosan, de a primer oldal a 230V-os akkor 2 szál kálbel van rajta a szekunderen pedig 3 száll. A LM 1036 trafóján pedig 2 szál be és 2 szál kimenet van (nincs föld). A tda-t szimmetrikus táp hajtsa az LM-et pedig (NEM szimmetrikus (nincs föld) táp. A két IC elvan szigetelve egymástól és a borda bakelithez van fogatva (szigetelt felfogatás, Műanyag doboz miatt).
Tisztázás ként kérdezném a tda GND-ja az egyértelmű, de az LM-nél mi a GND? Van a Gretz + és - kivezetés (más nincs) akkor a - / -om a Gnd? Köszönöm.Bővebben: Link
Rajzoltam egy újabb vázlatot valaki bejelölná rajta hogyan kellene közös földpontott kialakítani? Szerintem igy a legkönnyebb , hogy megértsem a dolgot. Ha két szimetrikus tápegység lenne benne az egyértelmű lenne számomra mit hova kössek, de hogy különböző trafókról van most szó ez magas nekem.
1000 köszönet előre is.
Így kösd össze, de nem kellene külön trafó az előerősítőnek.
üdv R.
lehet hogy tévedek, de az elvi kérdés, hogy honnan kezdem árnyékolni a jelvezetéket, mert igen érdekes dolgokkal is találkoztam már, ami kicsit ellenkezik a szabályokkal
![]() De meg kell mindkét verziót próbálni, és úgy dönteni. Sokat nem lehet ezzel veszíteni. üdv Reuter
Egyáltalán nem kell közös csillagpont.
A végfokot bekötöd külön, az előfokot szintén külön, mintha nem is egy dobozban lennének. A kettő között csak annyi kapcsolat kell ami az előfok kimenete és a végfok bemenete között van. A külön trafó az direkt előny, mert galvanikus elválasztást jelent, ami többek között a földelési hurkok ellen is egy remek módszer. Mihez kell 12V a stabkockáról, meg 15V egy másik áteresztőtranyós stabilizátorról?
7812 stab ic ventilátort hajt (szűrve) , a késleltetőnek már külön vittem tápot (szűrve) , 15V pedig az Lm1036-kell, amibe nincs építve előerősítő, hanem a tda 7294-et 47K ellenállással a nyílthurok erősítést használtam. Külön TDA teszt , külön LM teszt (kompletten) nincs búgás, de ha összekötöm akkor egy pici brumm van. Ezért gondoltam földhurok ! Egy másik ilyent is építettem és annál a tda táp egyutas irányítással volt megoldva és semi búgás sincs (Szintén LM1036-ot használtam ott is) . Akkor most próbáljam csillagpontra kötni az egészet , vagy semmi értelme ? Esetleg a két trafó hogy közel van egymáshoz kb 4-5cm ?
Üdv emberek!
Hány K-os ellenállást javasoltok mind a sima mind a hidalt verzióhoz? Válaszotokat előre is köszönöm! Lacko12
Berajzolnád ide , hogy hogyan is kellene ?
Az előerősítőt én az miatt raknám bele hogy tudjam szabályozni a mély és magas hangszínt. Mert ha csak végfok akkor úgy szól mint a forrás. És ha kevés pl kevés a magas akkor hogy tudom állítani? :S
Lusta voltam most mindent adoptálni a TDA-ra, de egy másik erősítő huzalozási tervt kiegészítettem egy "egytápfeszes" előfokkal.
Tehát van benne két független panel, védelem és előfok. Nincs egyetlen központi csillagpont. Mindkét végfoknak van egy-egy sajátja, és az előfok pedig a "felfűzéses" elv szerint kapcsolódik. Ha a végfokok tápja közös, akkor az itteni két csillagpont természetesen egyé olvad, de ez nem változtat az előfok bekötésén. A védelem magáról a tápegységpanelről kapja a tápot, kapcsolási raj szerint (Ez a huzalozás és a rajz, azt hiszem a B5 témához kapcsolódik, ott kell keresni.)
Helló!
Bocsi ellenállás helyett potmétert akartam írni de csak most vettem észre amikor elolvastam újra a hsz-omat! Bocsi a hibáért! (9 óra meló után előfordul) Lacko12 |
Bejelentkezés
Hirdetés |