Fórum témák
» Több friss téma |
- Ez a felület kizárólag, az elektronikában kezdők kérdéseinek van fenntartva és nem elfelejtve, hogy hobbielektronika a fórumunk!
- Ami tehát azt jelenti, hogy a nagymama bevásárlását nem itt beszéljük meg, ill. ez nem üzenőfal! - Kerülendő az olyan kérdés, amit egy másik meglévő (több mint 17000 van), témában kellene kitárgyalni! - És végül büntetés terhe mellett kerülendő az MSN és egyéb szleng, a magyar helyesírás mellőzése, beleértve a mondateleji nagybetűket is!
Inkább a fő agy halt meg, nem a diódák. Sok szerencsét!
Bocsi,hogy ide írom, de talán többen látják mint az apróban, de egyébként ott található az alábbi hirdetésem!
Szóval: ********** Pedig tudod a szabályokat, mert nem most regeltél az oldalra... Köszönöm!
Üdv!
Nem teljesen zöldfülü létemre szinte restellem ezt a kérdést feltenni de sehogy sem jövök rá mi a gubanc. Itt a mellékelt ábra. Ha az egyik erősítőhöz tartozó potit lehúzom csak félig halkul az innen meghajtot erősítő, sőt a másik is. Ha mindkettőt letekerem akkor lehalkul mindkettő. Olyan mintha a két poti sorba lenne s egyik 50% másik 50%-ot halkítana. És teljesen egyforma a két poti kimenete. A potik jól vannak bekötve. Nem hiszem híd kapcsolás lenne ahonnan a jelet veszem. Mp3, telefon, laptop mind így viselkednek. Ezeknek lehet hídban a kimenet?
A közös az GND? Nem cserélted fel véletlenül a jelekett és/vagy földet?
Először én is erre gyanakodtam és igazam is lett mert fel volt cserélve. Most megfordítottam de ugyan az a mese. Komolyan ez az egyszerű dolog nagyon kifogott rajtam
Épp ez lenne a lényeg, hogy egyszer sztereóból monot csinálok azután ezt a mono jelet szabályozom külön-külön.
Újra átfutottam de semmi elkötési probléma. Nem akarok külön áramkört ennek kiküszöbölésére opamp-ekkel. Főleg mivel tudom ennek működnie kéne. Megzavarodok, hogy egy ilyen egyszerű, egyértelmű dolog fog ki rajtam.
Az erősítők felé elmenő vezetékekbe is építs ellenállásokat. Így csökkented az egymásrahatást.
Rendben. De miért történhet ez amikor rajzot akárhogy nézve ez nem lenne lehetséges. Ha jól értem sorosan a poti csúszkájával és majd az erősítőre?
Az erősítőid bemenő ellenállásai (impedanciái) is belejátszanak a dologba.
Egyre érdekesebb a dolog. Lekötöttem és a két bementet hagytam lebegni. Utána egyikre jelet kapcsoltam és mindkettő működött. Nem hittem a szememnek
Mi lehet a gond? Mindent én építettem. Egyik végfoknak a másikhoz semmi köze csak a táp. Mintha a két végfok bemenete részben megegyezne pedig nem.
Idézet: Nem elég az? „Egyik végfoknak a másikhoz semmi köze csak a táp.”
Akkor ez mit jelent? Hogy lehet ezt kiküszöbölni? Mindkét végfok bemenete ugyan ahoz a testhez van viszonyítva.
Növeld az erősítői bemenő ellenállásait, hogy ne keverjenek be a feszültségosztásba. Próbálj ki egy soros ellenállást az erősítő elé tenni, vagy játssz a potik értékével stb.
Próbáltam soros ellenállást betenni de semmi. A bemenő ellenállás 10k de azért ennyi, mert hanem szeret gerjedni. A legfurcsább ezek után az, hogy egyik bemenet a levegőben és másik jelen és mégis mindkettő szól. Megpróbálok mégis a bemeneti ellenállásokkal játszani egyet bár az eszem áll meg az ilyen dolgoktól. Köszönöm.
Na ez a pillanat az amikor a szerszamot bedobom a sarokba. Ha nagy értékű ellenállást teszek akkor gerjed ha testre huzom akkor szól
Érdekes a tested
Ahogy mondod. De, hogy mit kezdhetnék vele arról fogalmam sincs. Csupa szűrőkondi minden a test és + - ág között de ennél jobban hova "szegezhetném le" jobban nem tudom.
Nap kérdése: Testet mihez kell viszonyítani? 0 potenciált mihez képest keressem?
Ha szimmetrikus tápegységed van, akkor a test a trafó középleágazása. Minden feszültséget ehhez a ponthoz viszonyítunk, és a jelföld is ez lesz.
Hello!
A TSOP kimondottan infra érzékelő, mint a legtöbb fényérzékelő félvezető. Magának az érzékelőnek, az érzékelési tartományába, a természetes fény is benne van, csak kisebb érzékenységgel. De az IC háza, is egy infra szűrőként funkcionál. Egyébiránt ez csak modulált fényel működik, ahogy az adatlapja is mutatja, így egyszerű fény érzékelésre nem alkalmas. (Sőt el is nyomja) Erre a funkcióra, a CDS ellenállás, vagy valamilyen optokapu alkalmas lehet. Eső érzékelőt még nem láttam, de szerintem infrával megy, és fénytörésen alapul. A mozgásérzékelők, pedig passzív infra érzékelők, ahol a készülék lelke a törtvonalas optika.. üdv! proli007
Akkor ez eddig stimmel mivel így van viszont fene se tudja mi nem jó. El nem tudom képzelni honnan szedhetik össze egymás jeleit.
hi
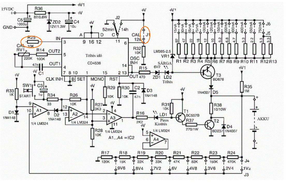
Alul egy akku(cd-mh) töltő kapcsolási rajza van a bejeleölt részeket valaki mesélje le hogy hova megy ? vagy mi az ?
Üdv kadarist, vicsys és köbzoli!
Ma reggel tiszta aggyal megint kezembe vettem a dolgokat. Úgymond feltaláltam egy új kapcsolást Azért viselkedett ilyen furcsán mert a két végfokom híd volt és a végén a nagy tyúkbélköteg közepette a csatlakozót úgy kötöttem be a hangszórókra, hogy a két végfokban a hídnak egyik erősítőben volt az egyik fele a másikban a másik. Nem tudom értitek-e. Az érdekes az, hogy azért véletlenül eltaláltam a párokat így jól szoltak csak az előbb leírt hibával. Köszönöm. Gondoltam is egy ennyire primitív kapcsolás nem létezik, hogy ne működjön.
Üdv!
Tranzisztor mérése! PNP és NPN tranzisztorok mérésénél ha E-C között mérek egyik polaritásnál kb. 500mV van másiknál 1-et mutat a műszer akkor lehetséges,hogy zárlatos a tranzisztor az egyik irányba!?
Erre a tranzisztor adatlapja ad választ, mert ha tartalmaz beépített diódát, akkor annak a nyitófeszültségét méred.
Tip142/147-es tranyók!
Most néztem meg az adatlapot! Van dióda E-C között! Akkor ezt úgy veszem hogy működnek! üdv! köszönöm
Hello!
- Az R25 baloldali lábától hiányzik egy vezeték (vonal) az RV1 baloldaláig. (Ahol a pöty van) - A "CAL" kalibrációt jelöl, RV1 poti, és J1 (Jumper) mellett. A J1 egy ideiglenes átkötés, ami a számláló hosszát "megrövidíti". Így RV1 (idő) beálításánál (a kalibráció alatt) nem kell megvárni a J2 kapcsolóval beálítható 52perc vagy 14óra időt, hanem a kalibrációt 12 másodperces időzítés beállításával megoldható. Ez után a J1 átkötést bontani kell. üdv! proli007 |
Bejelentkezés
Hirdetés |





Mi lehet a gond? Mindent én építettem. Egyik végfoknak a másikhoz semmi köze csak a táp. Mintha a két végfok bemenete részben megegyezne pedig nem.

Azért viselkedett ilyen furcsán mert a két végfokom híd volt és a végén a nagy tyúkbélköteg közepette a csatlakozót úgy kötöttem be a hangszórókra, hogy a két végfokban a hídnak egyik erősítőben volt az egyik fele a másikban a másik. Nem tudom értitek-e. Az érdekes az, hogy azért véletlenül eltaláltam a párokat így jól szoltak csak az előbb leírt hibával. Köszönöm. Gondoltam is egy ennyire primitív kapcsolás nem létezik, hogy ne működjön. 




