Fórum témák

» Több friss téma
Fórum » Transzformátor készítés, méretezés
Ha kérdésed van, az alábbiak segítenek a hatékony választ megadni: Mag típusa: M, EI, UU/LL esetleg I-kből összerakott, tekercselt, toroid. Lehetőség szerint képpel. Méretek: magkeresztmetszet a*b (amit a tekercs körbeölel) ablakméret, lánc és toroidnál, belső-külső méretek. Primer-szekunder feszültség(ek), teljesítmény igény.
Lapozás: OK   84 / 396
(#) mex válasza gaben62 hozzászólására (») Szept 17, 2010 /
 
Igen így célszerű nekifogni a javításnak, így is csinálnám, ha nekem volna rá szükségem...
(#) Robi85 válasza erbe hozzászólására (») Szept 17, 2010 /
 
Köszi mindkettőtök segitségét. A fekete-fehér vezeték a 240V.

Amugy igy a kép alapján megtudnátok nekem mondani, hogy ez kb hány Watt lehet?
(#) IMi válasza mex hozzászólására (») Szept 17, 2010 /
 
Sziasztok!
Köszönöm eddigi válaszaitokat!
Nem volt szándékomban, vitát indítani !
Ha lesz annyi időm neki fogok trafó levest főzni
(#) erbe válasza Robi85 hozzászólására (») Szept 17, 2010 /
 
Nincs mellette centi.
Valami méretek is kellenének. Hátha nagyítóval vetted fel.
(#) Robi85 válasza erbe hozzászólására (») Szept 17, 2010 /
 
Megmértem és oda irtam a méreteket.
(#) erbe válasza Robi85 hozzászólására (») Szept 17, 2010 /
 
150-200 VA.
(#) gaben62 válasza IMi hozzászólására (») Szept 19, 2010 /
 
Mellesleg a primert, nem feszültségre kell méretezni, kapcsoló üzmben hanem az üzemo frekvenciára.
A menetszámokat ki tudod számolni,google-ban rákeresel van 1-2oldal.
A tekercset ki lehet mérni,ha nam vagy bíztos benne,le van égve,menetzárlatos.
Van 1egyszerü kapcsolás 555 Ic-vel és 2db.tranzisztorral,itt a tranzisztor kapcsolgatja a négyszőg jelet a trafóra,amit az 555 állit elő,az impulzus frekijét potméterrel be lehet állítani.
Annak idején jó pár sorkimenő trafót mértem ki ezzel a módszerrel,az ák.12V-ról ment.
(#) tbarnoczky hozzászólása Szept 22, 2010 /
 
Sziasztok!

Egy olyan kérdéssel fordulok hozzátok, hogy van egy 230/60 voltos trafóm, 2 ampert ad le, amelyet már évekkel ezelőtt beszereztem. Sajnos nem kellett felhasználnom, így nullkilométeres. Arra gondoltam, hogy már ideje lenne felhasználnom, csak az ötletekkel vagyok bajban. Gondoltam már led meghajtásra, labortápra, erősítőre, csak az átméretezéssel van gondom, nem igen találok kapcsolásokat ilyen feszültségre.
Egyszóval szívesen meghallgatnék egy pár ötletet, hátha van valakinek valami jó ötlete, hogyan hasznosíthatom ezt a kis trafót.
Előre is köszönöm a segítséget!
(#) nikolatesla hozzászólása Szept 23, 2010 /
 
Hali!
Kaptam egy Orosz (CCCP) trafót. Azt nem tudom,hogy mi a bekötése.
Típusa: TBK_90-II2
Elvileg 200v a szekunder csak a bekötése nem világos.
(#) nikolatesla hozzászólása Szept 24, 2010 /
 
Hali!
Szerintetek a képen látható kis hiperszilek milyen típusúak?
(#) kadarist válasza nikolatesla hozzászólására (») Szept 24, 2010 /
 
Hiperszil típusúak
(#) nikolatesla válasza kadarist hozzászólására (») Szept 24, 2010 /
 
Köszi!
Már tudom is keresni az adatlapját és meg tekerni.
(#) saraha válasza nikolatesla hozzászólására (») Szept 24, 2010 /
 
Nem semmi...
(#) Action2K válasza nikolatesla hozzászólására (») Szept 24, 2010 /
 
Cuki! Van belőle sok darabod? Szerintem olyan 1,5T-vel leh számolni, vagy tévedek?
(#) nikolatesla válasza Action2K hozzászólására (») Szept 24, 2010 /
 
Igen az nekem is tetszenek.
2db van most vettem Jandarktól.
Csak nem tudjuk a típusát.Majd valami kis csövesbe akarok kimenőnek.
(#) Action2K válasza nikolatesla hozzászólására (») Szept 24, 2010 /
 
Mennyi píz volt, ha nem vagyok indiszkrét?
(#) nikolatesla válasza Action2K hozzászólására (») Szept 24, 2010 /
 
[OFF] Helyesbítek cseréltem.
Kis aranyosak.
De van még neki egy rakással.
(#) ElektroJózsi hozzászólása Szept 25, 2010 /
 
Hogyan kell bekötni ezt a trafót? Azt értem hogy 0V-hoz megkapja a nullát a 220-hoz a fázist. De mondjuk én a 8 V- os kimenetet szeretném használni, pl egy izzónál akkor azt hogy kössem rá ? Valaki tudna rajzot mutatni rókla? Előre is köszönöm.

trafó.JPG
    
(#) kadarist válasza ElektroJózsi hozzászólására (») Szept 25, 2010 /
 
Ez biztosan egy csengőtrafó lesz. Mérd ki műszerrel a kivezetéseket.
(#) ElektroJózsi válasza kadarist hozzászólására (») Szept 25, 2010 /
 
Azt tudom hogy csngőtrafó, de akkor is egy adott feszültséghez csak egy kivezetés van. Hol van a másik?
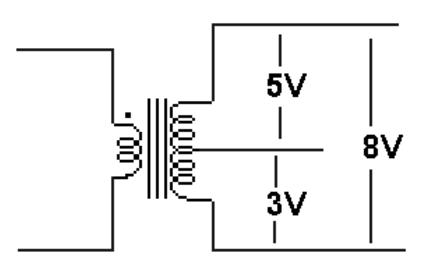
(#) kadarist válasza ElektroJózsi hozzászólására (») Szept 25, 2010 / 1
 
Az 5 és a 3 közt 3V van, az 5 és a 8 között 5V van, a 3 és 8 között 8V van. Szerintem.
(#) ElektroJózsi válasza kadarist hozzászólására (») Szept 25, 2010 /
 
De akkor le kell hogy szedjem a burkolatot. Ugye?
(#) kadarist válasza ElektroJózsi hozzászólására (») Szept 25, 2010 /
 
Minek szednéd le? A kivezetések ki vannak hozva a trafó burkolatán, csavaros csatlakozással.
(#) ElektroJózsi válasza kadarist hozzászólására (») Szept 25, 2010 /
 
De ahoz hogy működjön valami két kivezetés kéne mindegyik feszültséghez, vagy pl egy izzóra kössem rá a hálózati nullát és a 8V- os kivezetést, vagy hogy?
(#) kadarist válasza ElektroJózsi hozzászólására (») Szept 25, 2010 /
 
A 0 és 220V kivezetés közé bekötöd a nullát és a fázist. A szekunder oldal kombinációit leírtam. A lámpát kösd a 3V és a 8V közé. De ha bizonytalan vagy, akkor kérd ki szakember segítségét. Viszont ha csatoltál volna egy jó fényképet a trafódról, akkor már előrébb lennénk.
(#) lapose válasza ElektroJózsi hozzászólására (») Szept 25, 2010 /
 
Szia!

Nem egy ördöngösség, csak a csengőtrafón elég furcsán van jelölve.

tap.gif
    
(#) erbe válasza ElektroJózsi hozzászólására (») Szept 25, 2010 /
 
A képedet kiegészítettem.
(#) water válasza ElektroJózsi hozzászólására (») Szept 25, 2010 /
 
Valahogy így.

cstr.jpg
    
(#) ElektroJózsi hozzászólása Szept 25, 2010 /
 
Na itt a kép, valamelyikőtök berajzolná hogy hogy kell?
(#) ElektroJózsi hozzászólása Szept 25, 2010 /
 
Köszönöm mindenkinek.
Következő: »»   84 / 396
Bejelentkezés

Belépés

Hirdetés
XDT.hu
Az oldalon sütiket használunk a helyes működéshez. Bővebb információt az adatvédelmi szabályzatban olvashatsz. Megértettem