Fórum témák
» Több friss téma |
Fórum » Csöves erősítő készítése
Ne feledd betartani a fórum viselkedési szabályait, és a topik megmaradásának feltételeit. [link]
A téma átmenetileg fagyasztva lett, hozzászólni nem tudsz!
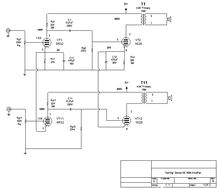
Ez a Darling nevezetű kapcsolás tényleg egyszerű.Én nem ismerem a 1626-os csövet,de a kimenőteljesítménye véleményem szerint nem haladja meg a néhány Wattot,mivel SE kapcsolásról van szó,tehát "A" osztályú.Persze ez a néhány Watt nagyobb érzékenységű hangszórókkal lakásban bőven elég.Sokak véleménye az,hogy egy jól megépített SE végfok hangminősége meghaladja egy PP kapcsolásúét.Én még nem hallottam igazi "high-end" SE végfokot működés közben.
Még valami:ennél a kapcsolásnál légréses kimenőtrafó kell! üdv.
azt hiszem a kapcsolás 5W körüli szerintem is elég egy szobába. Meg amit kérdezni akartam hogy miért van az hogy pl egy 30W csöves odavar egy 100W körülinek. Mikor a teljesítmény ugyan az akkor hogy is van ez?
Ha ugyanaz a két kimenőteljesítmény akkor nem szólhat erősebben egy csöves szerintem.Egy ilyen mérést korrektül,tisztán szinuszjellel,műszerekkel,azonos feltételekkel,egy bizonyos torzítási szint mellett kellene elvégezni,és akkor kiderülne szerintem hogy nincs különbség.
Talán az a magyarázat,hogy a csöves erősítő lényegesen lassabban kezd el torzítani,jobban túlvezérelhető,és az a torzítás sem olyan jellegű mint a félvezetős erősítőknél.Eltérés a két típusú erősítőnél szerintem a torzítási határok elérésénél mutatkozna. Hangsúlyozom,ilyen összehasonlítást nem volt alkalmam még elvégezni,így ez csak egy eszmefuttatás. üdv
Azt se felejtd ki hogy:
A csöves erősítők frekveciamenete alul-felül erősen sávkorlátos. Rosszabb a tranziens átvitele. Kimenő impedanciája magasabb mint a tanzisztorosoknak. Harmonikustorzítása általában magasabb. A jól szól, szép a hangja, nem mérhető ,hanem szubjektív kategória és ízlés függő is.
Megpróbáltam egyben elküldeni de nem jelent meg, ezért egyesével küldöm:
Egy kis gyorstalpaló a kezdőknek, hogy felzárkózhassanak, és hátha kedvet kapnak a csövekhez.
Rővid történetem a csövekkel, csak erős idegzetűeknek,
Mate78 remélem ezekkel is már segítettem, ha még van kérdésed, akár itt, akár a freemailon megbeszélhetjük.
hy
ez jól jött ez a kis gyorstalpaló szépen összeszedted a lényeget. Télleg sok mindenre fényt derítet. Nem is olyan bonyolult alkatrész inkább csak a magas fesz ami elriaszt mindenkit. Vágülis van rá ok mert ha nem vigyáz vele az ember ott marad előtte még el nem viszi a hullaszálító. . Ajálom mindenkinek hogy elolvassa. Pénzbe nem kerül...
Megnéztem én is végre ezt a Darling /kedves/ erősítőt, és nem csodálom, hogy beleszerelmesedtetek, ezekről a gömbölyded formákról beszéltem.
Elektro, ne haragudj / bár örülök, hogy rám gondoltál/, de nekem is annyi csövem van már, hogy bármikor akár 10 db "A"-osztályú erősítőt is összerakhatnék, bár nem pont triódásat. A másik, hogy az asszony ki is nyírna, ha ilyenekre költeném a kosztpénzt. Egyébként nem tudom, hogy miért nem valami közelebbről fellelhető csővel próbálkoztok, amit esetleg utánpótolni is lehet, ha véletlenül megsérül, vagy elhervad. Ugyanilyen tokozásban vannak pentódák is régről.
Elektro, nem is mondtad, hogy berényi vagy.!
Egyébként rajzoltam egy kis okosságot neked, hogy megkönnyítsem az erősítőépítésedet. Látványtáp aszimmetrikus trafóhoz.
Azért ajánlottam neki a darling-ot mert egy egyszerűt kért. De igen,ez csak a kapcsolástechnikai részéről egyszerű megépíteni, a csöveket nehezebb beszerezni, 6j4 et(8532) még emitt amott találni kishazánkban is de 1626-ot nemigen sajnos...
Hali!
Köszi szépen hogy megosztod velem a tapasztalataidat,és remélem,nemcsak én miattam dolgoztál vele ennyit.Látom,Te is bontott TV-kből építkeztél,ahogy én is.Mostanára már kezdenek kikopni a csöves TV-k,ezzel együtt az alkatrész utánpótlás is.Nem marad más hátra mint a vásárlás. üdv
hy
nagyon elkeserítettek egy másik fórumon mégpedig itt a konkurenciánál Szerintetek télleg igaz hogy szar az egész erősítő mert összekeveri a két oldal jelét és elveszi a sztereo hatást? Mert ha egy rakás sz... akkor nem fogok a amcsiből csövet rendelni.
Valóban nem szerencsés a megoldás.
Szerintem símán csinálj minden csőnek saját katódelllenállást, és ne kösd össze a trafó földpontjával, de ez csak akkor oldható meg ha a cső közvetett fűtésű. De nem találtam adatlapot a csőről ezért nem tudom hogy milyen....
Szerintem a kolléga eléggé túlzásokba esett. Hogy is fogalmazzak.. szerintem ő egy konzervatív alak
aki szerint egy nem 2a3-al épült, és arany-ezüst-platina kriptonit film kondenzátorok nélküliv erősítő már nem is erősítő. De ez csak egy megérzés.Nem akarom megsérteni...
Úgy gondolotam hogy felteszem a darling rajzát két okból
még pedig azért mert nem mindig megy a serverük és sokszor nem lehet megnézni. Illetve hogy egy rajzról beszéljünk mert elég sok van ott és ne legyen félre értés
nézegetve a rajzot valóban nem tökéletes de szerintem orvosolható teljesen függetleníteni kell a két oldalt és szerintem akkor nem lesz gond. Ha nem is lesz két külön trafó a anódnak akkor is két egyforma cucc legyen. Vélemyén?
Sziasztok!
Szeretnék csöves erősítőt építeni, de a kimenőtrafó tekercselése, illetve ennek a kész ára eléggé elkeserít.. Viszont találtam egy kapcsolást, amihez nem kell, tudom hogy ez nem lesz olyan minőségi, bár én csak az előerősítő részét építeném meg egy JLH végfokkal. Kapcsrajz itt. Vélemények hozzá, működőképes az áramkör? Üdv, Tom025
hu hú
jó helyen vagy csak a linken lévő erősítő sz.. vagyis nem lesz jó neked. mi most keresünk ha előrébb lapozol csak 2-3 oldallal. Pont én is ebbe vagyok lesz itt kimenő is meg egyszerű rajz is meg jó hangó meg jól kivitelű csövek. Namos amit gyorsan tudokmondani hogy ha tudsz akkor vegyél föl msnre mert nem minden idevaló feleslegesen ne ide írjunk. Ami még fontos hogy gyüjsd a pénzt. Sajan nem olcsó mulatság
Sziasztok!
elektro szívesen felveszlek msnre ha megadod a címed. Vagy az a vipmailes lenne az? Az igazság az, hogy addig nem szeretnék nagyon sok pénzt áldozni rá, amíg nem tudom pontosan mire számítsak. Még nem hallottam csöves erősítőt muzsikálni, csak a hangjukról keringő legendákat ismerem. Csövekkel eddig csak régi rádiók és TV-k esetében kerültem kapcsolatba, de azok persze messze voltak a minőségtől. Ezért szeretnék először valami egyszerűbb darabot készíteni, ami pl az anódfeszt a hálózatból kapja, nem kell hozzá kimenőtrafó, és lehetőleg csöveim is vannak hozzá (egypár darabom van itthon). Első nekifutásra a sima előerősítő is megtenné, mint már mondtam A osztályú tranyós véggel, ami olyan sokat azért nem rontana a minőségen. Találtam már más csöves előfokokat is a neten, de azért kíváncsi lennék szerinted miért nem jó a bss-féle. Egy másik érdekességre is rábukkantam: csöves végfok kimenőtrafó nélkül, ugyan 110V-os tápról, de áttervezem 230V-osra, ez ne jelentsen gondot. Ismétcsak azt kérdem, a gagyi, spórolós voltától eltekintve, működőképes lehet a kapcsolás? Bővebben: Link Természetesen ha megtetszik, beruháznék valami normálisabbra, de kezdésképpen nem szeretnék (a példa kedvéért) egy 25.000Ft-os 300B-n kísérletezni. Remélem megértetek. Üdv, Tom025
A kimenő nélküli erősitők már nagyon régóta léteznek. Régebben hanghálózatok táplálására készültek. Ide csak olyan csövek jöhetnek számitásba amiknek kicsi a belső ellenállása és relativ nagy áramúak. Ez a fent közölt rajz viszont egy elmebeteg megoldás mert a hatásfok (eredő) még a 10%-ot se éri el. Már pedig én csöves erősitővel nem fűteni szeretek hanem zenét hallgatni. Sajnos most már a csövek köré húznak egy olyan misztikumot mint 30 éve a tranzisztorokhoz. Hülyére röhögöm magamat a sok önjelölt hozzáértők megjegyzésein bizonyos fórumokon.Akkora baromságokat irnak le, hogy az már majdnem fizikálisan fáj. Nem beszélve az általuk épitett kütyük szereléséről. Óvoda kiscsoport. Nem akarok itt sok helyet foglalni de speciel én most is épitek végfokot és azzal a bevált technikával amit 25 éve használok. Nem fogok 1000000 ft-ért indukciómentes ellenállást , unipoláris elkót venni mert egy-két "hozzáértő" ajánlja.Ha BEAG057-ben jó voltak a hagyományos alkatrészek akkor most is jónak kell lenni.Ezt csak azért irom le mert sok kezdőnek emiatt megy el a kedve, lásd a "speciális" alkatrészek és természetesen az anyagi vonzatuk miatt. Ha valakit a téma esetleg bővebben érdekel a privát e-mail-ben szivesen válaszolok.
Aki ezt tervezte nem sok esze volt. Illetve nem is kellett tervezni mert csak a csőadatlap után felirkázta a ellenállás értékeket amit lefelezett. Egy: nincs két egyforma cső tehát a munkapontok sem állnak be automatikusan hiszen a végcsöveknek már 27Volt kell a rajz szerint.Miért nincs külön előfeszültség ellátás, hogy ne melegitsen az a marha nagy ellenállás?Kettő a bemeneti trióda rácsa miért van fémesen összekötve a potencióméter csuszkájával?Igy a cső bemeneti ellenállása mennyi?Hol van a negativ visszacsatolás nem beszélve a szekunder egyik oldalának a talajra való kötése?Miért ragaszkodnak ehez a triódás véghez amikor az eredő hatásfok még 30% sincs?Ettől még a TERTA rádió végfoka is jobb volt mert azt legalább megtervezték.
csak annyit, hogy én a csöves előfokról nem tudok nyilatkozni, de a végfokot az megépítettem és nagyon szép hangja van, még zenét is szoktam rajta hallgatni! Sokkal szebb, mint egy IC-s!
Hali
Sziasztok!
Köszi a válaszokat, sokat segítettetek. Először is, a trafó nélküli tápegységek érintésvédelmével tisztában vagyok. Mindenesetre abban igazad van barkácsoló, hogy próbálgatáshoz, kísérletezéshez, mikor nyúlkálunk az áramkörbe, mindenképp galvanikusan leválasztott anódfesz kell. Természetesen én sem speciális alkatrészekkel gondoltam megépíteni, ugyan csövekkel nem foglalkoztam még, de azért annyi elektronikai tapasztalatom van már hogy alkatrész és alkatrész között ne tegyek különbséget. Hogy az a kondi fólia vagy kerámia, az ellenállás fémréteg vagy huzal, az áramkör működőképességébe nem fognak beleszólni, annyira az átlag zenehallgató meg nem vájtfülű, hogy az ezek közti különbséget meghallja. Első körben valami egyszerűbb egytriódás előfokot tervezek építeni, mert van vmi típusjelzés nélküli trióda-pentódám ami erre tökéletes lehet. Sok kapcsolást találtam a neten, van mi közűl választani. Tungsram, köszi a belinkelt kapcsolásom értékelését, én sem számítottam sokkal jobbra, azért kérdeztem utána. Viszont ha tényleg léteznek ilyen kimenő nélküli erősítők, megköszönném ha megosztanál egy kapcsolást. A JLH-nak tényleg gyönyörű a hangja, de erre van egy másik topic is az oldalon. Üdv, Tom025
Na ja... Főleg hogy az indukciószegény ellenállások
előállítási költsége kb 5-10ft /db maximum.. és eladják tudomisén 10000-ér. Meg arany film kondenzátor, stb. Az én "csöves" pályafutásom nem hosszú, kb 2éve kezdődött... Bevallom nem vagyok annyira tapasztalt csóka mint te... De azt hiszem emiatt nem kell szégyenkeznem,legalábbis nem bírok. A kimenő transzformátor nélküli erősítőkről azt hallottam hogy hamamar ki tudják égetni a csöveket. Mondegyikre igaz ez vagy ez valami általánosítás lenne? Meg hogy Idézet: „nem kell kimenő trafó de nagyon jó minőségű hálózati trafó kell hozzá” Eléggé hülyeségnek hangzik. Meg amiket láttam kapcsolásokat azok sok végcsövet használnak ,4,8,16db-ot... lehetne ilyen erősítőt építeni mondjuk PL500-al vagy PL36-al? Abból lenne sok, mert sok a régi tv
Lehetni lehetne csak én személy szerint ezeket a kapcsolásokat elmebeteg megoldásnak tartom. Ehhez viszont nem árt ismerni csövek lelki világát. Még komolyabb teljesitményű adókban sem kapcsoltak a profik !! párhuzamosan 2-3 csőnél többet. Az oka egyszerű: az öregedés nem egyformán veszi igénybe őket igy tartós üzemeltetés után már jelentős asszimetriák léphetnek fel. Ráadásul az öregedő csőnek egyre nagyobb előfeszültségre van szüksége a lezáráshoz. Tehát a gyengébbik szépen elemmittál.Magyarul lecsökken a katód ill. anódáram akár nullára is.Ezek a kimenő nélküli megoldások csak a csöforgalmazóknak kedveznek. A hálózati trafónak semmi de semmi köze nincs ahhoz , hogy mit hajt. A lényeg annyi: teljes terhelésnél is adja le az előirt feszültségeket. A másik csak az üzemi fesznél van ami általában 250-akár 1000v!!-ig terjedhet. Ez maga után vonja a szigetelés kifogástalan mivoltát.Ezekről a szárnyaszegett megoldásokról MINDENKIT!! lebeszélek mert kellő szakértelem hiján jelentős anyagi és erkölcsi veszteség is érheti a kisérletező kedvű kezdőt. A neten található kapcsolások 99%-a szemét csöves erősitő ügyben. Ezek az angolszász területnek a hülyeségei. Lásd a darlingot. Egy db baromság az egész. Aki ezt a technikát szeretné megismerni az kezdjen el megépiteni egy ECL86-os vPCL86-os kis kb 2-3 W-os A-osztályú erősitőt . Tudom mindenki felszisszen a teljesitmény miatt. Csak és hangsúlyozom a "szamárlétra" végigjárása után lehet egyre nagyobb és nagyobb teljesitményű CSÖVES erősitőt épiteni mert a nagyobb csövek tönkretétele már nem kis anyagi kockázattal jár. Még egy: a powerrel az üzemi feszültségek is emelkednek méghozzá jelentősen. EZ nekem megszokott dolog de egy fiatalnak aki a PIC-hez a PC-táp-hoz van szokva veszélyes lehet. Egyetlen élö pl: csöves berendezést általában bal kéz hátra test lecsiptet módszerrel kell mérni. Akit már rázott meg 600Volt anód az nem felejti el egy életre.Egyenlőre ennyi és várom a további kérdéseket. Viszont a fentiek tükrében ne bombázzatok mindenféle netes szemettel
A kérés nem egyszerű mert az igazán jó hangú pl 10W-os erősitő kimeneti impedanciája 800Ohm!! ez nem vicc mert régen voltak ilyen hangszórók. Másrészről ezek megépitése már elég nagy gyakorlatot igényel és kérdés megéri-? Előbb már leirtam és neked is azt javaslom csinálj ikercsővel kis véget. Ezekhez kis szerencsével még TV-ből bontott kimenőtrafót is lehet szerezni. Ez természetesen nem lesz HI-FI de szórakozni tökéletesen jó. Persze itt is vannak trükkök pl-ul a mélyátvitel növelésére igen nagy értékű katódkondezátorral.Orion 70-es csöves TV kondicsere utn úgy szólt mint az ágyú minden különös állitgatás nélkül.Ne akarj egyből csúcsra törni mert ezek az alkatrészek most már igen drágák ahhoz, hogy tönkremenjenek. Hidd el ugyanugy lehet örülni az első kis gépnek mint később a nagyobbaknak. Ezen megismered a működésüket és a viselkedésüket is.
Okok. Én voltam aki belinkelte a darlingot. Köszi hogy elmondtad a véleményed.
Az ECL.. és a PCL.. azok amelyek egy pentódából és egy meghajtócsőből állnak ha jól tudom,tehát kapásból megvan a "meghajtó cső" is hozzá. Egyenlőre nem építek hifi-erősítőt elektroncsővel... Egy gitárerősítő van folyamatban. Ott van alul a rajz. Neked mi a véleményed róla? Bár én effelől már meg vagyok győzve,mert hallottam a hangját. Igen tudom, vigyázni kell hogy építi meg az ember, árnyékolás,csillag földelés,stb... Úgy fogom megépíteni hogy kiszedek két régi forrterminált egy régi TV-ből és felforrasztom rá az alkatrészeket, bekábelezem,stb nem kell nagyimpedanciás nyákot terveznem,meg ha valamit módosítani kell,forrasztgatni össze vissza akkor nincs forrszem ami leváljon. Első menetben egy varázsszemes kivezérlésmérővel még szeretném kiegészíteni.
Meg még talán a váltóáramú fűtés az ami bekavarhat
|
Bejelentkezés
Hirdetés |


. Ajálom mindenkinek hogy elolvassa. Pénzbe nem kerül... 


