Fórum témák
» Több friss téma |
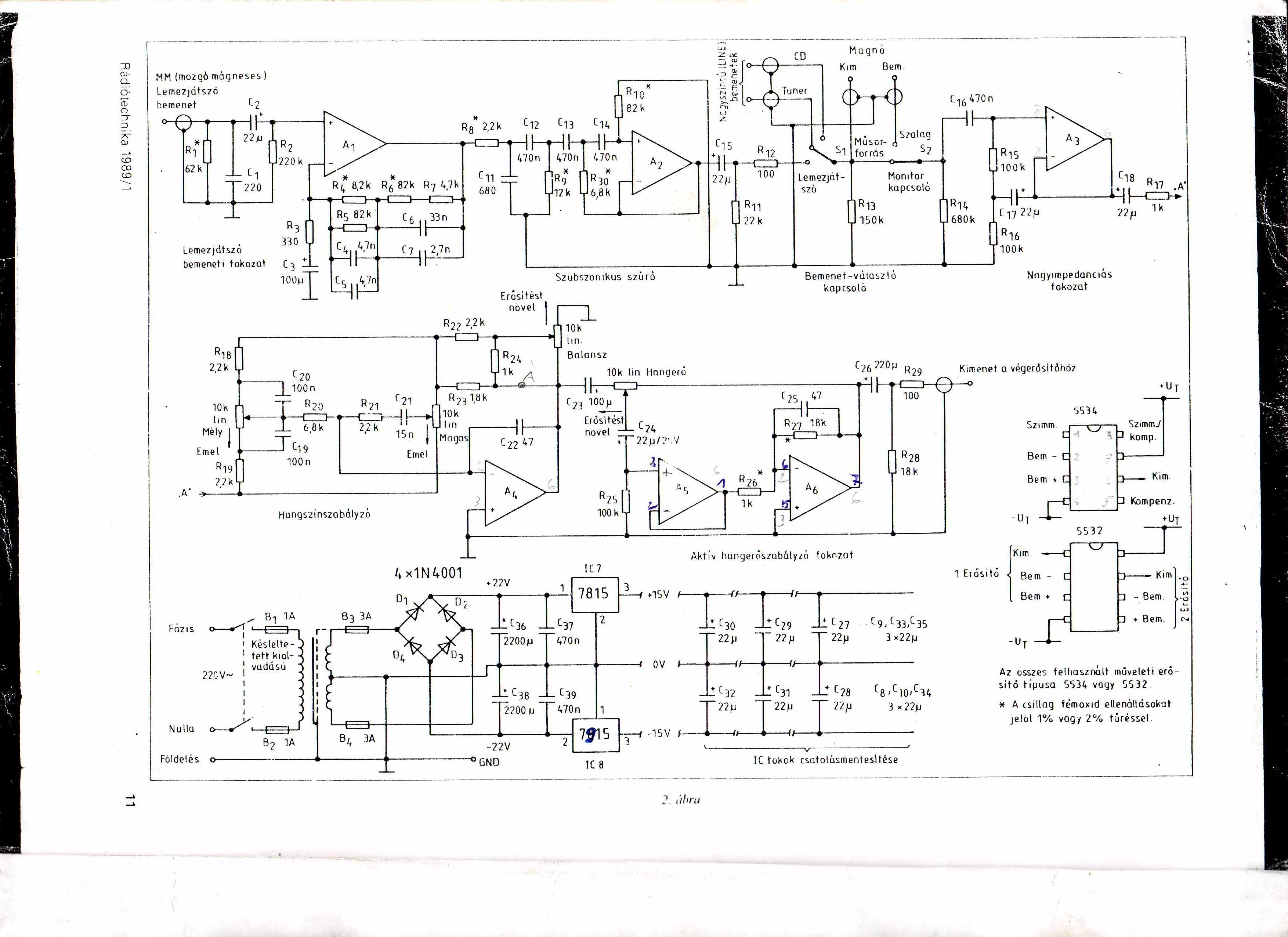
na, megépítettem ezt a trágyát de nem működik! annyira működik hogy ha letekerem a volume potit akkor elnémul az erősítőt de ha teljesen feltekerem akkor viszont búg de nagyon és a többi potival meg semmire nem mentem
TEHÁT SZ*R EZ A KAPCSOLÁS!! :yes: :yes:
nekem is valami hasonlót produkált, illetve nekem nem búgott, de a hangszínszabályzok nem szabályoztak rendesen, aztán építettem egy másikat
Igen, az már jól működött, de ne kérdezd, hogy milyen rajzot csináltam, mert nincs róla rajzom.
Leülteem, eldöntöttem, hogy 2 vagy három sávos legyen, és próbapanelen kikisérleteztem az értékeket. bánom, hogy nem írtam le, mert most szivesen adoadnám. Volt egy Tl 082, ezzel csináltam a hangszínt, a bemeneten az egyik műveleti erősítő a kimeneten a másik. a kettő közt voltak a potik, a potik egyik vége az egyik műveleti erősítőre kötve, a másik a másikra, a középső kivezetés pedíg a második bemenetére....nagyon álltalános ez a fajta hangszínszabályzó, csak nem ugrik be a neve.... a lényeg, hogy amikor ez kész volt, fogtam a gitárt és addig kisérleteztem a bemenettel, hogy az illeszkedjen a gitárhoz, ne is torzítson és ne is legyen halk... Próbálj te is kisérletezgetni, esetleg ellenállások helyett használj potikat és akkor nem kell cserélgetni, csak tekergetni....
Sziasztok!
Szükségem lenne egy MONO zajtalan hangszínszabályzó kapcsolásra. Köszönöm: Müszi
Ezt tina-texas-s verziójában találtam, sztem egész jó, és egyszerű, csak a hangerő szab hiányzik, de asszem kivitelezhető
Blint
Hány sávosra gondoltál? Én építettem egy öt sávosat, a kapcsolást egy régi füzetben találtam (nem az enyém), de azért nem rossz. :yes: Kivéve a magas szabályzót, mert az gyakorlatilag csak torzításra és zajnövelésre jó.
Hellosztok!
A közeljövőben megépítendő tda 7375-ös végfokhoz kellene magas hang kiemelő áramkör. A Bss oldalán találtam basszus kiemelőt (http://www.freeweb.hu/bss/index.php?id=293) ezt át lehetne alakítani úgy hogy magas hangot emeljen ki? Vagy esetleg lenne nektek bevált rajzotok ilyesmire? Válaszaitokat előre is köszi!
Itt van 2db hangszínszabályzó, válogassatok milyen tetszik.
Az egyikbe van magas-mély-balance- és mélykiemelés (loudnes) A másik pedig egy 10 csatornás hangszínszabályzó 741-esekkel, úgyhogy még olcsó is http://www.electronics-lab.com/projects/audio/039/index.html
Nekem egy gyári erősítőbe vannak gondok a hangszínnel. A végfok tökéleesem műkődik de a hangszín nem. Van egy bemenetválasztó és arra megy rá a hangszí végfok minden. Avégfok bemenetét ráduom úgy szól de csak a hangerő megy meg egy gomb. Ha rádugom a másikat ami a végfokról jön ki akkor nem szól csak néha és akkor is torzít. A bementeválasztóba két ic van melynek típusai: 20820 JRC 0007b a másik ic:5812a 0107. Az utóbbit sikerült találnom és ki is cseréltem mert az már füstölt is. A másikat nem tom hol lehet kapni de azt se tom hogy működik-e. Erre a planerra csatlakozik két szalagkábellel a hangszín abba csak egy ic van de sztem az nem nagyon van leégve de az is meglehet. Ez az erősítő egy Denon Pma 1060. Ha valaki segíteni nagyon jó volna mert így nagyon középen szól és így nem is tetszik a hangja. De lehet hallani hogy töbre lenne képes is.
Üdv.: Gábor
Nem lehet, hogy valami szalagkábelt rosszul csatolsz ide oda? nem minden szalagkábelnek azonos a bekötése...
Lehet, hogy te kötögettél el valamit, vagy mivel írtad, hogy már füstölt is, akkor ott más gondok vannak. Vizsgáld át az egészet. A tápegységgel kezd! leadja e a megfelelő feszültséget. Megvan e a kétszeres táp, ha épp az kell. Ha stabilizált táp megy az előfokba, nem nagyobb fesz megy e oda?(pl táp puffer kondi 30Voltos de több feszültséget lehet rajta mérni) Rákerestem a tipusra, neten van kezelési utmutató és szerviz leírás is.(igaz csak fozetőset láttam) Próbálj keresgélni, a vele kapcsolatos fórumokat is nézd át, hogy miket linkeltek be, hátha megtalálod a szerviztleirást.
Na most már jó a hangszín mert lehúztam a phono előerősítőt és most má jó de most az a baj hogy a bal oldal szörnyen melegedik és búgy szól az zene nem lehet hallani de ahogy elhallgat hallani ez még nem is olyan baj hogy búgy de nagyon melegedik nem tom mér van ez. Ahogy bekapcsolom elkezd melegedni de nagyon.
A tranyó bázisa és a bemenet közé kellene egy kondenzátor, illetve az ic kimenetére a trimer elé kellene egy szintén egy kondi mert az ic ebben a beállításban (ergo szólótápos) a kimenetén féltápot eredményez amit a trimmer lezár a földre.
Az egytranyósat ajánlom nekem már működik egy jópár darab és tökéletes.Az első az a sima lepke nagyon sokat csillapít a jelen azt csak marha érzékeny végfok illetve CD játékos közé ajánlanám.
Sziasztok! ez is kis cuc mármegépitetem egyszer nemcsalodtsmbene
Én speciel így gondoltam:Melléklet!
Az értékeket meg ki kell silabizálni.
Mekkora érték között gondolkodjak? 1µF jó lenne szerinted?
Sziasztok,
van egy hangszínkapcsolásom TL084-es IC-vel. Valaki tud erről valamit? Vagy használ valaki ilyet? Várok véleményeket.... köszi. TaTa
Sziasztok,
senki...? Már megvan a kit(NE092 TL084), kaptam egy ismerőstől, Ő nem tudja használni, én meg gondoltam jó lesz az STK-s végfokomba, így teljes értékű erősítő lehetne. De viszont nem kaptam hozzá semmilyen leírást, csak a nyákot, meg az alkatrészeket, potikat, beültetési rajzot. Egy lengyel cég gyártja, megvan a honlapjuk, de csak lengyel nyelvű... (Nord Elektronik). Ott van hozzá leírás, de én nem tudok lengyelül sajnos... Szóval ha valaki már megépített egy ilyet, akkor szívesen venném, ha megosztaná a tapasztalatait velem...TaTa
Szia szabi,
igen, ez az, ezt én is megtaláltam, és semmi bajom vele egyenlőre. Ma összeraktam, holnap bekötöm és kipróbálom, de ezenkívűl semmit nem tudok róla. Mennyire zajos, vagy nem zajos, mennyit vág és hol, sőt, még azt sem tudom, hogy ez most hangerő+mély+magas szabályzó, vagy mély+közép+magas.... Persze, működés közben minden ki fog derülni, de arra gondoltam, hátha valaki megépített már egy ilyet, és többet tud róla, mint én... #99220-ban írtam, hogy mi van meg hozzá... TaTa
Hali,
Idézet: „mély+közép+magas....” ezen kívűl, semmi mást nem csinál. üdv
Szia szabi,
köszi, ez azt hiszem elég infó, a többi meg majd kiderül üzem közben... :yes: TaTa
Sziasztok,
na, kipróbáltam ezt a hangszínt(NE092), de valamit elszúrtam, mert nagyon brumm az egész. Átmegy rajta a zene is, de a zúgást nem nyomja el, hangerőtől függetlenül ugyanolyan erővel zúg. Ja, és azért gondolom, hogy valamit rosszul ültettem be, mert nem szabályoz semmit, hiába tekergetem a potikat, ha meg lekötöm és egyből a végfokra küldöm a jelet, akkor minden oké. Biztos összecseréltem valami kondikat, legalábbis remélem... TaTa
Sziasztok,
esetleg ötlet...? Földhuroktól nem zúghat, ja és azt elfelejtettem, hogy hiába küldöm rá a max. jelet, nagyon lehalkulva küldi tovább a végfokra, és persze nem szabályoz semmit, se magasat, se közepet, se mélyet... TaTa |
Bejelentkezés
Hirdetés |







) 


(Nord Elektronik). Ott van hozzá leírás, de én nem tudok lengyelül sajnos... Szóval ha valaki már megépített egy ilyet, akkor szívesen venném, ha megosztaná a tapasztalatait velem...
Persze, működés közben minden ki fog derülni, de arra gondoltam, hátha valaki megépített már egy ilyet, és többet tud róla, mint én... #99220-ban írtam, hogy mi van meg hozzá...





