Fórum témák
» Több friss téma |
Fórum » Csöves erősítő készítése
Ne feledd betartani a fórum viselkedési szabályait, és a topik megmaradásának feltételeit. [link]
A téma átmenetileg fagyasztva lett, hozzászólni nem tudsz!
Nagyon köszönöm .
Egyszerűbb elrendezés is lehetett volna , ha nem két végfok kipróbálására indítom a tervezését .
Neked mennyire szórnak a 6H13C triódái .
Amit próbáltam azok 50% eltérést is mutatnak . Doboz nélkül vettem , állítólag új volt . Szerintem mind használt , nem akarom elhinni , hogy új csövek között ekkora különbség legyen . Talán megkockáztatom és próbára rendelek Bővebben: Link innen , hátha ...
Hát igen, ezért szerencsésebb a 6Sz19P azt lehet válogatni triódánként.
És a 6N13Sz is tápcső. De a kérdésemre te is tudhatod a választ...Mi van ha egy tetródánál a rácslevezető túl nagy?
Igen szerencsésebb a külön "csomagolt " trióda , de az sem lehet valós , hogy 50% feletti szórás legyen új csövek esetén .
Én akkor használok nagyobb értékű rácslevezetőt , ha automatikus a munkapont beállítása . Értéke cső típusoktól is függ , általában az adatlapon meg is adják . Néhány cső estén még az élettartama is csökkenhet a túlzottan magas érték miatt .. Neked 220-330k érték megfelelő lehet .
Sziasztok. Miért nem jön be nekem a visszacsatoláson a 4,7 nanos kondi,Ha ráteszem az ellenállás hátára már kb fél hangerön recseg valahogy hijányosan szóval rosszul szól kondi nélül nincs gond.Próbáltam a kondit az ellenállás után tenni mint a rajzon amit mellékelek 250 nanoval teszteltem kegyetlenül kihúzza a mélyeket és sokkal hangosabb is,de igy eggy kicsit sokallom a mélyeket valahogy idegesitöbb.
Persze az a soros 250nF alcsony frekin csökkenti a visszacsatolást , ezzel mély emelés jön létre .
Párhuzamos kondi , magas vágást okoz , 10KHz négyszöges méréssel lehetne pontosan belőni a párhuzamosan kötött kondi értékét . Erre a kondira nincs mindig szükség , nagyon kimenő függő használata és nagysága .
Nem akarlak elkeseríteni, de attól tartok ezek az eltérések normálisnak nevezhetők tápegységbe szánt csöveknél, legalábbis az oroszoknál (az anód-katód között csak 50-100 V van, ha tápegységbe használjuk, és akkor már mindjárt kisebb az eltérés a két csőfél között). Teljesítménytrióda szerintem nincs is közös búrában olyan, amit ne tápegységbe szántak volna eredetileg. Jókora szerencse kell ahhoz (és sok cső), hogy olyan egyformákat találj, amelyek még búrán belül is egyformák.
Mester 6p3s-E nek mekkora rácslevezetőt tegyek szerinted?
A fentebb leírt ingadozást okozhatja a 470k a 150k helyett? Ma este beteszek 6p3s-t is és megmérem az is úszkál-e, csak még nem szabad a konyhalaborom...eszik a család, aztán költözik ki a szkóp ![]() SRPP be R képletben mi az Ra? 2xRt+Ra osztva a mű vel...az Rt az gondolom a meghajtandó dolog által képviselt terhelő R...ugye?
De szerencsére a 6N13S ugyanaz majdnem csak kicsit nagyobb Pd anód és dupla egy búrában, és úgyanúgy tápba szelep cső.
Azért is téged kérdeztelek 6S19P ügyben mert azt hittem tudod, hogy nagyon hasonlóak, hiába külalakra teljesen mások.
Szerintem 150 K-t tegyél, és tegyél sorosan a ráccsal gerjedésgátlót is, nem árt ha olyan csővel hajtod, amelyik ennek 5-ödével (30 K) elboldogul az anódjában. :yes:
Hát , nekem ez durva , találtam olyat is , hogy -130V mellett , az egyiken 30mA , másikon 8 mA folyt .
Szerintem ezért sem működött kellő teljesítménnyel az SRPP híd .
Ok, köszi, mi van ha 47k-t teszek oda, úgyis 500nF al csatolok?
A drift nem a végcsőtől jön, hanem a SRPP től, végcső nélkül is libeg az SRPP, de ez már az 500nF után van, azaz túl nagy a kondi ha ezt a 0,1Hz et átviszi, ha a 470k helyett 100k ra dolgozik sokkal kissebb is a drift. Megvan a drift oka is, a hálózati ingadozás, azaz ha bekapcsolnak egy 300W os halogént (amivel a konyhalabort bevilágítom le is mászik 80mV ot aztán visszaáll. Lehet a nagyanódtáp felől nem elég a 10k hanem 47k vagy mégis 100k kell oda? akkor tápfüggetlenebb? szerintem nem mert a fesz változás akkor is ott van...talán nagyobb kondi kell az SRPP kistápjának...igen ez lesz az teszek bele 100mikrot még a 47 re...pill..mérek. betettem soros 10k helyett 100k-t most alig reagáll, valszeg még a 47 mikrót is megduplázom, a rácslevezető is csökken 150k ra akkor már érzéketlenebb a táplibegésre. De az egész lehet azért jött elő mert a graetz után kondik és csk 24 Ohm és nagyanódtápkondi, azaz a táp változás a 470 mikrokat jól megvezérli , azt is növelni kell legalább 100Ohm ra, akkor már megint más mp van a tetródának ,és fuccs a 6,8W , de sebaj a kevesebb több legyen meg a 6W kényelmesen...
Köszi akkor most inkább elhagyom a kondit igy most jó szól a sorossal még kisérletezek eggy kicsit más értékekkel.
Nekem a 6C33C-ek után semmi meglepő nincsen benne. Szintén -130 V-nál (285 V táp, kb. 100 mA) a nyolc mostani csövemnél (vagyis csak 7 mert egyet megöltem) háromnál semmit nem változik a nyugalmi áram ha a másik oldalát is befűtöm (tehát ki sem nyit a másik trióda), 1-nél duplázódik az anódáram, egynél úgy doplázódik az anódáram, hogy az erősebb oldalon 5,6 V ra csökkentettem a fűtést (3,25 A megy rajta így, 6.3 V-al ez az oldal a csillagokig emelkedik), egynél pedig 30%-ot emelkedik, a megölt is ilyen volt. Akik sorosan fűtik ezeket, nem is gondolják, hogy szerencsétlen esetben fél csövön csordogál 200 mA tételű áram, a másik fél csak dísz, illetve nagyobb vezérlésnél ki-kinyit valamennyire. 6 csőnél a baloldal ketőnél a jobboldal produkálja a nagyobb áramot.
Lehet , hogy igazad van , megpróbálok venni vadi új csöveket , lehetőleg nem orosz példányokat és kipróbálom . Majd beszámolok mit tapasztaltam.
Szia!
Bozóé biztos új! Az enyémeim mind használtak voltak (gondolom, doboza nem volt...), de legalább négyesével vettem őket. Sajnos el kell keserítselek, sosem hasonlítottam össze triódánként a csöveket, a 75W-osban is csövenként full párhuzamba mennek, és minden cső 1ohm katódellenálláson mérve-összehangolva egyesével szabályzott előfeszt kap, viszont annyit elárulhatok, hogy 250V-on a 30mA-hez mindegyiken k.b. 135-140V minusz kellett nekik. Tehát így párhuzamban egymáshoz képest nem volt nagy szórás, de csövön belül?
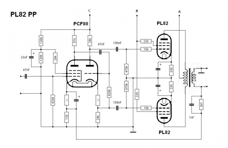
Közzéteszem a kapcsolást amin most kisérletezem. Még a pontos beállítás hátra van. Bátran mondjatok véleményeket.
A tápfeszek A: 230V; B:215V; C:200V
Nem kellene ezen sokat problémázni. Már kb. 6 éve leírta Plachtovics egy Rt évönyvben, hogy igen nagy a két csőfél közötti szórás. Diagrammot is közölt.
Jó lenne tudomásul venni, hogy a manapság árult orosz csövek már a legalja. Lehet olcsón venni a börzén, ahol megmagyrázzák, hogy azért nem hasonlít a TU-nak nevezett 509 cső a TUNGSRAM-hoz, mert utólsó széria stb. Aztán Nem is tungsram, meg lehet hogy Nem is 509, pedig milyen jó áron vettük. Ez fokozottan áll az orosz csövekre, amik amúgy is nagy szórással rendelkeztek. A készleteket már régen kimazsolázták. Néha nagy szerencsével még hozzá lehet jutni valami közepesen értékes cucchoz. Elvileg BB csövei megbízhatóak, egy részük bemért, nincs tapasztalatom.
6N9S SRPP meghajtó fokozat, ha 6P3S-E miatt 150k ra hajt 500nF on akkor 3k3 3k3 ellenállásokkal jó lett a szkóp szerint, a driftet a 100k nagyanódtáprol soros R oldotta meg, ugyanabba konektorba bedugva a 300W os halogén izzót alig mozdítja meg 20mV/osztásban a tetroda rácson mérve. 100mikro kell ide.
A nagyanódtápnál Si egyenrángatásnál 24Ohm soros R csatornánként kevés? 6p3s-e megy innét 62mA el, nameg az SRPP 100k keresztül 0,5mA el. Sajna a csöves egyenirányítás itt most elmarad, mert van 4db táptrafóm amiből 3db 2xanódfesz re tekert de csak a 4ik ami 1x anódtekrences az tudja a 330V ot 130mA el DC ben... A másik 3 mind 250V DC ben egyezne ki egyencső, és CRCRC után. (47mik 110 Ohm 200mik 220Ohm csatornánként 350 mikr csatornánként) után 90mA en...mind a 3 táp tuti EL84 és társainak, de itt kell a POWER még az E is 2x63mA-t eszik.
Szia !
Köszönöm a beszámolót . Te csak csövenként állítod a munkapontot , így nem derülhet ki a triódák közötti eltérés . Én külön beállítás pártján vagyok , így lehet(ne ) megfelelő szimmetriát belőni . Új csövekkel megpróbálkozom , talán más gyártmányokkal , hátha összejön . Számomra azért sem elfogadható a nagy szórás , mert rengeteg OTL erősítőben is használják és ott még lényegesebb a pontos párosítás .
Szia Zoli !
Nem tudod, a kaszkód felső triódájának rácsára is szokás (érdemes) garjedésgátló ellenállást tenni ? Mégsem szedem szét a mostani 6C33C változatot, mert eszméletlenü jól szól, biztos hogy valami gerjedés problémám volt (már csak ide nem raktam soros 1K-t).
Szia !
Foglalat kivezetéseire közvetlenül csatlakoztatott alkatrészek esetén én sem tennék , csak akkor ha hosszabb vezetékkel van bekötve a rács . Időszakos gerjedést nehéz megtalálni , volt már amikor tetten tudtad érni valójában , vagy csak marad hipotézis ?
Az, hogy nincs doboza, nem jelenti azt hogy nem új. Amikor lokátorhoz szoktam csöveket rendelni, sokszor doboz nélkül jöttek vattában, vagy bélelt közös dobozman (a gu50 pl. mindig doboz nélkül jött, a 6c33c is), pedig ezer százalék, hogy újak voltak, sőt még a felhasználásnak megfelelően nagyjából válogatva is szerintem.
6P3S-E rács elé tegyek gerjedésgátlót? mert már 6 féleképp volt, és a legutolsó golyafészek szerelés esetén sem gerjedt, az SRPP be sem tette, azaz sehova, mégsem gerjedt.
Foglalatra közvetlenül minél rövidebb alkatrészlábakkal fogom légszerelni, max egy nyákforrpontsor lesz a csőfoglalatok mellett és a teliföld, mert teljesen kibontottam mindent tegnap éjjel. Ujraépítem az egészet korrektebbül, de nem nyák on...csak egy SRPP és egy SE 6P3S-E ennek meg a 5db ellenállásnak minek nyák, a hosszú vezetősávokkal? 2W sima fémréteg indukciószegény ellenállások jó megoldás? A fémes hang ami Sturbinál is volt lehet olyan mint amivel én küzdöttem amikor megvettem a "kész" 6P3S SE-t? Az SRPP úszkálása is okozott volna titokzatós itt jól szól ott nem dolgot...mert a hálozat (eon) on lévő dolgok nagyon átjönnek, ne ma gyors zavarok, hanem ezek a lassú lengések, feszültségváltozások, lehet stabilizált táp kellene...
Ha nem gerjed , akkor valóban nem kell , rövid vezetékezés jó megoldás .
SRPP úszkálását , nem igazán tudom értelmezni . Lassú lengéseket okozhat egy rosszul méretezett C-L-C szűrésű táp is . Hálózat felöl nem hiszem , hogy ilyen jellegű zavarok érkeznének . Amennyiben mégis a hálózat felöl kapnád , akkor nem csak az anód tápján észlelnéd .
Nem sikerült kimérni, csak feltételezem. Itthon, ha esik a hálózati fesz, akkor teljesen együtt csökken a katódáram a két oldalon, ha emelkedik együtt emelkedik. A két helyen ahol még próbáltam az erősítőt (itt Tapolcán és Szombathelyen) mindegyiknél külön kellett állítgatnom a nyugalmi áramot, mert az egyik oldal szinte elszaladt, a másik lemaradt, viszonylag kis vezérlésnél is igen durván megnőtt a nyugalmi áram, és lehalkítva csak lassan állt vissza a beállított értékre. Az itthon hibátlan hangkép mindkét helyen telejesen szétesett, és torznak is hallottam. Mivel több erősítő közül, csak ez csinálja, nem lehet a körülményektől, hangszórótól, valamilyen valós műszaki oka kell, hogy legyen. Tapolcán le tudom ellenőrízni, hogy jó lesz-e, ha ott is jól szól, akkor gerjedés gondom volt. Apropó próbáltam vissacsatolni, de nem sikerült, mert bizonyos hangerőtől begerjedt, kisebb visszacsatolással az egyik oldalon nem gerjedt, de ha a másik oldalra is rátettem megint begerjedt. Szerintem, ha megoldom, hogy visszacsatolva is jó legyen, akkor már nem lesz gond utána nvcs nélkül sem.
Az miatt csatolom a 6C33C-t a meghajtó fokozat anódellenállásáról direktbe, hogy megfelelő alkatrészértékek választásával a hálózati fesz lassú változásait kompenzáljam (a meghajtó áramnövekedése növeli a 6C33C rácselőfeszét annyival, hogy a saját áramnövekedése ne következzen be, így a hálózati feszültség változása nem okoz nyugalmi áram változást a 6C33C-nél. Stabil tápot egyelőre nem akarok, szeretnék a végére járni, miért változik a hangkép durván, ha más helyen próbálom az erősítőt.
úszkálás:
az SRPP kimenetén a csatolókondi után a meghajtanó tetróda rácsán van, a tetróda nélkül is, de e tetróda rácslevezetője ott van, azaz beterhelt srpp kimeneti jelen van a szkóp DC ben 20mV/div kicsit mint a pompom alatt a faág fel---leee-feeel--- nem jöttem rá elsőre, de a wellr kattogás is vitte...hopp...300W os halogén izzó fényerőszab hirtelen felteker, és lőőőőn kimászik a sugár padlóig és lassan vissza, azaz tuti a hálóból jön. ha kikapcsolom a 300W os fogyit akkor felmászik és vissza,,,de ez egy konektor (lehet szar kontakt) és egy 6 os elosztóba együtt dugott erősítő és 300W os fogyasztónál mérhető ...60-100mV ot libbent le majd fel majd fel és le a be ill kikapcsolt 300W terhelésnél, amíg az SRPP tápjában lévő R-t 10k ról 100k ra nem növeltem ettől alig mászik el 20mV ot...
6p3s-e hogyan szól jobban SE ben 330V nagyanódtápról
1.: 240Ohm katód R és 250V Ug2 2.: kissebb katód R és kissebb Ug2, egyben a kissebb katódellenállás miatt kissebb Ug1 is...mert így is be lehetne húzni 62,5mA re... Szóval mekkora Ug2 Ug1 Rk amivel a legjobban szól...vagy fordítva, melyik az a kritikus érték amitől már rondán szól...van ilyen?
Ezt fejlesztettem ki hasraütés mérés hasraütés mérés módszerrel, most lebontottam és megépítem rendesen, jobb is lett mint a másik 2 kapcsirajzom ahol sima fesz erősítő majd katódkövetőbe van kötve.
Vajon Sturbi mester 6n8s re ajánlott 6p3s-e kapcsolása jobban szólhat ennél az aktív mukaellenállásosnál is... Sturbi leírod mit csinál a jobboldali trióda az ajánlott, többször linkelt kapcsolásodban? Az a rózsaszín paca amérési pont a fentebb leírt mászkálásra. Tetróda nélkül is mászik. |
Bejelentkezés
Hirdetés |











