Fórum témák
» Több friss téma |
Fórum » Csöves erősítő készítése
Ne feledd betartani a fórum viselkedési szabályait, és a topik megmaradásának feltételeit. [link]
A téma átmenetileg fagyasztva lett, hozzászólni nem tudsz!
Földágba nem kell ellenállás.
A dobozt földelni, és a táp GND-vel össze kell kötni. Pont ezt beszéltük múltkor, látom nem tanulsz a hibákból Azt vettem észre, hogy inkább lelkesedéssel vagy jobban megáldva, de ez néha nem elég.
Nekem teljesen külön tekercs és graetz és fűtőtekercs és két közepelés van a jobb és bal csatornának, azaz két mono erősítő, csak sajna egy házban és a táptrafó egy.
Ha a 47 Ohmok nem lennének ott és az RCA Rca után (előtt) a cd játszó közösíti a két RCA földet akkor ott a földhurok mert a két RCA 1m el arrébb végébő indul kétfelé, hurkot csinál és a védöföldre kötött két mazzagban záródik a hurok, ha 47 Ohmokkal van fémházon a földurkosság meg van fojtva. Azaz szerintem (kísérleteim szerint) kell a 47 Ohm a "föld ágba" de ez nem a földágban van, hanem a jobb csatorna (és a bal is) csillagpontföldje és a fém sasszi közt. Az RCA-k is textilbakelit hátlapon vannak azaz semmi földkontakt, csak mintha jönne a CD lejátszótól az árnyékolt vezeték egészen a potiig és tovább a rácsig és a csillagpontföldig, de ezek a csillagpontföldek csatornánként külön vannak hiszen teljesen külön van a táp. Rájöttem már mi a gond éjjel, csak nem volt erőm kipróbálni. A csatolókondik fémházas remix ek amik oda vannak csavarozva a fém sasszihoz, ha nincs védőföldre kötve (életveszélyes élesztési teszt, mert mértem a fémház feszt...) akkor a fém sasszi a levegőben lógó antenna amira a két fémházas csatoló rá van csavarozva fémházilag, evvel a tartalma, azaz a kondenzátor fegyverzetek is meg lettek modulálva zavarral. Azaz ilyen esetben nem szabad a két csatoló kondit sasszira tenni, ha a csatolókondi elmenő (tetroda rács) lábát leforrasztom a brumm eltűnik, ha a másik lábát forrasztom le ami az SRPP ről jön akkor marad, azaz a kondiból jön a zavar (természetesen az SRPP cső nincs betéve a helyére) Amúgy a tananyagban amit kaptam tőled nekem a trafó elhelyezések, kondi csőelhelyezések szellőzés volt hasznos, a csillagpont földelés-földhurok-földhurokmentesítés, már 15 éve lerágott csont volt. Az első QUAD 405 ben csináltam csak földhurkot anno, azóta nem...nyákot ha mégis tervezek azon sem viszek földet hanem egyik oldal teliföldes, mindig., sőt RF en a másik oldal is és csak a vezető szigetek vannak körbemarva. A 47 Ohmos ellenállásos módszert nem tartod jónak, a tankönyv nem tartja jónak, vagy csak mint az egykori tudós nem próbáltad (A nehezebb kő gyorsabban esik...ha le van írva akkor úgy is van) Ha mindenképp kudarcba fullad a dolog akkor összeföldelem az egészetmár a graetz nél, vagy akkor már csöces tápot kap, de ott elvesztek 40V ot, bátr lehet ha csatornánként EZ81 et rakok akkor 75mA nél csak 20V ot? azt még elbírja...De akkor már Segédrácsfeszt kell emelnem még, és így is 266V on van, Ha a táp csökken 297V ról 270V ra akkor segrács galvanikusan tápon lenne (tetroda mód) lehet az jobb hangot adna, de előbb meghallgatom.
Amit rajzoltál, az nem jó földelési szempontból.
De azt csinálsz amit akarsz... A nehezebb kő gyorsabban esik... ezj ó, de mintha egy audiós fórumról származna
Eddig akárhány erősítőt építettem, mindig kijelöltem benne egy pontot, és oda kötöttem az összes "zöld-sárga" vezetéket. Mindezt a lehető legrövidebb úton, az fellelhető legvastagabb vezetékekkel oldottam meg. Olyan, hogy ellenállást rakjak a földelő körbe, eddig még eszembe sem jutott.
Sziasztok!
Azt szeretném kérdezni, hogy szerintetek meg lehet-e javítani egy olyan csövet amelynek mozog a bakelit vége. Találtam 4db EL6 speciál csövet, és ebből 2-nek mozog a bakelit vége ahol az érintkezők vannak. Valahogy vissza lehet ragasztani az üvegre a bakelit véget, vagy felejtős a dolog? Nyilván nem mindegy milyen ragasztót használhatok erre a célra, mert a cső ha működik nagyon forró. A másik kérdésem, hogy tudom-e valahogy tesztelni, hogy jók-e? Elég újnak néznek ki, abból gondolom, hogy még nem mentek. Egyébként ez egy jó hangú cső? Előre is köszi a segítségeteket.
Miért kell összeföldelni a két csatornát? Miért nem hagyod meg monoblokknak? Ott lesz a földhurok, hogy a CD játszón belül is össze van kötve a két csatorna. Elég, ha ott össze van kötve, a két csatorna szerintem legyen monoblokk. A hálózati trafó alapján meg lehet csinálni.
Közös dobozban? Még ha két külön tápja is van, a tápok földjét csak-csak rá kell kötni a fémházra.
Már volt ilyen problémám, javitható a dolog.
Használj FBS ragasztót.
Erről beszéltem...
De hiába, ha nem érti a dolog lényegét...
Köszi az infót, ez az FBS ragasztó olyasmi ragasztó, mint a sziloplaszt, amivel a csempéket szokás fugázni? Vagy ez speciálisabb annál? (FBS nincs itthon sziloplaszt van, ha jó az is akkor megcsinálom azzal, de ha nem jó akkor majd szerzek FBS-t.)
Nos elkészültem a phono tápjával. A trafóra majd kell egy serleg, meg festeni kell.
http://forum.audiodiy.hu/fs/phonopwr_216.jpg http://forum.audiodiy.hu/fs/phonopwrins_164.jpg
Én is építettem már két külön tápos erősítőt, és fa dobozban volt... Ott nem volt hova kötni a földet, és nem volt macis. Az igaz, hogy két trafóról ment a dolog, de a Te esetedben ez ugyanolyan mintha két trafóról menne csak közös a primer tekercs. Én két külön földsínt használtam a két csatornának. Úgy forrasztottam rá az alkatrészeket, (ez egy csatorna földsínére értendő) hogy a nagyáramú földrész (végfokcső) a táphoz közelebb legyen, és az előfok cső földrésze pedig távolabb. Köbzoli már korábban lerajzolta a csíziót. Nem kötöttem össze a két földet, mert a CD-n belül össze van kötve. Nem lett macis az erősítő pedig SE-t építettem és az érzékeny erre.
Hát igen ez a baj. Ha nincs fémház táp testre téve csak védőföldre akkor zavarokat hoz be.
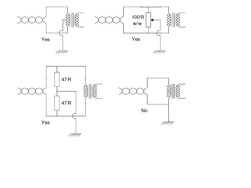
Lerajzoltam, de lerajzolom még 1x nézeti kép szerüen is. A lényeg össze kell földelnem a két tápot és a házat. Amúgy igenis van ellenállásos földhurokmentesítés máshol is... Csak nem így, hanem a kis jelföldet kell 10-100Ohmmal a nagyjel-táp földre kötni. RT évkönyv talán Sipos Gyula...Komplementer szimmetrikus erősítő, és termikus torzítás meg hasonlókról ír, na ott is úgy avn a nyák on a bemeneti kis jelföld egy ellenállással csatlakozik a tápföldre. Amúgy is szerintem mindenki rak ellenállást a föld körbe, max nem 47 Ohmot hanem 47 mikro Ohmot, ahogy sikerül
Na, pontosan így van nekem is, a baj amint már irtam is csak Luki nem érti mit írok, a fémház amit muszály zöldsárgázni, és a csatolókondi fémház.
Ha tök fa vagy szigetelő lenne a doboz tuti jó is lenne. 2cm széles nyák a csillagpontföld és nem is annyira csillag, inkább mint ahogy írtad a táp vége a végfokcső mellett az előfokcsövek a legvégén. Jó is, a zavar a fémház-fémházsas csatolókondi miatt van. Épp ezért nem kartam összeföldelni, csak mert a szakkönyv azt írja, mert tök külön erősítőkről van szó, és a cd-ben úgyis össze van kötve, ha nincs az sem baj...ez két külön erősítőnek épült. Érted Luki?
Amúgy a kapcsolás végre összeállt az utánépíthető...SRPP be érdemes lenne más csövel is próbálkozni, de van itthon 6db 6N9S.
Látszati képen az 1 es pont és a 3 as közt tettem 47 Ohmot és a 2 es pont és a 3 as közé szintén, így van is házzal földelve , és mégsincs.
A sziloplasztot nem ajánlom, főleg az ecetsav bázisút ne használd.
Az FBS rugalmas, hőálló kötést ad, nem drága, 4-500Ft egy tubus. Idézet: „így van is házzal földelve , és mégsincs.” Pont ez a baj. ** A fémházat, és az anódtáp(ok) földjét közösiteni kell. Ellenállás NEM kell. A fémházas "Audio Note" kondijaid házát is földpotenciálra kell tenni. Szerkesztve !
Tudom ez van leírva, és így van a fizikánk szerint.
A 47 Ohmokkal amúgy minden rendben lett. De azért földelek mindent, mert h akét külön mono erősítő lenne két külön szobában és a villamos hálózat is olyan lenne mint a nagykönyvben akkor azok földjei és azok táp a testjei is közösítve lennének. A kondik nem Audio Note-ok, hanem fémezett papír nem hangfrekis kondik...csak jó a hangjuk az én fülemnek, az én erősítőmben, pedig a könyv szerint ide nem való... ![]() Szerkesztve !
Én így földelném a fém vázhoz , két független táp esetén .
Ezek szerint olyan meggyőző a hangja és brummentes még csöves táppal is, hogy máris árulod az AR SP6 utánépítésedet?!
Igen nagyon tetszik, Most jutottam el arra a pontra, hogy azt mondom, hogy az LP recseg ropog de mégis kellemesebb hallgatni mint a CD-t. Pedig csak MM hangszedővel megy. (Audio Technika AT110E)
Ez van megépítve tápnak. Az egyencső utáni 100 ohmos ellenállást elhagytam, mert maga a trafó szekunderének az DC ellenállása 2x300 ohm. Gyorsan be is szereztem pár ECL82-est meg 6F3P-t amig lehet kapni. Az ARC-on is biztos lehetne javítani, pl. amit észrevettem hogy a bemeneti lezáró ellenállás értéke, és minősége nagyon benne van a hangban. Persze a többi is lényes, majd cserélnem kell párat.
A kísértésig sem jutottam el. A zeneszobába csak ideiglenesen fordult meg CD játszó, az is csak úgy, hogy valamelyik ismerős áthozta meghallgatni...
Csöves stabil tápot még nem készítettem, lehet, hogy egyszer ezt is meg kellene próbálnom?
Köszi, ez felé haladtam én is, a kondikat ma akartam megpróbálni az éjszakai gondolkozás után, de ezekszerint már is csinált már ilyet..Látom 10 Ohm, nekem 68 Ohmig működött, lecsökkenetem 10 Ohmra már vettem 10 -20-30 Ohmokat...
A dupla dióda? hm...0,6V így is úgy is ez még nem jutott eszembe... Honnét vetted a rajzot? áprilisi RT, vagy tényleg működött másnak is ez a nem működhet dolog?
Sajnos nem tudom összehasonlítani félvezetőssel, de igazán nem is akarom, túl sok energiát fektettem már ebbe a Phono dologba.
Ez jó tápnak néz ki, ebből kelene nekem 4db , 2 erősítőnek (csak nagyobb áramra) 2 a segrácsoknak...
Sziasztok!
Lassan belekezdek egy pcl/ecl86 se erősítőbe, mert elkezdett érdekelni a téma, még ugysem volt csövesem. Valószínű ecl-ből fogom megcsinálni mert csak 6,3Vos trafóm van itthon. Kitúrtam 2 egyforma kimenőtrafót, (0,4 ohm - 790 ohm, és 0,4 ohm - 740 ohm a tekerecsek) bár nemtudom miböl lett bontva, megfelelő lenne bele?
Hali!
Szeretném bemutatni első komolyabb csöves munkámat. Igaz nem nagy durranás, trafót is csak a hálozatit tekertem, azt is csak újra, megfelelő szekunder feszekre, de hát mégis. Amit bemutatok az a manapság felkapott fejhallgató OLT . Már jó ideje építgetem, de most hétvégén szólalt meg, és került olyan állapotba hogy be merjem mutatni. Igaz most sincsen teljesen kész, de már nem bírtam .A hangja az valami isteni, eleinte elég nagy volt az alapzaj, az a bizonyos brumm, de sikerült szinte teljesen kikergetni belőle, már csak a trafót kell egy kicsit leárnyékolni, és tökéletes lesz. A belső káoszhoz képest sincsen brummja, próbáltam betartani néhány alapszabályt, egy pontból való földelés, rövid vezetékek, és meghozták az eredményt. Megpróbáltam mimnél olcsóbban kihozni a dolgot, így hát a csöveken és az ellenállásokon + pár apróságon kívül nem kelet mást vételezni. A tafó az elvileg egy régi csövesnek volt a trafója, azt újítottam fel, a kondik mind a számítógép tápból vannak, a mechanikai munkát mind saját kezűleg végeztem. Ja és ez az első olyan munkám amit végigdokumentáltam, 300kép, és a rengeteg rajzolás. Végül egy picasa album az építés folyamatáról. Észrevételeket szívesen fogadok! Üdv Gábor.
Szerintem ezek nagyon kicsik keresztmetszetre. A 740 Ohm nagyon sok DC ellenállásnak. Lehet, hogy látok jó kimenőt a képeden ahol sok trafó van. A képemen a két alsó az pacsirta rádió kimnője. Nagyon jó hangja van, próbálj ilyet keresni.
Szerintem nagyon jó lett.
|
Bejelentkezés
Hirdetés |



















