Fórum témák
» Több friss téma |
Hali
Milyen motor ez, es mennyi olajat viszel magaddal. A lancot olajozod ilyen surun, vagy mit? Regen evente egyszer olajoztak a lancot (ha el nem feledtek). Csa Vili
Ez egy Suzuki Bandit tip. motor, 40 másodpercenként 1 csepp olaj, 250ml elég kb 4000 km-re, lehet régen évente olajozták a láncott, 10-20Le motoroknál lehet elég volt. 200-300km-enként viszont a mostani motorok láncát spray-zni kell, ami nagyon drága, nembeszélve arról, hogy az iilyen automatikus oljzásnnál duplájára nő a lánc és lánkerekek élettartalma. Több cég gyárt ilyen rendszert, csak nállunk csillagászati az ára, ezért gondoltam arra hogy megcsinálom házilag, ahogyan több motoros társam is, de maradjunk a témánál még mindig kersek kapcsolási rajzot.
http://www.motooiler.pl/
Hali
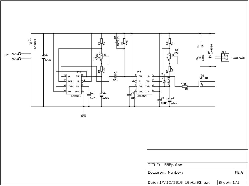
Ezzel a kapcsolassal kb meg lehet csinalni amit akarsz. A P1 az ismetlest valtoztaja 5-250Secig, mig a P2 a nyitasi idot varialja 0,5-5 sec-ig. A kimenetre direkt kotheto a magnesszelep. Csa Vili
Nagyon szépen köszönöm! Valakivel megépíttetem, esetleg megfelelő dijjazás ellenében meg csinálod nekem?
10ohm a bázisra? Egy BC337-nek? Az nagyon nem jó...
Tippeljünk egy 200-as körüli bétát a BC337-nek, 400mA-t kell kapcsolnia, akkor ahhoz kell 2mA. 12V-0.6V=11.4V (feltételezem, hogy stab 12V-ot kap). 11.4/0.002=5700ohm. Legyen 5.1k, de semmiképpen se 10ohm. Valószínű, hogy elhalálozott a tranyó bázis-emitter diódája, mérd meg és cseréld ki... Üdv Inhouse
Mire válaszoltam én? Elvileg ez volt az utolsó hozzászólás... Miért van az, hogy némelyik topic csökkenő, némelyik meg növekvő időrendben van?
Üdv Inhouse
A következő lenne a kérdésem. Szerintetek autóban lévő sebesség jeladót, lehetne-e helyettesíteni egy 555 ic-s (+ potméter) egyszerű kapcsolással? Vagy oda inkább 4093 ic lenne való? Előre is köszönöm.
Hello!
Oda semmi nem való, mert nem csalunk.. :yes: üdv! proli007
Eljossz erte? Akkor megcsinalom ingyen.
Az, hogy 4093, vagy 555, vagy egyéb, az részletkérdés...az, hogy mi van közte és a jeladó közt, az már inkább érdekes és változatos!
De nem csalunk, így ez csak elmélet! :no: Üdv Inhouse
Remélem nem gond ha JPG-ként is felteszem a kapcsolásod. Úgy a képek között kicsit könnyebb lesz megkeresni...
Hello!
Egy olyan kapcsolást szeretnék tervezni, ami ledeket hajt meg ritmusra "stroboszkópikusan", ez alatt azt értem, hogy a ledek nem világítanak folyamatosan például egy hosszabb basszus alatt, hanem csak felvillannak egy pillanatra. Valaki tudna adni valami kiindulási ötletet? Nagyon hálás lennék
Bocs, hogy értetlenkedek, de ez pontosan mit tud? Nekem inkább VU-méterre hasonlít, és nekem nem erre lenne szükségem, de azért köszi
Hello!
Ennek a kapcsolásnak mindössze annyi köze van a VU méterhez, hogy Van egy feszültség kimenete, amire lehetne azt is csatlakoztatni. De innentől már semmi köze hozzá. Ezt követi egy komparátor, mely követi a zene dinamikáját, és ha az lüktet, akkor annak a kimenete kapcsolgat. Ez és maga a basszus alacsony-frekvenciás jele megy a számlálóra. A zene dinamikájának ütemében engedélyezi a számláló számlálását. De ez idő alatt a számláló olyan gyorsan lép előre, amilyen magas a basszus hang frekvenciája. Ezen kívül van egy tranyó, ami kikapcsolja a Led-eket, ha a számláló nem lép. Tehát van két "üzemmód váltó kapcsoló". az egyik ha a számláló nem lép kioltja az utolsó Led fényét. (Vagy nem, az szerint, hogy a kapcsoló ki vagy be van kapcsolva.) A másik, hogy vagy csak a basszus ütemére lépdel a számláló, vagy magára a basszus frekijére. Tehát így sokkal dinamikusabb a jelzés. A Led-ek elhelyezésénél, lehet a számlálás szerint sorba tenni Őket. (pld. egy kőr vonala mentén) Ekkor látszik, hogy körbe-körbe megy a dolog. Vagy elszórtan, akkor nem igazán lehet felfedezni a mozgás törvényszerűségét.. De hidd el, nem fogod megbánni, ha megépíted ezt az egyszerű áramkört. Meglepő effektekre képes. üdv! proli007
Értem
Köszi szépen Holnap neki is látok
Sziasztok!
Szeretnék egy kis segítséget kérni Tőletek! A spájzban sokszor égve hagyjuk a villanyt,feleslegesen pörgetve a villanyszámlát. Létezik-e olyan relé vagy valami kütyü,amivel fel-le tudom kapcsolni a villanyt,de egy fix idő fölött (mondjuk 5 perc) automatikusan lekapcsolja?
Szia,
ha a kapcsoló kivül van,készíts egy miniatür áramtrafót amely szekunder oldalára köss piros bright LEDet... A trafó elfér a dobozban,a kpcsoló előlapját kifúrod megfelelő helyen,a lyukba beleragasztod a LEDet... ![]() A lépcsőház autómata is jó volna...
Szia, kedves Zoli,
ez valóban építő és segítőkész ötlet,miből gondolod hogy a MonAti lámpájának dugója van?
Szerintem meg sokkal egyszerűbb egy szakító nyomógombbal! Mikor kinyitod az ajtót, világít! Mikor becsukod elalszik! Nálunk 50éve működik! Igaz a nagyfater által fölszerelt kapcsolót apunak 25 év után ki kellett cserélni, mert elkopott, de negyed évszázadonként belefér
Tényleg egyszerű és jó megoldás egy megfelelő _végálláskapcsoló_ felszerelése.
( Csak egy sima soros kapcsolás. ) Ha a hűtőbe ez a módszer jó, akkor egy spájzban is tökéletes lesz.
Közben találtam egy roppant egyszerű időzítő áramkört.
( Szerintem az NY2 nyomógomb nem ki ( bontó ) hanem be ( záró ) nyomógomb! ) ( Mert a C2 sosem töltődne fel ha 10 ohm -mal le van "söntölve". )
S kicsit precízebben is meg lehet oldani a CD4060-as IC-vel. Ide > Link < kattintva nem csak a rajzot hanem az áramkör leírását is megtalálod. Bár maga az áramkör késleltetett bekapcsolásra készült. De a relé bontó pontjait felhasználva a késleltetett kikapcsolás is megoldható. ( Vagy egy PNP-s (BC212) tranzisztorral s pár ellenállással kell kiegészíteni a kapcsolást... )
Köszönök minden segítséget,szerintem Enree kapcsolós megoldását fogom felhasználni!
Olyan egyszerű és brilliáns ötlet! Köszönöm!
Enree nagyfaterjának azért járna néhány pont az ötletért!
Olvasva látom, többen megelőztek az ötlettel.
Nálam is évek óta egy mikrokapcsoloó van felszerelve a speiz ajtótok felső részére.Sorba van kötve az eredeti világításkapcsolóval,így ha akarom kikapcsolom. Az ajtó kicsit "lóg " amúgy is ezért mindig befordul magától és a világítást kikapcsolja. De ha mindenáron fényezni akarod magad a család előtt közreadom az általam épített időzítőkapcsolást. (Bocs a szabadkézi rajzért!) Szintén ebben a speizban teljesít szolgálatot már 11. éve,csak egy elszívó ventillátort működtet. Ebben a felállásban 15 percet késleltet,de a STOP nyomógombbal ki lehet kapcsolni. A NYÁK elfért egy 80x80 mm.es panelon. Még egy hasznos tulajdonsága van:passzív üzemben a tápegység sincs áram alatt.Az R relé érintkezője bontja a ventillátor és a táp áramkört is.
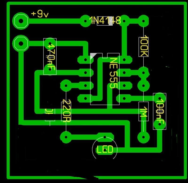
Sziasztok az lenne a kérdésem hogy erre a villogóra hová és mekkora trimmereket tegyek ha a led villanási idejét 1s től 10ms ig szeretném változtatni.És a villanások közti időt
10ms től 3s ig.Köszönöm.
A 100k helyett tegyél 1k ellenállást, és azzal sorba 100k trimmert. Ezenkívül az 1M helyére 10k ellenállást, és vele sorba 1M trimmert. A soros ellenállásokra szükség van, mert a trimmerek az egyik végállásban nulla ohm-ot jelentenek, és akármekkora áram folyhat, ami tönkretenné az ic-t. Egyébként kiszámolhatod a segédprogrammal, hogy milyen beállításban, mekkora a kitöltés és a frekvencia.
Köszi.Melyik melyiket szabályozza?
|
Bejelentkezés
Hirdetés |





Köszi szépen






