Fórum témák

» Több friss téma
Fórum » Motor fáziskiesés védelem
 
Témaindító: barba, idő: Máj 7, 2009
Témakörök:
Lapozás: OK   2 / 2
(#) Bordogh válasza VIM hozzászólására (») Nov 10, 2010 /
 
Értem köszönöm a válaszokat. Sajna kénytelen leszek valami nagyobb méretű motorvédőt beszerezni mert ez kevés az én motorom áramfelvételéhez....
(#) Bordogh hozzászólása Nov 11, 2010 /
 
Kérdés az lenne hogy ez is motorvédő kapcsoló ?
(ma túrtam méhtelepen )

IMG_1951.jpg
    
(#) Bordogh válasza Bordogh hozzászólására (») Nov 11, 2010 /
 
Itt a belseje is:

IMG_1953.jpg
    
(#) kadarist válasza Bordogh hozzászólására (») Nov 11, 2010 / 1
 
Szia!
Vedd le a tetejét. Ha van benne állítóka, akkor az.
(#) Bordogh válasza kadarist hozzászólására (») Nov 11, 2010 /
 
köszi az lesz 0,95-1,5 amperig.
(#) szabo_ist válasza Bordogh hozzászólására (») Jan 27, 2011 /
 
Szia! A Dahlander motorral mit szeretnél kezdeni? Biztos, hogy Dahlander?
(#) csabcsa hozzászólása Jan 15, 2012 /
 
Sziasztok,

Próbáltam építeni 3db 220V-os 4 kapcsos relével,
fáziskimaradás elleni védelmet.
Sajnos csak elviekben működik, gyakorlatban csak L3-as fázis kimaradása esetén áll le a motor a másik kettő két fázis kimaradása (L2,L3) esetében sajnos nem oldanak a relék, azaz úgy működik, mint amikor nem tettem az áramkört a motor elé.
Beépítés előtt teszteltem a reléket és kapcsolást, fázisonként 220V-al, kicsit furcsát tapasztaltam, azaz ha a fázisra kötöttem a nullát, akkor a kapcsolási pontokon 10V kúszóáramot, viszont ha a fázist a fázissal kötöttem össze akkor nem volt mérhető kúszóáram.
Lehet hogy a relék nem megfelelőek?
A LOMEX-tól vettem, amit linkeltem is (MECH.220VAC 4xMORSE 3A/220VAC SZR-MY4-1-AC220/240V)
Szerintetek hol lehet a hiba?

relé
(#) pucuka válasza csabcsa hozzászólására (») Jan 15, 2012 /
 
Nem lenne egyszerűbb egy motorvédő relé? Ha kiesik egy fázis, csökken a fordulatszám, megnő a motor áramfelvétele a maradék fázisokon, a hőrelé leold, kikapcsolja mind a három fázist.
(#) murtyi válasza csabcsa hozzászólására (») Jan 15, 2012 /
 
Szia!
Ez így sajnos nem fog működni,mert a kiesett,hiányzó fázis reléjére a motor tekercsén keresztül visszajutó feszültség behúzva tartja. Ehhez az adatlap szerint
elég 65-70 V AC /DROPOUT 30% /
Ráadásként a relé főérintkezőinek terhelhetősége induktív terhelés esetén 0,8 A !!Mekkora teljesítményű a
motorod??
(#) csabcsa hozzászólása Jan 15, 2012 /
 
Sziasztok,
Köszi a segítséget, igen valóban a motor tekercsein kap tápot a relé.
A motor teljesítménye csak 275W, fázisonként 0,25A.
Van egy másik ötletem, rögtön megrajzolom.
Sajnos nem találtam ilyen kis teljesítményre kész fázisvédelmet, ezért szorultam a barkácsolásra.
(#) Tomi111 válasza csabcsa hozzászólására (») Jan 15, 2012 /
 
Üdv!

Direkt erre valók, hőkioldók. Pl:
http://www.ganzkk.hu/magyar/h0_.htm

vagy elektronikus relék:
http://www.ganzkk.hu/magyar/pdf_letolt.htm
Ezen az oldalon az Elektronikus relék, ezen belül a Háromfázisú feszültségrelé.

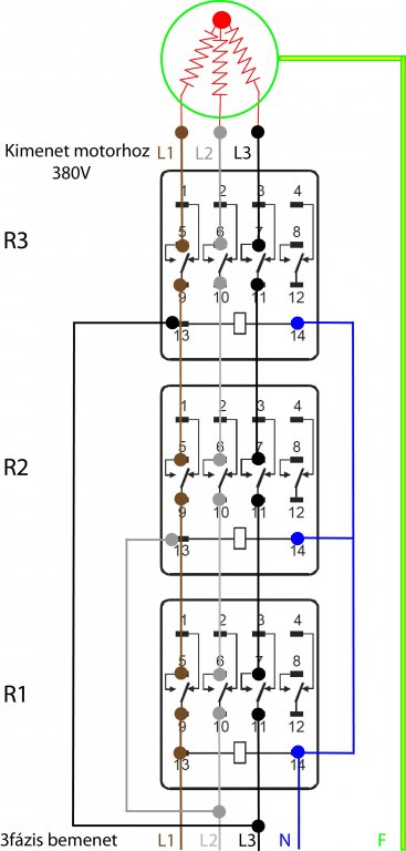
Vagy rajzoltam hamer egy kapcsolást, de várj, míg mások is megnézik, biztosan működik-e. Elvileg meglévő 3 fázis esetén a relé meghúzott állapotban van.
http://kepfeltoltes.hu/120115/f_ziskimarad_s_www.kepfeltoltes.hu_.jpg

Üdv!
(#) csabcsa hozzászólása Jan 15, 2012 /
 
Akkor ne is kísérletezzek szerintetek?
Ez sem működne? Az ellenállás értékében nem vagyok biztos, 220V-ot 1W teljesítményen kellene elfűtenie.
Következő: »»   2 / 2
Bejelentkezés

Belépés

Hirdetés
XDT.hu
Az oldalon sütiket használunk a helyes működéshez. Bővebb információt az adatvédelmi szabályzatban olvashatsz. Megértettem