Fórum témák
» Több friss téma |
Értem köszönöm a válaszokat. Sajna kénytelen leszek valami nagyobb méretű motorvédőt beszerezni mert ez kevés az én motorom áramfelvételéhez....
Kérdés az lenne hogy ez is motorvédő kapcsoló ?
(ma túrtam méhtelepen )
Szia!
Vedd le a tetejét. Ha van benne állítóka, akkor az.
Szia! A Dahlander motorral mit szeretnél kezdeni? Biztos, hogy Dahlander?
Sziasztok,
Próbáltam építeni 3db 220V-os 4 kapcsos relével, fáziskimaradás elleni védelmet. Sajnos csak elviekben működik, gyakorlatban csak L3-as fázis kimaradása esetén áll le a motor a másik kettő két fázis kimaradása (L2,L3) esetében sajnos nem oldanak a relék, azaz úgy működik, mint amikor nem tettem az áramkört a motor elé. Beépítés előtt teszteltem a reléket és kapcsolást, fázisonként 220V-al, kicsit furcsát tapasztaltam, azaz ha a fázisra kötöttem a nullát, akkor a kapcsolási pontokon 10V kúszóáramot, viszont ha a fázist a fázissal kötöttem össze akkor nem volt mérhető kúszóáram. Lehet hogy a relék nem megfelelőek? A LOMEX-tól vettem, amit linkeltem is (MECH.220VAC 4xMORSE 3A/220VAC SZR-MY4-1-AC220/240V) Szerintetek hol lehet a hiba? relé
Nem lenne egyszerűbb egy motorvédő relé? Ha kiesik egy fázis, csökken a fordulatszám, megnő a motor áramfelvétele a maradék fázisokon, a hőrelé leold, kikapcsolja mind a három fázist.
Szia!
Ez így sajnos nem fog működni,mert a kiesett,hiányzó fázis reléjére a motor tekercsén keresztül visszajutó feszültség behúzva tartja. Ehhez az adatlap szerint elég 65-70 V AC /DROPOUT 30% / Ráadásként a relé főérintkezőinek terhelhetősége induktív terhelés esetén 0,8 A !!Mekkora teljesítményű a motorod??
Sziasztok,
Köszi a segítséget, igen valóban a motor tekercsein kap tápot a relé. A motor teljesítménye csak 275W, fázisonként 0,25A. Van egy másik ötletem, rögtön megrajzolom. Sajnos nem találtam ilyen kis teljesítményre kész fázisvédelmet, ezért szorultam a barkácsolásra.
Üdv!
Direkt erre valók, hőkioldók. Pl: http://www.ganzkk.hu/magyar/h0_.htm vagy elektronikus relék: http://www.ganzkk.hu/magyar/pdf_letolt.htm Ezen az oldalon az Elektronikus relék, ezen belül a Háromfázisú feszültségrelé. Vagy rajzoltam hamer egy kapcsolást, de várj, míg mások is megnézik, biztosan működik-e. Elvileg meglévő 3 fázis esetén a relé meghúzott állapotban van. http://kepfeltoltes.hu/120115/f_ziskimarad_s_www.kepfeltoltes.hu_.jpg Üdv!
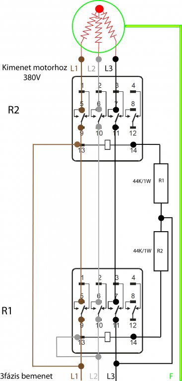
Akkor ne is kísérletezzek szerintetek?
Ez sem működne? Az ellenállás értékében nem vagyok biztos, 220V-ot 1W teljesítményen kellene elfűtenie. |
Bejelentkezés
Hirdetés |




) 



