Fórum témák
» Több friss téma |
Helló
NE haragudjatok, de egyből a tárgyra térek: Van egy "vezeték", ezen a PC LPT portjának INT csatlakozója... Ez lenne az órajel egy CD4040-es számlálónak... De erről a vezetékről kellene még vezérelni a RESET-et is, szóval ha bekapcsolom az áramkört, megjelenik a legelső impulzus az INT vezetéken, akkor a reset jel aktív szintre kerül. De ezt csak egyszer kell elvégezni, a legelső impulzus megjelenjésekor... Előre is köszi az ötleteket!
És mennyi (szünet) idő van az első (resetnek szánt) impulzus után? (amikortól már léptetőnek kell tekinteni őket)
Milyen "sűrű" a léptetőimpulzussorozat?
Hy!
Nem tudna valaki nekem egy olyan ic-nélküli késleltető áramkör kapcsolási rajzát, ami egy ledet csak kb. 3másodperc múlva kapcsol ki? (Kondival nem jó.) Előre is kösz.
Hát, csak ICvel lehet viszonylag pontos 3 másodperces időközt kapcsolni (555).
Szia ! Vagy IC, vagy kondi, vagy kb 3 másodperc mulva nyitod ki a szemed. Üdv!
Nem kell olyan pontosnak lennie, az se túl nagy baj ha 5 másodperces csak légyszi ha tudsz küldj valami ilyesmit, me má mindent megpróbáltam.
Szia !
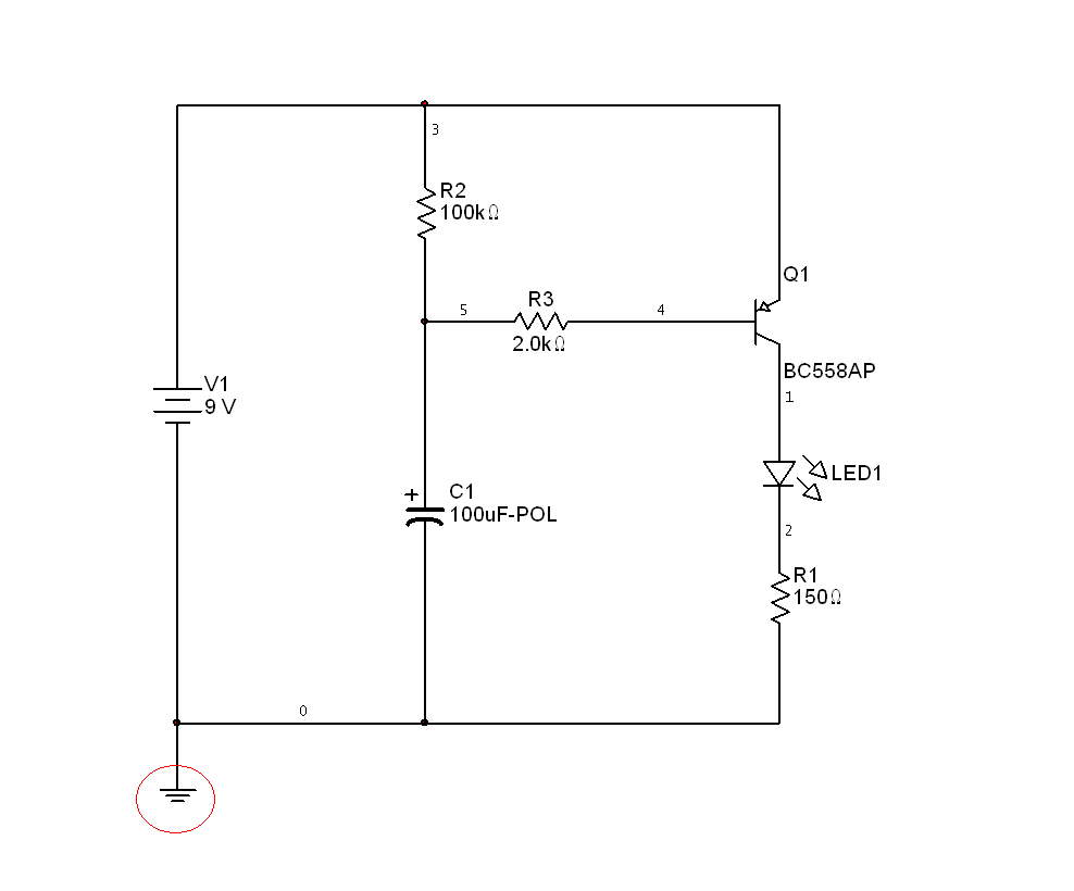
R2 és a C1 adja az időt, a feszültség arányában. Vegyük C1 -et 100µF-nak, ha R2 50K akkor rövidebb idő alatt kapcsolja ki a ledet mintha R2 100K lenne. Q1 tranzisztor lehet bármilyen PNP tranzisztor. R1 értékének meghatározása LED és a tápfeszültség aránya. Üdv!
Hát nemtudom. 1 próbanyákon megcsináltam, de nekem rögtön kialudt a led. Lehet hogy csak mert nincs itthon egy normális 9V-os elemem. (Tegnap egy elektromotor lemerítette az utolsót
, tápegységem meg még nincs).Azér kösz majd még megpróbálom.
Szia !
Milyen ellenállás értékekket, és milyen tranzisztort használtál ? Mekkora feszültségen ? Üdv!
Szia !
Eredeti rajzot nézve a változások R1= 20R C1= 470µF (ez nagy ide, de ez akadt a kezembe) Működésről video Üdv!
Hy!
A változtatások után egy DC1070 típusú PNP tranyoval próbáltam, de nem ment. Aztán megpróbáltam egy erősebbel, egy AC128-sal. Így kicsit jobban világított a LED, de nem lett jó. A kapcsrajzot biztos jól csináltad? Nem értem hogy működne. És mi az a pirossal bekarikázott? A feszültség kb.8V volt a 9V-os elemből.
Szia !
A pirossal bekarikázott az csak a rajzban kell (ilyen a rajzprogram) életben nincs rá szükség. Idézet: „A kapcsrajzot biztos jól csináltad?” Láttad a videot amit feltettem ? (#83804) topicban Tranzisztor ha lehet valami hasonló legyen BC558...stb Ne Germánium Üdv!
Nem úgy értettem, láttam a videót.
Lenne még egy kérdésem: Egy olyan késleltetőt próbálok csinálni ami ha egy kapcsolót egy pillanatra bekapcsolok, akkor kb. 3-5 másodpercig világít. Ez alkalmas ilyenre?
Szia !
Ez nem alkalmas erre a célra. Erre a célra egy 555 -ös kapcsolás lenne alkalmas, aminek a kapcsoló egy "trigger"jelet ad. Üdv! rajzolok egyet.
Szia !
Ez alkalmas erre a célra. Potival tudod az időt állítani! Üdv!
Az eredeti rajzod is jó, csak kell egy nyomógomb, ami egy 220 ohmmal kisüti a kondit. Sztem azért nem világít a LED-je, mert egyszer feltöltődött a kondi és nincs ami kisüsse...
Szia !
Idézet: „Egy olyan késleltetőt próbálok csinálni ami ha egy kapcsolót egy pillanatra bekapcsolok, akkor kb. 3-5 másodpercig világít.” Erre nem alkalmas az első, mert ha elveszed a tápot leáll az egész. ---- Hiányzik az eredetiből a kisütő, ez igaz, de akkor is működik, mert kb 30mp alatt lesül a kondi. De egy ki-be kapcsolás alkalmával is van kb 1mp működés. Ha ezen a 30-40mp időn belül kell működni akkor érdemes lesütni a kondit, ha ezen kívűl esik a használati idő, akkor nem annyira fontos. Üdv!
Kösz majd kipróbálom.
Ezt az 555 IC-t be kell programozni vagy csak megveszed és bekötöd? Azér megköszönném az IC-nélküli megoldást(ha van olyan)
Szia !
Csak megveszed és bekötöd, ne félj tőle. Üdv!
Szia!
Kösz a rajzot. Nem tudod véletlenül, ha pont fordítva akarom, a folyamatosan lezárt kapcsolót egy pillanatra felnyitom akkor világítson kb. 3 másodpercig a led, akkor mit kell ebben átszerkesztenem?
Sziasztok!
A segítségeteket szeretném kérni. Ehhez a késleltetőhöz (http://www.hobbielektronika.hu/forum/files/0f442b67970e403cd10f6f8113df59ce.gif) szeretnék készíteni egy olyan kapcsolást, ami csak akkor kapcsolja be a késleltetőt hacsak egy impulzust kap a kapcsolótól, ha a kapcsoló folyamatosan le van nyomva akkor nem. Segítséget előre is megköszönöm, ha valaki tud légyszives segítsen.
Ez úgy értelmezhető, hogy lenyomod a nyomógombot (kapcsolót) - nem történik semmi bármeddig is tart - majd a gombot elengedve elindul a késleltetés?
Nem, nem úgy értettem, bocsánat ha pontatlan voltam!
Ha a nyomógombot csak egy pillanatra nyomom le, akkor beindul a késleltetés, viszont ha mondjuk 2 másodpercig nyomva tarom akkor nem aktiválódik a késleltető áramkör, nyugalomban marad.
Sajnos ez nekem is gyanús volt, hogy nem lesz egyszerű, de bízom benne h. valakinek van valami használható ötlete, esetleg kapcsolási rajza, vagy valahogy összelehet ezt kóburálni
Terveztem valami 1szerűt, de nem próbáltam. :no:
Ha működik is be kell állítani az ellenállások értékét. Vagypedig PIC.
Köszönöm a segítséget, remélem jó lesz.
A tr. helyére bármilyen PNP tranzisztor jó, ez meg is tudná hajtani a fentebb említett késleltetőt? A segítséget mégegyszer köszönöm.
Helló!
Megpróbálom a tina nevű progival leszimulálni h. működik-e.Az eagle-be berajzolta mire rájöttem h. az nem tud szimulálni. |
Bejelentkezés
Hirdetés |






, tápegységem meg még nincs).

Nem tudod véletlenül, ha pont fordítva akarom, a folyamatosan lezárt kapcsolót egy pillanatra felnyitom akkor világítson kb. 3 másodpercig a led, akkor mit kell ebben átszerkesztenem?





