Fórum témák
» Több friss téma |
Sziasztok!
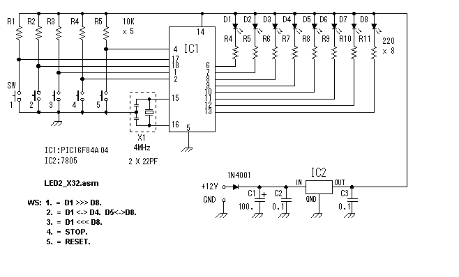
Megépítettem az áramkört. csak egy problémám van, hogy amikor a bal oldalira kapcsolom a feszt, akkor a futófényn szépen sorbafut, csak az T5 ledje villan fel 2szer egymás után. Mi lehet a probléma? a másik irányba, rendesen fut. Valamit elköthettem, vagy valami esetleg összeér? Köszi Tamás
Val_szeg az IC1 9. és a 10. lába lesz összezárva!
Alaposan :wow1: nézd át és, szüntesd + az összekötést. _jani_
megtaláltam ahol javasoltad, úgyhogy, most már szuperul működik
Köszi szépen
sziasztok!
amit felraktam a #53312 postban azon senki nem gondolkodott? arra gondoltam hogy irányjelzésnél pl ha a jobbra futás gombja záródik és ekkor kap az áramkör tápfeszt,akkor jobbra futa fénypont.Mikor kikapcsolom az irányjelzőt megszakad a tápfesz és kikapcsol az áramkör persze egyidejüleg a jobbra futás gombja is nyitódik.Igy működne,csak a gombok és a tápfesz kapcsolgatását kéne tranyókkal megoldani,ezen még nem agyaltam ha valakinek van ötlete szívesen fogadom
A " *.HEX " -fájlt tudnád mellékelni!? Vagy valaki lefordítaná nekem! :help:
Egy párnapja masszírozom az MPLAB IDE-t, de nem hajlandó normálisan lefordítani ezt a progit. Igaz mást sem... Valamit lehet, h. nem jól állítottam be. Jólenne legalább látni, h. hogyan működik a "vas". ![]() Köszi!!!
Nagyon jó "kis" program!
[off]Némi fantáziával még a vészvillogót is visszajelezhetné. De ez most még nemfontos...
Helló.
Sikerült némi változtatást eszközölnöm az általad belinkelt programon. Fő funkciói megmaradtak, s ki lett egészítve (felhasználva a szabadon maradt RA3 portot) egy "kikapcsoló" gombal, valamint reset után sem indul el a futófény programja. Egy kis hardverrel kiegészítve talán már megfelel a célodnak. Ha kérdésed van a programmal kapcsolatban, szerintem ezeken a fórumokon hamarabb fogsz válasz kapni: PIC kérdés PIC programozás 16F84-es PIC programozása ... Vagy fórum fereső! ... Jó programozást! _jani_
Ja! S itt a módosított
Idézet: ! „VAS”
szia!
köszönöm a segítségedet JANI , ki fogom próbálni.az eredeti próbapanelon már össze van dobva. Módosítok a leírásaid alapján és majd felrakom ide,hogy mire jutottam!
Helló!
Összeraktam ,felprogiztam és működik! Mostmár kísérletezek az irányjelzőhöz való illesztéssel. Még egy kérdés: Azt nem lehetne megoldani a progiban,hogy csak addig működjön amig nyomva tartom a gombot?
Szia!
Örülök, h. tetszik a módisítás. Próbáltam megoldani azt is, de a programot nagyom át kellene dolgozni, s az még nekem nem nagyon negy. De van egy javaslatom. :yes: A 4. gombot húzd tratósan alacsonyszintre ((egy 220ohmos ellenállássa))! Ezzel azt fogod elérni, h. csak addig megy a léptetés amíg valamelyik (1. - 2. - 3.) gombot nyomvatartod. De így az effektek, véletlenszerű-pozícióból fognak elindulni, ha túl rövig az ismétlődési idő... Próbáld ki, s meglátod. / A gombok prioritási sorrendje a következő: 1. - 2. - 3. - 4. / Azaz, az eggyes gomb rendelkezik a legnagyobb, / míg a negyedik gomb rendelkezik a legkisseb prioritási értékkel...
Üdv...
Egy kis VIDEO-t a LED-ek működéséről nem tudsz feltölteni... ? Valahová...
Üdv...
Frankye...Nagyon jónak tűnik az irányjelző leírása, enged meg, hogy külön is megköszönjem, hogy ennyire segítőkész vagy... Annyi lenne a kérdésem, hogy nem tudom megépítetted-e ezt, Te magad is ? Azért kérdem, mert jó ideje, egy olyan irányjelzőt akarok készíteni, aminek a hatása, jól érvényesül a közlekedésben, azaz figyelemfelkeltő és egyben tájékoztatja is a közlekedés más résztvevőit, hogy mi is a szándékom... Az irányjelzőt, kerékpáron szeretném használni, éppen ezért, nekem olyan futófény és irányjelzőre lenne szükségem, aminek a Visualis hatása a következő… Nem tudom, hogy ez, amit itt feltettél, így működik-e, mert nem esik szó róla, sem a cikkben, sem a beszélgetésetekben… Ezért leírom, hogy mire is gondolok, hogy én, hogyan szeretném, ha működne az irányt jelző LED sor. Először is, Max. 6V-ról szeretném, ha működne, AA mert max. 4db vagy AAA ceruza elemről vagy Akksiról működtetném. A későbbiekben, lehet, hogy egy agydinamós kerékkel használnám, ezért is kellene a 6V-nál maradnom és ebben gondolkodni… Az irányt jelző LED-ek 5-5 vagy 6-6db erősfényű 5mm-es kerek Sárga LED-el tervezem, ami már 3V-nál világít. Azért írtam a 6-6db LED-et, mert Min. 5db LED-et használnék fel és a 6-ik LED-el, egy Normál fényerejű 5mm-es piros vagy sárga kerek LED-et vezetnék el a kapcsolóhoz, aminek a funkciójuk, a működését látva érzékelném, ha netán úgy hagynám a kapcsolót, tulajdonképpen 1-1 db LED lenne elöl, ami az irányjelző működését és irányát jelezné vissza számomra a kormánynál. Itt, esetleg egy kis zümmögővel megtoldva, hogy AUDIO visszajelzés is legyen, ha véletlenül megfeledkeznék róla, de ez nem lenne érdekes… Szóval, 5-5 vagy 6-6 db LED-ből állna maga az irányjelző, de az irányjelzést végző LED-ek nem csupán FUTÓFÉNYKÉNT kellene, hogy működjenek, hanem úgy szeretném, ha működne, hogy maguk az 1-től 5 vagy 6-ik LED-ig sorban, 0.2” másodperes késleltetés körüli időközökkel, egyesével felkapcsolódnának, ezzel is szeretném jelezni a haladásom IRÁNYÁT… De ! A LED-ek nem aludnának ki, csak, miután az utolsó LED is felkapcsolt, azaz együtt erősen világítanának és miután mind az 5 vagy 6db LED is fel kapcsolódott, ezután a művelet után, az 5 vagy 6 LED-ből álló LED sor, egyszerre alszik ki. Majd, ezt ismételnék meg 1” MAX. 1.5” másodpercenként ismételve meg… Tulajdonképpen, azt szeretném megkérdezni, hogy ez a kapcsolás, hogyan működik, mármint a LED-ek milyen művelet sorral világítanak, végeznek… ? A lényeg számomra, hogy az első, azaz a D1 LED után kb. 0.2” várakozási késésekkel kövessék a D2,D3,…D4, D5 vagy ahogy írtam is esetleg a D6 LED esetében, maradjon EGYÜTT égve és miután, az utolsó LED is világít, együtt aludjon ki… Szóval, így működik-e ez is ? Vagy itt ennél az esetnél is, a LED-ek egyesével villannak fel, mint a legtöbb futófény esetében… ? Azaz a D1 után a D2 LED világít, de a D1, már el is alszik, azaz mindig csak egy LED ég egyszerre és csak a FUTÓFÉNY hatás érvényesül-e… ? Kérdésemre, bárki válaszolhat, mert a téma időpontja már 5 éves immár, így lehet, hogy Franky, már nem is Fórum tag… Kérem, hogy segítsen valaki ebben, mert szeretnék egy ilyen irányjelzőt készíteni. Köszönöm és elnézést, ha túl hosszú voltam… A hozzászólás módosítva: Okt 25, 2012
Szia!
A kapcsolás nem az én kezem munkája, hanem egy cikkből szedtem ki a kolléga kérésére.
Szia! Bár a kérdést nem nekem tetted fel, de pár dolgot meg tudok válaszolni.
A bal vagy jobb vezérlő jel hatására az annak megfelelő irányba kezd el lépni fény úgy, hogy az előző kialszik. A teljes sor lefutása után ( és ha a vezérlő jel is aktív még ) három impulzusnyi szünet következik és kezdődik elölről a folyamat. Rövid vezérlő jel hatására a fény csak egyszer fut végig a LED-eken. A kapcsolás leírása elég részletesen elmondja az áramkör működését... Kis változtatással az áramkör véleményem szerint átalakítható a te igényedre, jó néhány plusz dióda hozzáadásával. Az áramkör szerintem változtatás nélkül is tökéletesen működne 6V-ról is. Természetesen a LED-ek áramkorlátozó ellenállásait az alkalmazott tápfeszültséghez kell majd méretezni. S megoldható a kormány hangos visszajelzés is a T1 T2 tranzisztorokról. A korrekt bal és jobboldali kormány visszajelzéshez még néhány diódát kell majd beépíteni. Kicsit dióda temető lesz a kapcsolás, de külön tápegységet nem kell az áramkörhöz építeni, ami telepet táplálás esetén kifejezetten előnyös.
Igen, azt láttam én is, de az engem nem zavar.
Egyébként köszönöm a válaszodat...
Üdv...
![]() Neked is köszönöm a hasznos válaszodat. Megtudod nekem úgy rajzolni, hogy azt utána, ha megépítem, akkor az úgy is fog működni... ? Ahogy szeretném, azaz, miután egyesével a LED-ek felkapcsolnak, miután a Ki-Be kapcsolóval a megfelelő oldal irányjelzést kiválasztom a LED-ek egyesével felgyulladnak, úgy maradnak és az utolsó LED felgyulladása után, mind együtt égés után, azonos felgyulladási sebességgel együtt alszik ki az 5 vagy 6db-ból álló LED sor, majd kezdi előröl...Mind ezt az irányjelzőkre jellemző ütemben szeretném, ha elvégezné az ütemet, azaz az egész felgyulladási sebességet esetleg egy Trimmerrel lehetne együtt beállítani, tehát nem kell, hogy külön sebességgel kövessék egymást a LED-ek, csak annyi, hogy ne aludjon ki a második LED felgyulladása után az előtte levő, hanem várja be mind egymást, azaz együtt világítson a művelet után és végül az utolsó LED felgyulladása után, együtt aludjanak ki. Valamin, akkor ha lehetséges egy kis hangot adó zümmögő vagy pityegő is kellene bele, hogy számomra felhívja a figyelmemet, hogy ha úgy maradt az irányjelző. Valamint, meg kellene még úgy oldani, hogy egy 2db erős fényű 5mm-es kerek LED egy Ki-Be kapcsoló segítségével egy helyzetjelzőt is szeretnék bele integrálni, amihez csak egy külső kapcsoló és egy előtét ellenállás kellene, valamint 2-2db szintén piros erős fényű LED, ami fékezés alkalmával működne, gyulladna ki, ami, egy külön álló szintén csak Ki-Be kapcsolást végző rugós kapcsolóval látnám el. Így az fékezéskor zárná az áramkört, tehát itt is csak Max. szerintem, egy előtét ellenállásra lenne szükség a Led-ek elé. De itt lenne egy olyan elvárásom, hogy mikor a helyzetjelző 2db LED nincs felkapcsolva, fékezéskor együtt világítana a 6db LED. Tehát, nem csak a 4db, azaz 2-2db piros világítana, mint amikor a helyzet jelző 2db LED, egyébként is fel van kapcsolva mondjuk, ugye esténként és szürkületben. Tehát, hogy összefoglaljam, lenne hátul Balról haladva 5db Sárga erősfényű LED, majd 2db Fék jelző Piros LED, ez mellett 2db Helyzet jelző LED, mellette jobbra haladva a másik 2 db Piros LED, szintén a Fék jelző és végül az 5db Sárga LED.Ez mind 5mm-es Piros és sárga, víztiszta kerek LED-ek lennének. Valamint elől lenne 1-1 db 5mm-es Normál Piros LED, ami Irányjelző működéséről tájékoztatna engem, hogy éppen működik az irányjelzőm és hogy melyik oldalra, ez logikus, hogy Bal és a Jobb oldalt jelezné számomra. Valamint, ha valójában lehetséges, mint azt írod is, akkor egy Pittyegő hangot kibocsátó valami kis, nem tudom minek is nevezitek Ti ezeket agy AUDIO hangot pityegne az irányjelző használatával együtt, mikor bekapcsolom vagy a jobb vagy a bal oldalt. Mindezt, a 6V-ra igazítva a már fentebb írt, elgondolások és jövőbeni használati elképzelésem miatt is… Na, ezt szeretném, ha valaki egy rajzzal megsegítene, mert elméleti síkon, hogy mit szeretnék elérni, leírni letudom, csak én nem értek annyira az elektronikához, ehhez kellene egy alkatrészi terv rajz szerűség. ![]() Ha Te, megbírod építeni, mert van hozzá szaktudásod és hozzávalóid, kérlek jelezz vissza és Priviben megbeszéljük, ha nem akarod nyilvánosan kifosztani a szaktudásodat… Nekem csak egy rajz kellene, ami alapján megépítem, igaz még a nyáklapot sosem készítettem, de ha jól működne a cucc, akkor lehet, hogy bele vágnék a költekezésbe, de így nem sok értelme van számomra venni egy csomó cuccot, amit utána úgy sem fogok kihasználni, és csak benne fekszik az ember pénze… A vegyi anyagokról meg már nem is beszélve, azt tárolni, és ha tárolom, kitudja meddig lesz felhasználható, plussz még vegyek egy nyomtatót is, meg mit tudom én milyen lakkot, meg tudjátok Ti, hogy miről van szó, minek ecseteljem, részletezzem… Szóval nem akarok ennyit költeni rá, mert számomra sem éri meg… A hozzászólás módosítva: Okt 25, 2012
Ui.
Még valami, amit én szeretnék, annak mi a helyes és meghatározható szakkifejezése, azaz, hogyan tudnék rákeresni ennek a LED-es irányjelzőnek a részemről felvázolt működése végett…Mert mint LED -es futófény, ezer és egy feljött a Googleban, de közte egyik sem volt ilyen, amit szeretnék, azaz, hogy futófény és irányjelző is egyben. De még sem futófény, mert itt minden LED égve marad a felgyulladásuk követően és mikor mind világít, csak akkor, együtt alszik ki és kezdődik előröl a LED-ek felgyulladási művelete, ezzel az irányt és a villogással a figyelem felhívást is, egyben látná el az elektronika... A hozzászólás módosítva: Okt 25, 2012
Hello!
Tulajdonképpen meg lehet oldani egy Shift (toló) regiszterrel is a dolgot, mert a feladat annak áll legközelebb. De talán legyen egy kicsit "viccesebb" kapcsolás. Remélem érdekesnek találod. (Az utolsó két Led, a visszajelző.) üdv! proli007 * A rajz fentebb megtalálható. A hozzászólás módosítva: Okt 26, 2012
Egy próbát ez a kapcsolás is megérne. ( De csak LV3914-es van kéznél. Szerintem azzal is menne a dolog. )
Nem akarok most egy nyák gyártó üzemnek vagy vállalkozásnak se reklámot! De kis keresgéléssel elfogadható áron minőségi nyáklemezt tudnak a részedre előállítani. Nem kell a vegyszerekkel foglalkozni, csak a kész nyáklemezbe kell az alkatrészeket beforrasztani. Ha jobban szeretnéd megépíttetni akkor PM is egyeztethetünk...
Az áramkörrel kapcsolatban egyenlőre annyit, hogy legyen egy olyan kapcsolási rajz ami neked is megfelel. S csak ezután lehet a nyáktervezésnek nekiülni. Ez a "viccesebb" áramkör: Link nem egy lakatrész temető és lehet jó is lenne neked. Egy próbát mindenesetre megérne. A többi ( féklámpa, helyzetjelző, STB) LED áramkorálozó ellenállásának kiszámításához ajánlom a Segédprogramok ( :Link )-nál a LED előtét ellenállás számító segédletet. A LED-ek nyitófeszültségét és nyitó áramát kell csak ismerned. Én nem ajánlom, hogy a féklámpákkal együtt világítsanak a helyzetjelzők is. Ha van helyzetjelző fény, annak folyamatosan kell világítania amikor a világítás be van kapcsolva. Egyéb esetekben nem szabad villognia mert megtévesztő lehet!
Hello!
Közben eszembe jutott, hogy kifelejtettem a hangjelzést, amit kértél, és ahogy néztem, rájöttem felcseréltem az 555 két lábát. (Megtükröztem, és akkor már nem tűnt fel) De most kijavítottam. Az 555 kimenetére lehet tenni a Piezo hangszórót, természetesen olyan kell, amiben benne van a recegő. Ha két külön irányú visszajelzést szeretnél, akkor a két 6. zöld Led megfelel erre, de ha csak egy jelzőt akarsz, akkor azt az 555 kimenetére is lehet tenni. (Legalább nem lazsál az áramkörben az 555.) Ha több Led-est akarsz, akkor az LM 1-es lábat is be lehet vonni a játékba. A Led meghajtása, kb. 20mA lesz. üdv! proli007 A hozzászólás módosítva: Okt 26, 2012
Hello!
Természetesen működik a 14-essel is, kicsit más lesz a kigyújtás de lehet észre sem lehet venni. Pontosabban kinek-kinek mi a szimpatikusabb. üdv! proli007
Igen !
Én is arra gondoltam pont, hogy 5-5 Erős fényű 5mm-es Sárga LED bőven elég lenne és a 6-ik LED, azaz vagy az első vagy az utolsó LED lenne a visszajelző LED.... ![]() Közben tegnap keresgéltem egy rajz progit és sikerült is egy, bár Magyar nyelvűnek volt feltüntetve, de Angol, de végül is azon alkatrész szimbólumokat lehet benne könnyen megtalálni, amire általában szükség van és könnyű vele vázlat rajzot készíteni... Bele is kezdtem egybe, de a LED-ek és a Tranzisztorok berajzolásáig jutottam, azaz, az általad feltöltött rajzot kezdtem el lemásolni, de az én LED elképzelésemmel, de tovább nem jutottam, mert innentől el vagyok akadva, persze az IC-t még be akarom helyezni, de ahogy a JANI által jelzett dióda temetőt, hogy hová kell benne a elhelyeznem, berajzolni az áramkörbe, azt nem tudom... De amint látom, már írtatok, sőt, tettetek is be alkatrészrajzot is... Köszönöm.... A hozzászólás módosítva: Okt 26, 2012
Üdv... !
![]() "_JANI_" Ha van próbapaneled, és alkatrészeid hozzá és időd is engedi, hogy megépítsd, kérlek, jelezz már vissza, hogy miként működik, azaz úgy villog, ahogy szeretném, hogy egyesével felkapcsolódnak a LED-ek, és nem alszanak ki, csak miután az utolsó LED is felgyulladt, azaz, miután mind együtt világít... ? ![]() A hozzászólás módosítva: Okt 26, 2012
ÜDV...
A LINK kép kicsi, de ha jól veszem ki, akkor ugyan az, mint amit "proli007" -is behelyezett lentebb az oldalra... ![]() A Segédprogramhoz lenne némi kérdésem... ? ![]() Az 555-ös kis IC 3-as lábainál a T1 a LED világítási időt másodpercben a T2 pedig a két LED közti szünetet jelöli ? Jó, tudom, Ti szakmabeli szakemberek vagytok, de mi, kik amatőrök, azok nem a Hz-et használjuk, mert mi így jobban megtudjuk érteni, hogy mit is takar és miről is beszéltek... ![]() Vagy rosszul mondom, gondolom, azaz írom... ? ![]() Ja, és még valami az 555-ös 3-as lábra olyan porcelán kondenzátort kell elhelyeznem, amilyen T1 és T2 időt szeretnék elérni a LED-ek, működésénél… ? ![]() PL-nak… Beírtam a C-hez beírtam 350µF-et és T1=2.66805 s, azaz ~ 2.7 körüli lenne a LED világítási ideje és T2=2.4255 s, azaz ~ 2.4 körüli lenne az az idő, az én értelmezésemben a szünet, azaz, míg nem világít a LED… ? ![]() R1 és R2-t nem változtattam meg. R1 és R2 ellenállást is kell változtatgatni vagy az mitől függ, kell-e megváltoztatni az értékeit, azt a kívánt feszültséghez kell méretezni előtte, azaz esetemben a 6V-hoz, hogy a LED 3V-ot kapjon feszültségnek… ? A hozzászólás módosítva: Okt 26, 2012
Szia! Az áramkört majd egy tesztpanelem összedobom és ha sikerül teszek fel egy rövid videót is. S persze a működéséről is pár sort írok ha kell... Proni007 áramköre nem diódatemető. Csak azok az alkatrészekre lesz szükséged amik az elvi rajzon is vannak. A féklámpa és a helyzetjelző nincs az elvi rajzban. De az elkészítésük nem lesz nehéz.
Az 555-ös idősítő Monostabil multivibrátor: Link-ként üzemel. Így csak a szünet ( legyen ez pl: a T1-es idő ) idejére lesz hatással és az új kapcsolási rajz alapján ekkor szólal meg a Piezó zümmer: Link is. Olyan típust kell keresni ami a feszültség rákapcsolásakor folyamatosan szól. Ezekbe a hangkeltő elektronika is bele van integrálva, így külön elektronika nem kell hozzá. A ( pl: T2 ) felvillanási időt a C2-es kondenzátor értéke adja... LED előtét kiszámításához ismerned kell a LED ( vagy LED-ek eredő feszültségét soros kapcsolás esetén, ) és ismerni kell a LED jellemző ( vagy MAX ) nyitó áramát. Nagy segítség ha van az adott LED-nek adatlapja és abból könnyen ki lehet keresni az értékeket. Az "sima" általános" LED-ek jellemzőit is megtalálod a segédprogramok LED paraméterek (általános): Link-ban. Ezek az értékek elég jól használhatók a nagy fényerejű LED-eknél is. De hogy a nyitó áramot meddig növelheted az csak az alkatrész próbájával lehet megállapítani vagy keresni kell hozzá adatlapot. Ajánlom még olvasásra a cikkek között az Elektronikai alapkapcsolások: Link-kat. Megéri átolvasni! |
Bejelentkezés
Hirdetés |




_jani_


Frankye...
voltam… 

