Fórum témák
» Több friss téma |
Fórum » Csöves erősítő készítése
Ne feledd betartani a fórum viselkedési szabályait, és a topik megmaradásának feltételeit. [link]
A téma átmenetileg fagyasztva lett, hozzászólni nem tudsz!
-Hát akkor nem lehet megpróbálni sem. Szerintem egyébként nem rossz az a 10 K-s négyszög egyáltalán, főleg az alu dómos BW-khez. Szép sima magasak szoktak tartozni ilyen négyszöghöz még kicsit sikítósabb hangsugárzónál is. Ha mégos följebb akarod tolni a sarkát, két fokozatú visszacsatolással tudod kikisérletezni legkönnyebben. Feltétlenül nézd meg azt is, hogy 800-1000 nF paralell kondi a műterhelésen hogyan változtatja meg a 10 K- négyszöget.
Műterhelés változtatásával is lehet következtetéseket levonni a helyes illesztésről (pl. ha csökkented 6 ohmra, és akkor marad a szép színusz (nindenhol), és a hangerő növelésekor egyformább vágásod van, és a 6 ohmra számolt teljesítmény nem csökken (vagy nő), akkor nagyobb az illesztésed a szükségesnél.
Már nem a Bowerseken hallgatom, itt írtam, hogy beszereztem egy nagyobb érzékenységű dobozt.
Az 1µF-os kondit a terheléssel párhuzamosan akkor próbáltam, mikor visszakötöttem az első cső katódkondiját és a visszacsatolás növelésével kicsit jobb alakura hoztam a 10kHz-es négyszöget. Lekerekítette a felfutó sarkot, kicsit durvábban mint a korábban katódkondi nélküli fotókon volt látható. Mindenképpen finomításra szorul, de ahhoz már képek kellenek...
Üdv!
Szerintetek egy ECL86-al épített kis gitárerősítőhöz hogy szuperálna a Videoton R4900 Melodyn rádió hangszórója? Elég nagy ovál hangszóró.
Ó de csini dobozok.
Marci, ki kel próbálni. Szerintem jó lenne hozzá.
Azt mondod jobb hangja van egy ecl86 nak mint egy el84 nek ec83 al hajtva? hm...szerintem nem hiszem
![]() Ha ugyanarra a kimenőre körítésre teszed, szerintem (úgy hiszem) teljesen egyforma lehet max. Arról nem is beszélve mennyivel jobb hangja ven egy 6p1p sugártetródának, mint az el84 nek. (6p14p nek) Mert ezt viszont hallottam.
2db 6sz19pv (1A es fűtésű cső!) és egy ecc85 (455mA fűtés) ment róla 43mA oldalanként plussz az előfokon 2-3mA össz anódfesszel szorozva...na az melegítette, azért nem mertem ráakasztani még két azaz összesen 3db e88cc-t és a két 6sz19p-ket.
Az el84 el és ecc83 al (2x760mA fűtés+300mA fűtés) triódás kötésben már csak langyos, 44mA csatornánként pentódában már melegedett jelentősen... Viszont 6p1p esetében csak 500mA a fűtése a végcsöveknek+ 300mA fűtés ecc83 nak, azaz azonos mintha két ecl menne róla, a R4901 ben volt pár cső, összes áramfelvétele és fűtésárama ilyesmi azaz pont ezt bírja. Egy db r4901 trafó 2db 6p1p 1db ecc83. Ha pentódásan jól megeresztett el84 ekről esetleg 1-2db ecc85 el hajtásról van szó akkor kell a 2db trafó...oldalanként egy. de akkor már érdemes két külön doboz...monoblokk. Amúgy van itthon egy alulméretezett tápom, amit ha jól megkergetek (akkutöltéssel) olyan forró, hogy nem lehet megfogni 1mp ig és mér 25 éve megy. Egyszerű kísérlet a trafót terheld be szekunderen 220V os izzóval a megfelelő áramra aztán tapogasd meg 10 perc múlva, majd 3 óra múlva, majd ha kész az erősítő járasd egy 24 órát, ha meg bírod fogni bírja Idézet: hm.. én meg egészen biztos vagyok benne hogy az (E)PCL68 az simán lenyomja az EL84(6P14P) -t „ecl86 nak mint egy el84 nek ec83 al hajtva? hm...szerintem nem hiszem” Ugyanazon kimenőkkel az EL84 csak hangosabb de nem szól szebben a (E)PCL86 -tól , ebben lehet kételkedni de egyszerű a történet meg kell építeni mind kettőt és hallgatózni kell . PCL86pp PCL86se EL84pp EL84se
Így van meg kell építeni mindkettőt és akkor döntse el mindenki magának.
Én is azt mondom hogy az EL84/6P14P-vel épített PP szól olyan jól mint egy PCL86 PP. De legalábbis számomra nem igazolódott a "Simán lenyomja" állítás, pedig direkt ezért építettem egy PCL86 PP-t. Aminek most épp Zolee barátom élvezi hangzását.
Az a nagy ovál mennyira nagy ovál? mert nekem van r4901 es ovál de az inkább olyan közepes.nagyovál vagy nem nagy ovál
De ha pont ilyen cserélhetünk egy nagyobbra, ha már gitár...ha pont ilyen és nagyon jó állapotú akkor esetleg egy RFT 30cm es gitárhangszórót is megérne ha te fiz post.
Én akkor sem ajánlom ezt a trafót sztereó erősítőhöz. 35VA-es csak. Nem a fűtőtekerccsel van gond hanem az anódfesz tekerccsel. Az melegszik nagyon.
A 6p3s se-men még mindig modoltam tegnap éjjel, most van meghallgatós teszt alatt.
De még mindig ...mindig "nem elég jó" mod: kiszedtem az előfok SRPP táp Samwa elkókat helyette 4x akkora öreg ROE szintén 47mikro 350V ok kerültek 4n7Stiróval még díszítve. 22nF stiró 8db a 8db diódára (duplagraetz) 22nF Stiro a segédrács 47 mikro ROE + 1mikró orosz OMBG hátára. Már csak a graetz után van 47 mikro (bolti új) és aztán a 470 mikro ami TSG vagy TSU vagy mi a szösz (nem emlékszem). Valahogy a régebbi NOS elkók jobban szólnak egy formázás után mert elsőre esetleg rövidzárban vannak MM ből amit eddig fokozatosan növelt tápra tettem egy napra az utánn a20MOhm méréshatárban sem mutatott szivárgást. szóval régi elkósítottam. És a segédrácsfeszt még lejjebb engedtem 238V ra Ut 297V mellett (így már van bőven hely az anód segrács közt 50V körül (mert ott a trafón a DC 10V is)) Katódba kellett még 2db 1k párhuzamosan azaz az eddigi 200Ohm helyett 142Ohm van katódban, amin 11V körül esik, azaz UG1 is csökkent 14V ról 11V ra a segrácsfesz is 250V ról 238V ra. Vesztettem 0,2W ot 4Ohmon mert most még kissebb impedancián menne a szimm vágás. Azaz méginkább alul kezdi a vágást. Elsőre nem tetszik, de lehet süket vagyok a mai 12 óra vezetés után... Mintha belassult volna. Vagy ezt a NVCS 1nF al kikompenzálása okozta volna.
Jól szólnak gitárral ezek a régi VT hangszórók :yes:
Bár inkább a tiszta hangok szólnak szépen rajta, torzítva elég zizisek. Régebben én is sokat játszottam ilyenekkel, TDA 2003-ra kötve. Köss sorba két egyformát, vagy vegyesbe négyet, ha van annyi... egy jól méretezett nyitott hátú dobozzal a 4 db már "hatalmas" hangerőt adna akár egy 3W-os csöves meghajtással is.
Milyen RFT-éd van ? pléhkosaras ?
Igen ugy emlékszem, de páratlan ezért a tárolóban van, és lehet a peremet megbökték...megnézzem holnap? Talán 20VA 30cm szürke kör nyílásokkal, viszonylag sekély.
6p3s em mod meghallgatás eredményeképp:
(mintha szerintem így lenne...) Ha egyre lejjebb van engedve az Ug2 az anódtól, akkor folyamatosan tűnik el a fémes fényes hang. Azaz nem volt rossz a mod om, csak az előzöleg magasabban tartott Ug2 re fülre beállított NVCS gyeplőjén ereszteni kellett. 3k3 helyett 4k7 a NVCS R. Ismét kiszedtem (fülre) a kompelnzáló 1nF KP kondit is. Most túllövéses lengéses, mégis jobb a fülnek. Elképzelhető ha eléggé le van engedve az Ug2 akkor nem is kell a NVCS tetroda modban.
Az a pléhkosaras. 6 Ohm,12.5Wattos, de baromi érzékeny, ha az eredeti papir van benne
No akkor a ma esti mérések rövid összefoglalója:
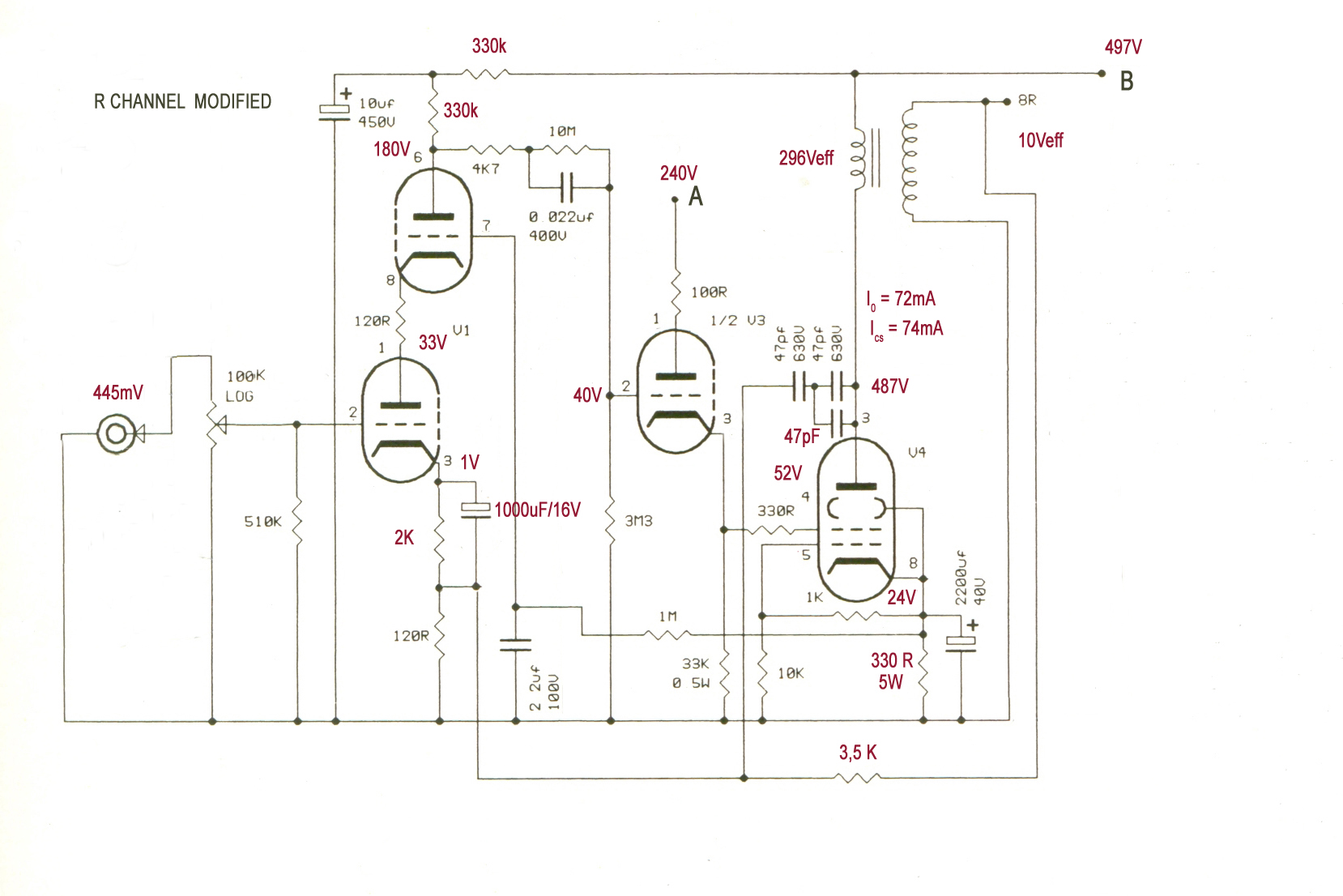
Az első cső katódkondija visszakötve, a két katódellenállás értéke belőve a 72mA nyugalmi áramhoz. A visszacsatolás szorosabbra vétele, a kondik beállításával a túllövés kompenzálása. A jelalakok és a feszültségértékek csatolva ...(A terheléssel párhuzamosan kötött 1µF-os is.) A kimenő áttétele terhelten mérve 29,6, számítva (2055/74) 27,8 az eltérés kb.15% ez nem is olyan durva, Sturbi 30%-ról beszélt. (Persze így is magasabb mint a megkívánt.) Mit olvastok ki belőle?
Ami lemaradt, a két alacsonyfrekvenciás négyszögjel...
Jól látom a segédrács le van kötve katódra? (majdnem)
Ez így működik ilyen alacsony Ug2 vel? Így a gyorsítórács akkor lassítórács
Igen működik. Azon a rácson vezérli a csövet. Több ilyen kapcsolás is létezik ezzel a csővel.
Nem rosz, bár a magasak kicsit komótosak (a régi szimpatikusabb volt, biztos jobbra is meg lehetett volna csinálni, sok kisérletezésre sarkall ez a kapcsolás). Mélyek nagyon jók. Fényes kimenőtrafó vasad van ?
Nem is tudom, én a kaszkódot nagyobb ("tápos" 330 K csökkentésével), a katódkövetőt kicsit kisebb árammal csinálnám.. a kimenőteljesítmény reális a kapcsoláshoz szerintem
Sziasztok!
Jelen pillanatban egy APX 100 újraépítésének végénél járok. Van egy részlet, ami viszont nem tiszta és ez inkább általános kérdés az előfeszültség bekötésével kapcsolatban. Azt kérdezném, hogy a rajz szerint kötve jó lesz-e? Mármint a PP-k esetében a rajzokon úgy látom, hogy a két rács ohmikus kapcsolatban van. Építettem már SE erősítőt. Most úgy kötöttem be, mint az SE-kben, teljesen külön van a két csőnek előfeszültsége, melyeket egy-egy 200Kohmos ellenálláson keresztül vezetek a csatolókondi és a rácsellenállás közös pontjára. Nem mertem így beindítani a készüléket, nehogy hazavágjak valamit.
Szerintem így is kapcsolatban van a trimmerek által a két cső.
Igazad van. De mondjuk táplálhatnám két külön tekercsről is. Arra gondolok, hogy jó-e, hogy megszüntettem azt a halom ellenállást a csövek körül?
Nem fényesek a kimenő vasai, olyan feketék, mint ahogyan itt látszik a deszkamodellen.
Eredetileg a kaszkódnál a tápágban 150 kohm volt, és 510 kohm a munkaellenállás, ennek az arányát válzoztattam az érzékenység csökkentésének reményében. Véleményed szerint kössem vissza és inkább törődjek bele, hogy nem kell akkora jellel hajtanom? A katódkövetőnél pedig növeljem a katódellenállást? Nem borulnak így fel nagyon a DC szintek? A kimenőn a szekunder menetszám esetleges növelésével nem érdemes csökkentenem az áttételt, amire CHZ mester utalt, ha többet akarunk kihozni a kapcsolásból? (A 11 W ezzel a kimenővel még a szokásos 226V hálózati feszültségnél is összejön, de a multkori áramszünet óta inkább a 228-230V-os sávban mozog a feszültség...)
Mellékelek képeket. Közben találtam egy másik Videoton hangszórót, ezt talán egy régi csöves tv-ből szedtem ki annó. Szeretnék torzítva olyan hangzást elérni ezzel a kis motyóval, ami olyan igazi és eredeti dirty hangzás. Nem szeretném ha ilyen zizegős hangja lenne.
(a másik hangszóró képeit a következő hozzászólásba linkelem)
Íme a másik Videoton szóró. Ez is 4 Ohmos.
A testpontok akkor is ugyanazok lennének és mindig lenne kapcsolat a két cső között. Szerintem semmi gond ezzel az előfesz állítással.
Magát a tápot Gubán Gábor tervezte hozzá. Ugyanakkor itt adott egy leírást, ami kicsit megkavart, de ez nem teljesen az ő táppaneljéhez szólt, hanem még a gyári megoldáshoz.
Akkor ki fogom próbálni az erősítőt. Abban nem voltam biztos, hogy a potik utáni "összekötés" szükséges-e valamilyen formában. Pontosítok: ez kavart meg.
Ez a második majdnem az ami nekem kellene 1218/10 et keresek ez egy 1218/9 sajna kicsit más a mádgnese...Bővebben: Link
|
Bejelentkezés
Hirdetés |




















