Fórum témák
» Több friss téma |
Fórum » Akkuőr / mélykisülés-védő
Sziasztok!
Többféle feszültségű rendszerhez kellene nekem mélykisülés elleni védelem. Vmi olyasmi amit potival lehet szabályozni, h tudjam alkalmazni 24, 12, 9,6 (NiCd) stb voltokon. Ha vaki tud nem túl bonyolultat kérem írjon.
Szervusz!
A következőt tudom ajánlani (évekig működött) Egy-akkufesznek megfelelő-relé,egyetlen tranzisztorral kapcsolva. A tranzisztor bázisát sorbakötött Zener(ek)en keresztül vezéreltem,ezek különböző feszültségű kombinációkban használhatók. Szükség van még a zenerek áramkorlátozásához egy ellenállásra(trimmerre),ami billenési szint beállításra is jó-kis mértékben. Egyszerűbben nem tudnám.
Épp most futó téma az akksi védelem, miért nem abba írtál? Az oda mellékelt rajzomból használhatod a mélykisütés-védő lekapcsoló részt, akár egy potival szabályozható referenciával. Azért a szabályozható kivitelt én nem ajánlom, inkább fokozatkapcsolóval kell előre belőtt értékeket kapcsolni.
Sziasztok!
Van egy 18 V-os NiCd aksim (fúrógép), és ki szeretném sütni. Mennyi a legalsó feszültség amit még kibír? Talán 16,4 V? Lécci válaszoljatok!
azthiszem a legalsó cellánkén 0.825V de ez már mélykisütés
azaz: 15*0.825V=12,375V de szerintem elég ha 15V ig kisütöd
Sziasztok!
Teljesen a-hole vagyok a témában, elektronikáról annyit tudok, hogy a konnektor ráz, de nagyon. Ezért is kérdeznék egy gyorsat akkumulátorokkal kapcsolatosan. A gondom az, hogy van egy Bosch csavarozó gépem. Ez ugyan még nem gond, de az, hogy több mint egy éve nem használtam, s hogy nem tudok életet lehelni az akkumulátorokba, az már az. Hallottam már - itt is olvastam mélyformázásról - de még csak elképzelni sem tudom, hogy ez mit jelent. Az a kérdésem, hogy tudok-e bármit kezdeni ezzel a két akksival, vagy dobhatom el őket? Van 4 érintkezője, bármelyiken is néztem, nem mértem semmilyen feszültséget. Lehet, én vagyok a béna, de nem tudom elképzelni, hogy effektív 0 V legyen bennük... Mit tanácsoltok?
Tedd fel a tölteni a saját töltőjére. Ha 12 óra múlva is, ugyan ez a helyzet, szed szét a tartó dobozt, és cellánként nézd meg a akkumulátorokat. Legalább egy rossz lesz, vagy vezeték szakadás, van a dobozba. Mivel két akkumulátorod van, a másik dobozból cserélj. Ha újra akarod cserélni, mindet újra kell. Mert ha csak egyet cserélsz, hamar tönkre megy. Más a kapacitása.
Szia!
Ami azt illeti én is tudok egy pofon egyszerűt, veszel egy ugyanolyan feszültségű relét mint az aksi és rákapcsolod a relé mágnesét az aksi két pólusára, és a kapcsolókhoz meg a pozitívot és amikor merül az aksi vagy zárlatot kapcs rögtön lekapcsol a relé mivel csökken a feszültség.
Jaja, én is gondoltam erre, egy éjszakán át volt a töltőn, de meg sem mukkant. (Ez abban jelentkezik, hogy ha nincs bedugva az akksi, vagy ha feltöltött, akkor világít egy led, ha tölt, villog. No, ez nem villog soha.)
Megpróbálom szétszedni, hátha. köszi
Sziasztok ! A következőben kérném valaki hozzáértő segítségét.
Egy 12 v-os renbszerű autóban szeretnék pl. hűtőládát vagy más fogyasztót használni, és ehhez lenne szükségem akkuőr rajzra vagy valami tanácsra. Vedd figyelembe hogy nem vagyok műszerész. Ugyan több kereskedelmi forgalomban kaphatót kipróbáltam de vagy nem bírja tovább pár hétnél , vagy amelyik bírná annál meg hetente legalább egyszer bikázni kell az autót. Címem : quadok@citromail.hu
Szia.!
Van ehhez rajzod is , hogy a nem hozzá értő is megcsinálhassa? Üdv kistvan
Helló
Még jó hogy megláttam a témát. Szükségem lenne egy olyan áramkörre, ami egy Li-ion cella feszültségét figyeli, és amikor lemerült akkor lekapcsolja a fogyasztóról. Két leddel lenne jó a kijelzés, zöld, amikor az aksi jó, piros, amikor lekapcsolta. Mivel egy kis erősítőre lesz rákötve, nem szeretném, hogy nagyon lemerüljön az aksi. Valami egyszerű kapcsolás kellene, mert nem sok hely van.Előre is kösz. Ricsi
Sziasztok. Összedobtam próbapanelon ez előző hozzászólásban szereplő kapcsolást. Nekem ez nem működik, azaz elméleti szinten igen, de valójában nem a megadott értékeknél váltja a szineket. De nem is ez izgat igazán, mert ezt csak kipróbáltam, de van itt egy másik kapcsolás (mellékeltem). Akárhogy próbálom, nem jó. Az R* az azért van, hogy a mellette párhuzamosan szereplő értéket megkapjuk, mivel azok nem szabványos értékek. Én pontosan akkora ellenállást kötöttem oda, amekkora irva van. Na most van egy kapcsoló is a kapcsolásban. Ez arra szolgál, hogy 6V-os vagy 12V-os akkura legyen méretezve. 12V-os akkura akarom, ezért a kapcsoló be van kapcsolva. A probléma itt is az, hogy már 10V alatt maximumot mutat, de mikor a 11V-ot eléri, az egész kikapcsol. Valamint 9,5V a minimum és 10V a maximum. Szerintem ez a kapcsolás nagyon beteg. Az LM ic tápja is hiányzik róla. Tud ebben valaki segiteni?
Üdv!
Egy Li-ion aksikkal működő lámpát "tervezek", az áramgenerátor része meg is oldódott a Skori féle áramgenerátor-kapcsolással, de kellene az elejére egyfajta védelem, ami ha egy bizonyos feszültség alá merül az akksi(3v/cella), akkor lekapcsolja a kimenetet(megszakítja az áramkört), és ami a legfontosabb, hogy úgy is marad, amig be nem avatkozunk.(beavatkozáson legjobb lenne ha akkor működne tovább, ha a fő kapcsolójával ki, majd bekapcsolom az áramkört, tápot adok neki.) Erre várnék ötleteket, a zeneres feszültségfigyelésig már eljutottam, az öntartás lenne még kérdéses, illetve hogy hogy tudnám tápfesz elvétellel-ujra ráadással "resetelni", azaz ujra mködésre bírni az áramkört. Köszönöm a segítséget előre is
Csatlakozom DJ Tacki -hoz engem is érdekelne egy ilyen áramkör vagy Texsas IC mert szeretnék egy cellányi töltést kihasználni a cella mély kisütése nélkül.
Még annyiban kiegészíteném, hogy a kapcsoló egy kapcsolós potméter lenne, így egyszerre megoldható a bekapcsolás és a fényerőszabályzás is. Tehát olyan kapcsolás kellene, amit ha bekapcsolok a kapcsolós potival, akkor világit addig, amig el nem éri az akksi alsó feszültséghatárát(li-ionnál kb 3v), majd kikapcsol attól függetlenül hogy a kapcsolo be vn kapcsolva. Viszont ha bekapcsolom és a cellafesz 3v felett van, akkor világítson
Probléma megoldva: Bővebben: Link
Sziasztok!
Olyan gondom lenne,hogy van egy 2 cellás lifepo4(A123 system) akkupackom aminek a névleges feszültsége cellánként 3.2V-3.3V ehez kellene nekem valami akkuőr mert amit a modell boltokba találtam az lipo akkuhoz való,olyanra lenne szükségem ami bármelyik cella eléri a 2.5V-ot akkor jelezzen. Vagy ezt a fajtát hogyan lehetne átalakítani úgy,ahogy nekem jó lenne. Segítségeteket előre is köszönöm. Bővebben: Link
Sziasztok
Kéne csinálnom egy akkuőrt a kocsiba, mert már másodjára szívta le az akkut a rajta felejtett hűtőtáska Valami baromi egyszerű , relét kellene bent tartania 10-11 V környéke fölött, semmi extra. Van itthon 2db 5,1 V zenerem ezekkel, hogy lehetne összehozni? A második hozzászólásba írt, egyszerűnek hangzik, összehozható lenne? Valami egyszerű kapcsolási rajza valakinek? Előre is köszi Üdv
Nos, összeraktam ezzel a két 5,1 V-os zenerrel.
Viszont 1 probléma van, mikor a feszültség a kimenetre kötött fogyasztó miatt leesik, a relé, ugyebár kikapcsol, de mivel kikapcsol, ezért a fesz újra fölmegy, tehát megint bekapcsol, mindezt marha gyorsan, a relé meg berreg mint a bolond Hogy lehetne kiküszöbölni ezt a jelenséget?
Megfelelő számú diódát kell sorba kötni a relével, hogy a meghúzási feszültség magasabb legyen. Nem lesz olyan határozott mint előtte, (így a kürtrelé se terhelhető 15A-rel) de ha már elengedett, akkor nem fog megint meghúzni, egy relé meghúzó feszültsége mindig magasabb mint a tartófeszültsége.
Kipróbálom
Ha viszont a hűtő árama már megfelelően lemerítette az akkut, akkor az indítómotornak régen kevés az energia, inkább egy gyújtás-függő táplálást kell megvalósítani, egy relét, ami elenged, ha a kulcs már nincs a gyújtáskapcsolóban.
Ez a diódás dolog nem változtatott, viszont a bázis és a kollektor közé behajított kondi kellőképp kisímította a dolgot (470 uF, kb 1 másodpercenkénti kapcsolás az átmeneti állapotba
Mostmár csak a finombeállítást kell elvégezni a potméterrel, kitapasztalni, hogy mi az a feszültségszint amin még kényelmesen megy az önindító. Nekem fontos, hogy miközbe melózok az ügyfélnél a kajámat hidegen tartsa, ha csak gyujtásról működne az kevés, a táska kb 50W, brutálisan xar hatásfokú, viszont nincs más, és a riasztót se hülyíti, a kocsi még kb 5 órányi működés esetén is pöccre indul, a gond akkor van, ha éjszakára rajtamarad ![]() Üdv
Sziasztok!
Lenne egy kis problémám. A cégünknél van egy takarítógép ami akku-val működik. Kettő 12V-os sorba kötve erről jár a szivattyú és a mosókefe motorja. Töltéskor az aksit ugye a gépről lecsatlakoztatjuk majd menet előtt rá a gép áramkörére. Eddig semmi gondunk a dologgal. A gépen van két kapcsoló amivel kapcsoljuk a kefét és a szivattyút. Ezek a kapcsolók meg az áramterhelés miatt kaptak relét gyárilag. Viszont van a gépen még egy 3led-es töltöttségi szint jelző ami a relék test-jét megszakítja a mélykisülés elkerülésére. No ez az elektronika megpusztult. Nem is lenne gond ha nem MCR908JK3ECP lenne benne ami valami mikrokontroller. Ahogy a panelt kezdem visszafejteni a tápot egy dióda ellenálás és stab ic-n keresztül kapja maga a kontroller. A negatívot értelemszerűen direktben annyi trükkel hogy egy fetet vezérel ami a reléknek is ad testet. De valahogy nem fér a fejembe hogy ez hogyan méri az akkufeszt ha stabic-ről jár. Lehet ezt a kontrollert aminek 3led kijelzés és egy fet kapcsolgatása a feladata helyettesíteni? Vagy esetleg az egész áramkört helyettesíteni egy normálissal?
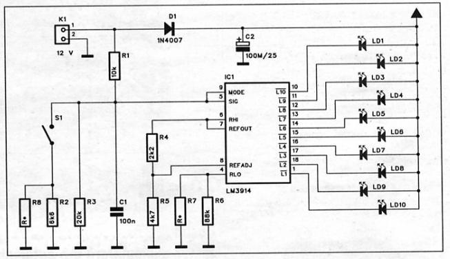
Helló. megépítettem a képen látható kapcsolást, és nem működik megfelelően. Csak a piros led világít, a trimmerekre nem reagál, és a fesz. változtatásra a led fénye változik. Átnéztem a nyákot, és én nem vettem észre elkötést. Ez ügyben kérném a segítséget. A leírás itt található: http://www.bsselektronika.hu/index.php?w=exZP0YjNJp
|
Bejelentkezés
Hirdetés |




Szükségem lenne egy olyan áramkörre, ami egy Li-ion cella feszültségét figyeli, és amikor lemerült akkor lekapcsolja a fogyasztóról. Két leddel lenne jó a kijelzés, zöld, amikor az aksi jó, piros, amikor lekapcsolta. Mivel egy kis erősítőre lesz rákötve, nem szeretném, hogy nagyon lemerüljön az aksi. Valami egyszerű kapcsolás kellene, mert nem sok hely van.

