Fórum témák
» Több friss téma |
Sziasztok.
Én egy Spectron autós erősítőben tervezem a kondik cseréjét. Itt olvasgatva, meglepődtem, hogy milyen keveset is tudok róluk. Egyik kérdés, hogy a már használt kondikat formázva lehet-e javítani az állapotukat? Másik: Csak Samwha kondik vannak benne, SD, RZ és SG típusúak. Ezek közt egész pontosan mi a különbség? Amint láttam neten, már nincs SG (én nem találtam), helyette láttam HE, CE, HC, WL típusokat. Az SG-t lehet helyettesíteni valamelyikkel? Azért gondolkozom Samwha-ban, mert így megmaradnak viszonylag az erősítő gyári paraméterei. Igaz kicsit drágább mint a kínai vackok, de hát a minőség már csak ilyen
Sziasztok!
Próbáltam választ találni az eddigiek között de nem sikerült. Hogyan tudom ellenőrizni egy kondenzátor kapacitását? Hogyan tudom eldönteni,hogy jó vagy nem? Egy gázkazán keringető szivattyujának kondijáról van szó Köszönöm
Hogy jó-e, azt minden eszköz hiányát feltételezve úgy hogy feltöltöd, és kisütöd. Gyakorlatban feszültségre teszed egy pillára, és egy kis teljesítményű izzón kereszttől kisütöd. ha felvillan akkor jó. Ha van valamilyen mérőeszközöd (pl: multiméter) akkor azzal is kimérhető szakadás- ellenállásmérés állásban. De ugye kevés inputot adsz meg.
Szia!
Köszönöm a segítséget, miután kapacitás mérőm nincs így marad az általad leírtak. Hogy érted, hogy kevés inputot adok meg?
hello
nekem van egy kerámia kondim, amin van 4 szám. 2232 meg alatta egy min segítene valaki megérteni hogy mit jelent?
Sziasztok.
Egy őskori csöves Grundig erősítő paneljéből bontottam a képen látható 22µF-os kondit. (4db-ot) Hogyan lehetne megállapitani a polarítását. Az egyik felén pötty van, gondolom hogy a jobb, vagy a bal a pozitív No de mellik Áldozzak fel egyet egy kisérlethez?
Szia!
Itt megmutatják a polaritását: Bővebben: Link
Köszi szépen
Jó kis oldal, még nem is láttam...
Egy nagyobb kondit le lehet valahogy tesztelni oszilockóp nélkül, hogy jó-e? 2200Uf-esre gondolok itt. Most bontottam, elméletileg nincs semmi baja, a cucc amiből van nem emitt lett kidobva.
Zárlatot, szakadást könnyen ki tudsz vizsgálni egy sima multiméterrel is. Kapcsolj rá feszültséget a tűrésének és a polarításának megfelelően és máris ellenőrizheted a funkcióját is.
Van itthon 4 fajta kerámia kondenzátorom. van amire 104 van irva. Van amire 104 és alá van húzva, valamint ez a kondi nagyobb mint a sima 104-es.
Van amire 39 van irva, és 331. Ezeknek mennyi az értékük?
Bővebben: Link Üsd csak be a "kódot"
Sziasztok én 1 amatőr vagyok a sok küzül.Találkoztam egy:104 es típusszámú kondenzátort sajnos nem tudom az értékét se azt h hogyan lehet kimérni???
Van multiméterem de nem olyan komoly kérlek segítsetek h kell ezeket megcsinálni köszönöm.Gyuri
Szia!
Kapacitásmérős multiméterrel a legegyszerűbb kimérni.
Van egy alap multiméterem de nem t ** m mire álítsam be h mérje ki.Azt nem t ** d mire kell?
Nincs de ha segít így néz ki.
Ezen valóban nincs ilyen funkció. Kérj a Jézuskától egy jobb multimétert, ami tud kapacitást is mérni.
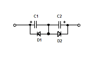
Üdvözlök mindenkit!
Lenne egy kérdésem a nem polarizált kondikkal kapcsolatosan. Mégpedig az, hogy a nem polarizált kondit helyetesíthetem elektrolitius kondenzátorral az csatolt képen látható módon? Ugyanis 400V-ra kellene egy 500µF-os nem polarizált kondi, de ilyen értéküt nem találtam csak elektrolitikusban. Ezért gondoltam, hogy elektrolitiku kondit használnék. De elötte kíváncsi vagyok a véleményetekre! Válasotokat előre is hálásan köszönöm!
Hali! Tudja valaki, hogy kis hazánkban hol lehet zöld színű "Poly-Film" kondenzátort beszerezni?
Több nagy elektro-s cégnél is kerestem, és eddig nem nagyon találtam csak az ebayen... |
Bejelentkezés
Hirdetés |









