Fórum témák
» Több friss téma |
Hello!
Van egy teherautó állófűtésem amihez szeretnék, beállított hőfok vezérelt automatikát. 24V -ról. A vezérlés lehet 12V . Pillanatnyilag bekapcs, kikapcs, két fokozatú fordulatszám ( ami arányosan a hőbefúvást változtatja ) Van elképzelésem PTY -os PTC-s műveletierősítős szabályozára, de ezt kellene összekötni egy TL494 pwm szabályzóval, ami a beállított értékhez közelítve csökkentené a fordulatszámot. A problémám az, hogy hogyan tudom a rendszert szabályozni, amikor mondjuk 50% hőbefúvás mellett is tovább melegszik az utastér, hogy tudom vezérelni a PTY-al, ha átlépi a beálltott értéket? Előre is köszi a segtséget.
Elolvastam párszor, de nem egészen értem, lehet, a fáradtság teszi...
Tehát. Van elképzelésed arról, hogy egy hőszenzor jele alapján PWM-vezérlést csinálj a befúvóra. Ha emelkedik a belső hőmérséklet, csökken a befúvás mértéke, egy bizonyos határ alatt leáll, ekkor a fűtés is leáll. Ha ez így van elképzelve, akkor mi a konkrét probléma? Maga az áramkör, a szabályzás módja...
A problémám az hogy ha emelkedik a hőmérséklet, így csökken a különbség a beállított és mért között. Azonban egy határ alá nem lehet vinni a befúvás mértékét ( kb.50%) az égés biztonsága miatt. Azonban ha a hőmérséklet tovább emelkedik, akkor le kellene kapcsolni a befúvást, ( működési sajátosság , hogy lekapcsols után kb. 2 percig szellőztetni kell a kályhát, tehát motor fúj, de üzemanyagszivattyú leáll). Azonban ha az összehasonlított jelet a TL 494 pwm -hez használom nincs jelem ami lekapcsol ha mondjuk 2 fokkal még felmegy a hőmérséklet. Egyszerűen lekapcsolni az elért hőnél nem ajánlott hiszen egyfolytában kell hőt bevinni, mivel kint hideg van.
Ha a pty -on osztott feszt egy másik erősítővel hasonlítom össze, Akkor meg nincs referenciám, vagy rosszul gondolom? Talán kicsit tisztítottam a ködöt,
Azt hiszem, oszlik a köd, de javíts ki, ha csak én hiszem ezt
Ha egy műveleti erősítőt jelkövetőként használsz, akkor gyakorlatilag a forrás beterhelése nélkül szét tudod osztani a jelet. Nem a végtelenségig ugyan, de két erősítő még simán elfér egymás mellett, az egyik kimenete a PWM-et, a másik a lekapcsolást tudja vezérelni.
én is erre gondoltam, de nem vagyok annyira otthon a témában, hogy ez működik e vagy sem.
A másikgondom, hoogy hogyan tudom a műveleti erősítő jelét úgmond megfordítani, mivel a tl494 1Volt alatt nyitja a fetet, 3,5 V felett pedig zárja, ahogy olvastam. A műveleti erősítő pedig ha jól tudom nagyobb különbségnél, nagyobb jelet ad.
A műveleti erősítők okosabbak ennél, nagyon sok funkciót meg lehet velük valósítani.
Nézd meg ezt az oldalt, az alapokat az erősítőkről megtalálod bennük. Nagy valószínűséggel neked a jelkövető, és invertáló erősítős részek kellenek.
köszi, sokat segítettél,remélem menni fog, ha nem még kérdezek.
Hali!
Van egy Sirocco 7.5Kw-os vizes állófűtésem amin csak a kábelköteg van, és nincs hozzá semmi más! A burkolat alatt van egy kis áramkör amiről 3 vezeték jön le! Nemtudom az mi célt szolgál, mert hozzá van "kötve" a kályha testhez belül! Valaki tudna segíteni, hogy kell ezt a kályhát beüzemelni? Vízpumpa van hozzá, de sajnos üzemanyagpumpa nincs! Majd teszek fel róla pár képet is! üdv
Itt vannak a képek:
heló
nem tudja valaki hogy állófűtésbe mekkora termoszát kel? (Elektromos régi autó) víz melegítésű. Fém kupolás, 2 saru kivezetéses termosztát. A végén ,2 saru között csúszkát valami műanyag és beolvadt. Milyet vegyek? 100c fokon kapcsoljon? majdnem olyan mint minden más készülékekben, p:kávéfőző, stb...
Sziasztok!
Az lenne a gondom, hogy a sirokkó 231 állófűtésnek nincs bizonsági vezérlése arra nézve, hogy amikor "elcsöppen" az izzítógyertya és leáll a fűtés az üzemanyag pumpája folyamatosan löki tovább a benzint. Még nem mértem ki üzemközben, hogy üzemközben hány volt feszültség van az izzítógyertyánál de majd ezt pótolom és a bekötési rajzot is. Én szerintem egy olyan érzékelőt kell beiktatni ami ha elcsöppen a gyertya és nem izzít 12 v jelenik meg(szerintem) a gyertya vezetékén és ha ez van az áramkör a benzinpumpa áramkörét megszakítja. Erre keresnék megoldást áramköri megvalósítást.
Szia! Soros sönt ellenálláson mérsz áramot és amikor az 0 akkor van szakadt meg a rendszer, és akkor kellene lekapcsolni a szivattyút szerintem.
Szia!
Ha az izzitógyertya elcsöppen, be sem gyújtja a kályhát, üzem közben pedig nem üzemel az izzitás. Ezt a kályhát (mint az NDK-sokat általában) nem célszerű némi felügyelet nélkül üzemeltetni. Visszatérve a kérdésedhez: egy sima hőkapcsoló tennék az AC áramkörébe, ami akkor vezet, amikor meleg a kályha.Ha véletlen kialszik, kihül, a kapcsoló megszakitja az áramkört. Értelemszerűen inditásnál a kapcsolót át kell hidalni, de ez megoldható akár egy sima nyomógombbal is. A "cseppenő" túlmelegedésvédelmet ki ne hagyd belőle.(bocs, ha okoskodónak tünik, több ,mint 20 év kályhajavitás után beleszaladok néha) üdv:hp
Helo.
Keresgettem egy kicsit googleval a fűtés felépítését illetően. 6V 17A izzító van benne, ezzel sorban egy 350mOhm 100W ellenállás "drótból" tekerve. Az izzítógyertyán kell feszültséget mérni. Ha 7V, vagy inkább 8V felé megy, egy szopattyúval sorbakötött relét le kell kapcsolni.
Én is erre gondoltam, de mivel sosem terveztem áramkört nagyon kezdőnek vallom magam e téren, bár apróbb dolgokat meg tudok csinálni.
Egy műveleti erősítős áramkörre gondoltam ami ha megnövekszik a feszültség akkor elengedi a relét ami működés közben be van húzva. Ezt konkrétan nem tudom megtervezni sajnos mivel vezérlésekkel sosem foglalkoztam. Ha konkrét kapcsolásban tudtok segíteni az jó lenne. Előre is köszönöm.
Köszönöm a tanácsod, megfogadom.
Igazából egy aránylag biztonságos üzemeltetés felé akarom vinni mert eléggé primitív a vezérlés és biztonsági elektronika nincs rajta. A VW lakóautó kályhályának van olyan vezérlése ami teljesen bizonságos. Valami ilyesmit akarok kihozni belőle minél egyszerűbben. Termosztátot is szeretnék beiktatni, hogy az indítsa el a fűtést, erre nézvést van már ötletem egy egyszerű relés megoldással.
A neten kesergettem kapcsolási rajzokat hozzá, nekem relés a kivitel és olyat találtam ami ha jól nézem a rajzot először direktbe adja a feszültséget majd a mikrokapcsoló átbillenése után az előtétellenálláson kresztül a gyertya kap feszültséget. Még nem néztem meg teljesen a kályhát szabadiő híján de annak a bekötése is ilyen. Nem tudom, hogy gyári-e vagy csak barkácsolt a kályha előéletét nem ismerem. De csatolom hozzá azokat a rajzokat amiket felleltem a neten róla. Az én kapcsolóm mar "modern" hatlábú kapcsoló és egy zöld kontrollámpával van ellátva.
A héten valamelyik nap kibogarászom a konkrét bekötést.
Nem feltétlen kell műverősítő. Elég szerintem egy egyszerű tranzisztoros ák. Valami ilyesmire gondolok.
Az öreg VW kályha biztonsága annyiban megoldottabb, hogy egy időkapcsoló lekapcsolja az üzemanyagot és az izzitást, ha cca. 1 perc alatt sem indul el a kályha.Ezt az időkapcsolót nem lenne bonyolult megépiteni a tiedhez sem (pl.555 monostabil).
A termosztátos vezérlés nehézkes ennél a kályhánál, mert normálisan újrainditani csak kihűlt állapotban lehet(szépeket tud durrogni, ha langyosan akarod elinditani).A preciz megoldás, ha egy gyújtógyertyát is beleépitesz valahogy az izzitó mellé, igy a befújt levegő hőmérsékletét is lehetne állitani.(Ezért használok én inkább VW kályhákat). üdv:hp
Sziasztok!
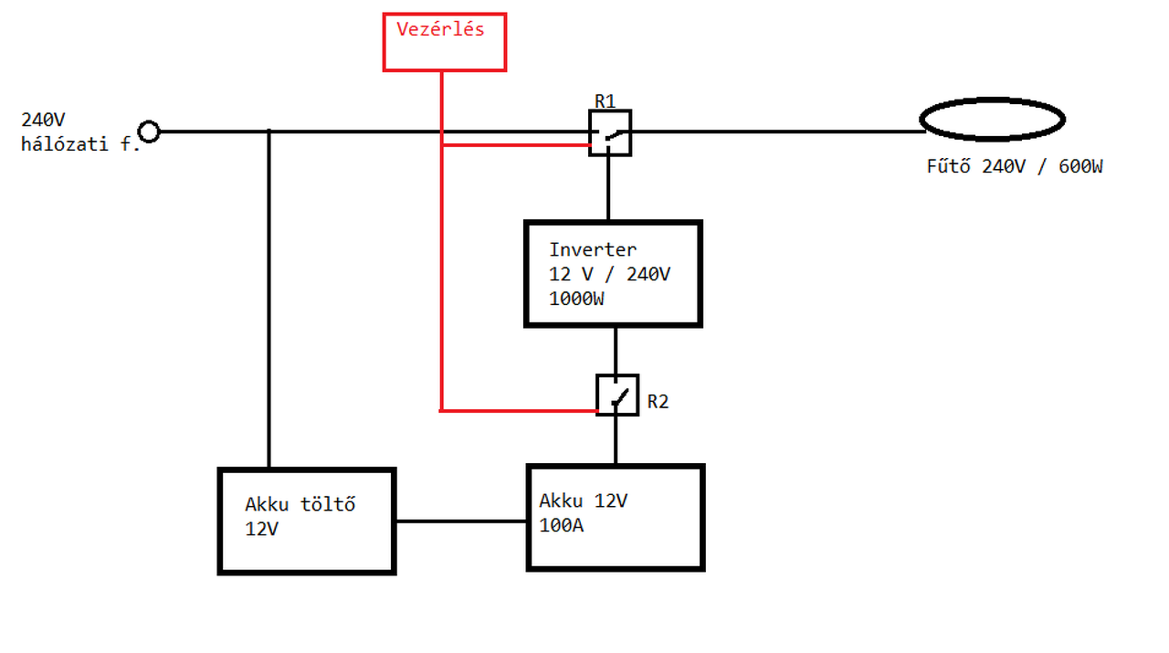
Egy vegyes táplálású állófűtés megoldás megvalósításához szeretnék ötleteket kérni tőletek. Mellékelek egy elképzelt kapcsolási rajzot. A vezérlést meg tudom valósítani mikrokontrolleres megoldással, de kíváncsi lennék, hogy ti hogyan valósítanátok meg. Illetve R1 reléből milyen típust kéne használni ami teljesíti a lenti feltételeket. Olyan megoldást szeretnék, ami a vezérlés kiesése esetén is bolond és tűzbiztos. Működési módok: - hálózat (240V) csatlakoztatásakor automatikusan tölti az akkumulátort (1-es üzemmód) - hálózat csatlakoztatásakor – ha a vezérlés kapcsol – ez táplálja a fűtést (1-es üzemmód) - akkus üzemmód esetén(nincs hálózati táp) – ha a vezérlés kapcsol - az inverter táplálja a fűtést (2-es üzemmód) - maximum 1 órát üzemel (ezt a vezérlés intézi) - R1 relé ha mindkét bemenetén van feszültség, akkor csak a hálózati tápfeszültséget engedi tovább (biztonsági faktor akár hibás vezérlés estén is) - Inverteres működés esetén először az R2 relé bekapcsolja az invertert, majd 5 mp múlva az R1 relé a fűtőszálat (vezérlés) - Inverteres működés esetén ha hálózati feszültséget csatlakoztatnak, akkor automatikusan az 1-es üzemmódba kapcsol - Inverter felügyeli az akkumulátor állapotát, nem engedi teljesen lemerülni. - Akkumulátor táplálja a vezérlést direktben (pár mA) Köszönöm előre is István
Én úgy oldanám meg a dolgot hogy 12v os fűtést használnék és elhagynám a legdrágább alkatrészt az invertert. Semmi értelme a feszültség ide-oda konvertálásának - vagy akkuról vagy töltőről menne a fűtés és sokkal egyszerűbb lenne a vezérlés is .
Teljesen jogos meglátás. Csak sajnos nem találtam megfelelő 12V-os megoldást. Illetve attól tartok, hogy a nagy áramfelvétel miatt nem lenne ideje feltöltődni az akkunak napi kétszeri használat esetén.
Egyébként nem nézted hogy a gyári állófűtések mind benzin-olaj kályhával vannak megoldva ? Az neked miért nem felel meg ?
Kaptam rá árajánlatot, 370.000 forint lenne. Igazából az a legjobb megoldás de az ára is tükrözi.
A Defa és társai (kontakt fűtő) valahol 80.000 forint körül megáll. Ebből a kontakt fűtő teljesítménye (~500W) akkora, amit egy ideiglenes akkuval és inverterrel lehetne üzemeltetni.
Az inverter áramfelvétele a 12V-os oldalon nagyobb lesz mint az ugyanolyan teljesítményű 12V-os fűtőbetété az átalakítás veszteségei miatt.
A vaterán nézted ? Van egy csomó 50 alatt ...
Remek ötlet. Már találtam is használható dolgokat. Hogy eddig miért nem néztem itt?
Köszi!
Szép napot ! Van itt még valaki ? Kaptam egy wv transporter kályhát ami kicsit hiányos csak a dob a égéshez szükséges venti és a szivattyú van meg. Tudna nekem ebbe segíteni valaki,hogy mi kell még hozzá ???
Sziasztok. Van egy mikuni my16afd-3 típusú állófűtésem. Adatlapot lent mellékelem mindennel. Kérdések: Milyen gázolaj pumpával működhet mivel a sajátja hiányzik így nem tudtam üzemre bírni.
Vezérlője nélkül hogyan tudom működésre bírni? Amik benne vannak: láng szenzor, túlmelegedés érzékelő (vagy kapcsoló), 24V ventillátor, 24V izzító gyertya. Csövek tiszták, venti megy, izzítógyertya szépen működik. hogyan tovább? A hozzászólás módosítva: Márc 5, 2019
|
Bejelentkezés
Hirdetés |





















