Fórum témák
» Több friss téma |
Mielőtt kérdezel, a következő két dolgot ellenőrizd!
I. A helyes tápfeszültségek megléte.
II. A kimeneten van-e egyenfeszültség.
Élesztés.
Igen, új erősítő vásárlásával, készítésével, készíttetésével.
Sziasztok.PA-300-hoz készítettem egy kapcsitápot.Üresjárati fesz 67V és ez jól leterhelve(300W) sem megy 63V alá.Fogja ezt bírni a PA vagy inkább tekerjek le a trafóból?
Szia.Jó,akkor marad így majd a másik felét azért kicsit előbb kivezetem de ezt már nem akarom macerálni alig jött össze így is.
Sziasztok.
Van egy 140Watt-os SHARP erősítőm, kiéget benne egy 1A250V biztosíték, kicseréltem egy 1,6A250V-os ra jól szólt meg minden de egy nap múlva bekapcsoltam és nem szólnak a hangfalak. áramot kap meg minden leégés szaga nincs biztosítékok jók. Valaki Tud segíteni hogy mit tegyek.
Ó nyugi én kocsimagnókból bontottam ilyesmiket vagy 5 percig fűtöttem és semmi bajuk nem volt.
Sokan félnek forrasztgatni az intergált áramköröket, de ha nem mennek, azaz nincsenek feszültség alatt nem lessz semmi bajuk, legalábbis nálam még nem halt meg a forrasztástól egy sem.
Ha máskor kimegy a biztosító, akkor ne úgy javítsd, hogy nagyobbra cseréled. Hidd el, azt jól méretezték gyárilag, ha elmegy, annak oka van, ha nagyobbra cseréled, akkor tűzveszélyt okozhatsz vele, nem játék az ilyesmi. Szedd szét a gépet, keresd meg benne a végfokot, és mérd ki az alkatrészeit. Ha van benne hangszóróvédelem, akkor vélhetően az élesedett be, vagyis valamelyik végfok hibás DC kimenetet ad. A leégésszag sem feltétlen jellemző, nem kell nagy áramoknak elfolynia tönkremenés során, utána.
Remélem, ilyen próbákat minimum soros izzóval a 230-on csinálsz! De célszerű a nagy pufferek miatt a tápágakba beiktatni a pufik után egy-egy 10Ohm-pár W-os ellenállást, mert hamar sokba tud kerülni egy ilyen ónpaca!
Nem kell ehhez rajz-egyszerű, mint a faék, és eladni sem kell, jó kis végfok ez, csak hozzá kell nyúlni.
-Érdemes átvezetékezni vastagabb kanócra, a gyári nem túl oroszosan vékonyka, jót tesz neki. -Pufferkondikat mindenképpen mérd ki, bár amit én láttam, azokban tökéletes állapotban voltak, ez sosem garancia-én is kicseréltem inkább, bár kolléga azóta is használja őket boldogan valami kevésbé kritikus végfokban. -Végfokok. Egyszerű, műveleti erősítővel támogatott végfokok, a gyári tranyók helyett a BD249/250 az nettó marhaság volt (érdekes, abban is azok voltak, ami nálam járt). MJ21193/94 párokban gondolkozz, sose lesz baj velük. Az összes tranzisztort cseréld, beleértve az eredeti oroszokat is, azokkal valóban akad probléma, nem túl megbízhatóak így ennyi idősen. -Meghajtók is lehettek cserélve, nézd meg őket! Az eredeti oroszok helyére bármi jó, ami elvisel 120-140V-ot. -Célszerű a paneleken lévő pár elkót is kiszórni, sok bosszúságtól megkíméled magad. Valamit még alkottam vele, de nem jut eszembe, talán a védelem reléje volt még kipusztulva, mindenesetre ezekkel a dolgokkal máris jobb lesz, azelőtt szervizről szervizre járt, most meg 3 éve teszi a dolgát, kap hideget-meleget, olyan igazi rugdosós végfok. Csak kicsit rá kell költeni, de szerintem egy hasonlóan kiherélt Castone-ra is el lehet szórni annyit.
Na akkor kérdezek én is, ismét a komplementer szimmetrikus FET-es végfok. Boltban nem kapni, csak IRF9530N-et. Vettem akkor mellé 530N-et, mindenki IR gyártmányú, levadásztam adatlapokat. Az N-es verziók kisebb rdson-nal bírnak, nagyobb áramterhelhetőséggel. Viszont míg a sima 530/9530 transzferkarakterisztikái viszonylag kultúráltan térnek el egymástól, az N-esekre ez nem mondható el, az 530N nagyságrenddel nagyobb meredekséget produkál, míg a 9530N alig tér el a 9530-tól. Ez végeredményben, ha az N-es párral dolgozok, a torzításnak nem fog jót tenni. Ellenben az 530+9530N remekül összeillik karakterisztika szerint, ebben az esetben lehetne gondolkozni a source köri ellenállások variálásán, beültetésén-elhagyásán. Mi a véleményetek?
Hi Mesterek.
Kérnék egy kis segítséget, szeretnék csinálni egy ilyet, és müv erősítő után Én még szeretnék rakni egy pár vatos erősítőt ami 8038ic-t kitudja "szolgálni" azaz 200Khz is legyen meg az erősítése. Találtam itt a topicba párat, szerintetek ez a fetes jó lesz? Vagy ha tudnátok jobbat, akkor azt megköszönném. Segítséget előre is köszönöm.
Nem értem a kérdésedet. A 8038-at nem kell kiszolgálni, az LF351 a kimenetet hajtja meg. A kinézett kapcsolás egy A-osztályú teljesítmény-végfokozat, aminek semmi értelmét nem látom itt alkalmazni. Az LF351 helyére egy az egyben berakható némi paneláttervezéssel például ez: LH0101. Hűtőborda nem kell neki ekkora teljesítményhez, teljesítmény-sávszélessége 300kHz.
sziasztok!
azzal a kérdéssel fordulnék hozzátok , hogy csinálni akarok egy kisebb hordozható "hangrendszert" egyik ismerősöm csinált egyet volt egy mélyláda és 2 magasugárzó, elég egyszerű szerkezet volt, csak hamar visszaadtam neki igy nem tudtam megnézni , hogy mi is van benne valójában. Azt tudom , hogy volt benne egy mély szűrő és egy magas szűrő, 12 v os akksiról üzemelt és nagyon jol szolt. Namost nekem az lenne a kérdésem hogy valaki tudna e berakni valami kapcsolási rajzot ide, eddig eljutottam itt a szűrő a mélynek , de kéne egy a magasnak is.Válaszotok előre is kösz Üdv. Figyelj jobban oda a helyesírásra. Action2K
Sziasztok!
Lenne egy érdekes problémám. Van egy TDA7250 és egy LM1036 összekötve és kis idő után elkezd pattogni finoman a jobb hangszóró. Kicsit adtam rá hangerőt és akkor meg a védelem 2 másodperc alatt 3x kattant és a led is villogott. Néha van olyan hogy bekapcsolás után elkezd lehalkulni szép lassan meg hullámozni a hang (erősebb, gyengébb). Na most előfok nélkül ezt nem csinálja. Tehát ott van a gubanc. De mi okozhatja ezt? Az LM1036 NE5532-vel volt megépítve de azt kiforrasztottam előle mert nem bírta a jelet. Az LM1036 és a TDA között is le van osztva a jel potméterrel, de az nem hiszem hogy beleszólhat a dologba. Szóval várom az ötleteket mitől lehet ez.
Sziasztok! Tudna nekem valaki ajánlani valami egyszerűbb 3-400w-os erőlködőt nyák és kapcsolási rajzzal együtt??
Előre is köszönök mindent.
Kösd le az előfokot és úgy vizslasd műsorjellel, hogy produkálja-e. Az 5532 pontosan mit nem bírt? Az az IC közel tápfeszig hajtható, illetve kivezérelhető és 600Ohm-ra simán rá tud dolgozni, kizárt, hogy ne legyen elég egy TDA7250 meghajtására..
helló
Tudna valaki segíteni egy sub-ládához szeretnék építeni egy erősítőt a hangszóró 80W. Milyen erősítőt építsek? Tud küldeni valaki rajzot hozzá?
Az NE5532 a bemeneti jelet nem bírta. Ha csak simán rákötöm az LM1036 elé akkor nem kell leosztani a feszt, viszont ha az 5532 elé kötöm akkor igen mert recseg ropog. (Egy Laptop a bemenet)
Na közben méregettem. És DC fesz. jelenik meg egy idő után. Szóval az csinálja ezt a pufogást vagy nemtudom minek nevezzem. Előfok nélkül nem csinálja. De majd mindjárt rákötöm a TDA7294-et és megnézzük azzal is ezt csinálja e. Szerintem a hangszínszabályzó a gond.
Sikerült felélesztenem az erősítőt, igaz primitív módon de megoldottam a tápfeszültség problémát, egyszerűen letekertem a szekunder ágakból, így most +/- 52v-on fut a táp a +/- 62 helyett.
Csak azt nem értem hogy ebben az erősítőben már több mint 10 éve ki lettek cserélve a tranyók. A végtranyók BD 249c-250c-re, a meghajtók BD243c-244c, és működött sokáig. Még én is sok bulit csináltam vele. (és azóta senki nem nyúlt hozzá!)
Rákötöttem az előfokra a TDA7294-et meg a mélynyomót és az is ezt csinálja. Úgyhogy 100% hogy az LM-mel van a baj. Nélküle mindegyik végfok jól működik.
Szia!
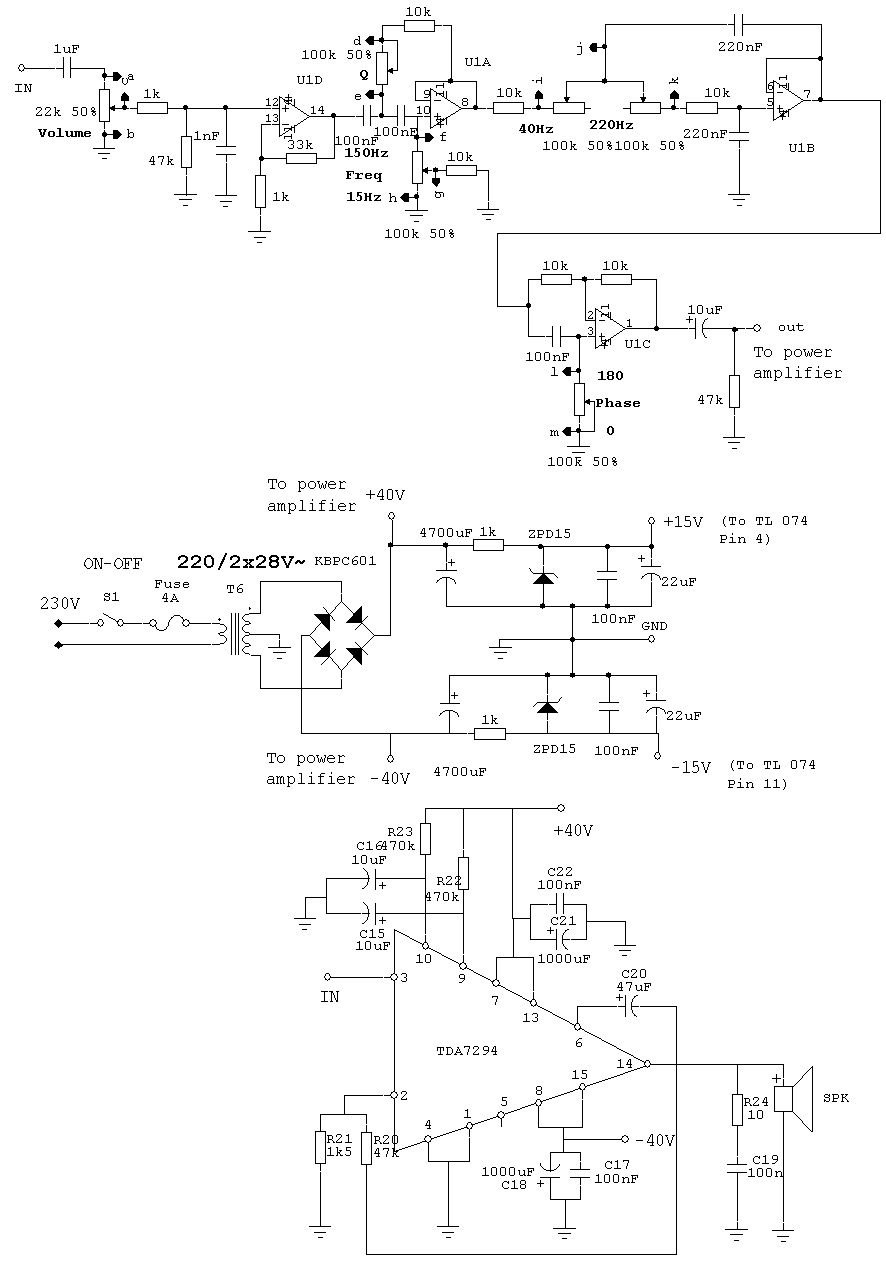
Ez egy komplett, sub váltós verzió, az eredeti doksik az oldalon is fellelhetők valahol a kapcsolások között.
Így névről nem értem mit jelent, de a bemeneten van 680mF fólia és a kimeneten van 4,7mF elko. Azt hiszem erre gondoltál.
Az igazság az, hogy 2 hete hétvégén összekötöttem az egészet és a + és - fordítva volt bekötve a végfok egyik illetve másik oldalán. Két helyről kapja helytakarékosság miatt. De össze is vannak kötve talán a panelen. Na mindegy. Ezért kivágta a biztosítékot és a TDA7250-et. Azt kicseréltem és szépen működik. És az előfok is azóta csinálja ezt. Egyszer már napokig hallgattam úgy hogy földön volt összerakva az egész (előfok, 2 végfok, szubszűrő). Lehet hogy akkor kapott valamit és ezért nem működik úgy ahogy kellene.
Rendben van köszi a segítséget. Majd kipróbálom.
Kösz a rajzot.
De ennek az ic nek van ára is. De elég volna kisseb is a 80W-os hangszóróhoz?
Sziasztok!
Balance potinak belehet kötni 25k potit? A hangerőszabályzó is 25k-s?
Miért ne lehetne, csak lineáris legyen.
Idézet: „tegyél csak oda is 680 n -t .” Akkor ne számítson semmi mélyhangra. Nem véletlenül tettek oda 4.7mF-os kondit.
Hoppá elírtamm én is
![]() µF-ra gondoltam... |
Bejelentkezés
Hirdetés |













