Fórum témák
» Több friss téma |
Mielőtt kérdezel, a következő két dolgot ellenőrizd!
I. A helyes tápfeszültségek megléte.
II. A kimeneten van-e egyenfeszültség.
Élesztés.
Ezen előerősítő egy Hx02-es Deckben található. A gondom az vele, hogy míg a linein bemenet tökéletes, addig ha egy jobb minőségű mikrofont csatlakoztatok, annak jele túl erős, és torzít, nomeg a zaj is kicsit sok. Nem igazán értem a koncepciót, mért így valósították meg, mely számomra a következőnek tűnik:
Ha a mikrofon nincs bedugva akkor a line bemenet kerül erősítésre a műverősítő invertáló bemenetén. (Ha jól gondolkodom akkor a mikrofonrész zaja ekkor is ott lenne a kimeneten.) Ha a mikrofon be van dugva akkor a mikrofon csati kapcsolója "letesteli" a line int, így csak a mikrofonjelét erősíti a nem invertáló bemeneten. Persze lehet, hogy tévedek... Kérdésem: Hogyan tudnám úgy lecsökkenteni a mikrofonerősítést, hogy a line in változatlan maradjon, és emellett az erősítés csökkentésével arányos zajcsökkentés is létrejöjjön? Tehát nem egy soros ellenállással a mikibemeneten, hanem pl a visszacsatolóellenállás és egyéb ellenállások változtatásával...
AV GAlaxis Szeged. Hogy legyen béke, végre.
Nem tartom megoldásnak azt, hogy az asztali kislámpa kapcsolóját bekondizom, mert zavarja az erősítőt, mivel nem tehetem ezt meg a szomszéd kapcsolóival és sógorom trabantjának a gyújtásával sem
![]() Egyébként van már kondenzátor a kislámpában, amikor megvettem az első dolgom volt rakni bele kondit, mert iszonyatosakat szikrázott, van itthon beépített ellenállásos kondim egy halommal, de nem szeretem, ha az erősítő ennyire összeszedi a zavarokat. Azóta persze megvan már a hiba, mert a hangerőszabályozóról a műveleti erősítő bemenetére vezetett kábel szedte össze a zajokat, mert csak az egyik végén volt bekötve az árnyékolás és úgytűnik az nem a leghatékonyabb megoldás. Idézet: „Nem kizárt, hogy a nagy dampinges erősitőket kivánja a hangfalad. Crown ( Amcron ) DC 300-as az kénne Neked. A FET-est is meglehet ilyenre csinálni” Nekem már van a melody féle 400W-os az tökéletesen megfelel.
Csá mindenki. Megcsapott engem is az erősítőmánia. Régen emlékszem tökre hurrogtam, hogy áá bakker mire jó az erősítő építés, semmi értelme. Azóta megbántam bűnömet és a rabjává váltam.
Kezdtem néhány 1w-os icssel. Nem voltam velük megelégedve, de kezdetben nagyon sok örömöt adtak utána jött a tdk2030 Egy nagy fokkal jobb, de azsem volt az igazi. Az ick mindíg is távol álltak tőlem. Olyan érzés icvel dolgozni mintha félig már valaki megépítette volna helyettem az erősítőt és az ilyet sose szerettem. Most építettem a héten legfrissebb munkámat egy 2*10 watt körüli AB osztályú tranyós erősítőt. NE5532-es előfokkal. Ez tetszik nagyon. Most ő az aktuális kiskedvenc a házban Sajnos nincs két valamire való kétutas hangszóró párom. Ezt a problémát kénytelen leszek hamar orvosolni.Azon kívül a tervem a következő lenne. Az "AB" osztályúból kiszerelem az előfokot és különállóan bedobozolom. Alkalmas lesz sokféle feszültségű jelet erősíteni a gitártól egészen a hangkártyáig és teszek elé egy lepke hangszínszabályozót. Mi a véleményetek? Nem akarok minden erősítőmnek külön előfokot gyártani, ezért készítenék egy kis bedobozolt előfokot amit majd használhatok mindhez ![]() Na páá
Egy soros ellenálással amúgy sem sokra mennél. Én azért megpróbálkoznék egy feszültségosztóval.
Egy mikrofon pár mV -os jelét ,vagy az mp3 200mV -ját és a vonalkimenet szintű 775mV -os jelet is ezzel az eszközzel akarod erősíteni? Meg lehet oldani ,hogy szabályozható legyen. A tied is úgy van kialakítva?
Mérnök, ill. guru urakat kérgezném, hogy az MKP, (polypropylen) vagy az MKS (Polystyrene) dielektrumú kondikat érdemesebb-e használni szűrőkörökben, ill. hidegítés, csatoló kondi gyanánt?
Kiváncsvá tettél mi az a melody ? Valami gyári holmi ? Vagy valakinek jól sült el a keze ?
Törd a fejed, mert ha a harisnya mindkét végét be kelett kötni, akkor valami nem oké a cucosodba
igen tudom, hogy mértékekkel eltér a jelerősség, de természetesen mindenképp úgy akarom majd megoldani, hogy szabályozni lehessen.
Mayan cikkje adta az ötletet az előerősítőhöz, azelőtt nem csináltam előfokokat. Bővebben: Link hasonló értékekkel építettem meg az előfokom én is. A külön bedobozoltat, majd úgy fogom, hogy lesz egy lineáris 15-50Mohmos poti az 1Mohmos ellenállás helyett és azzal lehet majd az erősítést szabályozni. Majd kiksérletezem mennyi kell neki. 1Mohm mellett a basszgitárom csak cincog rajta, lehet kell majd 100M is neki. Szerintem így működni fog.
Mivel a stiro, csak jellemzően 200nanoniig fordul elő _ez is rtika, nekem ugyan van 5mikrosom is 0.25%-os_ ez behatárolja a lehetőségeket.
Csatolónak, kompenzálásra a stirot, szürőnek, hidegiteni a PP-ét ajánlom
Köszi, A Wima is a PP ajánlja. Csatolónak a stiroflexet hol lehet beszerezni, ill. mi a jelölése?
Az R5 ellenállást cseréld ki nagyobbra.
1k esetén kb. felére esik az erősítés, 2k esetén kb. negyedére. E közben a Line erősítés csak néhány százalékot esik. De, ha ez gond (de tutti, hogy észre sem veszed), akkor amennyivel növeled R5 értékét, annyival csökkentsd R6 értékét. De ismétlem: felesleges.
Hát nem a legbonyorultabb kapcsolástecnika. Ha neked ez bejön és mindenféle cuccokat akarsz rákötni legalább csatolókondenzátorokat használj.
Bár már mellékeltem egyszer a kapcsolási rajzot, nem találtam és csak elfér már pár kilóbájt a hobbin
![]() Egyszerűen nem akart valamiért árnyékolásként működni, ha csak az egyik felét kötöttem be ami most jutott eszembe, hogy azért lehetett mert nem az erősítőről kötöttem, hanem a potiról hmm...
Ilyen nagy visszacsatoló ellenállást ne használj szerintem, mert nagyon zajos lesz, olyan parányi lesz a visszacsatolt jel hogy belezavar minden környezeti zaj. Pici jelekhez inkább egy egytranyós vagy fetes mikrofonerősítő kellene, vagy esetleg egy másik műveleti erősítős fokozat a normál elé. Pl. 2db 50szeres erősítés szorzata már 2500szoros erősítés lesz. Stb.
Az én előfokom: Bővebben: Link Azóta van benne egy plusz kapcsoló, amivel át lehet kapcsolni aktív vagy passzív módba. (a kimenetet az ic kimenetéről vagy a bemenetéről veszem) Meg szebb a be/ki kapcsoló.
Ez lesz a bibi. A vevő oldalon földeld, jónak kell lenni. Ha nem van még prücök
Sziasztok!
Már kerestem elég sokat, de nem találtam, szóval hátha valaki tud segíteni: Keresek Melody -féle 100-200W-os erősítő kapcsolást (8R) mély ládához. Erre ott lenne a The Big Voltus, csak ezzel meg az a gond hogy +-50V-ról döcög, nekem pedig +-37V áll rendelkezésemre. (Mondjuk a vég tranyók tokozása sem éppen a legjobb, de arra megoldást találni már nem nagy gond.) Legjobban valami Mosfet-es kapcsolásnak örülnék.
Evvel a tápfesszel bajos lesz az általad elvárt teljesítményt hozni.
Sajnos ez nem így működik ahogy elvárnád. Az erősítő tápfeszültsége határozza meg a maximális kimenő teljesítményt (persze ha a tápegység megfelelő terhelhetőségü)
+-37V-ból nem lehet ekkora teljesítmény csiholni max hidalással amire az általad csatolt kapcsolás is képes, de még az is nagyobb tápfeszültséget igényel.
Elkerüli a figyelmed, hogy a feszültség nem poénból magas, a nagyobb teljesítményű erősítőkben. Ugyanis van nekünk egy jó kis ohm törvényünk, amit elég nehéz megkerülni (legalábbis normál körülmények között).
Tehát ha két értéket megkötünk, akkor a harmadik már adódik ezekből. Azaz ha a feszültség adott, akkor az impedanciát kell csökkenteni, ha ragaszkodsz a teljesítményhez. Viszont ha a hangszóróhoz ragaszkodsz, akkor meg növelni kell a tápfeszt. Dönteni kell...
Hi!
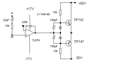
Egy ilyen kapcsolás mennyire zsákutca? Az alkatrészek értékei nem méretezettek csak "ott vannak". Kapcsolástechnikailag mennyire működne ez a dolog?
Na az jó, akkor lehet építenem valami jó kis invertert is, ami van az csak 2x37V-ot tud. Gondoltam hogy ez lesz, de azért megkérdeztem
Tehát akkor 50V-ra mennyire jó választás ez a kapcsolás? Nem igen találtam sehol semmi bővebbet róla, de tetszenek ezek a Melody féle kapcsolások, a 400-as és az 50-es Fet-es változatokból már sokat építettem és eddig mind beváltak, de azokról ha angolul is, de voltak némi leírások. Erről totál semmi.
Valószínüleg működne az, csak nem várható el tőle High End hangzás.
Nem kell high end hang , elég ha annyit tud mint egy ic .
Ötlet a kapcsoláshoz?
Hídba 8 ohm-ra kb. 300w-ot tud az általad mellékelt rajz.
Szerk.: De a végtranyókat ne cseréld le kisebbre! Jó lesz neki a +-37V.
Azt akartam neked írni, hogy szerintem az R5 nem hat a mikrofonrész erősítésére, aztán megnéztem a nem invertáló alapkapcsolást, és rájöttem igazad van.
(Én béna, meg pont az R6-ot és az R4-et csökkentettem, holott, ez csak részmegoldás... ) Holnap kipróbálom az R5 növelést. A vonal bemenet érzékenységének kis változásával ebben az esetben szerintem sem kell foglalkozni. Köszi.
Sziasztok tudom hogy nem idevaló a kérdésem , de nem találtam alkalmas topikot erre. Szóval adott 6V egyen tápfesz amiről párhuzamosan szeretnék egyszerre 70akárhány ledet (max80) , egy led kb 3.6 v-ot vesz fel és az összes ledem a számításaim alapján 1.6 A-t , ha jól számoltam kb. 3.75ohm-előtét ellenállást kell tennem hogy ne süssem meg a ledeket . Kérem aki ráér írjon privátot hogy hejes-e a számításom, vagy valamit mert sűrgős lenne , köszönöm szépen. Egyébként simson hátsó lápma lessz egyedi felirattal.
Pedig csak keresni kell , nézd
|
Bejelentkezés
Hirdetés |






utána jött a tdk2030 Egy nagy fokkal jobb, de azsem volt az igazi. Az ick mindíg is távol álltak tőlem. Olyan érzés icvel dolgozni mintha félig már valaki megépítette volna helyettem az erősítőt és az ilyet sose szerettem. Most építettem a héten legfrissebb munkámat egy 2*10 watt körüli AB osztályú tranyós erősítőt. 







