Fórum témák
» Több friss téma |
Fórum » Nagyfeszültség sorkimenő trafóval
Témaindító: (Felhasználó 1306), idő: Márc 1, 2006
Elég egyszerű módszer. Fénycső inverteren állítható a frekvencia 1KHz-től 30KHz-ig.
És az ki adja a gyújt feszt kb 1kV-ot illetve olyan12-14V-körül. Ezt rá raktam és hangtalan az ív.
Pár kép a mostani konstrukcióról. A nagy fekete az inverter vagyis freki generátor a 3db kondival ellátott a táp.
Most velemi kis 60kV-os trafó van rajta ami 230v 28KHz-en ment anno valamiben. Méreteihez képest elég szépen megy. Bár azt sem kétlem,hogy házi...
Ha már így variálsz próbáld inkább valami négyszöggenerátorral meghajtani a tranyót,így nagyobb ívet kaphatsz és a frekit is olyanra állíthatod amilyenre csak épp kedved szottyan,persze a meghajtandó trafó függvényében.Nemtudom milyen az a trafó amiről beszélsz,de szerintem használj inkább sorkimenőt,az a legtutibb.
Azt a kis piros trafót ki ütöttem. 30KHz-re fel tekertem a levegőbe csak úgy koronázott. Aztán húztam kb 15cm-es ívet ami kb 5cm-ről át húzott. De azután csak nagy fekete füstöt csinált. A sorkimenőt is rá tettem most 20menet primer 1mm vastag huzalból kb 5cm-es az ív de mikor 40menet van rajta akkor kb 10cm-re nő meg.
DE most picit abba hagyom mert már fáj a fejem a sok ózontól. Arra a kis trafóra még az éjjel rá tettem egy sokszorozót és kb 15-20cm-es pattogó világos kék szikrái voltak. Miután kész a sorkimenő végleges primer arra is rá teszem,hogy milyen.
Idézet: „Arra a kis trafóra még az éjjel rá tettem egy sokszorozót és kb 15-20cm-es pattogó világos kék szikrái voltak.” Csak szólok, ha 12-14kV-al többet nyomsz bele, tuti elromlik de fel is robbanhat. Én már köldtem másvilágra sokszorozót.
már nem is megy.
Majd még kísérletezek vele csak Hétfőn kel venni új feteket.
A sokszorozó nem megy, mivel gajra vágtad, vagy csak meguntad.
Tönkrement a meghajtás FET-jei?
Gajra vágtam.
Igen a meghajtás fetjei megunták. Kicsi volt a hűtés nekik. Egyébként IRF540 mindkettő. Elég durva dolgokat lehet kihozni egy jó sorkimenőből.
Én is gyilkoltam le 540-s feteket, most 740-s használok amik elég jól bírják.
Itt az adatlapja.
Nekem eddig 8db szált el. Mivel ha véletlen a meghajtóra rá kerül a nagyfesz azonnal el szaladnak a fetek.
Na ez ám az ív, csak nem az elektródákon alakult ki.Bővebben: Link
Üdvözletem!
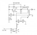
Van nekem egy sorkimenőm,valamilyen orosz TV-ből bontottam.Kedvet kaptam egy kis nagyfeszültséghez,csak nem igazán tudom hogyan kezdjek hozzá.Kezdetnek ezt a kapcsolást gondolnám.Vélemények?A másik pedig,nem igazán tudom hova kellene adnom a feszültséget,hogy legyen delej.Képeket mellékelek,remélem tudtok segíteni! Apropó,van még egy Videoton is.Melyiket használjam inkább? Köszönettel:Máté. U.I.:Képek
Szia. Ha van másik sorkimenőd ezeken kívül akkor inkább használd azt mert ezek csak kb. 9kV-ra vannak tekercselve, mivel egy sokszorozót hajtottak meg. De azért lerajzolom, hogy én melyik kivezetésekkel használtam. Visszacsatolót szerintem érdemesebb sajátkezüleg rátekerni.
Hali!
Köszönöm! Én is sejtettem,de nem voltam biztos.Van még egy monitor sorkimenőm.Ennyi.No majd kísérletezek! Még egyszer köszönöm:Máté.
Van BU208 és BU326A tipusú tranyóm.Azokkal is ugyan így nézne ki a kapcsolás?Nem sokára kitermelem a monitorét és rakok fel képeket.
Kezdetben mindenki ezt a kapcsolást választja, pedig ennek igen rossz a hatásfoka, instabil a frekvenciája amikor berezeg.
Javaslom inkább az 555ös kapcsolást +Bd139, valamint But18A,But12A, kapcsoló tranzisztorral, ezek gyorsak nem melegednek annyira, villanypásztorokban, ionizátorban sokan használják évek óta. Azt tudni kell, mint már leírták előzőleg, ezek a vasmagok Tv.sorfrekvenciára vannak méretve, ezért 14KHz-16Khz en működnek hatékonyan, de 18,5KHz-en még jól teljesítenek, és nem sípolnak,15-18V tápfeszültségről sem. A But 40%os kitöltési tényezőjű +négyszög impulzussal a legjobb használni,ekkor nem melegszik annyira. Ezek a régi orosz színes tv.nf.tekercsek, csupán 5-6KV-ot tudnak leadni, annak idején volt szerencsém a tv-ben megmérni. Viszont fel lehet tekerni őket, 0,16mm.Cu-z-ból 7-8KV-ra, mivel a vasmag járomtávolsága 4-4,5cm. így elég sok hely van. Én már próbálkoztam tekercseléssel dupla szigetelésű 0,16ossal 4500T. fért rá, mégpedig úgy hogy a 10-ik sortól két réteg szigetelő papírt 0,10/ kapott minden feletti réteg, átütés kizárva. Az egyes sorok kezdete, vagyis jobb bal peremein 3-4mm. szig.távolságot hagytam, mint a gyáriaknál, az átütés kizárva, a vasmagra. Akár bekapcsolt állapotban megérinthetem, párás közegben is, nem húz át, nem pattog. A tekercselési munka kézzel történt, kb.1,5napig tartott, a menetek szorosan egymás mellé kerültek.
Köszönöm válaszod!
Egyelőre valami egyszerűbbet szeretnék,hogy ráérezzek az 'ízére'.Aztán ha tetszik,akkor komolyabban foglalkoznék vele.Meg tudnád mutatni a kapcsolást 555-el? Máté.
Amennyiben sikerül olyan sortrafót találni, vagy kreálnod ami alapból tud 7-8KV.ot, azt már könnyedén ötszörözni lehet, 5diódás kaszkád sokszorozóval, már csak a nf. diódák és a nf. kondik feszültség tűrése, no meg a türelmed szab határt.
Mármint hogyan tudod kiszigetelni egymástól egy bakelitlapon az alkatrészeket. Nekem 30Kv-ig sikerült, barna textilbakelit, kompozit műgyanta ragasztó segítségével.
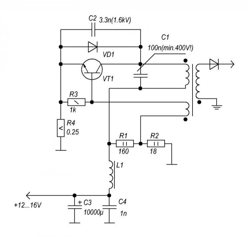
A BU326A tranzisztort ajánlanám. A kapcsolás helyett inkább Hodinka kapcsolását ajánlanám mert az tuti, hogy jól fog müködni. Ha elsőre nem fog elindulni akkor a visszacsatoló tekercs kivezetéseit meg kell cserélni.
Csak 7-8KV -nál lehet alkalmazni a sokszorozót?A mostaninál ne is próbálkozzak ilyennel?
B.I.:Köszönöm! Diódának,illetve tekercsnek milyet használjak(L1)?Illetve az ellenállásokon mik azok a vonalkák? Máté.
A sokszorozóval nagyobb feszt. is lehet sokszorozni de akkor nagyobb fesztürésü kondik és diódák kellenek bele.
Mielőtt hozzá kezednél, javaslom hogy tudj meg egy kicsit többet a nagy feszültségről, valamint nyálazd át ezt a topicot.
Jah ha véletlenül az, szét is éghet az ujjad, vagy rosszabb. Idézet: „Ezek a régi orosz színes tv.nf.tekercsek, csupán 5-6KV-ot tudnak leadni, annak idején volt szerencsém a tv-ben megmérni.” Miért vagy ebben ennyire biztos.Az említett „TBC-110ПЦ15” típusu sorkimenők köztudottan 9kV-ra voltak tervezve anno,amelyek az ”УН9/27-1,3”-as sokszorozók meghajtására szolgáltak.Ha esetleg nekem nemhiszel,akkor van itthon egy könyvespolcnyi elektronikával és TV szereléssel foglalkozó orosz szakkönyv amelyekben többekközt erről is szó esik. A mért értéknek és a tervezett értéknek nem feltétlen ugyanazt kell jelentenie,olykor lehetnek eltérések is.Szekunderköri feszültségesés például a meghajtó áramkör miatt is könnyedén előfordulhatott.Egyébként mivel mérted meg?Mert ma már vannak kizárólag erre a célra kifejlesztett nagyfeszültségű mérőfejek multiméterekhez és szkópokhoz egyaránt. Üdv! Idézet: „Kezdetnek ezt a kapcsolást gondolnám.Vélemények?” Ha beéred egy nyekergő valamivel,amiből legjobb esetben is néhányszor tíz μA-es ívet is csak kínok kínjával kell majd kipréselj,akkor építsd meg,de ha netán ettől valamivel látványosabb eredményt szeretnél,akkor kezd el mindjárt a zvs-t.
Köszönöm a választ! Mint írtam volt,ez csak egy első próbának számítana,megnézném működik-e stb.Az említett sokszorozót is kimentettem a TV-ből.Esetleg tudnám ezt hasznosítani?Apropó, a ferritre a tekercset mindenképpen rézből készítsem?Mert van itthon bontott PC tápból sodrott,szigetelt, ezüstös színű kábel.Ha már itt tartunk:Egy eres vagy sodrott vezetéket használjak?
Köszönettel:Máté. U.I.:Egy zvs rajzot tudnál mutatni?
Az a sodrott, szigetelt vezeték is rézből van, csak ónozott szálakból áll és ezért van ezüstös színe.
Köszönöm! A végein tényleg látszik a réz.Akkor használhatom ezt?
Lényegében igen, az ónozott, sodort rézvezeték annyiban, jó hogy külsején lévő szigetelés 3-4 száz voltos ütésvédelemmel van ellátva. A PC táp vezetékek az egyik kedvencem, mert 10-15 A-t is elbír.
Itt egy ZVS kapcsolás. Csak neked. Javaslom hogy nézd át a FET-ről szóló szakirodalmat, mert egy kicsit más tulajdonságúak, mint a tranzisztorok. Ja, a FET-s cuccok nem igazán szeretik a "búgós" tápokat, ugye érted mire gondolok.
Lehet sokszorozót használni 1-2KV-ra is, de nem hagyományos By133, vagy 1N....sorozatú diódákkal.
Hanem nf. un.HV.diódákkal, a használt bontott mikróból kinyert diódák a legjobbak, /szinte sosem megy tönkre/ de teljesen jók a régi orosz, színes Tv-sokszorozókból kinyert hosszúkás szelén ceruzák,5db.van egy pakkban. Ezek 15-18KV-os diódák darabonként. Én jelenleg 1SK 30, jelűt használok, ezt még a MEV gyártotta 87-ben, 10KV/30mA, tud, sárga csíkos fekete,12mm.hosszú. 100db.ot a vaterán vettem, valami öreg, elhunyt szerelő örökségéből maradt vissza. Sajnos ezeket mivel kísérleti jelleggel korlátozott számban gyártották, már nem lehet beszerezni sehol. Az 555-ös rajz több helyen fent van a fórumon, azt hiszem az ionizátor topic-ban, valahol az elején. |
Bejelentkezés
Hirdetés |














