Fórum témák
» Több friss téma |
Fórum » Csöves erősítő készítése
Ne feledd betartani a fórum viselkedési szabályait, és a topik megmaradásának feltételeit. [link]
A téma átmenetileg fagyasztva lett, hozzászólni nem tudsz!
Nos a légrést megnöveltem a duplájára (két réteg prespánpapír van most a vasak között).
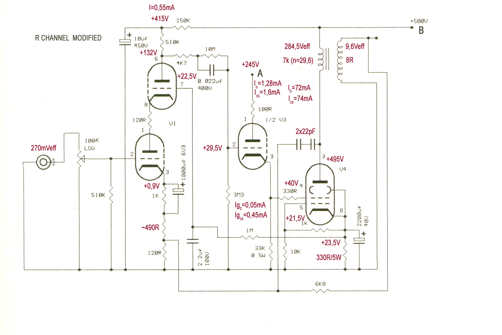
Végigmértem mégegyszer mindent. A rajzon feltüntett értékeket kaptam, a jelalakokat mellékeltem. A kimenő után mért jelnél persze dupla érzékenységüre állítottam a szkópot, ott 5V/DIV. A katódellenállás növelésére egy köztes megoldást választottam, ami nem befolyásolja érdemben a hurokvisszacsatolást. Megmondom őszintén nem ilyen jelalakokra számítottam. A 6C33C SE-nél a meghajtó 6E5P után kívánni sem lehetne szebb négyszögjeleket a teljes hangfrekis tartományban. Mindamellett még sohasem volt dolgom teljesen DC csatolt erősítővel. Itt minden mindennel összefügg és együtt mozog, bárhol is nyúlok bele. (Könnyebb dolgom lenne, ha NAGYEVIZ még látogatná az oldalt, állítása szerint Ő többet is összerakott ebből a kapcsolásból...)
Idézet: „Nálam minden saját gyártmány , kivétel most a festés azt szakműhelyben végezték.” Mert a saját gyártmányaid nem szakműhelyben szakember által készítettek?! Nem hiszem, hogy a festő nagyobb mestere lenne a szakmájának mint Te a tiédnek...
Irtam annakidején, hogy az EAR859 egy kihegyezett kapcsolás, minden befolyásol mindent. (mondjuk ez minden erősítőre igaz, csak némelyik toleránsabb)
1. Nem véletlen, hogy csak ez az EAR rajz publikus (trafó nélkül!) 2. Az ENHANCED TRIODE mód csak torzítás szempontjából jobb?? beállítása a pentónak/sugártetródának. Hátrány: A belső elllenállás nagy, inkább a pentóda, mint a trióda, és nagy rácsáramot kíván, mindenhol min. katódkövető a meghajtás. 3. Tizenegykét Wattot az 509 cső sima triódának kötve is tud.
Sajnos a mi kutyánk ennyire nem muzikális, csak ugatja a zenét...
Tudom, többször is írtad... Nem akarok én ebből a kapcsolásból többet kivenni mint amit már így is tud. A 92dB-es hangdobozaimhoz már így is több mint elég. Mindössze azt szeretném tudni, mi a helyes beállítása ennek a csőnek ezzel a kapcsolással.
Több fórumon is elhangzott az a vélemény, hogy a DC csatolt erősítők jobbak (ha nem a legjobbak) az erősítők között, ehhez képest a mérési eredmények kicsit alulmúlják a várakozásaimat. Te is mutattál több kapcsolást is ahol ezt a csövet hasonló módon használták. Most már elég sok idő és anyag áll ebben a kapcsolásban, hogy csak úgy leseperjem az asztalról (pedig az egész csak négy tévedésből vásárolt magnovál foglalattal kezdődött)...
A végcső jó! A végig DC csatolás szerintem nem OK. Ha meg készen van a mechanika, az szintén nem probléma, sőt jó. Kisérletezni lehet és kell. Ha érdekel, Karácsony idején tervezek kiindulásnak egy kapcsolást, márcsak azért is , mert engem is érdekel.
NE ESS PÁNIKBA!
Dehogy van készen a mechanika. Nálam csak akkor készül a doboz, ha már deszkamodell szinten minden rendben van, és ha már a család is elunta, hogy kerülgetnie kell a zeneszobában egy nem éppen veszélytelen "drótkupacot".
Az anódsapkás változat azért némiképpen különbözik ettől az oktálfoglalatostól. Ennél a "terelőrácsot" nem hozza ki külön lábra, hanem belül összeköti a katóddal. Egy pár Tungsram PL509-em nekem is akad, de a Svetlanákon kívül inkább 6P45C-ből vagyok jobban eleresztve...
Az a baj, hogy az orosz 509/1 (6P45) és a 2 jelű anódsapka nélküli változat nem biztos, hogy azonos jelleggörbékel és tűréssel bír, mint az eredeti EL/PL509. De ezt be lehet állítani, korrigálni. Csak az EAR509-ben nehéz. TIM P. valószínúleg válogatott alapanyaggal dolgozott, ehhez gyártotta a nem publikus trafóját. Páldául az eredet kapcsolási rajzban miért PCC88- van? Ködösítés, vagy tudatos?
Szerintem a TU a 10.000 órás garanciával, 12% kisebb anód disszipációval nem okoz hallható ZENEI TELJESÍTMÉNY különbséget. Amúgy az orosz 6P45SZ és az EL 509/2 robosztus , teszek fel képet a "boncolásról". De nem biztos, hogy csak ez számít..
Az oroszok mintha kicsit vaskosabbra tervezték volna a csövüket.
Hát az biztos, hogy mind a két orosz változatnak nagyobb az anódlemeze, nem véletlenül enged meg ezekre nagyobb disszipációt. Ebben a beállításban eredményesen használták a cső minden változatát. Ez is DC csatolt (bár csak 8W-ot igér), de ehhez nem jók a trafóim. (Igaz hogy egyenlőre éppen azért mert nincs végleges állapot nem is készült belőlük csak egy-egy darab...)
A kimenő Ra értéke első közelítésben triódánál a tápfeszültség függvénye. Hogy ne untassuk a közönséget, írd le PÜ-ben milyen alkatrészek vannak. Kitalálunk valamit.
Most nincs itt az összehasonlító kép, de a legkisebb anóddal a GU50 rendelkezik, 40 W disszipációval..
A burája is sugalja az eröt, nemcsak a bele
A 10000 órás csöveknek teljesen más a katódbevonatuk, biztos ezért szólnak rosszabul mint a mezeik.
De az teljesen más anyag, teknologia. A katonaság birta a költséget
Van igazság a fenti két hozzászólásban..
Sziasztok!
Nincs véletlen valakinek egy db. novál forrasztható hosszú lábú foglalata eladó?? Csak mintának kéne apámnak, mert nekem csak kitermelt gányolt vackaim vannak..
Szia nem igazán a kapcsolás viszi a Hangot és a minmőséget.Inkább a cső tulajdonsága legyen fontos. A Legjobb Cső ami erősítőbe szóba jöhet az EL84 2DB 15-17 Watt 4 db 30 - 40 Watt. Aztán EL34 Vgy KT66, KT88, KT100.A Következő a jó kimenőtranszformátor.Viszont nem szabad elhanyagolni csöves cucc építésénél a Triódákat.300B, 2A3, PX25, 6C33C-B.Ezek a csövek zsebre teszik a félvezetőket.
üdv
Ezeket már mind tudjuk , sajnos elkéstél legalább 4 évet ugyan is 4 éves hozzászólásra sikerült reagálnod!
Megszólalt a pcl86pp erősítőm. Kb egy éve meg volt már a kimenő, csak akkor kudarcba fulladt az építés valami miatt és szétbontottam. Tegnap gondolkoztam ,hogy ott áll a pcl86se erősítő, nem használom és kipróbálásra átépítem pp-re. előkerestem a kimenőt, átalakítottam és megszólalt egyből.
M65-ös magon van a kimenő, elég jó hangja van, bár még nem próbáltam hangosabban, majd az később jön. Mély hangok is megvannak, talán még jobban, mint a Gu50se-nél. ha jól fog teljesíteni, akkor majd elkészül sztereóban is és dobozt is kap.
Na azért nem csak ezek a csövek vannak! Sokan építünk sok más csőből szebbnél szebb hangú erősítőket. (Pl PCL86-tal) De semelyik cső sem elvetendő, az agyon szidott szegény PCL85-ből csináltam olyan erősítőt, ami nekem tetszik. Lehet, hogy más leszólná, de a képkimenőkkel hatalmas és szép mélyei vannak, közepe is rendben van, a magasait talán túl vágja, de nekem tetszik így is.
Helló!
Gu50se-t kezdtem el szkóppal méregetni ,hogy miért is nincs mély hang. Kiderült, hogy az előfok még jó, de a Gu50 anódján már alacsony frekin esik a jel, nem is keveset. 300Hz alatt hirtelen esik a kimenő jelszint, 100Hz-nél már alig van jel. A Gu rácsán még tökéletes a jel minden frekin, de az anódján már nem. Mi lehet a gond?
Nézd meg a kimenő primerjét, hogy jól kötötted-e össze a tekercseket.(Kezdő/vég pontok)Ellenőrizd a légrést, mérj induktivitást a primeren.
Elvégeztem a négyszögjeles mérést én is egy általam tekert TK157-en, egy ilyen kapcsolásban Jolida
6550-es végcsövekkel, UL. bekötéssel. Az NVCS nincs belőve, mert általában én úgy cserélgetem a kimenőket mint más az alsógatyát. Szóval nekem nincs (akkora) púp a tetején. NVCS belövésével biztos javítani lehetne rajta.
Átkötöttem a végcsövet triódába és sokkal jobb lett. Most 100Hz alatt kezd csökkenni a jel nagysága. Afölött nagyjából állandó értékű. Hangra is jobb lett, csak kicsit nagyobb jellel kell kivezérelni.
Ha van egy 9-10 V-ost hálózatid, akkor kösd rá a trafó szekunderére , mérd meg pontosan mennyi és mérd meg hogy mekkora feszre tolja fel primer oldalon.
Szia Mester!
Elkezdtem (rendesen) összerakni a 6KD6 erőlködőmet, árnyékolt rácsbekötések, méretre szabott huzalozás, stb és csoda vagy sem, 61W tiszta szinuszt leadott 8 Ohm-ra ... majd ki ugrottam a bőrömből Mit szólsz hozzá? Ezeken az apróságokon is múlhatott az a plusz 11W ? Vagy inkább annak tudható be, hogy megemeltem a nyugalmit 40-ről 50mA-re?... most már nem állítgatok semmit rajta, végre így marad.
Tehát 22 V-ot mértél. Mivel mérted ? Mekkora frekvencián ?
Hali!
Mértem a szkópon is (Vpp) és multiméteren is, ami AC módban kb 7kHz-ig pontos. Az átvitelén nem tapasztaltam változást, talán csak az alján egy keveset, azaz 70-től 16k-ig nem változik az amplitúdó a teljes (torzítatlan) kivezérlésen. 22,6V-nál kezdett karcsúsodni a szinusz dereka, majd laposodni a teteje Ez már jó eredmény egy pár 6KD6-tól, 420V-ról ugye?
Biztos le van írva itt előbb valahol, de milyen áttételű a kimenő ? Milyen vason van?
Mert ez tényleg nagyon szép eredmény.
3,5k/8-16 Ohm-os. Fleta féle toroid és a hangja is király
|
Bejelentkezés
Hirdetés |








M65-ös magon van a kimenő, elég jó hangja van, bár még nem próbáltam hangosabban, majd az később jön. Mély hangok is megvannak, talán még jobban, mint a Gu50se-nél. ha jól fog teljesíteni, akkor majd elkészül sztereóban is és dobozt is kap.



