Fórum témák
» Több friss téma |
- Ez a felület kizárólag, az elektronikában kezdők kérdéseinek van fenntartva és nem elfelejtve, hogy hobbielektronika a fórumunk!
- Ami tehát azt jelenti, hogy a nagymama bevásárlását nem itt beszéljük meg, ill. ez nem üzenőfal! - Kerülendő az olyan kérdés, amit egy másik meglévő (több mint 17000 van), témában kellene kitárgyalni! - És végül büntetés terhe mellett kerülendő az MSN és egyéb szleng, a magyar helyesírás mellőzése, beleértve a mondateleji nagybetűket is!
Köszönöm szépen a válaszod és a segítséget! Marad a "földes" verzió
![]() Szép napot
Sziasztok...
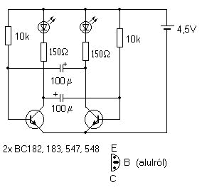
Szétkaptam egy dzseblámpát mert nem töltődött... Gondoltam akkor majd jók lesznek a ledek stb... Az a problémám hogy az ellenállásokra a multiméter nem mutat semmit semilyen mérés tartományban (a lenntiek). Mi lehet? illetve a ledek tulajdonságait hogy tudhatom meg multiméterrel? Előre is köszi...
Ha jól látom csak egy ellenállás van a ledek alatt. Az alsó panelen az 6 dióda és vaéószinűleg egy kondenzátor
Mivel kezdő vagyok így becsaptak a diódák...Miképp vizsgállhatóak multiméterrel?
Szia van egy dióda jelű rész a multiméteren.Ha nincs akkor tedd 2kOhm os méréstartományba és a fekete mérőt tedd a fekete végéhez(negatív) És a pirosat a másikhoz.Ha nem mutat semmit akkor próbáld meg fordítva(lehet hogy fordítva kötötted be a mérővezetéket) Ha így sem mutat semmit akkor meghalt a dióda.Kb 500 ohmot kell mutatnia.
Köszönöm szépen...
A m.méteren volt dióda tester... Még annyit , hogy a mutattott érték az mit jelöl?
Üdv! Lehet hogy már volt ilyen kérdés de a tip 31-et mivel lehet helyettesíteni ?
Szia!
Ha dióda állásban mérsz, akkor a dióda nyitófeszültségét mutatja a kijelző.
Szia!
BD241-el, de a szám utáni betűjelzés (A,B,C) is fontos.
Ezzekel lehet valamit kezdeni TDA2030A [ebből valami villogót??] és YWSOE8TE??
Hello!
Most István addig találgasson, míg el nem találja mi van a fiókodban, vagy megnézed az adatlapokat? üdv! proli007[OFF]
Persze próbáld megépíteni a 2 ledes abstabil multivibrátoros villogót egyszerű és pár perc alatt kész van szerintem biztos működik vele!
Nem kezdőként lenne egy kezdő kérdésem. Mivel nem láttam erről témát, így ide írok.
Tehát a mikrókban lévő csillám jó tranzisztorok alá szigetelésnek? Hővezetés szempontjából megfelelő? Inkább a hővezetés lenne a lényeg, tehát erre irányul a kérdésem.
üdv valaki segítsem abba hogy a CD4017 es ic-t lehet e valéamivel helyettesíteni és ha igen akk melyik az ? fontos lenne köszi
a hestorén van tehát annyira nem is fontos helyettesíteni :hide:
köszi a választ te 2 db olyan kellene meg egy poti azt meg nem éri meg még 800 ft-t fizetni hogy kihozzák. azért kérdeztem
Hú, de jókat tudsz kérdezni.
Szerintem, a csillám, az csillám. Ez ugyanis egy speciális kőzetfajta. Az eltérés csak a vastagságukban van. Azaz, a kifejezetten tranyók alá "gyártott" jóval vékonyabb. Ezáltal a hőszigetelő képessége is jóval kisebb.
Épp ezért kérdeztem, mert ez elég vastag és félek, hogy a tranyók hamarabb megpusztulnak így.
Viszont a furatot bele, és a méretre vágást (felaprítást) még akkor kellene végezni, amíg vastag, mert úgy nem olyan sérülékeny.
Akkor sajna nemtudom de majd az okosak biztos mondanak valamit. :yes:
Aprítás és furatok már megvannak, ha az aprítás abból áll, hogy le van vágva egy 10X5-ös darab belőle. Egy kis darabon majd megpróbálom szétszedni. Remélem szét lehet szedni roncsolás mentesen.
Sziasztok!
Volt valamelyik topicban belinkelve egy párhuzamos portot vezérlő program, amit sajnos nem tudok megtalálni. Valaki nem emlékszik rá véletlenül, hogy hol van?
Szia!
Az IO.DLL kellene, vagy egy komplettebb alkalmazás?
Szia!
Így néztem, csak nem találtam rá. Ha jól emlékszem a program segítségével kb. 3-4 lábát lehetett 1-be, vagy 0-ba állítani a portnak, ennyi volt az összes tudása.
Sziasztok!
Egy 220V/ 2050W-os mosogép fütöszálnak kb hány ohmosnak kel lenni? Mert az emberke 5Mohmot mért. Az egy kicsit sok, szerintem. Hogyis lehet euzt kiszámitani? Köszi
Hello!
Akkor az sajnos szakadt. A teljesítményt megkapjuk, ha a feszültség négyzetét elosztjuk az ellenállással. P=U^2/R (remélem a képletet már át tudod rendezni. üdv! proli007
Sziasztok.
Van egy scart-vga kábelem amivel a beltéri és az lcd tv-t szeretném összekötni. Természetesen nincs kép ![]() Ez csak egy aktív elektronikai kütyüvel megolható? Sima kábellel nem? Van értelme megtoldani egy vga-dvi átalakítóval hogy a tv HDMI bemenetével kipróbáljam?
Készíteni szeretnék egy zenére villogó led-sort. Megvettem az alkatrészeket, és a 3.5 jack dugót is. JACK és nem tudom, hogy mit , hogy kell odaforrasztani, hogy működjön. Ha tudtok, segítsetek ! Köszike
|
Bejelentkezés
Hirdetés |







Szerintem, a csillám, az csillám. Ez ugyanis egy speciális kőzetfajta. Az eltérés csak a vastagságukban van. Azaz, a kifejezetten tranyók alá "gyártott" jóval vékonyabb. Ezáltal a hőszigetelő képessége is jóval kisebb.





