Fórum témák
» Több friss téma |
Fórum » Varázsszemes kivezérlésjelző
Hello! A képen láthatót szeretném megépíteni.Egyáltalán működik?És nem tudom,hogy a lábak számát honnan nézem(alulról,felülről)?És,hogy tudok létrehozni 150VDC-t?
Ez így sajnos önállóan kevés lesz , a táp feszültség adat is rosszul van megadva az nem 150 Volt hanem 250 .Itt sok mindent megtudsz. a varázsszemekről , de javaslom a FET -es áramkör után építését , az kb vonalszintről már megy .
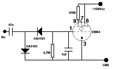
Em84 lábkiosztás itt látható
A lábkiosztást nem értem.Ezt már láttam,de alulról kell nézni vagy beültetve?Szerintem alulról,balról jobbra növekedve,ugye?Jó a 250V úgy,hogy 230V egyenirányítva?
Csőbekötés mindig a lábak felől (alulról) balról jobbra a szünet után. A 230V egyenirányítva 250V-ra két dolog miatt nem jó:
1, Ha a 230V rögtön a falból jön nem jó: bár voltak talán rádiók, amik így működtek, de ez életveszélyes! Rámarkolsz, valószínűleg nyomot hagy benned. 2, 230VAC egyenirányítva több mint 300VDC, ami ugye nem jó. A cső nem hinném, hogy sokáig bírná. Amúgy is érdemes picit kisebb feszültséggel táplálni, nem lesz olyan fényes, de tovább él. Építs hozzá DC-DC konvertert, amit fel tudsz tekerni akár 230VDC-re is (van itt valahol nixie csövekhez NE555-el és egy FET-el). Az nem tudom, hogy tisztában vagy-e vele, hogy kell még 6,3V (egyen vagy váltó), ami a csövet fűti általában a 4-5-ös lábakra. CIROKL linkjén a Gt az 1. láb, az iV a 2., k,g1 a 3. stb. A két "f"-re jön a 6,3V fűtés ,ami valahol 270mA környékén lesz (kb. 2,5W).
Készítettem egy rajzot az EM80-hoz, mert nekem is van vagy három darabom.
Nagyon tuti a rajz de én kiegészíteném az AC résznél egy trafó jelöléssel mert mindig van aki a hálózatra szeretné kötni ! Amit itt a kezdők és a haladók részére is nagyon ki kell hangsúlyozni hogy ezt az áramkört szigorúan TILOS a hálózati feszültségre kötni , a saját és más testi épsége érdekében ! Szigorúan csak is leválasztó transzformátorról , vagy a haladók már építhetnek hozzá DC-DC konvertert is .
Nekem Em84-em van.De a rajzodon 230-ról megy?Mert bakos13gab azt írta,hogy úgy nem jó.Akkor,hogy van ez?
De a rajzon miért nem mutatja a fűtőfeszt?Le####ták,hogy valaki meg is akarja épíeni?
És mire való a fűtő fesz?
Már javasoltam az elektroncson fönt lévő cikk el olvasását .
Viszont javasolnám az elektroncsövekről is olvass mert ez nem játék , itt nagyfeszültséggel működő alkatrészről van szó ami nem szórakozás ,itt nagyon nagy odafigyeléssel kell eljárni , mint az előbb is írtam a saját és más testi épségét megóvni , nem hinném hogy akár kit is megszeretnél rázatni a 200-250 DC -vel ! " De a rajzon miért nem mutatja a fűtő feszt" Ezt nem szoktuk külön kiemelni általában a csöves dogokat már az olyan emberek építgetik akik már láttak olyat , aki ránéz egy kapcsolási rajzra és tudja hogy ez csöves és akkor természetesen azt is fogja tudni hogy az elektroncső működéséhez fűtő feszültségre is szükség van .
Rendben! Védelmi szabályokat betartva próbálom ki.és ha kész bedobozolva lesz.És akkor a rajzon jó?És valaki áttudni küldeni a layout makrosát a csőnek(.LMK kiterjesztés)?És ez a csőfoglalat jó hozzá?És nem tehetek róla,hogy nem értek annyira a csövekhez
Hát a fűtés a csöves technikában evidens (na nem mindig kell ám
). Nem kell izgulni, kicsit több, mint egy éve én sem tudtam még ezeket. A 230V így önmagában nem mond semmit, mert a suffixum, hogy egyen vagy váltó sokat jelent ám! Szóval ez a cső optimálisan 250V egyenárammal megy. Azért írtam a kevesebbet, mert ezeket nehéz már beszerezni és ne nyírd ki olyan gyorsan. Szóval itt az oldalon a kapcsolásoknál van egy leírás erről. A táp legegyszerűbben két trafóval oldható meg. Kell egy olyan, ami a 230V-ból 6V-ot csinál. erre kötheted a 4-5 lábakat, lesz fűtésed. Na most szerzel egy 230/8-9V-os trafót és a 6V-ossal szembefordítod, úgy hogy annak a 9V-os tekercse menjen az előző 6V-jára. Ez visszatranszformálja a feszültséget az áttételnek megfelelően, amit egy graetz-el (nagyfeszültségre vigyázni!) egyenirányítasz és teszel rá egy valamekkora 400V-os elkot (szerintem néhány tíz mikrofarád elég). Innentől már a rajzot kell követni. Azért a trafók leválasztók legyenek, de szerintem pár wattos nyáktrafók is jók a célra (azért a 230V/6V legyen picit izmosabb).Nekem eddig csak DC-DC konverterről ment még (9V-os elemről) EM71, de rendes üzemben nincs egy darabom se. Úgy képzeld el a csövet, mint egy lámpát (így is hívják őket). Ahhoz, hogy az elektronok ki tudjanak lépni a katódból, gerjeszteni kell őket. Ezért fűtik fel. E nélkül normál üzemben nem záródik az áramkör. Olvass utána, én is csak a minimumot tudom, de EZ A TUDÁS KELL, hogy ne csinálj hülyeséget. Jobb esetben csak a cső hal meg, rosszabb esetben esetleg Te. Ezt a cikket olvasd el mindenekelőtt, ez az alap. Ha ezt leköveted, akkor lesz egy jól működő szerkezeted. A linkelt foglalat jó hozzá, de szeritnem aranyért mérik. Kísérletezéshez próbálj meg szerezni egyet pár száz forintért. Ilyet kész csöves erősítőbe raknék.
És akkor jó 250VDc helyett mondjuk 200Vdc?És a fűtőfesz mehet mondjuk 4 ceruzaelemről?És a fűtőfesznél is jobb egy kicsit kevesebbet használni?
Hát szerintem elmehet 200Vdc-ről is, de inkább közelebb a 250Vdc-hez, az a gyártásnál tervezett üzemi feszültsége, nem érdemes pár tíz voltnál nála lejjebb menni. Ha már tápot építesz, akkor ezt vedd figyelembe. Az adatlapja minimum 170V-ot ír a világító ernyőhöz.
A fűtőfeszt nem hiszem, hogy 4 ceruzaelem megfelelően képes lenne szolgáltatni, mert terhelés alatt nem jön ki belőlük 1,5V (kipróbálni jó lehet). A fűtésre általános szabály: a csöves holmik nem tolerálják se az alulfűtést, se a túlfűtést. olyan 10%-on belül még elmegy (tehát 5,8V és 6,8V között). Itt szerintem minden élettartam kérdése. Ha azt akarod, hogy hosszú életű legyen, akkor minél inkább a 6,3V-ot érdemes tartani, ami lehet váltó vagy egyenáram is. Ha nagyon nincs ilyen trafód, csak mondjuk 9V-os, akkor inkább egyenirányítsd és egy állítható lm317-el vagy 7805-ös 5V-os stabilizátorral adjál neki fűtést, aminek a földjét két diódával kb. 1,3V-al elemeled a földpotenciáltól (így 6,3V körül szolgáltat), de ez a bonyolult megoldás.
Köszi.értem.Hestore-on nézegetem a trafókat.Pl.:2*6V 4VA 230V.Ez azt jelenti hogy csak egy szekunder 4W-ot tud adni,vagy egy 2W-ot és akkor kettőre vonatkozik?Az jobb lenne ha az ernyőfesz és a fűtő is külön sec-ről menne?
Ha így van megadva, akkor általában a teljes terhelhetőség, tehát áganként 2W. Ez a trafó szerintem éppen csak elég, a cső teljesítményfelvétele 3W körüli fűtéssel, de ugye a fetes meghajtás is eszik minimálisan. Szóval az anódra jó ekkora, de első trafónak szerintem sovány, melegedni fog talán.
Nem akarok az oldal ellen beszélni, de ez brutálisan drága lenne, ha innen vennéd a trafókat+foglalatot. Ha nagyon nincs semmid, akkor inkább vatera. Szoktak lenni nyáktrafók. Ha egyébként itt tartunk, akkor inkább a DC-DC konverter, mert kb. 5-600 Ft-ból simán kijön és még állítható is. Vagy várj január 8.-ig és menj el a Puskás börzére, ott biztos találsz megfelelőt.
Küldenél ilyen DC/DC kapcs rajzot?
A cikkben, amit linkeltem ott van!
Bővebben: Link Nekem ez a nyáktervem hozzá, amit egy külföldi oldalról guberáltam. Bár az eredeti cikk nem ajánlja ezt a kapcsolást 200V fölé, azért el tud menni. Nem tudom, miért a korlátozás. A legfontosabb, hogy a kimeneti kondi 350-400V-os legyen!
Köszi.Akkor ezt megcsinálom.
Nézd meg esetleg ezt az oldalt is:Bővebben: Link Szerintem van itt több minden ami még jó lehet neked később is.
Idézet: „250VDc helyett mondjuk 200Vdc?És a fűtőfesz mehet mondjuk 4 ceruzaelemről” Egyik sem nem jó , először is ezek a kijelző csövek nagyon érzékenyek az anód feszültségre , ez azt jelenti hogy nem nagyon térjünk el az értékektől ha megfelelő fényerőt szeretnénk ,már 20 volt is nagyon drasztikusan érinti . Ezért ha lehet akkor ragaszkodjunk a 250Volt-hoz a fűtő feszültségnek sajnos a 4 darab ceruza elem az kevés vagyis úgy értem nem sokáig fog róla működni mert a 300mA áramfelvétel gyorsan lemeríti az elemeket , ide is transzformátor kell ezt nem lehet elspórolni sajnos , ha csak nem kísérletből szeretnéd ezt a ceruzás dolgot .
De valaki azt írta ne használjam teljes fesz-en,mert már nem lehet kapni.Akkor mit kell csökkenteni,hogy tovább tartson?És a rajzon a egyes és kettes trafó hány voltos kell legyen?
No bérajzoltam, mert látom hogy valóban nem egyértelmű egyesek számára.
Kösz Laci ! Ez nagyon tuti tényleg mivel csináltad?
Azt nekem is ajánlották, hogy picit csökkentsem a feszültséget. Tíz-húsz voltig a fényerő nem csökken jelentősen. A 250Vdc a katalógusadat, ezt a csőnek el kell viselnie és ez a normális működési tartománya is. Tulajdonképpen arra céloztam, hogy ne számold ki csontra, ha nem stabilizálod.
CIROKL tapasztalatit nyugodtan veheted irányadónak, mert már számtalan ilyen holmit épített sikerrel. A csöves topicban találsz a meghajtáshoz nyáktervet (igaz sztereó, de ki tudja...). Az egészet összerakhatod akár egy panelen is, de én a csőfoglalat környékén a légszerelést ajánlanám (de ez ízlés kérdése). És természetesen vigyázz rá, mert ezek már "különleges" csövek, egyre nehezebb lesz őket beszerezni itthon.
A táp kb. így pontos. Mivel a második trafó szekunderét harmadával kisebb feszültséggel táplálod, a primerén is a 230V-nál kb. harmadával lesz kisebb a feszültség, amit ha egyenirányítasz és pufferelsz, akkor kb. 250V környékén jársz majd.
A fűtést nem kell egyenirányítani. Ahogy jön a 6,3V váltó, mehet a csőre.
És a kettes trafó hány voltos kell legyen,hogy megfordítva 230-250V-ot aggyon?Mert ugye van egy kis veszteség szóval az visszafele nem éri el a 230-at.6 vagy 9V-ost tehetek ez a két lehetőség van.És akkor melyik igaz?Jobb minél közelebb 250-hez vagy lejjebb,hogy többet éljen a cső?Nemtudod kb. mennyit ér ez a cső(EM84)?
|
Bejelentkezés
Hirdetés |








És mire való a fűtő fesz?

). Nem kell izgulni, kicsit több, mint egy éve én sem tudtam még ezeket. 










